Mesa 5i25+7i77-с чего начать?

Работа с платами MESA, подключение, конфигурация.
dansystems1
Мастер
Сообщения: 339
Зарегистрирован: 23 апр 2012, 19:38
Репутация: 10
Откуда: Армения
Контактная информация:

Re: Mesa 5i25+7i77-с чего начать?

Сообщение dansystems1 »

Поставил утром моторы на станок.Вроде нормально работают, двигают стол размеры держат (в пределах сотки) , однако издают неприятный звук-похожий на резонанс какой-то(слушать противно). От чего это может быть и как с ним бороться?
ЗЫ. Пультик- хорош, хочу такой :)
Аватара пользователя
Nick
Мастер
Сообщения: 22776
Зарегистрирован: 23 ноя 2009, 16:45
Репутация: 1735
Заслуга: Developer
Откуда: Gatchina, Saint-Petersburg distr., Russia
Контактная информация:

Re: Mesa 5i25+7i77-с чего начать?

Сообщение Nick »

Сделай скрин halscope (стандартно по положению, ошибке и команде)...
Наверное у тебя что-то вроде: http://wiki.linuxcnc.org/cgi-bin/wiki.p ... Amplifiers (третья сверху)
dansystems1
Мастер
Сообщения: 339
Зарегистрирован: 23 апр 2012, 19:38
Репутация: 10
Откуда: Армения
Контактная информация:

Re: Mesa 5i25+7i77-с чего начать?

Сообщение dansystems1 »

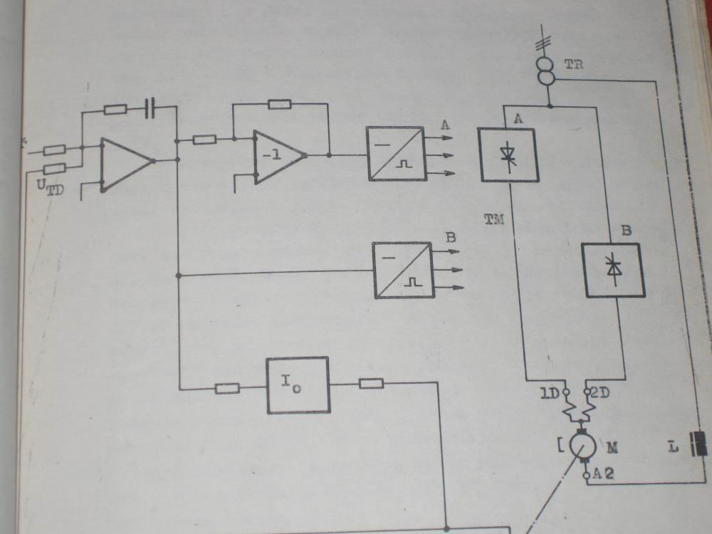
Сегодня последовательно дросселю L включил еще один(снял временно с другой оси), шум уменьшился, но не исчез. Но я не знаю, можно ли увеличить дроссель до такого значения, что гудение прошло, наверное это плохо отразится на FERROR :wik: Схема(упрощенная) привода ниже-
Clip_10.jpg (2299 просмотров) <a class='original' href='./download/file.php?id=7102&mode=view' target=_blank>Загрузить оригинал (47.96 КБ)</a>
PS-не думаю что дело в чпу, потому что при выключенном компе тоже гудят!
nkp
Мастер
Сообщения: 8340
Зарегистрирован: 28 ноя 2011, 00:25
Репутация: 1589
Контактная информация:

Re: Mesa 5i25+7i77-с чего начать?

Сообщение nkp »

Можно же проверить сами привода подав задание с БП через перем резистор.(тумблером можно переключать +0:10V -0:10V)
Подробней у Чернова.
Дроссели расчитаны-ставить дополнительно считаю большого смысла нет(имхо)
dansystems1
Мастер
Сообщения: 339
Зарегистрирован: 23 апр 2012, 19:38
Репутация: 10
Откуда: Армения
Контактная информация:

Re: Mesa 5i25+7i77-с чего начать?

Сообщение dansystems1 »

nkp писал(а):Можно же проверить сами привода подав задание с БП через перем резистор.(тумблером можно переключать +0:10V -0:10V)
Спасибо, завтра попробую конечно!
nkp писал(а):Подробней у Чернова.
-можно поподробнее?
nkp
Мастер
Сообщения: 8340
Зарегистрирован: 28 ноя 2011, 00:25
Репутация: 1589
Контактная информация:

Re: Mesa 5i25+7i77-с чего начать?

Сообщение nkp »

Посмотри здесь
а вообще по приводам "тех" времен у меня есть неясности:
я как то задавал вопрос о двойном контуре ПИД-если один в емс а другой в приводе
может лучше все таки закорачивать интегрирующий конденсатор-оставляя только пропорциональную составляющую
Надо разбираться ;)
dansystems1
Мастер
Сообщения: 339
Зарегистрирован: 23 апр 2012, 19:38
Репутация: 10
Откуда: Армения
Контактная информация:

Re: Mesa 5i25+7i77-с чего начать?

Сообщение dansystems1 »

nkp писал(а):Посмотри здесь
-спасибо, читаю
nkp писал(а):может лучше все таки закорачивать интегрирующий конденсатор-оставляя только пропорциональную составляющую
-
а как правильно делать (хотя бы попробовать) это?
nkp
Мастер
Сообщения: 8340
Зарегистрирован: 28 ноя 2011, 00:25
Репутация: 1589
Контактная информация:

Re: Mesa 5i25+7i77-с чего начать?

Сообщение nkp »

dansystems1 писал(а):а как правильно делать (хотя бы попробовать) это?
Да вот как раз в этом и сам вопрос-
ну может не как правильно -а как лучше.
Тут моего понимания ПИД не хватает,а методом тыка можно в этом вопросе очень долго экспериментировать.
Например в емс пид выдает на выход управляющее воздействие в виде скорости,вычисляя ее в соответствии с измеренными "ошибками" (расстоянию между координатой в которую должны приехать и координатой в которой находимся сейчас).
Эта ошибка умножается на коэфициенты (П,И,Д)
А теперь в приводе сигнал скорости заводится еще раз в ПИ регулятор : ошибкой для него уже служит разница между фактической скоростью, снятой с тахогенератора и
заданной.Вот я и интересовался у математическиподкованного сообщества-нормально ли это ?
Аватара пользователя
Lexxa
Мастер
Сообщения: 2703
Зарегистрирован: 16 дек 2011, 16:48
Репутация: 319
Настоящее имя: Алексей
Откуда: ryazan
Контактная информация:

Re: Mesa 5i25+7i77-с чего начать?

Сообщение Lexxa »

nkp, я думаю, что пид привода и емс друг другу не мешают, поскольку
а) обратная связь в приводе своя от тахо, работает она быстрее и настроена на заводе изготовителе, поскольку привода комплектные. работает она быстрее потому что там всё сделано на дискретных элементов, и никаких вычислений, в отличииот емс. Емс для поддержания скорости при большом моменте с отключенным ПИД в приводе придется наращивать Uзадания, что не есть хорошо, мало ли нагрузка резко кончится, что тогда?
б) ПИД емс будет контролировать движение и при обрыве-поломке тахо остановит всё нафиг, поскольку двигатель понесется, а феррор вырастет

p.s. Мы тут с T00T станок токарный делали, привода оставили родные размер, никаких телодвижений с ними не делали, по движению отлично работает. мелкие косячки поднапрягают.
:bender:
Аватара пользователя
Lexxa
Мастер
Сообщения: 2703
Зарегистрирован: 16 дек 2011, 16:48
Репутация: 319
Настоящее имя: Алексей
Откуда: ryazan
Контактная информация:

Re: Mesa 5i25+7i77-с чего начать?

Сообщение Lexxa »

пульт в своей теме выложил
:bender:
Аватара пользователя
Nick
Мастер
Сообщения: 22776
Зарегистрирован: 23 ноя 2009, 16:45
Репутация: 1735
Заслуга: Developer
Откуда: Gatchina, Saint-Petersburg distr., Russia
Контактная информация:

Re: Mesa 5i25+7i77-с чего начать?

Сообщение Nick »

По хорошему PID просто старается минимизировать величину ошибки, он будет ее минимизировать вне зависимости от единиц в которых подается команда, обратная связи и ведется управление. Естественно параметры его при этом будут разные.

В emc ПИД - это абстрактный компонент поэтому на него может подаваться как скорость, так и положение или ускорение. все будет работать, но слегка по разному :).
dansystems1
Мастер
Сообщения: 339
Зарегистрирован: 23 апр 2012, 19:38
Репутация: 10
Откуда: Армения
Контактная информация:

Re: Mesa 5i25+7i77-с чего начать?

Сообщение dansystems1 »

Спасибо, пойду настаивать PID(думаю худо не будет)
Сегодня взял флешку, вечером будут скриншоты halscope(в цеху скоростного и-нета нет(да и медленного тоже :( ))
dansystems1
Мастер
Сообщения: 339
Зарегистрирован: 23 апр 2012, 19:38
Репутация: 10
Откуда: Армения
Контактная информация:

Re: Mesa 5i25+7i77-с чего начать?

Сообщение dansystems1 »

Сегодня подкорректировал PID, добился некоторого улучшения, но :wik: , при движении ось издает звук, похожий на резонанс-как будто все болты станка ослаблены, причем и при низких, и при высоких скоростях.
Вот снял Halscope на этих моментах
Снимок.png (2260 просмотров) <a class='original' href='./download/file.php?id=7204&mode=view' target=_blank>Загрузить оригинал (105.87 КБ)</a>
Снимок3.png (2260 просмотров) <a class='original' href='./download/file.php?id=7205&mode=view' target=_blank>Загрузить оригинал (99.46 КБ)</a>
Снимок-3.png (2260 просмотров) <a class='original' href='./download/file.php?id=7206&mode=view' target=_blank>Загрузить оригинал (105.46 КБ)</a>
Аватара пользователя
Nick
Мастер
Сообщения: 22776
Зарегистрирован: 23 ноя 2009, 16:45
Репутация: 1735
Заслуга: Developer
Откуда: Gatchina, Saint-Petersburg distr., Russia
Контактная информация:

Re: Mesa 5i25+7i77-с чего начать?

Сообщение Nick »

А какое у тебя разрешение энкодера?
Попробуй deadband по больще сделать, чтобы он был равен 1-2 тика энкодера.
Аватара пользователя
Lexxa
Мастер
Сообщения: 2703
Зарегистрирован: 16 дек 2011, 16:48
Репутация: 319
Настоящее имя: Алексей
Откуда: ryazan
Контактная информация:

Re: Mesa 5i25+7i77-с чего начать?

Сообщение Lexxa »

уменьш D и чуть чуть добавь ФФ1
:bender:
dansystems1
Мастер
Сообщения: 339
Зарегистрирован: 23 апр 2012, 19:38
Репутация: 10
Откуда: Армения
Контактная информация:

Re: Mesa 5i25+7i77-с чего начать?

Сообщение dansystems1 »

Nick писал(а):А какое у тебя разрешение энкодера?
Попробуй deadband по больще сделать, чтобы он был равен 1-2 тика энкодера.
-
Энкодер-s30-4-0500vl, соотв. 500х4=2000, на сколько поставить deadband?
Аватара пользователя
Nick
Мастер
Сообщения: 22776
Зарегистрирован: 23 ноя 2009, 16:45
Репутация: 1735
Заслуга: Developer
Откуда: Gatchina, Saint-Petersburg distr., Russia
Контактная информация:

Re: Mesa 5i25+7i77-с чего начать?

Сообщение Nick »

так чтобы он был равен 2 тика энкодера в мм.
dansystems1
Мастер
Сообщения: 339
Зарегистрирован: 23 апр 2012, 19:38
Репутация: 10
Откуда: Армения
Контактная информация:

Re: Mesa 5i25+7i77-с чего начать?

Сообщение dansystems1 »

Nick писал(а):так чтобы он был равен 2 тика энкодера в мм.
Пробовал разные варианты, ничего не меняется :cry:
Аватара пользователя
Nick
Мастер
Сообщения: 22776
Зарегистрирован: 23 ноя 2009, 16:45
Репутация: 1735
Заслуга: Developer
Откуда: Gatchina, Saint-Petersburg distr., Russia
Контактная информация:

Re: Mesa 5i25+7i77-с чего начать?

Сообщение Nick »

Снинь еще раз последние скриншоты halscope, надо детальнее разобрать то, что на них видно.

Желательно, чтобы на них было как состояние покоя, так и движение...
Аватара пользователя
Lexxa
Мастер
Сообщения: 2703
Зарегистрирован: 16 дек 2011, 16:48
Репутация: 319
Настоящее имя: Алексей
Откуда: ryazan
Контактная информация:

Re: Mesa 5i25+7i77-с чего начать?

Сообщение Lexxa »

стремиться сюда
http://cnc-club.ru/forum/download/file. ... &mode=view
и без пиков бы
:bender:
Ответить

Вернуться в «MESA»