16А20Ф3 подключение резцедержки к Kflop
-
Mehobr
- Почётный участник

- Сообщения: 163
- Зарегистрирован: 15 июн 2015, 00:20
- Репутация: 18
- Настоящее имя: Евгений
- Контактная информация:
16А20Ф3 подключение резцедержки к Kflop
Доброго времени суток!
Помогите советом как прикрутить резцедержку (револьверку) к связке Kflop + kanalog.
Не затруднит кого ни будь из форумчан прорисовать в point мне схему подключения резцедержки к kanalog.
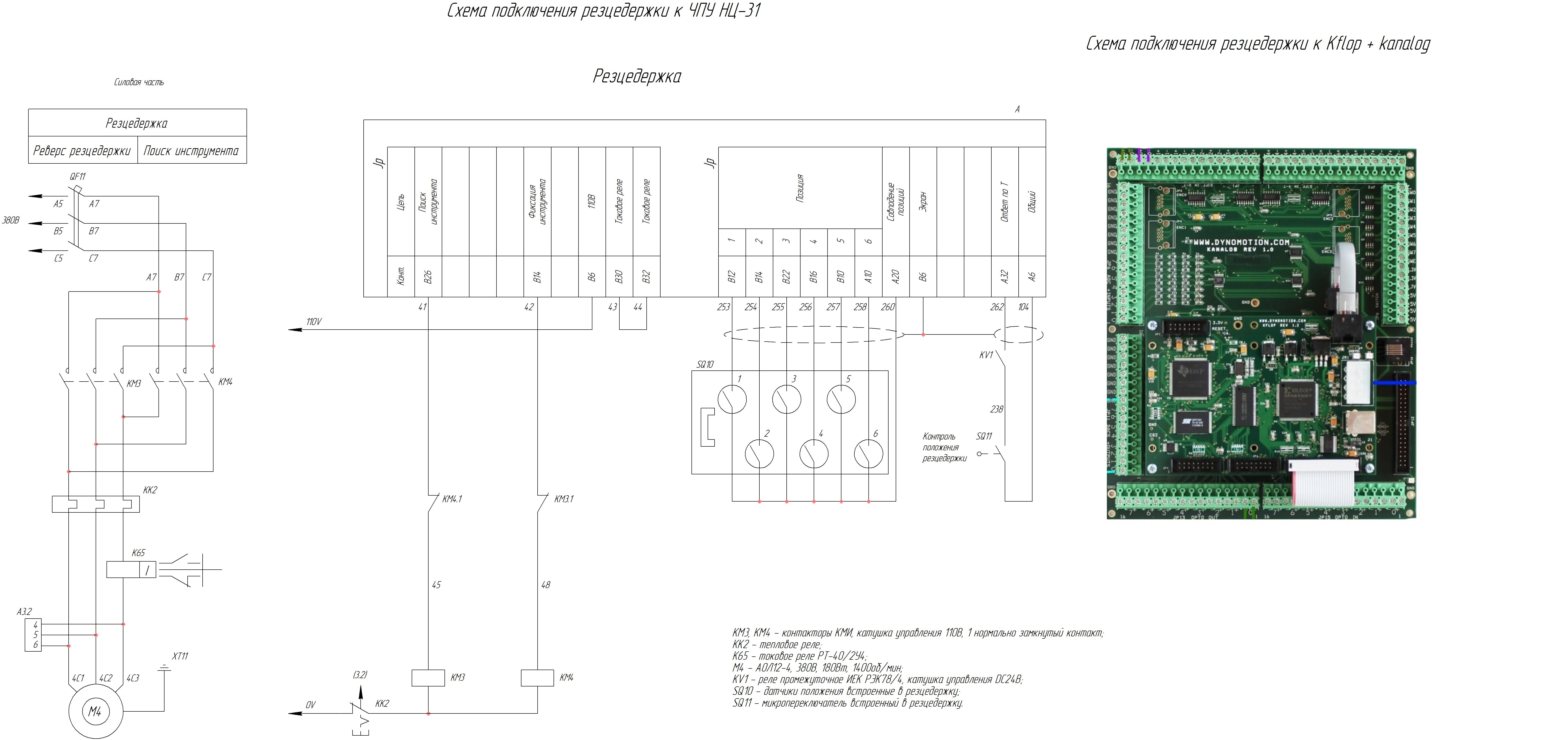
В прикрепленном файле вырезка из схемы подключения резцедержки к ЧПУ НЦ-31, мне нужно перенаправить подключение к плате kanalog.
Помогите советом как прикрутить резцедержку (револьверку) к связке Kflop + kanalog.
Не затруднит кого ни будь из форумчан прорисовать в point мне схему подключения резцедержки к kanalog.
В прикрепленном файле вырезка из схемы подключения резцедержки к ЧПУ НЦ-31, мне нужно перенаправить подключение к плате kanalog.
-
aftaev
- Зачётный участник

- Сообщения: 34042
- Зарегистрирован: 04 апр 2010, 19:22
- Репутация: 6194
- Откуда: Казахстан.
- Контактная информация:
Re: 16А20Ф3 подключение резцедержки к Kflop
попросить готовые конфиги у Demetrius
Re: Модернизация 16А20 #17
Re: Модернизация 16А20 #17
Дилетанту сложные вещи кажутся очень простыми, и только профессионал понимает насколько сложна самая простая вещь
Кто хочет - ищет возможности, кто не хочет - ищет оправдание.
Найди работу по душе и тебе не придется работать.
Кто хочет - ищет возможности, кто не хочет - ищет оправдание.
Найди работу по душе и тебе не придется работать.
-
Mehobr
- Почётный участник

- Сообщения: 163
- Зарегистрирован: 15 июн 2015, 00:20
- Репутация: 18
- Настоящее имя: Евгений
- Контактная информация:
Re: 16А20Ф3 подключение резцедержки к Kflop
Получше сделал изображение в прикрепленном файле.
- ukr-sasha
- Мастер
- Сообщения: 3401
- Зарегистрирован: 21 мар 2011, 07:47
- Репутация: 2181
- Настоящее имя: Украинец Александр Григорьевич
- Откуда: Киев, Украина
- Контактная информация:
Re: 16А20Ф3 подключение резцедержки к Kflop
Дима мои конфиги использует...aftaev писал(а):попросить готовые конфиги у Demetrius
Re: Модернизация 16А20 #17
-
Дмитро
- Почётный участник

- Сообщения: 1060
- Зарегистрирован: 14 сен 2013, 01:20
- Репутация: 1139
- Настоящее имя: Дмитрий
- Откуда: Киев
Re: 16А20Ф3 подключение резцедержки к Kflop
Схема это самое простое.Mehobr писал(а):Получше сделал изображение в прикрепленном файле.
Самое главное, это
ukr-sasha писал(а):Дима мои конфиги использует...
- ukr-sasha
- Мастер
- Сообщения: 3401
- Зарегистрирован: 21 мар 2011, 07:47
- Репутация: 2181
- Настоящее имя: Украинец Александр Григорьевич
- Откуда: Киев, Украина
- Контактная информация:
Re: 16А20Ф3 подключение резцедержки к Kflop
Путь ТС простит за оффтоп...
По моему мнению, если станок это хобби, то для таких увлеченных, я написал соответствующую тему. По которой вполне без проблем, начинающий и неопытный пользователь сможет запустить кфлоп. И насколько я знаю, такого объема и уровня руководств в сети больше нет.
Но если станок планируется для заработка, а 16а20 с автосменой инструмента, извините, никак на хобби не тянет, то заплатить за настройку разбирающемуся человеку "пару золотых", это будет выгодно обоим.
К слову сказать, имея свои станки и умения, иногда отдаем на сторону работу, если это экономит время.
По моему мнению, если станок это хобби, то для таких увлеченных, я написал соответствующую тему. По которой вполне без проблем, начинающий и неопытный пользователь сможет запустить кфлоп. И насколько я знаю, такого объема и уровня руководств в сети больше нет.
Но если станок планируется для заработка, а 16а20 с автосменой инструмента, извините, никак на хобби не тянет, то заплатить за настройку разбирающемуся человеку "пару золотых", это будет выгодно обоим.
К слову сказать, имея свои станки и умения, иногда отдаем на сторону работу, если это экономит время.
-
aftaev
- Зачётный участник

- Сообщения: 34042
- Зарегистрирован: 04 апр 2010, 19:22
- Репутация: 6194
- Откуда: Казахстан.
- Контактная информация:
Re: 16А20Ф3 подключение резцедержки к Kflop
Выложите или сцылку на конфиг человеку покажите.ukr-sasha писал(а):Дима мои конфиги использует...
Дилетанту сложные вещи кажутся очень простыми, и только профессионал понимает насколько сложна самая простая вещь
Кто хочет - ищет возможности, кто не хочет - ищет оправдание.
Найди работу по душе и тебе не придется работать.
Кто хочет - ищет возможности, кто не хочет - ищет оправдание.
Найди работу по душе и тебе не придется работать.
-
Mehobr
- Почётный участник

- Сообщения: 163
- Зарегистрирован: 15 июн 2015, 00:20
- Репутация: 18
- Настоящее имя: Евгений
- Контактная информация:
Re: 16А20Ф3 подключение резцедержки к Kflop
Я так понимаю никто мне не поможет за просто так.ukr-sasha писал(а):Но если станок планируется для заработка, а 16а20 с автосменой инструмента, извините, никак на хобби не тянет, то заплатить за настройку разбирающемуся человеку "пару золотых", это будет выгодно обоим.
-
aftaev
- Зачётный участник

- Сообщения: 34042
- Зарегистрирован: 04 апр 2010, 19:22
- Репутация: 6194
- Откуда: Казахстан.
- Контактная информация:
Re: 16А20Ф3 подключение резцедержки к Kflop
Я не делал - не знаю. Напиши Тому (продавцу KFLOP)Mehobr писал(а):Я так понимаю никто мне не поможет за просто так.
Дилетанту сложные вещи кажутся очень простыми, и только профессионал понимает насколько сложна самая простая вещь
Кто хочет - ищет возможности, кто не хочет - ищет оправдание.
Найди работу по душе и тебе не придется работать.
Кто хочет - ищет возможности, кто не хочет - ищет оправдание.
Найди работу по душе и тебе не придется работать.
- ukr-sasha
- Мастер
- Сообщения: 3401
- Зарегистрирован: 21 мар 2011, 07:47
- Репутация: 2181
- Настоящее имя: Украинец Александр Григорьевич
- Откуда: Киев, Украина
- Контактная информация:
Re: 16А20Ф3 подключение резцедержки к Kflop
Евгений, если для вас этот проект хобби, то думаю вам будет интересно разобраться в программировании кфлопа. 
Я ни в коем случае не навязываю свои услуги - работы хватает слава богу. Три станка запустить надо в ближайшее время.
Но поверьте, те задачи, которые вы мне озвучивали, ни разу не легкие: револьверка + полноценная панель управления.
Лично я, после запуска еще месяца три баги отлавливал.
И человек, если кто возьмется, тоже столкнется с интересным процессом.
П.С. Если всё таки возьметесь сами программировать, то по отдельным моментам подсказать могу.
Я ни в коем случае не навязываю свои услуги - работы хватает слава богу. Три станка запустить надо в ближайшее время.
Но поверьте, те задачи, которые вы мне озвучивали, ни разу не легкие: револьверка + полноценная панель управления.
Лично я, после запуска еще месяца три баги отлавливал.
И человек, если кто возьмется, тоже столкнется с интересным процессом.
П.С. Если всё таки возьметесь сами программировать, то по отдельным моментам подсказать могу.
-
aftaev
- Зачётный участник

- Сообщения: 34042
- Зарегистрирован: 04 апр 2010, 19:22
- Репутация: 6194
- Откуда: Казахстан.
- Контактная информация:
Re: 16А20Ф3 подключение резцедержки к Kflop
ukr-sasha, а вообще управление револьверкой где прописывается 
Дилетанту сложные вещи кажутся очень простыми, и только профессионал понимает насколько сложна самая простая вещь
Кто хочет - ищет возможности, кто не хочет - ищет оправдание.
Найди работу по душе и тебе не придется работать.
Кто хочет - ищет возможности, кто не хочет - ищет оправдание.
Найди работу по душе и тебе не придется работать.
- ukr-sasha
- Мастер
- Сообщения: 3401
- Зарегистрирован: 21 мар 2011, 07:47
- Репутация: 2181
- Настоящее имя: Украинец Александр Григорьевич
- Откуда: Киев, Украина
- Контактная информация:
Re: 16А20Ф3 подключение резцедержки к Kflop
У меня в файле на команду М6.
-
Mehobr
- Почётный участник

- Сообщения: 163
- Зарегистрирован: 15 июн 2015, 00:20
- Репутация: 18
- Настоящее имя: Евгений
- Контактная информация:
Re: 16А20Ф3 подключение резцедержки к Kflop
Алексей Hanter поможет, просто сейчас он занят, хочу пока сам вникнуть.ukr-sasha писал(а):И человек, если кто возьмется, тоже столкнется с интересным процессом.
Спасибо!ukr-sasha писал(а):Если всё таки возьметесь сами программировать, то по отдельным моментам подсказать могу.