самодельные опоры швп
-
westdiamond
- Кандидат
- Сообщения: 53
- Зарегистрирован: 20 окт 2014, 09:02
- Репутация: 0
- Настоящее имя: юра
- Контактная информация:
самодельные опоры швп
Здраствуйте!Хочу создать тему по самодельним опарам ШВП, кто какие использует подшипники, какие лучше делать под них блоки.Думаю это актуально для самодельщиков так как цена на готовие опори космические, а у людей самодельние опори роботают не хуже!!!
- Карабас
- Мастер
- Сообщения: 1862
- Зарегистрирован: 02 мар 2016, 06:53
- Репутация: 690
- Контактная информация:
Re: самодельные опоры швп
Ващее ни каких проблем.Нормальный фрезерный станок, руки из того места откуда надо растущие и готово. Подшипники по диаметру вала, какие нравятся(радиально-упорные конечно!!!!)
Если на минусы жизни смотреть сквозь поднятый средний палец, то они становятся плюсами.
-
westdiamond
- Кандидат
- Сообщения: 53
- Зарегистрирован: 20 окт 2014, 09:02
- Репутация: 0
- Настоящее имя: юра
- Контактная информация:
Re: самодельные опоры швп
Интересно имено с радиальними подшипниками и принцип натяга.
Вот цитата из интернета Цитата. не могу понять принцып
Брал только подшипники ,стоят в пределах 100 сом(примерно 1 сом -1 руб), винт под подшипник отпускал резаком ,токарь снял под посадку(свободную), нарезал резьбу М12. По винту выставил пластины с отверстиями в1,5 раза больше диаметра вала, раскрепил косынками .Снаружи вторая пластина с отверстием под свободный ход гайки. Принцип таков:Внутренняя обойма поджата гайкой к винту, а наружная обойма сжата пластинами при помощи 3-х болтов М6 . Снять подшипник- открутить болты М6 и гайку М 12. Ну а со стороны шаговика - чуть подольше: Снять шаговик резиновую муфту (обыкновенный кислородный шланг заменяет мягкую, дорогую дюралевую муфту) , ну и т. д.
Вот цитата из интернета Цитата. не могу понять принцып
Брал только подшипники ,стоят в пределах 100 сом(примерно 1 сом -1 руб), винт под подшипник отпускал резаком ,токарь снял под посадку(свободную), нарезал резьбу М12. По винту выставил пластины с отверстиями в1,5 раза больше диаметра вала, раскрепил косынками .Снаружи вторая пластина с отверстием под свободный ход гайки. Принцип таков:Внутренняя обойма поджата гайкой к винту, а наружная обойма сжата пластинами при помощи 3-х болтов М6 . Снять подшипник- открутить болты М6 и гайку М 12. Ну а со стороны шаговика - чуть подольше: Снять шаговик резиновую муфту (обыкновенный кислородный шланг заменяет мягкую, дорогую дюралевую муфту) , ну и т. д.
- Карабас
- Мастер
- Сообщения: 1862
- Зарегистрирован: 02 мар 2016, 06:53
- Репутация: 690
- Контактная информация:
Re: самодельные опоры швп
Какая длинна вала при данном креплении? 200 - 300 мм - может и пойдёт, а больше надо тянуть.Даже если вы умудритесь натянуть радиальный подшипник, что очень сомнительно - это не надолго.
Если на минусы жизни смотреть сквозь поднятый средний палец, то они становятся плюсами.
- Hanter
- Мастер
- Сообщения: 5414
- Зарегистрирован: 27 янв 2012, 14:52
- Репутация: 4338
- Настоящее имя: Алексей
- Откуда: Питер
- Контактная информация:
Re: самодельные опоры швп
Чет вы лишнее изобретаете. я вот так делал.... между радиальными и упорными подшипниками проложены шайбы толщиной 0.3мм. на картинке их нету. картинка из просчета компановки.
Опыт - это когда на смену вопросам: "Что? Где? Когда? Как? Почему?" Приходит единственный вопрос: "Нахрена?"
==========================================
фрезерная и токарная обработка на станках с чпу.
Резка, гибка, сварка и порошковая окраса.
==========================================
фрезерная и токарная обработка на станках с чпу.
Резка, гибка, сварка и порошковая окраса.
- Карабас
- Мастер
- Сообщения: 1862
- Зарегистрирован: 02 мар 2016, 06:53
- Репутация: 690
- Контактная информация:
Re: самодельные опоры швп
Дёшево и сердито!
Если на минусы жизни смотреть сквозь поднятый средний палец, то они становятся плюсами.
-
westdiamond
- Кандидат
- Сообщения: 53
- Зарегистрирован: 20 окт 2014, 09:02
- Репутация: 0
- Настоящее имя: юра
- Контактная информация:
Re: самодельные опоры швп
Подскажите а если не делать натяг чем ето черевато? станок типа хобби.Карабас писал(а):Какая длинна вала при данном креплении? 200 - 300 мм - может и пойдёт, а больше надо тянуть.Даже если вы умудритесь натянуть радиальный подшипник, что очень сомнительно - это не надолго.
- Карабас
- Мастер
- Сообщения: 1862
- Зарегистрирован: 02 мар 2016, 06:53
- Репутация: 690
- Контактная информация:
Re: самодельные опоры швп
Расколбасом чревато.
Если на минусы жизни смотреть сквозь поднятый средний палец, то они становятся плюсами.
-
nik1
- Мастер
- Сообщения: 8408
- Зарегистрирован: 02 окт 2012, 07:37
- Репутация: 3629
- Откуда: Красногорск
- Контактная информация:
Re: самодельные опоры швп
Ось колбасить будет , лучше поставь радиальноупорный
Re: самодельные опоры швп
Hanter, а почему внутренние подшипники как будто болтются в воздухе? это та часть, которая свободная, без двигателя? внутренние как раз упорные, а внешние - радиальные? вообще бы еще маркировку подшипников указать - цены бы не было этому посту.
- NickSon
- Опытный
- Сообщения: 144
- Зарегистрирован: 08 май 2015, 12:14
- Репутация: 23
- Настоящее имя: Николай
- Откуда: Ростов-на-Дону
- Контактная информация:
Re: самодельные опоры швп
Мне вот интересно, все говорят, что надо ставить в опоры только радиально-упорные... Учитывая характер нагрузок винта я согласен, не спорю... Однако, как указано в справочных данных, обычный радиальный подшипник способен воспринимать в осевом направлении до 70% "неиспользованной" допустимой радиальной нагрузки. Если, к примеру, станок небольшой, допустим 600х400 и пилит фанерку и иногда медленно алюминьку, то почему не использовать обычные радиальные подшипники, если осевые нагрузки попадают в эти 70% с запасом? По идее на ресурсе подшипника это не должно сказаться - нагрузки же в допуске.
- Карабас
- Мастер
- Сообщения: 1862
- Зарегистрирован: 02 мар 2016, 06:53
- Репутация: 690
- Контактная информация:
Re: самодельные опоры швп
Да нет проблем............покупайте и ставте. Всё зависит от того, что вы сами хотите, и от возможностей вашего станочка.
Если на минусы жизни смотреть сквозь поднятый средний палец, то они становятся плюсами.
- NickSon
- Опытный
- Сообщения: 144
- Зарегистрирован: 08 май 2015, 12:14
- Репутация: 23
- Настоящее имя: Николай
- Откуда: Ростов-на-Дону
- Контактная информация:
Re: самодельные опоры швп
Да дело ж не в проблемах. Просто хотелось узнать мнение опытных людей относительно такой схемы. Мало ли нюансов может быть.
Ну а насчет ставьте... Собрал себе небольшой настольный.Поставил. У меня такая опора работает, но пока еще недолго и явных недочетов я пока не заметил.
Ну а насчет ставьте... Собрал себе небольшой настольный.Поставил. У меня такая опора работает, но пока еще недолго и явных недочетов я пока не заметил.
-
Darxton
- Мастер
- Сообщения: 2113
- Зарегистрирован: 17 янв 2013, 08:19
- Репутация: 623
- Контактная информация:
Re: самодельные опоры швп
Второй радиальный со стороны гайки зачем нужен?Hanter писал(а):Чет вы лишнее изобретаете. я вот так делал.... между радиальными и упорными подшипниками проложены шайбы толщиной 0.3мм. на картинке их нету. картинка из просчета компановки.
- Hanter
- Мастер
- Сообщения: 5414
- Зарегистрирован: 27 янв 2012, 14:52
- Репутация: 4338
- Настоящее имя: Алексей
- Откуда: Питер
- Контактная информация:
Re: самодельные опоры швп
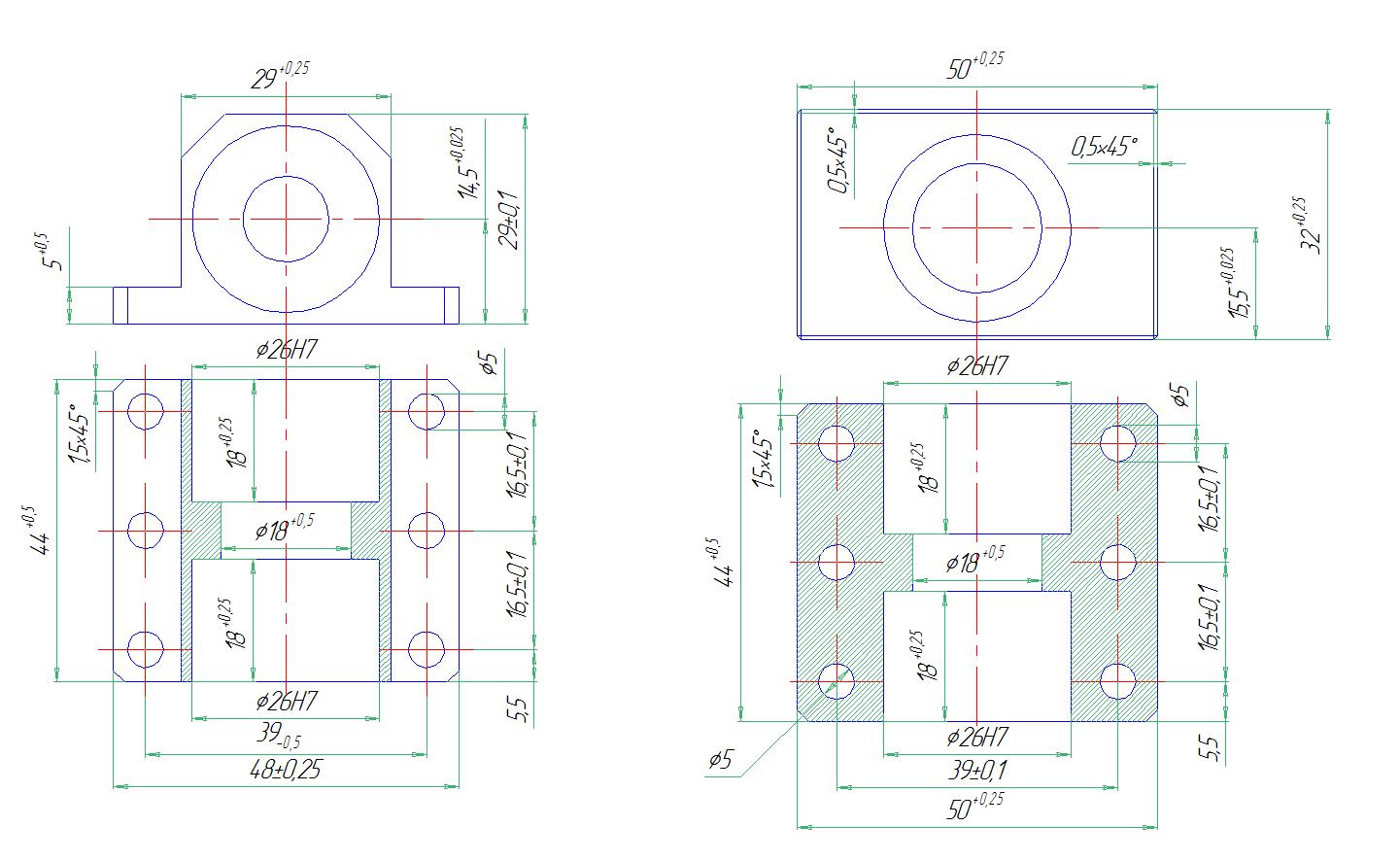
да можно вообще не ставить ни радиальные ни упорные. поставьте радиально-упорных пару и все. в эти же посадочные размеры все встанет. корпус тока на 4мм сократиться. чертеж корпуса если нада кому вот:
подшипники - радиальный 100-ый. упорный 8100.
Винты если кому нада - ISEL 1605. в живую это выглядит вот так:
экономика должна быть экономной. 
а давайте его уберем - че будет ??? один упорный подшипник ? со щелью по кругу ? во первых я считаю что это не правильно - оставлять один упорный уперев его в вал. во вторых - мне проще поставить закрытый радиальный и исключить попадание мусора в полость подшипников. ну и увеличить радиальную базу винта. плюс у меня эти опоры стоят "одиночками". то есть одна опора держит винт в оба направления. хвост винта не поддерживается.Второй радиальный со стороны гайки зачем нужен?
Винты если кому нада - ISEL 1605. в живую это выглядит вот так:
он не болтается. вокруг него должна быть шайба. на рисунке и на чертеже ее нет. ибо делать ступенчатую расточку выходит шибко дороже чем тупо встать самому к станку и выточить эту шайбу..pup писал(а):Hanter, а почему внутренние подшипники как будто болтются в воздухе? это та часть, которая свободная, без двигателя? внутренние как раз упорные, а внешние - радиальные? вообще бы еще маркировку подшипников указать - цены бы не было этому посту.
Опыт - это когда на смену вопросам: "Что? Где? Когда? Как? Почему?" Приходит единственный вопрос: "Нахрена?"
==========================================
фрезерная и токарная обработка на станках с чпу.
Резка, гибка, сварка и порошковая окраса.
==========================================
фрезерная и токарная обработка на станках с чпу.
Резка, гибка, сварка и порошковая окраса.
- Карабас
- Мастер
- Сообщения: 1862
- Зарегистрирован: 02 мар 2016, 06:53
- Репутация: 690
- Контактная информация:
Re: самодельные опоры швп
Посчитайте вашу пиковую осевую нагрузку....если она укладывается в 30% от допустимой....ставтеNickSon писал(а):Мне вот интересно, все говорят, что надо ставить в опоры только радиально-упорные... Учитывая характер нагрузок винта я согласен, не спорю... Однако, как указано в справочных данных, обычный радиальный подшипник способен воспринимать в осевом направлении до 70% "неиспользованной" допустимой радиальной нагрузки. Если, к примеру, станок небольшой, допустим 600х400 и пилит фанерку и иногда медленно алюминьку, то почему не использовать обычные радиальные подшипники, если осевые нагрузки попадают в эти 70% с запасом? По идее на ресурсе подшипника это не должно сказаться - нагрузки же в допуске.
Если на минусы жизни смотреть сквозь поднятый средний палец, то они становятся плюсами.
- ultrus
- Мастер
- Сообщения: 2039
- Зарегистрирован: 09 апр 2013, 05:42
- Репутация: 1329
- Настоящее имя: Юрий
- Откуда: Воронеж
- Контактная информация:
Re: самодельные опоры швп
westdiamond писал(а):Думаю это актуально для самодельщиков
По дереву и пластику, я думаю, это загон.Hanter писал(а):Чет вы лишнее изобретаете. я вот так делал....
А чем стандартная компоновка с двумя радиально-упорными подшипниками серии 7хххх не устраивает?
Опоздал немного, уже написали...
"Если хочешь сделать что-то хорошо, сделай это сам."
Фердинанд Порше
Фердинанд Порше
- Hanter
- Мастер
- Сообщения: 5414
- Зарегистрирован: 27 янв 2012, 14:52
- Репутация: 4338
- Настоящее имя: Алексей
- Откуда: Питер
- Контактная информация:
Re: самодельные опоры швп
а я и не говорил что это по дереву и пластикуultrus писал(а):По дереву и пластику, я думаю, это загон.
А чем стандартная компоновка с двумя радиально-упорными подшипниками серии 7хххх не устраивает?
Опыт - это когда на смену вопросам: "Что? Где? Когда? Как? Почему?" Приходит единственный вопрос: "Нахрена?"
==========================================
фрезерная и токарная обработка на станках с чпу.
Резка, гибка, сварка и порошковая окраса.
==========================================
фрезерная и токарная обработка на станках с чпу.
Резка, гибка, сварка и порошковая окраса.
- CybSys
- Почётный участник

- Сообщения: 480
- Зарегистрирован: 07 июн 2013, 10:02
- Репутация: 121
- Откуда: Иваново
- Контактная информация:
Re: самодельные опоры швп
В принципе по внутреннему исполнению, стандартная опора. Единственное я бы добавил ступеньку/приточку для упорного подшипника (если конечно ее на рисунке нет из за его упрощения).
А шайбу сделал бы чуть по толще (4мм - за глаза) и в таком исполнении:
И еще такой момент (напомню наверное), чтобы опора правильно работала нужно правильно установить опорные подшипники, по мимо того что они должны размещаться в корпусе зеркально. Половинка одного из них, та в которой отверстие чуть больше диаметра проточенного конца винта, должна вкладываться во внутрь корпуса опоры, а вторая соответственно вставать по посадке на винт. Надеюсь можно что то понять из моей писанины. жаль под рукой нет "Компаса", рисунки хоть нормальные приложил.
Мой канал: https://www.youtube.com/c/CybernetSystems
Мой ВК: https://vk.com/cybsys
Мой instagram: https://instagram.com/cybsystems?utm_medium=copy_link
Мой сайт: https://www.ivdetal.ru
Мой ВК: https://vk.com/cybsys
Мой instagram: https://instagram.com/cybsystems?utm_medium=copy_link
Мой сайт: https://www.ivdetal.ru
-
westdiamond
- Кандидат
- Сообщения: 53
- Зарегистрирован: 20 окт 2014, 09:02
- Репутация: 0
- Настоящее имя: юра
- Контактная информация:
Re: самодельные опоры швп
Ето у вас основа от настольного токарного?Интересно было бы посмотреть на станок цыликом?Hanter писал(а):да можно вообще не ставить ни радиальные ни упорные. поставьте радиально-упорных пару и все. в эти же посадочные размеры все встанет. корпус тока на 4мм сократиться. чертеж корпуса если нада кому вот: подшипники - радиальный 100-ый. упорный 8100.
а давайте его уберем - че будет ??? один упорный подшипник ? со щелью по кругу ? во первых я считаю что это не правильно - оставлять один упорный уперев его в вал. во вторых - мне проще поставить закрытый радиальный и исключить попадание мусора в полость подшипников. ну и увеличить радиальную базу винта. плюс у меня эти опоры стоят "одиночками". то есть одна опора держит винт в оба направления. хвост винта не поддерживается.Второй радиальный со стороны гайки зачем нужен?
Винты если кому нада - ISEL 1605. в живую это выглядит вот так:он не болтается. вокруг него должна быть шайба. на рисунке и на чертеже ее нет. ибо делать ступенчатую расточку выходит шибко дороже чем тупо встать самому к станку и выточить эту шайбу..pup писал(а):Hanter, а почему внутренние подшипники как будто болтются в воздухе? это та часть, которая свободная, без двигателя? внутренние как раз упорные, а внешние - радиальные? вообще бы еще маркировку подшипников указать - цены бы не было этому посту.экономика должна быть экономной.