а какая проверенная?raddd писал(а):вобще с полевиками не так просто.мало его откыть, его еще и закрыть надо!
схема не очень корректная.
вот лучше http://electronics.stackexchange.com/qu ... ing-dimmer
ТПК-125 Восстановление
- rebire
- Мастер
- Сообщения: 219
- Зарегистрирован: 25 сен 2015, 00:43
- Репутация: 25
- Настоящее имя: Дмитрий
- Откуда: ульяновск
- Контактная информация:
Re: ТПК-125 Восстановление
_____________________
Собрали и смело включайте, лишнее выгорит!
Собрали и смело включайте, лишнее выгорит!
- rebire
- Мастер
- Сообщения: 219
- Зарегистрирован: 25 сен 2015, 00:43
- Репутация: 25
- Настоящее имя: Дмитрий
- Откуда: ульяновск
- Контактная информация:
Re: ТПК-125 Восстановление
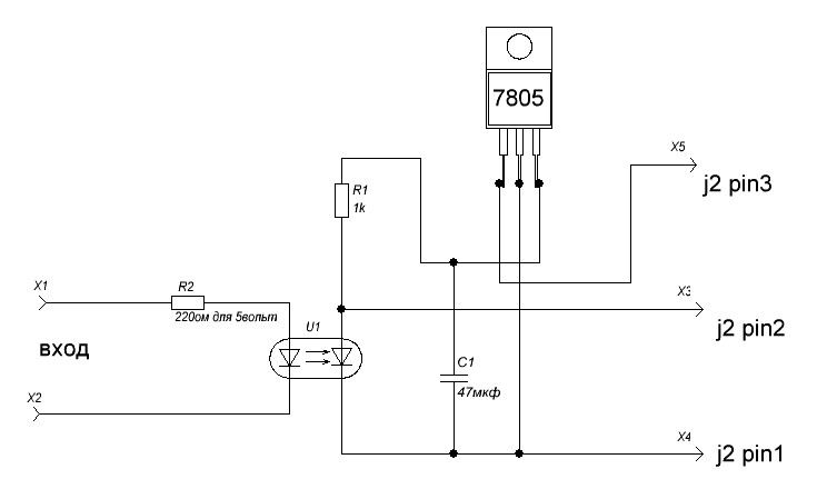
вот то же нашел на lm358 ,как?
_____________________
Собрали и смело включайте, лишнее выгорит!
Собрали и смело включайте, лишнее выгорит!
- raddd
- Почётный участник

- Сообщения: 1564
- Зарегистрирован: 10 фев 2015, 08:50
- Репутация: 540
- Настоящее имя: Alexey Rodionov
- Откуда: Беларусь Минский р-н
- Контактная информация:
Re: ТПК-125 Восстановление
схема хороша, только между R5,R6 подстроечник просится.rebire писал(а):вот то же нашел на lm358 ,как?
||||||||||||
||||||||||||
||||||||||||
- rebire
- Мастер
- Сообщения: 219
- Зарегистрирован: 25 сен 2015, 00:43
- Репутация: 25
- Настоящее имя: Дмитрий
- Откуда: ульяновск
- Контактная информация:
Re: ТПК-125 Восстановление
завтра если все детали будут в наличии соберу,попробую работоспособность,
и еще если на вход PWM перед R4 поставить оптрон el817 стабильней работать не будет?
и еще если на вход PWM перед R4 поставить оптрон el817 стабильней работать не будет?
_____________________
Собрали и смело включайте, лишнее выгорит!
Собрали и смело включайте, лишнее выгорит!
- raddd
- Почётный участник

- Сообщения: 1564
- Зарегистрирован: 10 фев 2015, 08:50
- Репутация: 540
- Настоящее имя: Alexey Rodionov
- Откуда: Беларусь Минский р-н
- Контактная информация:
Re: ТПК-125 Восстановление
поставить оптрон можно. только тогда его надо подтянуть к 5+падение на оптроне вольт. через сопротивление
пока так проверить стоит и в плате развязки возможно уже есть оптрон.
пока так проверить стоит и в плате развязки возможно уже есть оптрон.
||||||||||||
||||||||||||
||||||||||||
-
Дмитро
- Почётный участник

- Сообщения: 1060
- Зарегистрирован: 14 сен 2013, 01:20
- Репутация: 1139
- Настоящее имя: Дмитрий
- Откуда: Киев
Re: ТПК-125 Восстановление
Вот проверенная схема http://dynomotion.com/Help/SchematicsKS ... sKStep.htm раздел Optically isolated PWM to Analog Circuit
- rebire
- Мастер
- Сообщения: 219
- Зарегистрирован: 25 сен 2015, 00:43
- Репутация: 25
- Настоящее имя: Дмитрий
- Откуда: ульяновск
- Контактная информация:
Re: ТПК-125 Восстановление
да пока попробую так,без оптрона.
_____________________
Собрали и смело включайте, лишнее выгорит!
Собрали и смело включайте, лишнее выгорит!
- rebire
- Мастер
- Сообщения: 219
- Зарегистрирован: 25 сен 2015, 00:43
- Репутация: 25
- Настоящее имя: Дмитрий
- Откуда: ульяновск
- Контактная информация:
Re: ТПК-125 Восстановление
Demetrius писал(а):Вот проверенная схема http://dynomotion.com/Help/SchematicsKS ... sKStep.htm раздел Optically isolated PWM to Analog Circuit
если с первой схемой не получиться попробуем предложенную вами,
спасибо.
_____________________
Собрали и смело включайте, лишнее выгорит!
Собрали и смело включайте, лишнее выгорит!
- rebire
- Мастер
- Сообщения: 219
- Зарегистрирован: 25 сен 2015, 00:43
- Репутация: 25
- Настоящее имя: Дмитрий
- Откуда: ульяновск
- Контактная информация:
Re: ТПК-125 Восстановление
а +10в для запитки схемы откуда лучше брать из самого частотника(опорное напряжение) или из вне,например от комп бп.
_____________________
Собрали и смело включайте, лишнее выгорит!
Собрали и смело включайте, лишнее выгорит!
- raddd
- Почётный участник

- Сообщения: 1564
- Зарегистрирован: 10 фев 2015, 08:50
- Репутация: 540
- Настоящее имя: Alexey Rodionov
- Откуда: Беларусь Минский р-н
- Контактная информация:
Re: ТПК-125 Восстановление
опорное обычно негодится т.к. падение на элементах не даст 10в на выходе.
если частотник поддерживает корекцию упр. напряжения (например 100% оборотов = скажем 9вольт) то можно
если частотник поддерживает корекцию упр. напряжения (например 100% оборотов = скажем 9вольт) то можно
||||||||||||
||||||||||||
||||||||||||
- rebire
- Мастер
- Сообщения: 219
- Зарегистрирован: 25 сен 2015, 00:43
- Репутация: 25
- Настоящее имя: Дмитрий
- Откуда: ульяновск
- Контактная информация:
Re: ТПК-125 Восстановление
завтра посмотрю в настройках частотника.raddd писал(а):опорное обычно негодится т.к. падение на элементах не даст 10в на выходе.
если частотник поддерживает корекцию упр. напряжения (например 100% оборотов = скажем 9вольт) то можно
_____________________
Собрали и смело включайте, лишнее выгорит!
Собрали и смело включайте, лишнее выгорит!
- rebire
- Мастер
- Сообщения: 219
- Зарегистрирован: 25 сен 2015, 00:43
- Репутация: 25
- Настоящее имя: Дмитрий
- Откуда: ульяновск
- Контактная информация:
Re: ТПК-125 Восстановление
добрался до частотника,посмотрел,коррекция есть,подкорректировал и с первой схемой заработало,но вторую соберу проверю, детальки все купил уже.raddd писал(а):если частотник поддерживает корекцию упр. напряжения (например 100% оборотов = скажем 9вольт) то можно
Подскажите какой Gкод,цикл использовать для чистового и чернового точения.,и как правильно оформить строку в программе?
_____________________
Собрали и смело включайте, лишнее выгорит!
Собрали и смело включайте, лишнее выгорит!
- rebire
- Мастер
- Сообщения: 219
- Зарегистрирован: 25 сен 2015, 00:43
- Репутация: 25
- Настоящее имя: Дмитрий
- Откуда: ульяновск
- Контактная информация:
Re: ТПК-125 Восстановление
Здравствуйте.
Долго не писал,но только сейчас собрал все до конца.
И понял одно ,что все труды напрасно,во первых китайские драйвера полное г-но,во вторых шаговые двигателя то ли из-за драйверов работают как то не понятно то ли слабоваты на малых скоростях подачи куда не шло,но стоит сделать чуть больше начинаются пропуски шагов или вообще при быстром перемещении перестает ехать а координаты на компьютере изменяются как будто все в норме,намучился.
Решил все китайское выкинуть,и купить нормальные серводвигатели и драйвера.
Подскажите какие лучше взять чтоб наверняка,и что лучше щеточные или бесщеточные?
Долго не писал,но только сейчас собрал все до конца.
И понял одно ,что все труды напрасно,во первых китайские драйвера полное г-но,во вторых шаговые двигателя то ли из-за драйверов работают как то не понятно то ли слабоваты на малых скоростях подачи куда не шло,но стоит сделать чуть больше начинаются пропуски шагов или вообще при быстром перемещении перестает ехать а координаты на компьютере изменяются как будто все в норме,намучился.
Решил все китайское выкинуть,и купить нормальные серводвигатели и драйвера.
Подскажите какие лучше взять чтоб наверняка,и что лучше щеточные или бесщеточные?
_____________________
Собрали и смело включайте, лишнее выгорит!
Собрали и смело включайте, лишнее выгорит!
-
ok-evgenij
- Опытный
- Сообщения: 161
- Зарегистрирован: 02 апр 2014, 22:18
- Репутация: 40
- Контактная информация:
Re: ТПК-125 Восстановление
Не знаю, расстрою или обрадую, но у меня на шаговиках худо-бедно работает.
Моторы nema23 длиной 76 мм, драйверы Leadshine DM860, напряжение питания 75В. Скорость 1500мм/мин стабильно.
Была бы индуктивность у моторов поменьше - поехало бы побыстрее. Может стоит драйвера с питанием сменить?
А сервы обсуждать без привязки к бюджету сложно.
Моторы nema23 длиной 76 мм, драйверы Leadshine DM860, напряжение питания 75В. Скорость 1500мм/мин стабильно.
Была бы индуктивность у моторов поменьше - поехало бы побыстрее. Может стоит драйвера с питанием сменить?
А сервы обсуждать без привязки к бюджету сложно.
-
aftaev
- Зачётный участник

- Сообщения: 34042
- Зарегистрирован: 04 апр 2010, 19:22
- Репутация: 6194
- Откуда: Казахстан.
- Контактная информация:
Re: ТПК-125 Восстановление
Сервы порой дешевле шаговиков стоятok-evgenij писал(а):А сервы обсуждать без привязки к бюджету сложно.
http://www.ebay.com/itm/Yaskawa-Servo-D ... SwUdlWerT-
http://www.ebay.com/itm/Lot-2-YASKAWA-S ... Swx-9WxuGQ
Дилетанту сложные вещи кажутся очень простыми, и только профессионал понимает насколько сложна самая простая вещь
Кто хочет - ищет возможности, кто не хочет - ищет оправдание.
Найди работу по душе и тебе не придется работать.
Кто хочет - ищет возможности, кто не хочет - ищет оправдание.
Найди работу по душе и тебе не придется работать.
-
ok-evgenij
- Опытный
- Сообщения: 161
- Зарегистрирован: 02 апр 2014, 22:18
- Репутация: 40
- Контактная информация:
Re: ТПК-125 Восстановление
Ну так не честно, по первой ссылке моторы всего 50W и 110v, а за вторую еще придется поборотьсяaftaev писал(а):Сервы порой дешевле шаговиков стоятok-evgenij писал(а):А сервы обсуждать без привязки к бюджету сложно.
http://www.ebay.com/itm/Yaskawa-Servo-D ... SwUdlWerT-
http://www.ebay.com/itm/Lot-2-YASKAWA-S ... Swx-9WxuGQ
-
aftaev
- Зачётный участник

- Сообщения: 34042
- Зарегистрирован: 04 апр 2010, 19:22
- Репутация: 6194
- Откуда: Казахстан.
- Контактная информация:
Re: ТПК-125 Восстановление
Без борьбы не интересноok-evgenij писал(а):а за вторую еще придется побороться
Дилетанту сложные вещи кажутся очень простыми, и только профессионал понимает насколько сложна самая простая вещь
Кто хочет - ищет возможности, кто не хочет - ищет оправдание.
Найди работу по душе и тебе не придется работать.
Кто хочет - ищет возможности, кто не хочет - ищет оправдание.
Найди работу по душе и тебе не придется работать.
- mikehv
- Мастер
- Сообщения: 2115
- Зарегистрирован: 14 авг 2013, 10:10
- Репутация: 1175
- Откуда: Иваново
- Контактная информация:
Re: ТПК-125 Восстановление
Лучше поставить 400 Вт сервы напрямую на вал.
- rebire
- Мастер
- Сообщения: 219
- Зарегистрирован: 25 сен 2015, 00:43
- Репутация: 25
- Настоящее имя: Дмитрий
- Откуда: ульяновск
- Контактная информация:
Re: ТПК-125 Восстановление
блоки питания стоят на 24в 7а от светодиодного освещения освещения.ok-evgenij писал(а):Может стоит драйвера с питанием сменить?
драйвера можно сменить,но шаговики маловаты(SY57STH56-2804 12.6 кгсм nema 23")мне кажется они не выдают заявленной мощьности,придется менять то же,поэтому считаю лучше поставить сразу сервоприводы все ровно придется раскошелиться.
бюджет примерно 40-50т.рok-evgenij писал(а):А сервы обсуждать без привязки к бюджету сложно.
да смотрел есть,но их множество и на какие характеристики смотреть при выборе.есть щеточные или бесщеточные на 80 или 220в.aftaev писал(а):Сервы порой дешевле шаговиков стоят
вот ссылка http://purelogic.ru/shop/elektromehanic ... ye_do_80v/
там разные серии и модели на этом примере можете подсказать что к чему.
по второй ссылке я так понимая только драйвера продают без движков?aftaev писал(а):Сервы порой дешевле шаговиков стоят
http://www.ebay.com/itm/Yaskawa-Servo-D ... SwUdlWerT-
http://www.ebay.com/itm/Lot-2-YASKAWA-S ... Swx-9WxuGQ
чем так лучше?mikehv писал(а):Лучше поставить 400 Вт сервы напрямую на вал.
_____________________
Собрали и смело включайте, лишнее выгорит!
Собрали и смело включайте, лишнее выгорит!