Иосифа Виссарионовича на тебя нэт, а потом кто то по проводочкам тянуть схему будет)))Тима писал(а):Когда делал заказ, думал что взял маркера. А начал монтаж, оказалось забыл дома....
6Д81Ш восстановил. вопросы по строгальному
- tooshka
- Почётный участник

- Сообщения: 1803
- Зарегистрирован: 24 окт 2012, 14:26
- Репутация: 209
- Настоящее имя: Андрей
- Откуда: Нижний Новгород
- Контактная информация:
Re: восстановление 6Д81Ш
Милая, ты услышь меня
под окном стою со своим я ЧПУ! (Протяжно; с надрывом; форте)
Внимание!!! Чрезмерное увлечение ЧПУ приводит к проблемам в семейных отношениях!
под окном стою со своим я ЧПУ! (Протяжно; с надрывом; форте)
Внимание!!! Чрезмерное увлечение ЧПУ приводит к проблемам в семейных отношениях!
- Тима
- Почётный участник

- Сообщения: 3162
- Зарегистрирован: 01 мар 2012, 20:47
- Репутация: 1089
- Настоящее имя: Тимур
- Откуда: КБР
- Контактная информация:
Re: восстановление 6Д81Ш
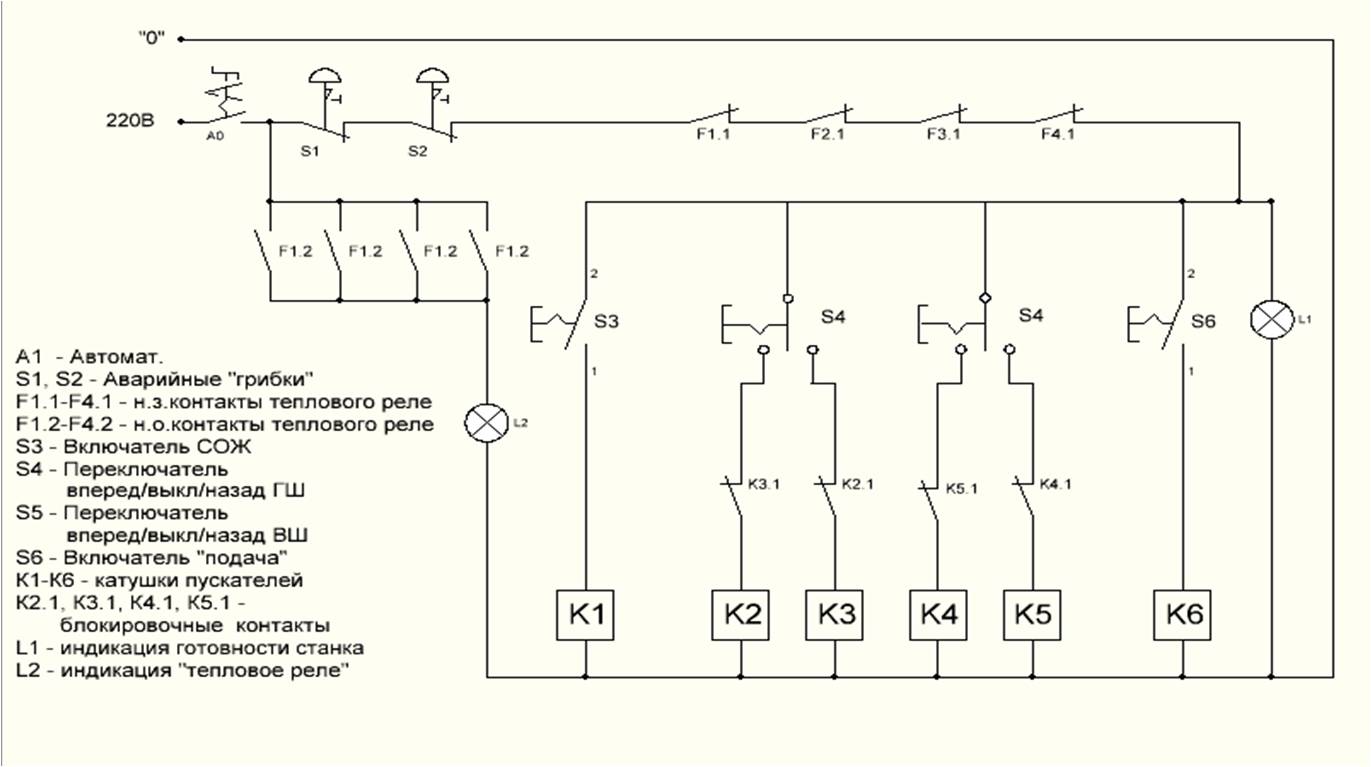
Да, там не такая зверски сложная схема, чтоб не разобраться.
Кстати, вот вся схема: К тому же, зачем дергать провода? Зря что ли люди тестер изобретали?
Кстати, вот вся схема: К тому же, зачем дергать провода? Зря что ли люди тестер изобретали?
Дорогу осилит идущий!
Я все пойму, Вы только дайте денег!!!
Я все пойму, Вы только дайте денег!!!
- Serg
- Мастер
- Сообщения: 21923
- Зарегистрирован: 17 апр 2012, 14:58
- Репутация: 5183
- Заслуга: c781c134843e0c1a3de9
- Настоящее имя: Сергей
- Откуда: Москва
- Контактная информация:
Re: восстановление 6Д81Ш
А зачем каждый проводок маркировать, если схема есть?
Я не Христос, рыбу не раздаю, но могу научить, как сделать удочку...
- ukr-sasha
- Мастер
- Сообщения: 3401
- Зарегистрирован: 21 мар 2011, 07:47
- Репутация: 2181
- Настоящее имя: Украинец Александр Григорьевич
- Откуда: Киев, Украина
- Контактная информация:
Re: восстановление 6Д81Ш
Распечатать схемы и повесить на дверь, изнутри шкафа. И всех делов.
- Predator
- Мастер
- Сообщения: 9583
- Зарегистрирован: 18 июл 2013, 18:26
- Репутация: 2531
- Контактная информация:
Re: восстановление 6Д81Ш
Раньше так и делали, во всех станках схемы висели на дверкахukr-sasha писал(а):Распечатать схемы и повесить на дверь, изнутри шкафа
- Тима
- Почётный участник

- Сообщения: 3162
- Зарегистрирован: 01 мар 2012, 20:47
- Репутация: 1089
- Настоящее имя: Тимур
- Откуда: КБР
- Контактная информация:
Re: восстановление 6Д81Ш
Так и собираюсь сделать. Распечатаю, заламинирую и прикреплю к дверце шкафа изнутри.Predator писал(а):Раньше так и делали, во всех станках схемы висели на дверках
Дорогу осилит идущий!
Я все пойму, Вы только дайте денег!!!
Я все пойму, Вы только дайте денег!!!
- tooshka
- Почётный участник

- Сообщения: 1803
- Зарегистрирован: 24 окт 2012, 14:26
- Репутация: 209
- Настоящее имя: Андрей
- Откуда: Нижний Новгород
- Контактная информация:
Re: восстановление 6Д81Ш
UAVpilot писал(а):А зачем каждый проводок маркировать, если схема есть?
Вот так и приходит она-анархия.ukr-sasha писал(а):Распечатать схемы и повесить на дверь, изнутри шкафа. И всех делов.
"Лаврентий Павлович вы присмотритесь к ним попристальнее" ))).
Милая, ты услышь меня
под окном стою со своим я ЧПУ! (Протяжно; с надрывом; форте)
Внимание!!! Чрезмерное увлечение ЧПУ приводит к проблемам в семейных отношениях!
под окном стою со своим я ЧПУ! (Протяжно; с надрывом; форте)
Внимание!!! Чрезмерное увлечение ЧПУ приводит к проблемам в семейных отношениях!
- Predator
- Мастер
- Сообщения: 9583
- Зарегистрирован: 18 июл 2013, 18:26
- Репутация: 2531
- Контактная информация:
Re: восстановление 6Д81Ш
Вот и ладушки, а ремонтировать наверно, если что всё-равно тебеТима писал(а):Распечатаю, заламинирую и прикреплю к дверце шкафа изнутри.
- Тима
- Почётный участник

- Сообщения: 3162
- Зарегистрирован: 01 мар 2012, 20:47
- Репутация: 1089
- Настоящее имя: Тимур
- Откуда: КБР
- Контактная информация:
Re: восстановление 6Д81Ш
Проверка работы цепей управления выявила существенный косяк.
Дело в переключателях... Если при работе станка отключат электричество, станок (естественно) остановится. И если фрезеровщик не отключит переключатели при подаче электричества станок включится.
Чтоб этого избежать решено поставить переключатели без фиксации и дополнительно кнопки стопа.
Дело в переключателях... Если при работе станка отключат электричество, станок (естественно) остановится. И если фрезеровщик не отключит переключатели при подаче электричества станок включится.
Чтоб этого избежать решено поставить переключатели без фиксации и дополнительно кнопки стопа.
Дорогу осилит идущий!
Я все пойму, Вы только дайте денег!!!
Я все пойму, Вы только дайте денег!!!
- Тима
- Почётный участник

- Сообщения: 3162
- Зарегистрирован: 01 мар 2012, 20:47
- Репутация: 1089
- Настоящее имя: Тимур
- Откуда: КБР
- Контактная информация:
Re: восстановление 6Д81Ш
Работоспособность станка восстановлена. Теперь осталось наладить механику. Но это уже не мои заботы.
Но, что хочется сказать... Как говорит aftaev "Я худею с этого народа!!!"
Чел, который будет на этом станке работать попросил показать, где что включается. Ну, я и показал... Лучше бы не показывал... Пока я ходил распечатывать и ламинировать электрическую схему станка, тот разрисовал панель маркером. На вопрос: "нахрена? Я хотел нормальные надписи сделать." тот ответил "нах... надо! на нем работать мне. И так сойдет."
Я в шоке...
Ну да ладно. Станок работает, работу приняли и за нее заплатили. ... но осадок остался...
Вот фотки: Как-то так!
Но, что хочется сказать... Как говорит aftaev "Я худею с этого народа!!!"
Чел, который будет на этом станке работать попросил показать, где что включается. Ну, я и показал... Лучше бы не показывал... Пока я ходил распечатывать и ламинировать электрическую схему станка, тот разрисовал панель маркером. На вопрос: "нахрена? Я хотел нормальные надписи сделать." тот ответил "нах... надо! на нем работать мне. И так сойдет."
Я в шоке...
Ну да ладно. Станок работает, работу приняли и за нее заплатили. ... но осадок остался...
Вот фотки: Как-то так!
Дорогу осилит идущий!
Я все пойму, Вы только дайте денег!!!
Я все пойму, Вы только дайте денег!!!
- ukr-sasha
- Мастер
- Сообщения: 3401
- Зарегистрирован: 21 мар 2011, 07:47
- Репутация: 2181
- Настоящее имя: Украинец Александр Григорьевич
- Откуда: Киев, Украина
- Контактная информация:
Re: восстановление 6Д81Ш
Молодец! Быстро сделал?
Чего другие не хотели браться за работу?
А рабочий варвар.
Чего другие не хотели браться за работу?
А рабочий варвар.
- Тима
- Почётный участник

- Сообщения: 3162
- Зарегистрирован: 01 мар 2012, 20:47
- Репутация: 1089
- Настоящее имя: Тимур
- Откуда: КБР
- Контактная информация:
Re: восстановление 6Д81Ш
Хрен знает. Решили что работа слишком сложная. Хотя, что там сложного?ukr-sasha писал(а):Чего другие не хотели браться за работу?
Сказали что первые 2 электрика полазели по станку и потом отказались, а третий посмотрел издалека(даже подходить не стал) и тоже отказался. А я еще не понимал, почему они так удивляются, что я взялся за эту работу...
Дорогу осилит идущий!
Я все пойму, Вы только дайте денег!!!
Я все пойму, Вы только дайте денег!!!
- ukr-sasha
- Мастер
- Сообщения: 3401
- Зарегистрирован: 21 мар 2011, 07:47
- Репутация: 2181
- Настоящее имя: Украинец Александр Григорьевич
- Откуда: Киев, Украина
- Контактная информация:
Re: восстановление 6Д81Ш
Потом понял?Тима писал(а):А я еще не понимал, почему они так удивляются, что я взялся за эту работу...
- Тима
- Почётный участник

- Сообщения: 3162
- Зарегистрирован: 01 мар 2012, 20:47
- Репутация: 1089
- Настоящее имя: Тимур
- Откуда: КБР
- Контактная информация:
Re: восстановление 6Д81Ш
Ну да, понял. )))ukr-sasha писал(а):Потом понял?
Дорогу осилит идущий!
Я все пойму, Вы только дайте денег!!!
Я все пойму, Вы только дайте денег!!!
- ukr-sasha
- Мастер
- Сообщения: 3401
- Зарегистрирован: 21 мар 2011, 07:47
- Репутация: 2181
- Настоящее имя: Украинец Александр Григорьевич
- Откуда: Киев, Украина
- Контактная информация:
Re: восстановление 6Д81Ш
Я что то туплю - не могу понять. Лень им было делать? Деньги не нужны?
- Тима
- Почётный участник

- Сообщения: 3162
- Зарегистрирован: 01 мар 2012, 20:47
- Репутация: 1089
- Настоящее имя: Тимур
- Откуда: КБР
- Контактная информация:
Re: восстановление 6Д81Ш
Может все до кучи.
Есть такие, что привыкли к одной работе и на "шаг влево, шаг вправо" от привычного идут не охотно. Думаю так и здесь...
Есть такие, что привыкли к одной работе и на "шаг влево, шаг вправо" от привычного идут не охотно. Думаю так и здесь...
Дорогу осилит идущий!
Я все пойму, Вы только дайте денег!!!
Я все пойму, Вы только дайте денег!!!
-
aftaev
- Зачётный участник

- Сообщения: 34042
- Зарегистрирован: 04 апр 2010, 19:22
- Репутация: 6194
- Откуда: Казахстан.
- Контактная информация:
Re: восстановление 6Д81Ш
я худею без баянаТима писал(а):Как говорит aftaev "Я худею с этого народа!!!"
надписи отвалятся, а маркер надежней(при желании можно спиртиком свести)Тима писал(а):тот разрисовал панель маркером. На вопрос: "нахрена? Я хотел нормальные надписи сделать." тот ответил "нах... надо! на нем работать мне. И так сойдет."
Дилетанту сложные вещи кажутся очень простыми, и только профессионал понимает насколько сложна самая простая вещь
Кто хочет - ищет возможности, кто не хочет - ищет оправдание.
Найди работу по душе и тебе не придется работать.
Кто хочет - ищет возможности, кто не хочет - ищет оправдание.
Найди работу по душе и тебе не придется работать.
- Тима
- Почётный участник

- Сообщения: 3162
- Зарегистрирован: 01 мар 2012, 20:47
- Репутация: 1089
- Настоящее имя: Тимур
- Откуда: КБР
- Контактная информация:
Re: восстановление 6Д81Ш
Извиняюсь за неправильное цитирование классика... 
Дорогу осилит идущий!
Я все пойму, Вы только дайте денег!!!
Я все пойму, Вы только дайте денег!!!
- Тима
- Почётный участник

- Сообщения: 3162
- Зарегистрирован: 01 мар 2012, 20:47
- Репутация: 1089
- Настоящее имя: Тимур
- Откуда: КБР
- Контактная информация:
Re: восстановление 6Д81Ш
В субботу к вечеру привезли комплектующие, сегодня в 10 утра сдал станок. Но параллельно ещё запустил управление горячими каналами на ТПА. На это меня и отвлекали от шабашки...ukr-sasha писал(а):Быстро сделал?
Дорогу осилит идущий!
Я все пойму, Вы только дайте денег!!!
Я все пойму, Вы только дайте денег!!!
- Тима
- Почётный участник

- Сообщения: 3162
- Зарегистрирован: 01 мар 2012, 20:47
- Репутация: 1089
- Настоящее имя: Тимур
- Откуда: КБР
- Контактная информация:
Строгальный
Раз станок запущен,тема подошла к своему логическому завершению, спрошу здесь, чтоб не плодить темы.
Там, где я запускал станок, продают строгальный станок. Видел как таким станком делали шпоночный паз в шкиву... или шкиве... ну Вы меня поняли.
Просят за него 40 тыр. Станок из той же оперы, что и фрезер, что я восстанавливал. т.е. простоял на складе и никогда не работал(но не дербаненый).
Вопрос собственно такой: Что на нем еще делают кроме шпоночных пазов?
Там, где я запускал станок, продают строгальный станок. Видел как таким станком делали шпоночный паз в шкиву... или шкиве... ну Вы меня поняли.
Просят за него 40 тыр. Станок из той же оперы, что и фрезер, что я восстанавливал. т.е. простоял на складе и никогда не работал(но не дербаненый).
Вопрос собственно такой: Что на нем еще делают кроме шпоночных пазов?
Дорогу осилит идущий!
Я все пойму, Вы только дайте денег!!!
Я все пойму, Вы только дайте денег!!!