6Д81Ш восстановил. вопросы по строгальному

Контроллеры, драйверы, датчики, управляющие устройства.
Аватара пользователя
tooshka
Почётный участник
Почётный участник
Сообщения: 1803
Зарегистрирован: 24 окт 2012, 14:26
Репутация: 209
Настоящее имя: Андрей
Откуда: Нижний Новгород
Контактная информация:

Re: восстановление 6Д81Ш

Сообщение tooshka »

Тима писал(а):Когда делал заказ, думал что взял маркера. А начал монтаж, оказалось забыл дома....
Иосифа Виссарионовича на тебя нэт, а потом кто то по проводочкам тянуть схему будет)))
Милая, ты услышь меня
под окном стою со своим я ЧПУ! (Протяжно; с надрывом; форте)
Внимание!!! Чрезмерное увлечение ЧПУ приводит к проблемам в семейных отношениях!
Аватара пользователя
Тима
Почётный участник
Почётный участник
Сообщения: 3162
Зарегистрирован: 01 мар 2012, 20:47
Репутация: 1089
Настоящее имя: Тимур
Откуда: КБР
Контактная информация:

Re: восстановление 6Д81Ш

Сообщение Тима »

Да, там не такая зверски сложная схема, чтоб не разобраться.
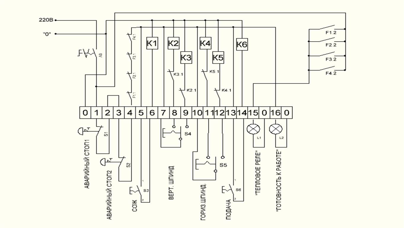
Кстати, вот вся схема:
силовая схема (1599 просмотров) <a class='original' href='./download/file.php?id=49169&mode=view' target=_blank>Загрузить оригинал (77.44 КБ)</a>
силовая схема
схема управления (1599 просмотров) <a class='original' href='./download/file.php?id=49168&mode=view' target=_blank>Загрузить оригинал (80.57 КБ)</a>
схема управления
колодка (1599 просмотров) <a class='original' href='./download/file.php?id=49170&mode=view' target=_blank>Загрузить оригинал (70.08 КБ)</a>
колодка
К тому же, зачем дергать провода? Зря что ли люди тестер изобретали? :wik:
Дорогу осилит идущий!
Я все пойму, Вы только дайте денег!!!
Аватара пользователя
Serg
Мастер
Сообщения: 21923
Зарегистрирован: 17 апр 2012, 14:58
Репутация: 5183
Заслуга: c781c134843e0c1a3de9
Настоящее имя: Сергей
Откуда: Москва
Контактная информация:

Re: восстановление 6Д81Ш

Сообщение Serg »

А зачем каждый проводок маркировать, если схема есть?
Я не Христос, рыбу не раздаю, но могу научить, как сделать удочку...
Аватара пользователя
ukr-sasha
Мастер
Сообщения: 3401
Зарегистрирован: 21 мар 2011, 07:47
Репутация: 2181
Настоящее имя: Украинец Александр Григорьевич
Откуда: Киев, Украина
Контактная информация:

Re: восстановление 6Д81Ш

Сообщение ukr-sasha »

Распечатать схемы и повесить на дверь, изнутри шкафа. И всех делов.
Аватара пользователя
Predator
Мастер
Сообщения: 9583
Зарегистрирован: 18 июл 2013, 18:26
Репутация: 2531
Контактная информация:

Re: восстановление 6Д81Ш

Сообщение Predator »

ukr-sasha писал(а):Распечатать схемы и повесить на дверь, изнутри шкафа
Раньше так и делали, во всех станках схемы висели на дверках :)
Аватара пользователя
Тима
Почётный участник
Почётный участник
Сообщения: 3162
Зарегистрирован: 01 мар 2012, 20:47
Репутация: 1089
Настоящее имя: Тимур
Откуда: КБР
Контактная информация:

Re: восстановление 6Д81Ш

Сообщение Тима »

Predator писал(а):Раньше так и делали, во всех станках схемы висели на дверках
Так и собираюсь сделать. Распечатаю, заламинирую и прикреплю к дверце шкафа изнутри.
Дорогу осилит идущий!
Я все пойму, Вы только дайте денег!!!
Аватара пользователя
tooshka
Почётный участник
Почётный участник
Сообщения: 1803
Зарегистрирован: 24 окт 2012, 14:26
Репутация: 209
Настоящее имя: Андрей
Откуда: Нижний Новгород
Контактная информация:

Re: восстановление 6Д81Ш

Сообщение tooshka »

UAVpilot писал(а):А зачем каждый проводок маркировать, если схема есть?
ukr-sasha писал(а):Распечатать схемы и повесить на дверь, изнутри шкафа. И всех делов.
Вот так и приходит она-анархия.
"Лаврентий Павлович вы присмотритесь к ним попристальнее" ))).
Милая, ты услышь меня
под окном стою со своим я ЧПУ! (Протяжно; с надрывом; форте)
Внимание!!! Чрезмерное увлечение ЧПУ приводит к проблемам в семейных отношениях!
Аватара пользователя
Predator
Мастер
Сообщения: 9583
Зарегистрирован: 18 июл 2013, 18:26
Репутация: 2531
Контактная информация:

Re: восстановление 6Д81Ш

Сообщение Predator »

Тима писал(а):Распечатаю, заламинирую и прикреплю к дверце шкафа изнутри.
Вот и ладушки, а ремонтировать наверно, если что всё-равно тебе :)
Аватара пользователя
Тима
Почётный участник
Почётный участник
Сообщения: 3162
Зарегистрирован: 01 мар 2012, 20:47
Репутация: 1089
Настоящее имя: Тимур
Откуда: КБР
Контактная информация:

Re: восстановление 6Д81Ш

Сообщение Тима »

Проверка работы цепей управления выявила существенный косяк.
Дело в переключателях... Если при работе станка отключат электричество, станок (естественно) остановится. И если фрезеровщик не отключит переключатели при подаче электричества станок включится.
Чтоб этого избежать решено поставить переключатели без фиксации и дополнительно кнопки стопа.
Дорогу осилит идущий!
Я все пойму, Вы только дайте денег!!!
Аватара пользователя
Тима
Почётный участник
Почётный участник
Сообщения: 3162
Зарегистрирован: 01 мар 2012, 20:47
Репутация: 1089
Настоящее имя: Тимур
Откуда: КБР
Контактная информация:

Re: восстановление 6Д81Ш

Сообщение Тима »

Работоспособность станка восстановлена. Теперь осталось наладить механику. Но это уже не мои заботы.
Но, что хочется сказать... Как говорит aftaev "Я худею с этого народа!!!" :pssdoff:
Чел, который будет на этом станке работать попросил показать, где что включается. Ну, я и показал... Лучше бы не показывал... Пока я ходил распечатывать и ламинировать электрическую схему станка, тот разрисовал панель маркером. На вопрос: "нахрена? Я хотел нормальные надписи сделать." тот ответил "нах... надо! на нем работать мне. И так сойдет."
Я в шоке... :evil:
Ну да ладно. Станок работает, работу приняли и за нее заплатили. ... но осадок остался...
Вот фотки:
шкаф (1547 просмотров) <a class='original' href='./download/file.php?id=49380&mode=view' target=_blank>Загрузить оригинал (118.07 КБ)</a>
шкаф
управление (1547 просмотров) <a class='original' href='./download/file.php?id=49379&mode=view' target=_blank>Загрузить оригинал (100.37 КБ)</a>
управление
управление (1547 просмотров) <a class='original' href='./download/file.php?id=49378&mode=view' target=_blank>Загрузить оригинал (90.23 КБ)</a>
управление
Как-то так!
Дорогу осилит идущий!
Я все пойму, Вы только дайте денег!!!
Аватара пользователя
ukr-sasha
Мастер
Сообщения: 3401
Зарегистрирован: 21 мар 2011, 07:47
Репутация: 2181
Настоящее имя: Украинец Александр Григорьевич
Откуда: Киев, Украина
Контактная информация:

Re: восстановление 6Д81Ш

Сообщение ukr-sasha »

Молодец! Быстро сделал?
Чего другие не хотели браться за работу? :thinking: :wik:
А рабочий варвар. :pssdoff:
Аватара пользователя
Тима
Почётный участник
Почётный участник
Сообщения: 3162
Зарегистрирован: 01 мар 2012, 20:47
Репутация: 1089
Настоящее имя: Тимур
Откуда: КБР
Контактная информация:

Re: восстановление 6Д81Ш

Сообщение Тима »

ukr-sasha писал(а):Чего другие не хотели браться за работу?
Хрен знает. Решили что работа слишком сложная. Хотя, что там сложного?
Сказали что первые 2 электрика полазели по станку и потом отказались, а третий посмотрел издалека(даже подходить не стал) и тоже отказался. А я еще не понимал, почему они так удивляются, что я взялся за эту работу...
Дорогу осилит идущий!
Я все пойму, Вы только дайте денег!!!
Аватара пользователя
ukr-sasha
Мастер
Сообщения: 3401
Зарегистрирован: 21 мар 2011, 07:47
Репутация: 2181
Настоящее имя: Украинец Александр Григорьевич
Откуда: Киев, Украина
Контактная информация:

Re: восстановление 6Д81Ш

Сообщение ukr-sasha »

Тима писал(а):А я еще не понимал, почему они так удивляются, что я взялся за эту работу...
Потом понял?
Аватара пользователя
Тима
Почётный участник
Почётный участник
Сообщения: 3162
Зарегистрирован: 01 мар 2012, 20:47
Репутация: 1089
Настоящее имя: Тимур
Откуда: КБР
Контактная информация:

Re: восстановление 6Д81Ш

Сообщение Тима »

ukr-sasha писал(а):Потом понял?
Ну да, понял. )))
Дорогу осилит идущий!
Я все пойму, Вы только дайте денег!!!
Аватара пользователя
ukr-sasha
Мастер
Сообщения: 3401
Зарегистрирован: 21 мар 2011, 07:47
Репутация: 2181
Настоящее имя: Украинец Александр Григорьевич
Откуда: Киев, Украина
Контактная информация:

Re: восстановление 6Д81Ш

Сообщение ukr-sasha »

Я что то туплю - не могу понять. Лень им было делать? Деньги не нужны?
Аватара пользователя
Тима
Почётный участник
Почётный участник
Сообщения: 3162
Зарегистрирован: 01 мар 2012, 20:47
Репутация: 1089
Настоящее имя: Тимур
Откуда: КБР
Контактная информация:

Re: восстановление 6Д81Ш

Сообщение Тима »

Может все до кучи.
Есть такие, что привыкли к одной работе и на "шаг влево, шаг вправо" от привычного идут не охотно. Думаю так и здесь...
Дорогу осилит идущий!
Я все пойму, Вы только дайте денег!!!
aftaev
Зачётный участник
Зачётный участник
Сообщения: 34042
Зарегистрирован: 04 апр 2010, 19:22
Репутация: 6194
Откуда: Казахстан.
Контактная информация:

Re: восстановление 6Д81Ш

Сообщение aftaev »

Тима писал(а):Как говорит aftaev "Я худею с этого народа!!!"
я худею без баяна :)
Тима писал(а):тот разрисовал панель маркером. На вопрос: "нахрена? Я хотел нормальные надписи сделать." тот ответил "нах... надо! на нем работать мне. И так сойдет."
надписи отвалятся, а маркер надежней(при желании можно спиртиком свести)
Дилетанту сложные вещи кажутся очень простыми, и только профессионал понимает насколько сложна самая простая вещь
Кто хочет - ищет возможности, кто не хочет - ищет оправдание.
Найди работу по душе и тебе не придется работать.
Аватара пользователя
Тима
Почётный участник
Почётный участник
Сообщения: 3162
Зарегистрирован: 01 мар 2012, 20:47
Репутация: 1089
Настоящее имя: Тимур
Откуда: КБР
Контактная информация:

Re: восстановление 6Д81Ш

Сообщение Тима »

Извиняюсь за неправильное цитирование классика... :-)
Дорогу осилит идущий!
Я все пойму, Вы только дайте денег!!!
Аватара пользователя
Тима
Почётный участник
Почётный участник
Сообщения: 3162
Зарегистрирован: 01 мар 2012, 20:47
Репутация: 1089
Настоящее имя: Тимур
Откуда: КБР
Контактная информация:

Re: восстановление 6Д81Ш

Сообщение Тима »

ukr-sasha писал(а):Быстро сделал?
В субботу к вечеру привезли комплектующие, сегодня в 10 утра сдал станок. Но параллельно ещё запустил управление горячими каналами на ТПА. На это меня и отвлекали от шабашки... :hehehe:
Дорогу осилит идущий!
Я все пойму, Вы только дайте денег!!!
Аватара пользователя
Тима
Почётный участник
Почётный участник
Сообщения: 3162
Зарегистрирован: 01 мар 2012, 20:47
Репутация: 1089
Настоящее имя: Тимур
Откуда: КБР
Контактная информация:

Строгальный

Сообщение Тима »

Раз станок запущен,тема подошла к своему логическому завершению, спрошу здесь, чтоб не плодить темы.
Там, где я запускал станок, продают строгальный станок. Видел как таким станком делали шпоночный паз в шкиву... или шкиве... ну Вы меня поняли.
Просят за него 40 тыр. Станок из той же оперы, что и фрезер, что я восстанавливал. т.е. простоял на складе и никогда не работал(но не дербаненый).
Вопрос собственно такой: Что на нем еще делают кроме шпоночных пазов?
Дорогу осилит идущий!
Я все пойму, Вы только дайте денег!!!
Ответить

Вернуться в «Электроника»