Связка PLCM-E3p+PLC4x-G2+Leadshine EM705

Контроллеры, драйверы, датчики, управляющие устройства.
Аватара пользователя
igor44
Почётный участник
Почётный участник
Сообщения: 380
Зарегистрирован: 23 июл 2013, 10:10
Репутация: 257
Откуда: Костромская обл.
Контактная информация:

Re: Связка PLCM-E3p+PLC4x-G2+Leadshine EM705

Сообщение igor44 »

michael-yurov писал(а): Хотя, если уж проблема проявилась и со SmoothStepper, то скорее всего дело в недостаточном быстродействии входного каскада драйверов.
Михаил,
Я писал, что знакомый приобрёл SmoothStepper..........и с ним та же самая проблем, один в один.......... :roll:
Тестер сейчас проверю и промеряю снова.
Промерял (переключил тестер на 20К, (там нет значка проверки диодов???) всё верно........показал 3.0 кОм.
Аватара пользователя
michael-yurov
Почётный участник
Почётный участник
Сообщения: 11731
Зарегистрирован: 26 июл 2012, 00:10
Репутация: 4703
Настоящее имя: Михаил Львович
Откуда: Новоуральск
Контактная информация:

Re: Связка PLCM-E3p+PLC4x-G2+Leadshine EM705

Сообщение michael-yurov »

А в меньшем диапазоне он бы ничего и не показал, т.к. меньше - это до 2 кОм.
Т.е. он бы показал единицу без нолей, т.е. превышение диапазона.
Аватара пользователя
vovafed
Мастер
Сообщения: 1822
Зарегистрирован: 08 фев 2013, 16:19
Репутация: 325
Настоящее имя: Владимир
Откуда: башкортостан
Контактная информация:

Re: Связка PLCM-E3p+PLC4x-G2+Leadshine EM705

Сообщение vovafed »

на входе стоят диодные мостики может это влияет на амплитуду сигнала или на входной ток оптопары :thinking:
Аватара пользователя
igor44
Почётный участник
Почётный участник
Сообщения: 380
Зарегистрирован: 23 июл 2013, 10:10
Репутация: 257
Откуда: Костромская обл.
Контактная информация:

Re: Связка PLCM-E3p+PLC4x-G2+Leadshine EM705

Сообщение igor44 »

С ПЛ написали, они проводили тесты на другом токе и другом микрошаге, у них всё было хорошо.
У меня все настройки были по умолчанию, заводские. Деление шага 1\8, ток Default, шаговик "совсем китайский" документов на него найти не смог, но по виду как обычный PL57H56.
Вот с утра поставил деление шага 1\32, шаговик стал работать намного шумнее и греться стал быстрее и сильнее. Ток на минимуме 1.0-1.4А.
Но первый тест прошёл без сбоев, поставил ещё раз.
Может шаговик греться больше, из-за большего деления шага?
Спасибо.
Аватара пользователя
michael-yurov
Почётный участник
Почётный участник
Сообщения: 11731
Зарегистрирован: 26 июл 2012, 00:10
Репутация: 4703
Настоящее имя: Михаил Львович
Откуда: Новоуральск
Контактная информация:

Re: Связка PLCM-E3p+PLC4x-G2+Leadshine EM705

Сообщение michael-yurov »

vovafed писал(а):на входе стоят диодные мостики может это влияет на амплитуду сигнала или на входной ток оптопары :thinking:
На какой модели?
Я у себя не видел. Но и плату не откручивал. А зачем же тогда + и - подписаны?
Аватара пользователя
michael-yurov
Почётный участник
Почётный участник
Сообщения: 11731
Зарегистрирован: 26 июл 2012, 00:10
Репутация: 4703
Настоящее имя: Михаил Львович
Откуда: Новоуральск
Контактная информация:

Re: Связка PLCM-E3p+PLC4x-G2+Leadshine EM705

Сообщение michael-yurov »

Не должее шаговик быстрее греться из за изменения микрошага.
Что-то напутал, наверное.

Ток Default тоже не бывает. Он или переключателями настраивается, или в программе (тогда переключатели должны быть в положении default, наверное).

Может шаговик греется из за отключенного режима снижения тока во время простоя?
Аватара пользователя
igor44
Почётный участник
Почётный участник
Сообщения: 380
Зарегистрирован: 23 июл 2013, 10:10
Репутация: 257
Откуда: Костромская обл.
Контактная информация:

Re: Связка PLCM-E3p+PLC4x-G2+Leadshine EM705

Сообщение igor44 »

michael-yurov писал(а):Не должее шаговик быстрее греться из за изменения микрошага.
Что-то напутал, наверное.
Ток Default тоже не бывает. Он или переключателями настраивается, или в программе (тогда переключатели должны быть в положении default, наверное).
Может шаговик греется из за отключенного режима снижения тока во время простоя?
Да я ошбся про ток.....переключатели были Default.....теперь поставил на 1.0-1.4А
И режм снижения тока был отключён. Сейчас его включил и запустил УП.
С утра две УП отработали без ошибок.
Жду результата.
Спасибо.
Аватара пользователя
vovafed
Мастер
Сообщения: 1822
Зарегистрирован: 08 фев 2013, 16:19
Репутация: 325
Настоящее имя: Владимир
Откуда: башкортостан
Контактная информация:

Re: Связка PLCM-E3p+PLC4x-G2+Leadshine EM705

Сообщение vovafed »

michael-yurov писал(а): На какой модели?
Я у себя не видел. Но и плату не откручивал. А зачем же тогда + и - подписаны?
я про эти сверху
http://cnc-club.ru/forum/download/file. ... &mode=view
:oops: это похоже не диодные мосты не понятно что ето и зачем оно там нужно
Аватара пользователя
igor44
Почётный участник
Почётный участник
Сообщения: 380
Зарегистрирован: 23 июл 2013, 10:10
Репутация: 257
Откуда: Костромская обл.
Контактная информация:

Re: Связка PLCM-E3p+PLC4x-G2+Leadshine EM705

Сообщение igor44 »

В обшем проблема практически разрешилась.
По совету Михаила, настроил драйвер Leadshine EM705. Выставил ток, соответствующий двигателю, поставил деление шага 1:32, сделал автоматическую настройку на шаговик. Провёл около 20 часов тестов, метки после тестов стали совпадать..........))))
Кстати и на ПЛ, тоже делали тесты, у них было всё хорошо и тоже сказали поставить ток не по дефаулту.
Работал на новой прошивке от ПЛ, на старой проблема осталась.......тоже проверял.
Вот теперь надо всё это грамотно собрать!
На первом фото не все элементы электроники, не хватает частотника и платы PLCM-E3p.
На вторм фото, покупал электрощитовой короб, но сейчас понял, что он слищком мал.............. :thinking:
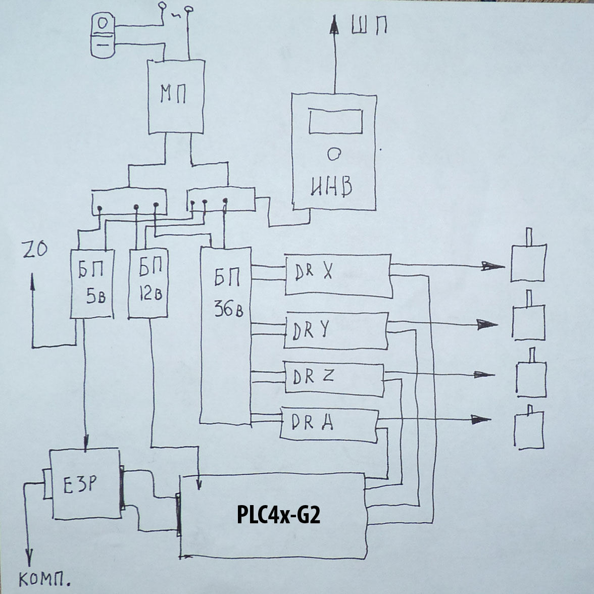
На третьем фото, монтажная схема (набросок).
Вопросов конечно пока много, но буду понемногу двигаться.
Создам новую тему и буду советоваться с Мастерами.
Спасибо.
Вложения
это ещё не всё (6427 просмотров) <a class='original' href='./download/file.php?id=17017&mode=view' target=_blank>Загрузить оригинал (695.75 КБ)</a>
это ещё не всё
Корпус (6427 просмотров) <a class='original' href='./download/file.php?id=17018&mode=view' target=_blank>Загрузить оригинал (320.74 КБ)</a>
Корпус
Мотажная схема, набросок (6427 просмотров) <a class='original' href='./download/file.php?id=17019&mode=view' target=_blank>Загрузить оригинал (144.7 КБ)</a>
Мотажная схема, набросок
Аватара пользователя
vovafed
Мастер
Сообщения: 1822
Зарегистрирован: 08 фев 2013, 16:19
Репутация: 325
Настоящее имя: Владимир
Откуда: башкортостан
Контактная информация:

Re: Связка PLCM-E3p+PLC4x-G2+Leadshine EM705

Сообщение vovafed »

еще управление с plc4 на частотник можно подать
включение с реле и шим 0-10вольт для управления оборотами
Аватара пользователя
igor44
Почётный участник
Почётный участник
Сообщения: 380
Зарегистрирован: 23 июл 2013, 10:10
Репутация: 257
Откуда: Костромская обл.
Контактная информация:

Re: Связка PLCM-E3p+PLC4x-G2+Leadshine EM705

Сообщение igor44 »

vovafed писал(а):еще управление с plc4 на частотник можно подать
включение с реле и шим 0-10вольт для управления оборотами
Да, спасибо. Это тоже буду осуществлять конечно.
Просто пока схему решил сильно не забивать соеденениями.
В новой теме, будет много вопросов.
Portos
Мастер
Сообщения: 244
Зарегистрирован: 24 янв 2013, 21:28
Репутация: 37
Контактная информация:

Re: Связка PLCM-E3p+PLC4x-G2+Leadshine EM705

Сообщение Portos »

Спасибо Михаилу за подсказку с сопротивлением, но, собрал я опять схему PLCM E3 + B1(плата развязки) LeadShine DM442 , припаял сопротивление в 1 кОм запустил тест... ни чего, как пропускал шаги так и пропускает, напаял 1.6 кОм... всё тоже самое...
может еще дело в том что в настройках матч частота ядра стоит 100, может понизить.... до 60?
или может кто подскажет еще какие рецепты???

Всем заранее СПАСИБО за помощь!!!
Portos
Мастер
Сообщения: 244
Зарегистрирован: 24 янв 2013, 21:28
Репутация: 37
Контактная информация:

Re: Связка PLCM-E3p+PLC4x-G2+Leadshine EM705

Сообщение Portos »

забыл написать, может какие хитрые настройки внутри драйвера сделать??? там много где по шаманить можно.... ;)
Аватара пользователя
michael-yurov
Почётный участник
Почётный участник
Сообщения: 11731
Зарегистрирован: 26 июл 2012, 00:10
Репутация: 4703
Настоящее имя: Михаил Львович
Откуда: Новоуральск
Контактная информация:

Re: Связка PLCM-E3p+PLC4x-G2+Leadshine EM705

Сообщение michael-yurov »

Portos писал(а):может еще дело в том что в настройках матч частота ядра стоит 100, может понизить.... до 60?
Поставить 25 и вообще отключить LPT порт, т.к. для PLCM он не нужен, а Mach3 будет затормаживать сильно.
А LookAhead в главном окне параметров сколько стоит? Нужно не менее 100.
Portos
Мастер
Сообщения: 244
Зарегистрирован: 24 янв 2013, 21:28
Репутация: 37
Контактная информация:

Re: Связка PLCM-E3p+PLC4x-G2+Leadshine EM705

Сообщение Portos »

забыл написать, сопротивление 302 стоит но по факту прозванивается 2 кОм.
Аватара пользователя
michael-yurov
Почётный участник
Почётный участник
Сообщения: 11731
Зарегистрирован: 26 июл 2012, 00:10
Репутация: 4703
Настоящее имя: Михаил Львович
Откуда: Новоуральск
Контактная информация:

Re: Связка PLCM-E3p+PLC4x-G2+Leadshine EM705

Сообщение michael-yurov »

Только что обнаружились новые грязные подробности про SmoothStepper!
Общался с Владиславом (уже не помню, где и как познакомились) на тему уползания координат.
У него SmoothStepper и драйверы AM882.

Владислав долго и упорно искал проблему (я только советами помогал) и обнаружил, что SmoothStepper жутко нехороший товарищ и пакостит при генерации сигнала.
Вот осциллограммы:
NewFile8.jpg (5748 просмотров) <a class='original' href='./download/file.php?id=31276&mode=view' target=_blank>Загрузить оригинал (153.36 КБ)</a>
NewFile10.jpg (5748 просмотров) <a class='original' href='./download/file.php?id=31277&mode=view' target=_blank>Загрузить оригинал (160.77 КБ)</a>
Вот скажите мне - в какую сторону должен шагать драйвер в в момент смены направления, если он отсчитывает импульсы по спадающему фронту сигнала Step?
(ну или интерфейсная плата инвертирует сигнал, или подключено к драйверу с общим плюсом).


Вот из за такого безобразия и происходят уползания координат.
Кстати, в своей плате StepMaster я сделал так:
2014-07-25 18-19-49 Скриншот экрана.png (5747 просмотров) <a class='original' href='./download/file.php?id=31285&mode=view' target=_blank>Загрузить оригинал (205.9 КБ)</a>
И, к слову - Stepmaster бы исправил сигнал после SmoothStepper-а так, что его корректно воспринимал бы любой драйвер.
Так вот, про Leadshine AM882,
Оказывается активный фронт сигнала Step у них задается 8 DIP переключателем!

2014-07-25 17-50-21 Скриншот экрана.png (5747 просмотров) <a class='original' href='./download/file.php?id=31282&mode=view' target=_blank>Загрузить оригинал (415.22 КБ)</a>
2014-07-25 18-38-29 Скриншот экрана.png (5745 просмотров) <a class='original' href='./download/file.php?id=31286&mode=view' target=_blank>Загрузить оригинал (223.22 КБ)</a>
2014-07-25 17-56-44 Скриншот экрана.png (5747 просмотров) <a class='original' href='./download/file.php?id=31283&mode=view' target=_blank>Загрузить оригинал (178.97 КБ)</a>
Пока еще Владислав не проверил, была ли решена проблема,
но тем у кого Leadshine AM882 - советую обратить внимание на 8 переключатель,
а тем у кого SmoothStepper - подключить драйверы к плате так, чтобы не было переворачивания сигнала и драйверы отсчитывали нарастающий фронт сигнала Step!
(не уверен, даст ли какой-то эффект изменение настройки активного уровня сигнала в Mach3)
Аватара пользователя
Nick
Мастер
Сообщения: 22776
Зарегистрирован: 23 ноя 2009, 16:45
Репутация: 1735
Заслуга: Developer
Откуда: Gatchina, Saint-Petersburg distr., Russia
Контактная информация:

Re: Связка PLCM-E3p+PLC4x-G2+Leadshine EM705

Сообщение Nick »

michael-yurov писал(а):SmoothStepper жутко нехороший товарищ и пакостит при генерации сигнала.
А что у него вообще нет параметров
dir hold и dir setup?
Аватара пользователя
michael-yurov
Почётный участник
Почётный участник
Сообщения: 11731
Зарегистрирован: 26 июл 2012, 00:10
Репутация: 4703
Настоящее имя: Михаил Львович
Откуда: Новоуральск
Контактная информация:

Re: Связка PLCM-E3p+PLC4x-G2+Leadshine EM705

Сообщение michael-yurov »

Nick писал(а):
michael-yurov писал(а):SmoothStepper жутко нехороший товарищ и пакостит при генерации сигнала.
А что у него вообще нет параметров
dir hold и dir setup?
Нет.

Попросил Владислава проверить, изменение этих параметров.
Vladislav писал(а):эти параметры смузстеппер игнорирует. Но я вписывал все равно туда значения, не помогает. Это только для ЛПТ порта параметры как я понял
Аватара пользователя
niksooon
Мастер
Сообщения: 2144
Зарегистрирован: 23 июн 2014, 23:18
Репутация: 1207
Откуда: Кашира
Контактная информация:

Re: Связка PLCM-E3p+PLC4x-G2+Leadshine EM705

Сообщение niksooon »

michael-yurov писал(а):не уверен, даст ли какой-то эффект изменение настройки активного уровня сигнала в Mach3)
Проверено и уже очень давно -уровень сигнала Step прекрасно инвертируется Mach-ем....
А если учесть что большинство драйверов работают по переднему фронту импульсов(мне в руки только такие попадали) то сигнал с SS вполне кошерный...
Сделанное правильно — красиво. Если сделанное тебе не нравится — то и работать оно будет хреново. Перевари, пересверли, выпили заново — ну, или хотя бы покрась.
Portos
Мастер
Сообщения: 244
Зарегистрирован: 24 янв 2013, 21:28
Репутация: 37
Контактная информация:

Re: Связка PLCM-E3p+PLC4x-G2+Leadshine EM705

Сообщение Portos »

Ребят, получилось скрестить SmoothStepper и LeadShine?
у меня тоже предстоит запуск LeadShine DM442 со SmoothStepper , вижу что и мне предстоит столкнуться с такой проблемой.
Ответить

Вернуться в «Электроника»