Homing configuration ?

Обсуждение установки, настройки и использования LinuxCNC. Вопросы по Gкоду.
Аватара пользователя
Nick
Мастер
Сообщения: 22776
Зарегистрирован: 23 ноя 2009, 16:45
Репутация: 1735
Заслуга: Developer
Откуда: Gatchina, Saint-Petersburg distr., Russia
Контактная информация:

Re: Homing configuration ?

Сообщение Nick »

не, он ищет в сторону + ;)
но смысл правильный
Аватара пользователя
dinkata
Мастер
Сообщения: 1028
Зарегистрирован: 05 сен 2014, 09:07
Репутация: 391
Настоящее имя: Диньо
Откуда: Болгария
Контактная информация:

Re: Homing configuration ?

Сообщение dinkata »

UAVpilot писал(а):Можно сделать вот так:

HOME = 0.0
HOME_OFFSET = 31.0

Home будет где надо, только находить его оно будет по своему... :)
Ну как будет ето ? Скажите пожалуйста как на человек ,которьй ели ели знает русский.
Извините меня ,но если в ваше вьйражение ест хоть одно слово с скрьйтом подтексте ,я наверно не пойму.
В итоге я вижу два варианта пользоват лимит и для хоум HOME_IGNORE_LIMITS = YES.В каждьй надо предосмотрет скорост
HOME_SEARCH_VEL так ,что нажимая на лимит ,замедление до останов и реверса не бьйли механические проблем .
Вар.1 без индекса ,Вар3 с индекса ( в 14 мм имеем 1 индекс- швп шаг 10 мм мотор с енкодером 1:1 к швп ).
Какая разница между те вариантьй ? Какой лучше ?
Вложения
emc2-motion-homing-diag.png (2363 просмотра) <a class='original' href='./download/file.php?id=35518&mode=view' target=_blank>Загрузить оригинал (122.09 КБ)</a>
Простите ошибки, я иностранец.У моя клавиатура нету "э" и "ы"
Аватара пользователя
Nick
Мастер
Сообщения: 22776
Зарегистрирован: 23 ноя 2009, 16:45
Репутация: 1735
Заслуга: Developer
Откуда: Gatchina, Saint-Petersburg distr., Russia
Контактная информация:

Re: Homing configuration ?

Сообщение Nick »

С индексом лучше! С индексом гораздо точнее!

Используй датчик home. Это лучше чем использовать лимит.

0.00 и 14.0 это координаты датчика и конечного положения?
Т.е. получается, что ищем в сторону "-"?
Аватара пользователя
dinkata
Мастер
Сообщения: 1028
Зарегистрирован: 05 сен 2014, 09:07
Репутация: 391
Настоящее имя: Диньо
Откуда: Болгария
Контактная информация:

Re: Homing configuration ?

Сообщение dinkata »

Nick писал(а):0.00 и 14.0 это координаты датчика и конечного положения?
Т.е. получается, что ищем в сторону "-"?
нет , ищем в сторону "+"
HOME_OFFSET = 14.0
HOME =0.0
ето при вариант 1 использование POSITIVE LIMIT SWITH как и HOME_SWITCH т.е HOME_IGNORE_LIMITS=1
Проблем в том что HOME находится между HOME_SWITCH и POSITIVE LIMIT SWITH
Посмотрите разположение (в етой тему #14 ) пожалуйста и помогите ,если сможите
мне надо сделат хоминг по диаграм в #1

Кому что надо назначит чтоб получится ?
Последний раз редактировалось dinkata 27 окт 2014, 18:25, всего редактировалось 1 раз.
Простите ошибки, я иностранец.У моя клавиатура нету "э" и "ы"
Аватара пользователя
Nick
Мастер
Сообщения: 22776
Зарегистрирован: 23 ноя 2009, 16:45
Репутация: 1735
Заслуга: Developer
Откуда: Gatchina, Saint-Petersburg distr., Russia
Контактная информация:

Re: Homing configuration ?

Сообщение Nick »

Любой из 3 или 4.

Напиши по пунктам:
1. координата датчика home.
2. координата, где остановиться в конце
3. координаты пределов оси
Аватара пользователя
dinkata
Мастер
Сообщения: 1028
Зарегистрирован: 05 сен 2014, 09:07
Репутация: 391
Настоящее имя: Диньо
Откуда: Болгария
Контактная информация:

Re: Homing configuration ?

Сообщение dinkata »

пока редактировал ,
Nick писал(а):Напиши по пунктам:
сейчас ,сейчас ,ну посмотрите наконец где находится у меня Home
Простите ошибки, я иностранец.У моя клавиатура нету "э" и "ы"
Аватара пользователя
dinkata
Мастер
Сообщения: 1028
Зарегистрирован: 05 сен 2014, 09:07
Репутация: 391
Настоящее имя: Диньо
Откуда: Болгария
Контактная информация:

Re: Homing configuration ?

Сообщение dinkata »

Nick писал(а): координаты пределов оси
- на фото Zaxis
Nick писал(а):1. координата датчика home.
2. координата, где остановиться в конце
-на фото HomingLimitSwitch
Насколько я понял возможно что некоторьйе слова не означают для Вас то
что означает для меня ,при етом я не очень хорошо понимаю русский язьйк ,поетому лучше с диаграм и рисунок.
Спасибо для внимание .
Вложения
Zaxis (2313 просмотров) <a class='original' href='./download/file.php?id=35624&mode=view' target=_blank>Загрузить оригинал (92.94 КБ)</a>
Zaxis
HomingLimitSwitch (2313 просмотров) <a class='original' href='./download/file.php?id=35626&mode=view' target=_blank>Загрузить оригинал (78.89 КБ)</a>
HomingLimitSwitch
Простите ошибки, я иностранец.У моя клавиатура нету "э" и "ы"
Аватара пользователя
dinkata
Мастер
Сообщения: 1028
Зарегистрирован: 05 сен 2014, 09:07
Репутация: 391
Настоящее имя: Диньо
Откуда: Болгария
Контактная информация:

Re: Homing configuration ?

Сообщение dinkata »

а в пост 16 на фото видно кто где находится
Простите ошибки, я иностранец.У моя клавиатура нету "э" и "ы"
Аватара пользователя
Serg
Мастер
Сообщения: 21923
Зарегистрирован: 17 апр 2012, 14:58
Репутация: 5183
Заслуга: c781c134843e0c1a3de9
Настоящее имя: Сергей
Откуда: Москва
Контактная информация:

Re: Homing configuration ?

Сообщение Serg »

HOME = -14
HOME_OFFSET = -45
HOME_USE_INDEX = YES
HOME_SEARCH_VEL = 100
HOME_FINAL_VEL = 30
#для варианта 3
HOME_LATCH_VEL = -10
#для варианта 4
HOME_LATCH_VEL = 10

P.S. А почему направление по Y развёрнуто наоборот?..
Я не Христос, рыбу не раздаю, но могу научить, как сделать удочку...
Аватара пользователя
dinkata
Мастер
Сообщения: 1028
Зарегистрирован: 05 сен 2014, 09:07
Репутация: 391
Настоящее имя: Диньо
Откуда: Болгария
Контактная информация:

Re: Homing configuration ?

Сообщение dinkata »

спасибо UAVpilot ,но я опят ... :thinking:
етие
UAVpilot писал(а):HOME = -14
HOME_OFFSET = -45
мне похожат если я возму Positive limit switch для Home switch
UAVpilot писал(а):P.S. А почему направление по Y развёрнуто наоборот?..
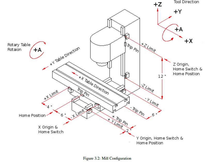
Станок именно так ,а рисунок из Linuxcnc User Manual V2.6.2
пока я тестирую на столе заметил что кнопочки на кейпад для Х и У работают наоборот ,нажимаем
стрелочка влево а стол Х идет вправо ,там говорят что ест разница как смотриш
- куда идет инструмент или куда идет стол
tool direction or table direction .........
ой ,ой с етой Linuxcnc...продолжаем копат :)
Вложения
Mill configuration.jpg (2293 просмотра) <a class='original' href='./download/file.php?id=35648&mode=view' target=_blank>Загрузить оригинал (95.33 КБ)</a>
Простите ошибки, я иностранец.У моя клавиатура нету "э" и "ы"
Аватара пользователя
NightV
Почётный участник
Почётный участник
Сообщения: 6610
Зарегистрирован: 30 дек 2011, 09:14
Репутация: 2279
Настоящее имя: Владимир Айрапетян
Откуда: Israel
Контактная информация:

Re: Homing configuration ?

Сообщение NightV »

dinkata писал(а):стрелочка влево а стол Х идет вправо
так и должно быть, стол перемещается относительно шпинделя, а не относительно тебя.
то есть нажимаеш вправо и стол должен ехать влево так идет обработка в право.
я тоже по началу парился с этим, потом дошло что к чему
Всё просто! если знаешь КАК!
Аватара пользователя
Serg
Мастер
Сообщения: 21923
Зарегистрирован: 17 апр 2012, 14:58
Репутация: 5183
Заслуга: c781c134843e0c1a3de9
Настоящее имя: Сергей
Откуда: Москва
Контактная информация:

Re: Homing configuration ?

Сообщение Serg »

dinkata писал(а): мне похожат если я возму Positive limit switch для Home switch
Я именно так и сделал. Просто по правилам у оси Z в самом верху 0, а внизу -650.
Если сделать иначе (+650..0), то стандартная безобидная команда поднятия инструмента "G53 G0 Z0" воткнёт инструмент в стол.
dinkata писал(а):- куда идет инструмент или куда идет стол
Если показано движение стола, то всё правильно.
Правда обычно показывают движение инструмента относительно стола...
Я не Христос, рыбу не раздаю, но могу научить, как сделать удочку...
Аватара пользователя
NightV
Почётный участник
Почётный участник
Сообщения: 6610
Зарегистрирован: 30 дек 2011, 09:14
Репутация: 2279
Настоящее имя: Владимир Айрапетян
Откуда: Israel
Контактная информация:

Re: Homing configuration ?

Сообщение NightV »

UAVpilot писал(а):Правда обычно показывают движение инструмента относительно стола...
да, так будет правильнее сказать.
еще добавлю, если у тебя НОМЕ справа-внизу, то все перемещения будут идти в минус по обоим осям (XY)
по Z ВСЕГДА в минус

PS
эти правила приняты для всех систем CNC, LinuxCNC не исключение, и придерживается тех же правил.
Всё просто! если знаешь КАК!
Аватара пользователя
dinkata
Мастер
Сообщения: 1028
Зарегистрирован: 05 сен 2014, 09:07
Репутация: 391
Настоящее имя: Диньо
Откуда: Болгария
Контактная информация:

Re: Homing configuration ?

Сообщение dinkata »

UAVpilot писал(а): Просто по правилам у оси Z в самом верху 0, а внизу -650.
Опят спасибо UAVpilot ,уже начал понимат кое что .Значит "0" самое конечное положение ,на рисунок шкала "B" -да ?.
Простите мне дурака ,а я думал что "0" ето Home position - шкала "А"
Вложения
Koorrdinati.JPG (2263 просмотра) <a class='original' href='./download/file.php?id=35667&mode=view' target=_blank>Загрузить оригинал (59.54 КБ)</a>
Последний раз редактировалось dinkata 28 окт 2014, 08:50, всего редактировалось 1 раз.
Простите ошибки, я иностранец.У моя клавиатура нету "э" и "ы"
Аватара пользователя
dinkata
Мастер
Сообщения: 1028
Зарегистрирован: 05 сен 2014, 09:07
Репутация: 391
Настоящее имя: Диньо
Откуда: Болгария
Контактная информация:

Re: Homing configuration ?

Сообщение dinkata »

NightV писал(а):еще добавлю, если у тебя НОМЕ справа-внизу, то все перемещения будут идти в минус по обоим осям (XY)
оно и так ,согласен с Вами.Я говорю об стрелочки на кейпад ,если имеем станок как на фото 1 -нет проблем.
А уменя как на фото2 ,скорее как на рисунок Mill configration-там хорошо видно.
тогда с нажатием стрелочка влево стол Х идет вправо ,нажимаем стрелочка вниз оператор ожидает что стол У
пойдет к нему а он уходит от него .На мой взгляд (а и на оператор тоже )надо переставит функции стрелочками на кейпад.
Подскажите как сделат ето ? Спасибо
Вложения
фото 1 (2259 просмотров) <a class='original' href='./download/file.php?id=35668&mode=view' target=_blank>Загрузить оригинал (183.72 КБ)</a>
фото 1
RV501_1.jpg (2259 просмотров) <a class='original' href='./download/file.php?id=35669&mode=view' target=_blank>Загрузить оригинал (744.99 КБ)</a>
Mill configuration.jpg (2259 просмотров) <a class='original' href='./download/file.php?id=35670&mode=view' target=_blank>Загрузить оригинал (95.33 КБ)</a>
Простите ошибки, я иностранец.У моя клавиатура нету "э" и "ы"
Аватара пользователя
Сергей Саныч
Мастер
Сообщения: 9116
Зарегистрирован: 30 май 2012, 14:20
Репутация: 2858
Откуда: Тюмень
Контактная информация:

Re: Homing configuration ?

Сообщение Сергей Саныч »

dinkata писал(а):На мой взгляд (а и на оператор тоже )надо переставит функции стрелочками на кейпад.
Вообще-то, независимо от конструкции станка, все перемещения рассматриваются "с точки зрения шпинделя", даже если на самом деле движется стол. Оператор к этому привыкает достаточно быстро.
Чудес не бывает. Бывают фокусы.
Аватара пользователя
NightV
Почётный участник
Почётный участник
Сообщения: 6610
Зарегистрирован: 30 дек 2011, 09:14
Репутация: 2279
Настоящее имя: Владимир Айрапетян
Откуда: Israel
Контактная информация:

Re: Homing configuration ?

Сообщение NightV »

Сергей Саныч писал(а):Вообще-то, независимо от конструкции станка, все перемещения рассматриваются "с точки зрения шпинделя", даже если на самом деле движется стол. Оператор к этому привыкает достаточно быстро.
правильно!
Всё просто! если знаешь КАК!
Аватара пользователя
dinkata
Мастер
Сообщения: 1028
Зарегистрирован: 05 сен 2014, 09:07
Репутация: 391
Настоящее имя: Диньо
Откуда: Болгария
Контактная информация:

Re: Homing configuration ?

Сообщение dinkata »

NightV писал(а): Сергей Саныч писал(а):Вообще-то, независимо от конструкции станка, все перемещения рассматриваются "с точки зрения шпинделя", даже если на самом деле движется стол. Оператор к этому привыкает достаточно быстро.


правильно!
Хорошо ,будем их привыкат.Спасибо вам.
А ради принципа
dinkata писал(а):переставит функции стрелочками на кейпад.
ето возможно
Простите ошибки, я иностранец.У моя клавиатура нету "э" и "ы"
Аватара пользователя
Nick
Мастер
Сообщения: 22776
Зарегистрирован: 23 ноя 2009, 16:45
Репутация: 1735
Заслуга: Developer
Откуда: Gatchina, Saint-Petersburg distr., Russia
Контактная информация:

Re: Homing configuration ?

Сообщение Nick »

dinkata писал(а):переставит функции стрелочками на кейпад.
Какие именно функции? Перемещение по осям? Да, возможно. По умолчанию когда станок в Ручном режиме оси управляются стрелочками с клавиатуры.
Аватара пользователя
dinkata
Мастер
Сообщения: 1028
Зарегистрирован: 05 сен 2014, 09:07
Репутация: 391
Настоящее имя: Диньо
Откуда: Болгария
Контактная информация:

Re: Homing configuration ?

Сообщение dinkata »

Nick писал(а):Какие именно функции?
Left -ето -Х , переставит на +х
Right -ето +Х , переставит на -х
UP - ето -У , переставит на +У
Down ето +У , переставит на -У
Простите ошибки, я иностранец.У моя клавиатура нету "э" и "ы"
Ответить

Вернуться в «LinuxCNC»