Про сервы Yaskawa
-
Optim
- Новичок
- Сообщения: 32
- Зарегистрирован: 20 дек 2012, 22:08
- Репутация: 0
- Настоящее имя: Юрий
- Откуда: Москва
- Контактная информация:
Re: Про сервы Yaskawa
Действительно странно. 18 пин сброса аларма, 24 вольта кинул, светодиод красный погас. Убрал 24 вольта - загорелся... Печаль.
А где можно раздобыть такую сигму, как у Вас? Может у меня программа не подходит? Я уже не понимаю в какую сторону копать.
А где можно раздобыть такую сигму, как у Вас? Может у меня программа не подходит? Я уже не понимаю в какую сторону копать.
-
aftaev
- Зачётный участник

- Сообщения: 34042
- Зарегистрирован: 04 апр 2010, 19:22
- Репутация: 6194
- Откуда: Казахстан.
- Контактная информация:
Re: Про сервы Yaskawa
https://www.yaskawa.com/pycprd/products ... /sigma-winOptim писал(а):А где можно раздобыть такую сигму, как у Вас?
Дилетанту сложные вещи кажутся очень простыми, и только профессионал понимает насколько сложна самая простая вещь
Кто хочет - ищет возможности, кто не хочет - ищет оправдание.
Найди работу по душе и тебе не придется работать.
Кто хочет - ищет возможности, кто не хочет - ищет оправдание.
Найди работу по душе и тебе не придется работать.
-
Optim
- Новичок
- Сообщения: 32
- Зарегистрирован: 20 дек 2012, 22:08
- Репутация: 0
- Настоящее имя: Юрий
- Откуда: Москва
- Контактная информация:
Re: Про сервы Yaskawa
Спасибище!
-
Vitalik
- Почётный участник

- Сообщения: 48
- Зарегистрирован: 20 авг 2014, 19:26
- Репутация: 30
- Настоящее имя: Виталий
- Откуда: Горишние Плавни
- Контактная информация:
Re: Про сервы Yaskawa
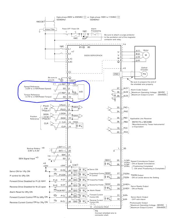
Здравствуйте!Подскажите пожалуйста можно ли через выходы обведенные на схеме управлять через Kanalog ,аналоговым сигналом. Сарво драйвер SGDS-01 A 01 A Сигма 3. Спасибо всем кто откликнется
.
- Вложения
-
- SIGMA III Servo Motor Catalog.pdf
- на всякий случай и брошурка с описанием сервопака
- (2.37 МБ) 2228 скачиваний
-
aftaev
- Зачётный участник

- Сообщения: 34042
- Зарегистрирован: 04 апр 2010, 19:22
- Репутация: 6194
- Откуда: Казахстан.
- Контактная информация:
Re: Про сервы Yaskawa
Да. Только еще энкодер в Каналог завестиVitalik писал(а):управлять через Kanalog ,аналоговым сигналом.
Сарво драйвер SGDS-01A01 степ/дир не поддерживает?
Дилетанту сложные вещи кажутся очень простыми, и только профессионал понимает насколько сложна самая простая вещь
Кто хочет - ищет возможности, кто не хочет - ищет оправдание.
Найди работу по душе и тебе не придется работать.
Кто хочет - ищет возможности, кто не хочет - ищет оправдание.
Найди работу по душе и тебе не придется работать.
-
Vitalik
- Почётный участник

- Сообщения: 48
- Зарегистрирован: 20 авг 2014, 19:26
- Репутация: 30
- Настоящее имя: Виталий
- Откуда: Горишние Плавни
- Контактная информация:
Re: Про сервы Yaskawa
выходы Sign и Puls присутсвуют( в начале буду через степ/дир управлять). Раньше с серво не имел дела, купил на пробу один комплект, а почитав форум -испугался что я вообще не смогу им управлять (в каталоге не было информации о конкретном сервопаке). Ещё пока осталось под вопросом как синхронизировать два сервопака для одной оси. Спасибо за ответ!aftaev писал(а):
Сарво драйвер SGDS-01A01 степ/дир не поддерживает?
-
aftaev
- Зачётный участник

- Сообщения: 34042
- Зарегистрирован: 04 апр 2010, 19:22
- Репутация: 6194
- Откуда: Казахстан.
- Контактная информация:
Re: Про сервы Yaskawa
Где присутствуют в мануале? Это еще не значит что серва может работать по аналогу или степ/дир. Если она может по степ/дир работать нафига тогда Каналог брать? Кфлопа будет достаточно.Vitalik писал(а):выходы Sign и Puls присутсвуют( в начале буду через степ/дир управлять).
элементарно - это делает ЧПУVitalik писал(а):Ещё пока осталось под вопросом как синхронизировать два сервопака для одной оси.
Прежде чем бежать нужно определиться что именно принимает серва.Vitalik писал(а):По крайней мере теперь я могу бежать в магазин за Kflop+Kanalog)
Дилетанту сложные вещи кажутся очень простыми, и только профессионал понимает насколько сложна самая простая вещь
Кто хочет - ищет возможности, кто не хочет - ищет оправдание.
Найди работу по душе и тебе не придется работать.
Кто хочет - ищет возможности, кто не хочет - ищет оправдание.
Найди работу по душе и тебе не придется работать.
- mhael
- Мастер
- Сообщения: 2443
- Зарегистрирован: 09 мар 2013, 11:22
- Репутация: 769
- Настоящее имя: Ильдар
- Контактная информация:
Re: Про сервы Yaskawa
Vitalik писал(а):SGDS-01A01
тут правильная серваaftaev писал(а):Прежде чем бежать нужно определиться что именно принимает серва.
-
Vitalik
- Почётный участник

- Сообщения: 48
- Зарегистрирован: 20 авг 2014, 19:26
- Репутация: 30
- Настоящее имя: Виталий
- Откуда: Горишние Плавни
- Контактная информация:
Re: Про сервы Yaskawa
Если возможно обойтись без Kanalog то для меня это только плюс!
- mhael
- Мастер
- Сообщения: 2443
- Зарегистрирован: 09 мар 2013, 11:22
- Репутация: 769
- Настоящее имя: Ильдар
- Контактная информация:
Re: Про сервы Yaskawa
можно и без КАналога
-
aftaev
- Зачётный участник

- Сообщения: 34042
- Зарегистрирован: 04 апр 2010, 19:22
- Репутация: 6194
- Откуда: Казахстан.
- Контактная информация:
Re: Про сервы Yaskawa
по любому его еже ли что можно докупитьmhael писал(а):можно и без КАналога
Дилетанту сложные вещи кажутся очень простыми, и только профессионал понимает насколько сложна самая простая вещь
Кто хочет - ищет возможности, кто не хочет - ищет оправдание.
Найди работу по душе и тебе не придется работать.
Кто хочет - ищет возможности, кто не хочет - ищет оправдание.
Найди работу по душе и тебе не придется работать.
-
Optim
- Новичок
- Сообщения: 32
- Зарегистрирован: 20 дек 2012, 22:08
- Репутация: 0
- Настоящее имя: Юрий
- Откуда: Москва
- Контактная информация:
Re: Про сервы Yaskawa
С моими сервопаками вопрос прояснился: на всех трех сгорели силовые блоки в связи со скачком напряжения в сети. Ставьте стабилизатор на вход, спасет массу нервных клеток.
- mhael
- Мастер
- Сообщения: 2443
- Зарегистрирован: 09 мар 2013, 11:22
- Репутация: 769
- Настоящее имя: Ильдар
- Контактная информация:
Re: Про сервы Yaskawa
а "мозги" живые?
-
Optim
- Новичок
- Сообщения: 32
- Зарегистрирован: 20 дек 2012, 22:08
- Репутация: 0
- Настоящее имя: Юрий
- Откуда: Москва
- Контактная информация:
Re: Про сервы Yaskawa
Мозги живые, с сигмой, по крайней мере, общаются.mhael писал(а):а "мозги" живые?
-
aftaev
- Зачётный участник

- Сообщения: 34042
- Зарегистрирован: 04 апр 2010, 19:22
- Репутация: 6194
- Откуда: Казахстан.
- Контактная информация:
Re: Про сервы Yaskawa
щас у тебя их купят 
Дилетанту сложные вещи кажутся очень простыми, и только профессионал понимает насколько сложна самая простая вещь
Кто хочет - ищет возможности, кто не хочет - ищет оправдание.
Найди работу по душе и тебе не придется работать.
Кто хочет - ищет возможности, кто не хочет - ищет оправдание.
Найди работу по душе и тебе не придется работать.
- mhael
- Мастер
- Сообщения: 2443
- Зарегистрирован: 09 мар 2013, 11:22
- Репутация: 769
- Настоящее имя: Ильдар
- Контактная информация:
Re: Про сервы Yaskawa
Это еще не показатель. А веду я к тому, что сгоревшая "сила" это конечно печально, но если мозги живые (наверняка только тест с живой "силой" может показать ИМХО) то на всемирной барахолке редко, но встречаются по-дешевке привода "поломанные". Можно попробовать собрать рабочую.Optim писал(а):с сигмой, по крайней мере, общаются
Если бы мозги наверняка были бы живые (а это еще вопрос) и подходили бы к моелям SGDH ( а это врядли) - одну бы точно купилaftaev писал(а):щас у тебя их купят
-
aftaev
- Зачётный участник

- Сообщения: 34042
- Зарегистрирован: 04 апр 2010, 19:22
- Репутация: 6194
- Откуда: Казахстан.
- Контактная информация:
Re: Про сервы Yaskawa
у Optim, серва на сколько, на 100ваттmhael писал(а):то на всемирной барахолке редко, но встречаются по-дешевке привода "поломанные". Можно попробовать собрать рабочую.
Дилетанту сложные вещи кажутся очень простыми, и только профессионал понимает насколько сложна самая простая вещь
Кто хочет - ищет возможности, кто не хочет - ищет оправдание.
Найди работу по душе и тебе не придется работать.
Кто хочет - ищет возможности, кто не хочет - ищет оправдание.
Найди работу по душе и тебе не придется работать.
- mhael
- Мастер
- Сообщения: 2443
- Зарегистрирован: 09 мар 2013, 11:22
- Репутация: 769
- Настоящее имя: Ильдар
- Контактная информация:
Re: Про сервы Yaskawa
адрес ведра могу написать. обещаю провести полную утилизацию после измывательствaftaev писал(а):у Optim, серва на сколько, на 100ватт, проще выбросить и другу купить
-
Optim
- Новичок
- Сообщения: 32
- Зарегистрирован: 20 дек 2012, 22:08
- Репутация: 0
- Настоящее имя: Юрий
- Откуда: Москва
- Контактная информация:
Re: Про сервы Yaskawa
Как оживилась дискуссия
Серва на 200 Вт, продавать, пока не буду уверен, что своими силами реанимировать не смогу, не буду. Не поштучно, ни вёдрами
Серва на 200 Вт, продавать, пока не буду уверен, что своими силами реанимировать не смогу, не буду. Не поштучно, ни вёдрами