Всем привет
Главный вопрос товарищам
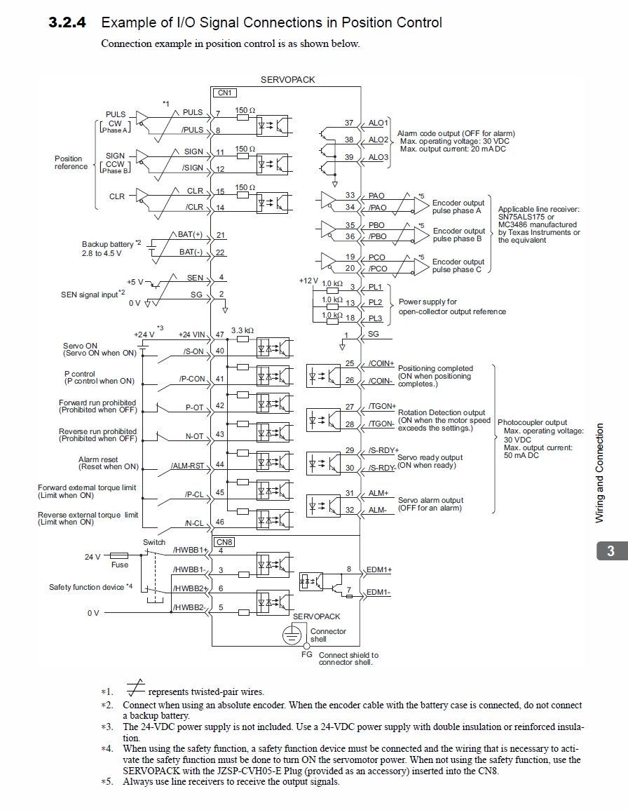
кто управляет яскавами через степ-дир: у 5-й яскавы есть контакты под номерами 14 и 15 с функцией CLR - очищает накопленную ошибку позиционирования. Показаны во вложении. Скажите кому нибудь она пригодилась? Если да то в каких условиях?
Делаю терминальную плату с диференциальными ресиверами-передатчиками и оптопарами для: токарник, мозг kflop, 3 привода яскав, 2 оптолинейки, концевики, не такая и дорогая получается. Остался только вопрос о нужности этих 2-х контактов.
Давеча протестировал таки монстрика бутерброда из материнской платы от SGDV-04 и силовой части SGDV-30, работает хорошо, мотор с 18.6 Нм. Проточил 60 мм пруток СТ45 без охлаждения, пластинка о радиусом скругления 08, со съемом кажется 2 мм на радиус (забыл уже) и ручной подачей, нагрузка на мотор по монитору около 8% от номинального момента. Передача по шкивам около 1:1. Как найду токовые клещи, соберу всё как положено и замеряю ток через привод. Пока гипотеза такая: материнские платы таки одинаковые у разных по мощности приводов и управлением аналог/степ-дир. Прошивки одинаковые, отличается только название в сигмавине для облегчения ориентации. Мотора 3кВт хватает (это тоже пока гипотеза!) с запасом для токарника, если измерение тока подтвердит цифры, то выходит что мотора с моментом 18.6 Нм хватит на точение ст45 при диаметре 250 мм

съём 6мм на радиус, при пока неизвестной

подаче на оборот без превышения номинального момента. Фантастика? Пока да, надо мерять.
Искал в книгах расчет силы резания, какой момент нужен для съема 1мм² стали, нашёл только стос формул с относительными величинами, по которым теоретически это можно расчитать, практически даже не пытаются показать в примере. Может у кого нибудь есть такое знание, где искать? Можно было бы хоть теоретически решить вопрос подбора двигла по моменту. Хотя живые замеры всё равно сделаю