Станок W6 для растяжки торцов трубы (формовки).
- ressurect_83
- Кандидат
- Сообщения: 61
- Зарегистрирован: 13 июл 2013, 15:40
- Репутация: 2
- Откуда: Украина, Киев
- Контактная информация:
Станок W6 для растяжки торцов трубы (формовки).
Делал точную копию сабж станка, софт полностью переписывал с нуля. Могу расписать весь процесс и выложить написанные программы. Если кому-то интересно?
Создайте систему, которой сможет пользоваться дурак, и только дурак захочет ею пользоваться.
Машина должна работать, человек - думать. Принцип IBM.
Машина должна работать, человек - думать. Принцип IBM.
-
aftaev
- Зачётный участник

- Сообщения: 34042
- Зарегистрирован: 04 апр 2010, 19:22
- Репутация: 6194
- Откуда: Казахстан.
- Контактная информация:
Re: Станок W6 для растяжки торцов трубы (формовки).
интересно с фотками выкладывайressurect_83 писал(а):Если кому-то интересно?
Дилетанту сложные вещи кажутся очень простыми, и только профессионал понимает насколько сложна самая простая вещь
Кто хочет - ищет возможности, кто не хочет - ищет оправдание.
Найди работу по душе и тебе не придется работать.
Кто хочет - ищет возможности, кто не хочет - ищет оправдание.
Найди работу по душе и тебе не придется работать.
- ressurect_83
- Кандидат
- Сообщения: 61
- Зарегистрирован: 13 июл 2013, 15:40
- Репутация: 2
- Откуда: Украина, Киев
- Контактная информация:
Re: Станок W6 для растяжки торцов трубы (формовки).
Ок, тада займусь этим вопросом. Надеюсь что вложусь за пару дней.
Создайте систему, которой сможет пользоваться дурак, и только дурак захочет ею пользоваться.
Машина должна работать, человек - думать. Принцип IBM.
Машина должна работать, человек - думать. Принцип IBM.
- ressurect_83
- Кандидат
- Сообщения: 61
- Зарегистрирован: 13 июл 2013, 15:40
- Репутация: 2
- Откуда: Украина, Киев
- Контактная информация:
Re: Станок W6 для растяжки торцов трубы (формовки).
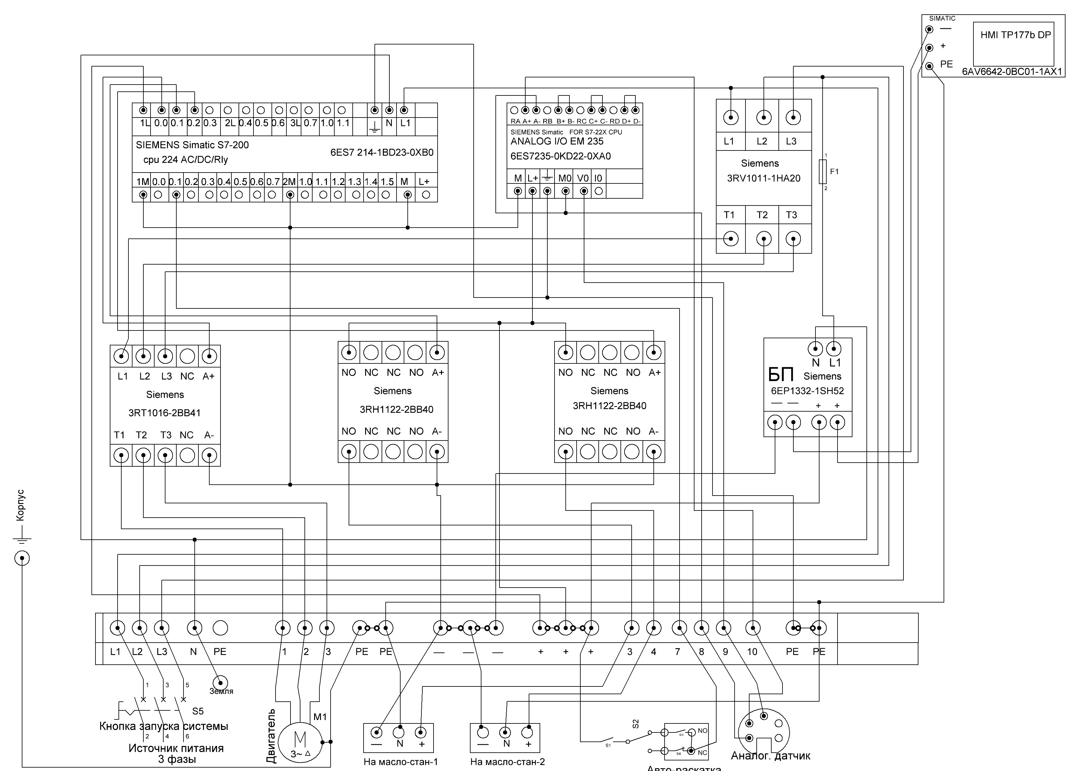
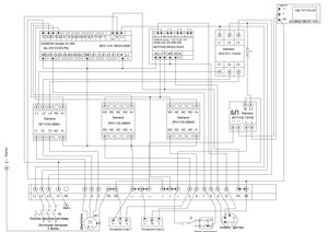
Вот схема управляющего бокса. Сорри заранее за это чудо произведения. Рисовал с бумаги в пейнте, тоже моего творчества, там немногим лучше...
Значения на рисунке: Пускатель - Siemens 3RV1011-1HA20(можно аналогичный), Контактор 1 - 3RT1016-2BB41, Контактор 2 и 3 - 3RH1122-2BB40. Блок питания - 6EP1332-1SH52 in 110/220V out 24V.
ЦПУ использовал SIEMENS Simatic S7-200, cpu 224 AC/DC/Rly (заказной номер 6ES7 214-1BD23-0XB0), к нему подключен шлейфом модуль аналоговоых входов/выходов ANALOG I/O EM 235, FOR S7-22X CPU (6ES7235-0KD22-0XA0), который купленный сначала оригинальный сименс успешно отдал свою кремниево-пластиковую душу и был заменен на его копию фирмы Kollewin Technology Co.,Limited, шел к нам с китая 16 дней и ура! - работает (значительно дешевле оригинала). HMI Тач скрин использовал SIMATIC TP177B 6" DP (6AV6642-0BC01-1AX1), хотя можно наверняка другой использовать, только нужно что бы он был совместим с s7-200. Прогу для HMI рисовал на WINCC FLEX 2005 Adv. (файл ww6_punish.rar). Для заливки проги на s7-200 использовал обычный rs485toUSB конвертер фирмы Монтел-Рек (но уверен что подойдет любой на MAX232) и разъема DB9 с распновкой (DB9 <---> RS485toUSB) 3 - А, 8 - B, 1 - земля. Программа для s7-200 файл main.rar. Если кого будут интересовать значения переменных, при написании своей проги для HMI - пишите в личку.
Датчик смещения/хода 5 kΩ 100 mm - TRS 100 NOVOTECHNIK
Также использовалась маслостанция с двигателем 3.5kW
Чертеж станины, маслостанции, пневмо-цилиндра скину позже.
Ну и пару фоток уже готового станка. + + + +
ЦПУ использовал SIEMENS Simatic S7-200, cpu 224 AC/DC/Rly (заказной номер 6ES7 214-1BD23-0XB0), к нему подключен шлейфом модуль аналоговоых входов/выходов ANALOG I/O EM 235, FOR S7-22X CPU (6ES7235-0KD22-0XA0), который купленный сначала оригинальный сименс успешно отдал свою кремниево-пластиковую душу и был заменен на его копию фирмы Kollewin Technology Co.,Limited, шел к нам с китая 16 дней и ура! - работает (значительно дешевле оригинала). HMI Тач скрин использовал SIMATIC TP177B 6" DP (6AV6642-0BC01-1AX1), хотя можно наверняка другой использовать, только нужно что бы он был совместим с s7-200. Прогу для HMI рисовал на WINCC FLEX 2005 Adv. (файл ww6_punish.rar). Для заливки проги на s7-200 использовал обычный rs485toUSB конвертер фирмы Монтел-Рек (но уверен что подойдет любой на MAX232) и разъема DB9 с распновкой (DB9 <---> RS485toUSB) 3 - А, 8 - B, 1 - земля. Программа для s7-200 файл main.rar. Если кого будут интересовать значения переменных, при написании своей проги для HMI - пишите в личку.
Датчик смещения/хода 5 kΩ 100 mm - TRS 100 NOVOTECHNIK
Также использовалась маслостанция с двигателем 3.5kW
Чертеж станины, маслостанции, пневмо-цилиндра скину позже.
Ну и пару фоток уже готового станка. + + + +
- Вложения
-
- w6_punish.rar
- HMI visualisation
- (3.86 МБ) 1155 скачиваний
-
- main.rar
- s7200 programm
- (4.95 КБ) 1139 скачиваний
Создайте систему, которой сможет пользоваться дурак, и только дурак захочет ею пользоваться.
Машина должна работать, человек - думать. Принцип IBM.
Машина должна работать, человек - думать. Принцип IBM.
- Nick
- Мастер
- Сообщения: 22776
- Зарегистрирован: 23 ноя 2009, 16:45
- Репутация: 1735
- Заслуга: Developer
- Откуда: Gatchina, Saint-Petersburg distr., Russia
- Контактная информация:
Re: Станок W6 для растяжки торцов трубы (формовки).
А сделай еще фото изделия, так не совсем понятно как оно работает
+ медалька!
+ медалька!
- ressurect_83
- Кандидат
- Сообщения: 61
- Зарегистрирован: 13 июл 2013, 15:40
- Репутация: 2
- Откуда: Украина, Киев
- Контактная информация:
Re: Станок W6 для растяжки торцов трубы (формовки).
Я видео хочу еще сделать. Мне там должны выточить из метала еще две пластины, которые на верх цилиндра одеваются, что бы показать как работает. Сниму видео и сделаю еще фото.
Создайте систему, которой сможет пользоваться дурак, и только дурак захочет ею пользоваться.
Машина должна работать, человек - думать. Принцип IBM.
Машина должна работать, человек - думать. Принцип IBM.
- ressurect_83
- Кандидат
- Сообщения: 61
- Зарегистрирован: 13 июл 2013, 15:40
- Репутация: 2
- Откуда: Украина, Киев
- Контактная информация:
Re: Станок W6 для растяжки торцов трубы (формовки).
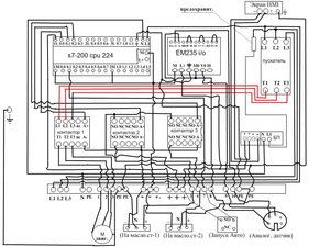
Перерисовал схему управляющего бокса. Теперь легче будет ее читать.
Чертежи шестигранника, пластины для крепления сверху на гидроцилиндр, которая держит 6 лепестков, окружающих шестигранник. Ниже фото, как это должно выглядеть.
Пластина - вид сверху. Она же - вид снизу. и сбоку. А также шестигранник и лепестки. Вот фото этих приколов.
Пластина - вид сверху. Она же - вид снизу. и сбоку. А также шестигранник и лепестки. Вот фото этих приколов.
Создайте систему, которой сможет пользоваться дурак, и только дурак захочет ею пользоваться.
Машина должна работать, человек - думать. Принцип IBM.
Машина должна работать, человек - думать. Принцип IBM.
- ressurect_83
- Кандидат
- Сообщения: 61
- Зарегистрирован: 13 июл 2013, 15:40
- Репутация: 2
- Откуда: Украина, Киев
- Контактная информация:
Re: Станок W6 для растяжки торцов трубы (формовки).
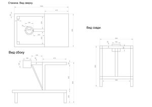
Вот чертеж стола.
Создайте систему, которой сможет пользоваться дурак, и только дурак захочет ею пользоваться.
Машина должна работать, человек - думать. Принцип IBM.
Машина должна работать, человек - думать. Принцип IBM.
- ressurect_83
- Кандидат
- Сообщения: 61
- Зарегистрирован: 13 июл 2013, 15:40
- Репутация: 2
- Откуда: Украина, Киев
- Контактная информация:
Re: Станок W6 для растяжки торцов трубы (формовки).
Сегодня вечером постараюсь снять видео монтажа пластины, шестигранника и лепестков. А также сам рабочий процесс.
Создайте систему, которой сможет пользоваться дурак, и только дурак захочет ею пользоваться.
Машина должна работать, человек - думать. Принцип IBM.
Машина должна работать, человек - думать. Принцип IBM.
- ressurect_83
- Кандидат
- Сообщения: 61
- Зарегистрирован: 13 июл 2013, 15:40
- Репутация: 2
- Откуда: Украина, Киев
- Контактная информация:
Re: Станок W6 для растяжки торцов трубы (формовки).
Наконец-то сделал видео. Правда залить на форум не дало. В каком формате можно заливать видео?
Вот фото станка в сборе перед проверкой и съемкой видео. Вот видео станка в работе.
https://www.youtube.com/watch?v=TKOMItwwVrA
В 3GP формате
https://dl.dropboxusercontent.com/u/756 ... V00303.3gp
и в WMV
https://dl.dropboxusercontent.com/u/756 ... V00303.wmv
Вот фото станка в сборе перед проверкой и съемкой видео. Вот видео станка в работе.
https://www.youtube.com/watch?v=TKOMItwwVrA
В 3GP формате
https://dl.dropboxusercontent.com/u/756 ... V00303.3gp
и в WMV
https://dl.dropboxusercontent.com/u/756 ... V00303.wmv
Создайте систему, которой сможет пользоваться дурак, и только дурак захочет ею пользоваться.
Машина должна работать, человек - думать. Принцип IBM.
Машина должна работать, человек - думать. Принцип IBM.
- ressurect_83
- Кандидат
- Сообщения: 61
- Зарегистрирован: 13 июл 2013, 15:40
- Репутация: 2
- Откуда: Украина, Киев
- Контактная информация:
Re: Станок W6 для растяжки торцов трубы (формовки).
Сегодня сгорел контактор запуска двигателя - 3RT1016-2BB41. Пропало напряжение в сети, станок не выключили, при появлении напряжения с управляющего бокса пошел дым. Не могу понять причину. Выгорел под ноль. Хотя я проверял раньше систему, пускатель (3RV1011-1HA20) исправно отключал систему. А сегодня почему то не отключил...
Создайте систему, которой сможет пользоваться дурак, и только дурак захочет ею пользоваться.
Машина должна работать, человек - думать. Принцип IBM.
Машина должна работать, человек - думать. Принцип IBM.
- Nick
- Мастер
- Сообщения: 22776
- Зарегистрирован: 23 ноя 2009, 16:45
- Репутация: 1735
- Заслуга: Developer
- Откуда: Gatchina, Saint-Petersburg distr., Russia
- Контактная информация:
Re: Станок W6 для растяжки торцов трубы (формовки).
Так вот, что он делает
.
А какого размеры трубы тянет?
(видео лучше всего заливать на youtube, и вставить через специальный тег на форум.)
А какого размеры трубы тянет?
(видео лучше всего заливать на youtube, и вставить через специальный тег на форум.)
- ressurect_83
- Кандидат
- Сообщения: 61
- Зарегистрирован: 13 июл 2013, 15:40
- Репутация: 2
- Откуда: Украина, Киев
- Контактная информация:
Re: Станок W6 для растяжки торцов трубы (формовки).
Я разжимал 560 диаметр толщиной 1мм. Но теоретически возможно разжать и больше, если сделать из копролона детали под нужный диаметр. А насчет толщины метала, то максимально мы делали из 1.2... Больше не пробовал. Для разжимки труб большого диаметра нужно сделать стол. Который одевается на голову сверху. Тогда можно будет надеть деталь под большие трубы. Процесс изготовления деталей из копролона сниму на видео и выложу сдесь же вместе с чертежами. Как раз заказали плиту под это дело.
Создайте систему, которой сможет пользоваться дурак, и только дурак захочет ею пользоваться.
Машина должна работать, человек - думать. Принцип IBM.
Машина должна работать, человек - думать. Принцип IBM.
-
Анатолий Иванов
- Новичок
- Сообщения: 2
- Зарегистрирован: 18 окт 2016, 13:29
- Репутация: 0
- Настоящее имя: Анатолий
- Контактная информация:
Re: Станок W6 для растяжки торцов трубы (формовки).
Нуждаюсь в таком же станке. Ищу кто изготовит на заказ или поможет чертежами и ценными советами.
- FLUKE
- Мастер
- Сообщения: 843
- Зарегистрирован: 11 мар 2013, 21:18
- Репутация: 187
- Настоящее имя: Сергей
- Откуда: Смоленск
- Контактная информация:
Re: Станок W6 для растяжки торцов трубы (формовки).
Вы тему читали? Выше есть чертежи, размеры, фото узлов и эл. схема.Анатолий Иванов писал(а):Нуждаюсь в таком же станке. Ищу кто изготовит на заказ или поможет чертежами и ценными советами.
-
Анатолий Иванов
- Новичок
- Сообщения: 2
- Зарегистрирован: 18 окт 2016, 13:29
- Репутация: 0
- Настоящее имя: Анатолий
- Контактная информация:
Re: Станок W6 для растяжки торцов трубы (формовки).
Параметров гидростанции и гидроцилиндра нет или у меня не все файлики открываются. Т.к. я не электронщик от слова совсем, то ищю кто бы мог эту автоматику для меня сделать. Раму, кулачки и конус могу и сам. А может человек, который уже один раз такой станок сделал, не откажется сделать и второй при взаимном интересе.
-
Денис7777
- Новичок
- Сообщения: 1
- Зарегистрирован: 03 дек 2016, 11:34
- Репутация: 0
- Настоящее имя: Денис
- Контактная информация:
Re: Станок W6 для растяжки торцов трубы (формовки).
Помогите с чертежами конуса. И как правельно его сконструировать??
- ressurect_83
- Кандидат
- Сообщения: 61
- Зарегистрирован: 13 июл 2013, 15:40
- Репутация: 2
- Откуда: Украина, Киев
- Контактная информация:
Re: Станок W6 для растяжки торцов трубы (формовки).
Мы уже сделали таких станка 4 шт. Последние 2 очень серьезно доработали. Удешевили електронику. Написал новый софт под него.
Пишите в ЛС. Розберемся.Денис7777 писал(а):Помогите с чертежами конуса. И как правельно его сконструировать??
Создайте систему, которой сможет пользоваться дурак, и только дурак захочет ею пользоваться.
Машина должна работать, человек - думать. Принцип IBM.
Машина должна работать, человек - думать. Принцип IBM.
-
Дмитрий2017
- Новичок
- Сообщения: 1
- Зарегистрирован: 05 янв 2017, 14:02
- Репутация: 0
- Контактная информация:
Re: Станок W6 для растяжки торцов трубы (формовки).
Добрый день.Интересует,такой станок.Цена и возможность отправки в РФ

