Спасибо, буду думать, как выйти из этой ситуации. Там просто шкивы достаточно большого диаметра на шпиндель приходится ставить, а места мало возле передней бабки (станок токарный ТВ4). Придется покупать шкивы одинакового диаметра и длинный ремень.mikehv писал(а):Зачем все эти сложности?
Подключение различных компонентов к плате Mesa 7I77
-
Mehobr
- Почётный участник

- Сообщения: 163
- Зарегистрирован: 15 июн 2015, 00:20
- Репутация: 18
- Настоящее имя: Евгений
- Контактная информация:
Re: Подключение различных компонентов к плате Mesa 7I77
-
AlekseySP
- Опытный
- Сообщения: 128
- Зарегистрирован: 28 дек 2016, 03:25
- Репутация: 32
- Настоящее имя: Алексей
- Контактная информация:
Re: Подключение различных компонентов к плате Mesa 7I77
Я вышел из такой ситуации так: поставил датчик Хола, подключил его на вход фазы z. А на шкив приклеил магнит. Перемычку переставил на single ended. Там у каждой фазы своя перемычка. Фазы A и B взял от сервы.
-
Mehobr
- Почётный участник

- Сообщения: 163
- Зарегистрирован: 15 июн 2015, 00:20
- Репутация: 18
- Настоящее имя: Евгений
- Контактная информация:
Re: Подключение различных компонентов к плате Mesa 7I77
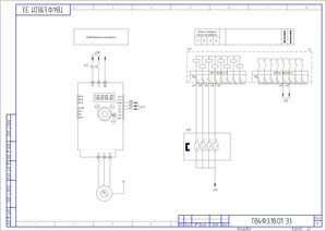
Продолжаю подключать различные узлы. Пришло время подключить и настроить резцедержку.
Резцедержка китайская на четыре позиции Подключил по следующей схеме: Двигатель резцедержки управляется частотником типа Altivar 212. Управление вручную опробовал, работает. При замыкании контакта на частотнике №406 идет вращение, а при замыкании контакта 407 идет (реверс) фиксация.
Осталось настроить в linuxcnc и тут как всегда у меня затык. Пытался чужие конфиги под себя править ничего не получилось. ClassicLadder даже запустить не смог
.
Прошу помощи в настройке, спасибо!
Резцедержка китайская на четыре позиции Подключил по следующей схеме: Двигатель резцедержки управляется частотником типа Altivar 212. Управление вручную опробовал, работает. При замыкании контакта на частотнике №406 идет вращение, а при замыкании контакта 407 идет (реверс) фиксация.
Осталось настроить в linuxcnc и тут как всегда у меня затык. Пытался чужие конфиги под себя править ничего не получилось. ClassicLadder даже запустить не смог
Прошу помощи в настройке, спасибо!
-
nkp
- Мастер
- Сообщения: 8340
- Зарегистрирован: 28 ноя 2011, 00:25
- Репутация: 1589
- Контактная информация:
Re: Подключение различных компонентов к плате Mesa 7I77
1. в основной хал файл(.hal) прописать строки:
после перезапуска емс должен появиться пустой ладдер
===============
2. что за датчики положений в голове? по схеме похожи на герконы
Код: Выделить всё
#######Ladder##################################################################################
loadrt classicladder_rt numPhysInputs=25 numPhysOutputs=25 numS32in=10 numS32out=10 numFloatIn=10 numFloatOut=10
loadusr classicladder tool.clp
addf classicladder.0.refresh servo-thread
#######Ladder##################################################################################===============
2. что за датчики положений в голове? по схеме похожи на герконы
-
john1987887
- Мастер
- Сообщения: 3296
- Зарегистрирован: 08 сен 2013, 17:26
- Репутация: 1802
- Контактная информация:
Re: Подключение различных компонентов к плате Mesa 7I77
Они и естьnkp писал(а):по схеме похожи на герконы
Brother TC - 229 http://www.cnc-club.ru/forum/viewtopic. ... 46&t=15250
Brother TC - 225 viewtopic.php?f=146&t=31044
7045 http://www.cnc-club.ru/forum/viewtopic.php?t=6965
токарный http://www.cnc-club.ru/forum/viewtopic. ... 48&t=14096
Brother TC - 225 viewtopic.php?f=146&t=31044
7045 http://www.cnc-club.ru/forum/viewtopic.php?t=6965
токарный http://www.cnc-club.ru/forum/viewtopic. ... 48&t=14096
-
john1987887
- Мастер
- Сообщения: 3296
- Зарегистрирован: 08 сен 2013, 17:26
- Репутация: 1802
- Контактная информация:
Re: Подключение различных компонентов к плате Mesa 7I77
А что за станок такой интересный? Есть тема по нему?Mehobr писал(а):Продолжаю подключать различные узлы. Пришло время подключить и настроить резцедержку.
Резцедержка китайская на четыре позиции
Brother TC - 229 http://www.cnc-club.ru/forum/viewtopic. ... 46&t=15250
Brother TC - 225 viewtopic.php?f=146&t=31044
7045 http://www.cnc-club.ru/forum/viewtopic.php?t=6965
токарный http://www.cnc-club.ru/forum/viewtopic. ... 48&t=14096
Brother TC - 225 viewtopic.php?f=146&t=31044
7045 http://www.cnc-club.ru/forum/viewtopic.php?t=6965
токарный http://www.cnc-club.ru/forum/viewtopic. ... 48&t=14096
-
Mehobr
- Почётный участник

- Сообщения: 163
- Зарегистрирован: 15 июн 2015, 00:20
- Репутация: 18
- Настоящее имя: Евгений
- Контактная информация:
Re: Подключение различных компонентов к плате Mesa 7I77
Вечером попробую, правда сомневаюсь что осилю логику CL.nkp писал(а):1. в основной хал файл(.hal) прописать строки:
Да, герконы.nkp писал(а):2. что за датчики положений в голове? по схеме похожи на герконы
Станок ТВ4, точнее сказать только станина и корпус передней бабки от станка ТВ4, остальное все переделываю, тему по нему пока не создавал.john1987887 писал(а):А что за станок такой интересный? Есть тема по нему?
-
nkp
- Мастер
- Сообщения: 8340
- Зарегистрирован: 28 ноя 2011, 00:25
- Репутация: 1589
- Контактная информация:
Re: Подключение различных компонентов к плате Mesa 7I77
всё осилимMehobr писал(а):правда сомневаюсь что осилю логику CL.
-
Mehobr
- Почётный участник

- Сообщения: 163
- Зарегистрирован: 15 июн 2015, 00:20
- Репутация: 18
- Настоящее имя: Евгений
- Контактная информация:
Re: Подключение различных компонентов к плате Mesa 7I77
Вчера вот это прописал в hal файл и конечно же не запустилась.
Код: Выделить всё
#######tool-change##################################################################################
net dat1 hm2_5i25.0.7i77.0.0.input-8 => classicladder.0.in-01 # получаем сигнал от датчика положения
net dat2 hm2_5i25.0.7i77.0.0.input-9 => classicladder.0.in-02 # получаем сигнал от датчика положения
net dat3 hm2_5i25.0.7i77.0.0.input-10 => classicladder.0.in-03 # получаем сигнал от датчика положения
net dat4 hm2_5i25.0.7i77.0.0.input-11 => classicladder.0.in-04 # получаем сигнал от датчика положения
net ll classicladder.0.out-02 => hm2_5i25.0.7i77.0.0.output-04
net rr classicladder.0.out-00 => hm2_5i25.0.7i77.0.0.output-05
loadusr -W hal_manualtoolchange
net tool-change-request iocontrol.0.tool-change => hal_manualtoolchange.change => classicladder.0.in-00 # сигнал по М6 посылаем на контакт Start
net tool-change-confirmed iocontrol.0.tool-changed classicladder.0.out-03 # сигнал - продолжаем выполнять программу
net tool-number iocontrol.0.tool-prep-number => hal_manualtoolchange.number => classicladder.0.s32in-03 # %IW3
net tool-prepare-loopback iocontrol.0.tool-prepare => iocontrol.0.tool-prepared-
nkp
- Мастер
- Сообщения: 8340
- Зарегистрирован: 28 ноя 2011, 00:25
- Репутация: 1589
- Контактная информация:
Re: Подключение различных компонентов к плате Mesa 7I77
loadusr -W hal_manualtoolchange
это окошко для ручной смены инс-та
тебе оно не нужено(раз не_руками менять будем)))
-----------------------------
то что прописал (вчера) имеет смысл лишь после вставки того ,что сегодня я выложил
то есть - сверху - загрузка самого компонента ладдера(то что "у меня"),
а потом уже прописываем разные связи (то что "у тебя")
================
кстати - входы от герконов уже заведены физически в месу?
если да - то реагируют ли при вращении от руки?
это окошко для ручной смены инс-та
тебе оно не нужено(раз не_руками менять будем)))
-----------------------------
то что прописал (вчера) имеет смысл лишь после вставки того ,что сегодня я выложил
то есть - сверху - загрузка самого компонента ладдера(то что "у меня"),
а потом уже прописываем разные связи (то что "у тебя")
================
кстати - входы от герконов уже заведены физически в месу?
если да - то реагируют ли при вращении от руки?
-
nkp
- Мастер
- Сообщения: 8340
- Зарегистрирован: 28 ноя 2011, 00:25
- Репутация: 1589
- Контактная информация:
Re: Подключение различных компонентов к плате Mesa 7I77
вот этот кусок:
правим так:
Код: Выделить всё
loadusr -W hal_manualtoolchange
net tool-change-request iocontrol.0.tool-change => hal_manualtoolchange.change => classicladder.0.in-00 # сигнал по М6 посылаем на контакт Start
net tool-change-confirmed iocontrol.0.tool-changed classicladder.0.out-03 # сигнал - продолжаем выполнять программу
net tool-number iocontrol.0.tool-prep-number => hal_manualtoolchange.number => classicladder.0.s32in-03 # %IW3
net tool-prepare-loopback iocontrol.0.tool-prepare => iocontrol.0.tool-preparedправим так:
Код: Выделить всё
net tool-prepare-loopback iocontrol.0.tool-prepare => iocontrol.0.tool-prepared
net tool-change-request iocontrol.0.tool-change => classicladder.0.in-00 # сигнал по М6 посылаем на контакт Start
net tool-change-confirmed iocontrol.0.tool-changed => classicladder.0.out-03 # сигнал - продолжаем выполнять программу
net tool-number iocontrol.0.tool-prep-number => classicladder.0.s32in-03 # %IW3
-
Mehobr
- Почётный участник

- Сообщения: 163
- Зарегистрирован: 15 июн 2015, 00:20
- Репутация: 18
- Настоящее имя: Евгений
- Контактная информация:
Re: Подключение различных компонентов к плате Mesa 7I77
Да, заведены, согласно вышеуказанной схемы.nkp писал(а):кстати - входы от герконов уже заведены физически в месу?
-
Mehobr
- Почётный участник

- Сообщения: 163
- Зарегистрирован: 15 июн 2015, 00:20
- Репутация: 18
- Настоящее имя: Евгений
- Контактная информация:
Re: Подключение различных компонентов к плате Mesa 7I77
Поместил вот эти строки в HAL файл
Выскочила вот такая ошибка
Код: Выделить всё
#######Ladder##################################################################################
loadrt classicladder_rt numPhysInputs=25 numPhysOutputs=25 numS32in=10 numS32out=10 numFloatIn=10 numFloatOut=10
loadusr classicladder tool.clp
addf classicladder.0.refresh servo-thread
#######Ladder##################################################################################
#######tool-change##################################################################################
net dat1 hm2_5i25.0.7i77.0.0.input-08 => classicladder.0.in-01 # получаем сигнал от датчика положения
net dat2 hm2_5i25.0.7i77.0.0.input-09 => classicladder.0.in-02 # получаем сигнал от датчика положения
net dat3 hm2_5i25.0.7i77.0.0.input-10 => classicladder.0.in-03 # получаем сигнал от датчика положения
net dat4 hm2_5i25.0.7i77.0.0.input-11 => classicladder.0.in-04 # получаем сигнал от датчика положения
net ll classicladder.0.out-02 => hm2_5i25.0.7i77.0.0.output-04
net rr classicladder.0.out-00 => hm2_5i25.0.7i77.0.0.output-05
net tool-prepare-loopback iocontrol.0.tool-prepare => iocontrol.0.tool-prepared
net tool-change-request iocontrol.0.tool-change => classicladder.0.in-00 # сигнал по М6 посылаем на контакт Start
net tool-change-confirmed iocontrol.0.tool-changed => classicladder.0.out-03 # сигнал - продолжаем выполнять программу
net tool-number iocontrol.0.tool-prep-number => classicladder.0.s32in-03 # %IW3
-
nkp
- Мастер
- Сообщения: 8340
- Зарегистрирован: 28 ноя 2011, 00:25
- Репутация: 1589
- Контактная информация:
Re: Подключение различных компонентов к плате Mesa 7I77
у тебя в 239 строке хвост остался от компонента hal_manualtoolchange
-
Mehobr
- Почётный участник

- Сообщения: 163
- Зарегистрирован: 15 июн 2015, 00:20
- Репутация: 18
- Настоящее имя: Евгений
- Контактная информация:
Re: Подключение различных компонентов к плате Mesa 7I77
Удалил hal_manualtoolchange ошибки нет, но и резцедержка не реагирует на команды М6 Т1 и т.д.
-
nkp
- Мастер
- Сообщения: 8340
- Зарегистрирован: 28 ноя 2011, 00:25
- Репутация: 1589
- Контактная информация:
Re: Подключение различных компонентов к плате Mesa 7I77
тут надо последовательно смотреть?
сейчас есть время?
сейчас есть время?
-
nkp
- Мастер
- Сообщения: 8340
- Зарегистрирован: 28 ноя 2011, 00:25
- Репутация: 1589
- Контактная информация:
Re: Подключение различных компонентов к плате Mesa 7I77
для начала - покажи схему ладдера(скрин всего окна ладдера )