Помогите подружить Линукс CNC и контроллер на тм7

Обсуждение установки, настройки и использования LinuxCNC. Вопросы по Gкоду.
Аватара пользователя
Евгений96
Новичок
Сообщения: 33
Зарегистрирован: 17 июл 2015, 12:13
Репутация: 0
Настоящее имя: Евгений
Откуда: Урал п Красная Горка
Контактная информация:

Помогите подружить Линукс CNC и контроллер на тм7

Сообщение Евгений96 »

Скачал программу линукс установил. Подключил контроллер на микросхеме 155тм7 и драйвера на транзисторах.
Крутил вертел программу читал по настройкам ковырял программу. Добился того что вал двигателя начал чуть буквально еле заметно дергаться.
До этого подключал контроллер в программе vri cnc все вертелось как надо.

Помогите настроить. :controller:
sertix
Мастер
Сообщения: 627
Зарегистрирован: 07 май 2011, 09:06
Репутация: 138
Настоящее имя: Сергей
Контактная информация:

Re: Помогите подружить Линукс CNC и контроллер на тм7

Сообщение sertix »

Данный контроллер имеет свой протокол, не степ/дир. http://vri-cnc.ru/modules.php?name=News ... icle&sid=7
Изображение
Аватара пользователя
Евгений96
Новичок
Сообщения: 33
Зарегистрирован: 17 июл 2015, 12:13
Репутация: 0
Настоящее имя: Евгений
Откуда: Урал п Красная Горка
Контактная информация:

Re: Помогите подружить Линукс CNC и контроллер на тм7

Сообщение Евгений96 »

Посмотрел ничего не понял. Как их проставить тут вот. Разжуйте пожалуйста.
Изображение
Аватара пользователя
Евгений96
Новичок
Сообщения: 33
Зарегистрирован: 17 июл 2015, 12:13
Репутация: 0
Настоящее имя: Евгений
Откуда: Урал п Красная Горка
Контактная информация:

Re: Помогите подружить Линукс CNC и контроллер на тм7

Сообщение Евгений96 »

Каринку на форуме взял у меня программа полностью на русском языке.
Аватара пользователя
Тима
Почётный участник
Почётный участник
Сообщения: 3162
Зарегистрирован: 01 мар 2012, 20:47
Репутация: 1089
Настоящее имя: Тимур
Откуда: КБР
Контактная информация:

Re: Помогите подружить Линукс CNC и контроллер на тм7

Сообщение Тима »

ЛинуксЦНЦ с контроллером на тм7 не работает. У них разные протоколы.
Собери хотя-бы схему l293+l298n. У этой схемы управление по степ/дир.
Дорогу осилит идущий!
Я все пойму, Вы только дайте денег!!!
Аватара пользователя
ukr-sasha
Мастер
Сообщения: 3401
Зарегистрирован: 21 мар 2011, 07:47
Репутация: 2181
Настоящее имя: Украинец Александр Григорьевич
Откуда: Киев, Украина
Контактная информация:

Re: Помогите подружить Линукс CNC и контроллер на тм7

Сообщение ukr-sasha »

Евгений96 писал(а):Посмотрел ничего не понял. Как их проставить тут вот.
Никак.
Аватара пользователя
Евгений96
Новичок
Сообщения: 33
Зарегистрирован: 17 июл 2015, 12:13
Репутация: 0
Настоящее имя: Евгений
Откуда: Урал п Красная Горка
Контактная информация:

Re: Помогите подружить Линукс CNC и контроллер на тм7

Сообщение Евгений96 »

Тима писал(а):Собери хотя-бы схему l293+l298n
Есть у меня рабочие. Движки у меня униполярные 6ть выводов. Если я их подключу они не потеряют мощность?????
Аватара пользователя
Тима
Почётный участник
Почётный участник
Сообщения: 3162
Зарегистрирован: 01 мар 2012, 20:47
Репутация: 1089
Настоящее имя: Тимур
Откуда: КБР
Контактная информация:

Re: Помогите подружить Линукс CNC и контроллер на тм7

Сообщение Тима »

первое, что выдал гугл http://www.npoatom.ru/articles/4.html
Дорогу осилит идущий!
Я все пойму, Вы только дайте денег!!!
Аватара пользователя
Евгений96
Новичок
Сообщения: 33
Зарегистрирован: 17 июл 2015, 12:13
Репутация: 0
Настоящее имя: Евгений
Откуда: Урал п Красная Горка
Контактная информация:

Re: Помогите подружить Линукс CNC и контроллер на тм7

Сообщение Евгений96 »

Тима

Спасибо разъяснил :)
Аватара пользователя
torvn77
Мастер
Сообщения: 2442
Зарегистрирован: 02 июн 2012, 22:12
Репутация: 215
Откуда: Россия,Санкт-Петербург
Контактная информация:

Re: Помогите подружить Линукс CNC и контроллер на тм7

Сообщение torvn77 »

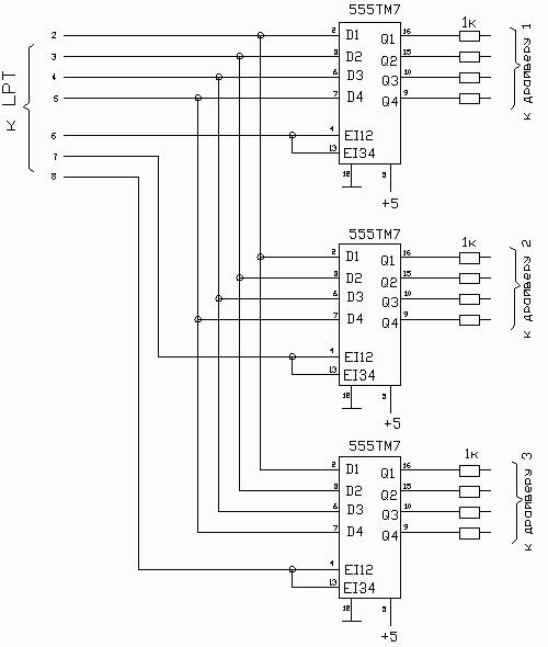
Евгений96 писал(а): Подключил контроллер на микросхеме 155тм7 и драйвера на транзисторах.
sertix писал(а):Данный контроллер имеет свой протокол, не степ/дир. http://vri-cnc.ru/modules.php?name=News ... icle&sid=7
Вот оно как...
Тогда LinuxCNC тебе самое то.
LinuxCNC программа модульна,при чём модули довольно просто писать.
Правда в твоём случае лучше бы логику схемы доработать до того уровня, когда она будет понимать step/dir
Аватара пользователя
michael-yurov
Почётный участник
Почётный участник
Сообщения: 11731
Зарегистрирован: 26 июл 2012, 00:10
Репутация: 4703
Настоящее имя: Михаил Львович
Откуда: Новоуральск
Контактная информация:

Re: Помогите подружить Линукс CNC и контроллер на тм7

Сообщение michael-yurov »

Евгений96 писал(а):Есть у меня рабочие. Движки у меня униполярные 6ть выводов. Если я их подключу они не потеряют мощность?????
Нет, мощность они от этого потерять не могут. Если, конечно, глупостей не наделать.
Аватара пользователя
solo
Мастер
Сообщения: 1374
Зарегистрирован: 20 окт 2011, 18:39
Репутация: 272
Настоящее имя: Юрий Соловьев
Откуда: Украина Харьков
Контактная информация:

Re: Помогите подружить Линукс CNC и контроллер на тм7

Сообщение solo »

с тм7 работает программа турбо снс
http://www.dakeng.com/turbo.html
можно сделать загрузочную флешку , и любой старый комп может крутить ШД .
Аватара пользователя
Сергей Саныч
Мастер
Сообщения: 9116
Зарегистрирован: 30 май 2012, 14:20
Репутация: 2858
Откуда: Тюмень
Контактная информация:

Re: Помогите подружить Линукс CNC и контроллер на тм7

Сообщение Сергей Саныч »

solo писал(а):с тм7 работает программа турбо снс
так как конкретно в упомянутой схеме - не сможет.
А реализовать управление по фазам LCNC тоже умеет, см.доки по stepgen. Но чтобы работать с приведенной схемой (управление по фазам плюс мультиплексирование каналов), нужна серьезная доработка.
Чудес не бывает. Бывают фокусы.
Аватара пользователя
michael-yurov
Почётный участник
Почётный участник
Сообщения: 11731
Зарегистрирован: 26 июл 2012, 00:10
Репутация: 4703
Настоящее имя: Михаил Львович
Откуда: Новоуральск
Контактная информация:

Re: Помогите подружить Линукс CNC и контроллер на тм7

Сообщение michael-yurov »

solo писал(а):с тм7 работает программа турбо снс
http://www.dakeng.com/turbo.html
можно сделать загрузочную флешку , и любой старый комп может крутить ШД .
http://www.cnc-club.ru/forum/viewtopic. ... 44#p120426
Аватара пользователя
torvn77
Мастер
Сообщения: 2442
Зарегистрирован: 02 июн 2012, 22:12
Репутация: 215
Откуда: Россия,Санкт-Петербург
Контактная информация:

Re: Помогите подружить Линукс CNC и контроллер на тм7

Сообщение torvn77 »

Сергей Саныч писал(а):Но чтобы работать с приведенной схемой (управление по фазам плюс мультиплексирование каналов), нужна серьезная доработка.
Полез смотреть в чём дело и понял, что слона то я и не заметил...
контроллер может обслуживать до 32 (в моей схеме 3) шаговых двигателей последовательно,
ИМХО лучше б.у драйвер купить, чем пытаться такое разработать, так как и сложно из-за синхонизации осей,
и не нужно, так как расходы на контролёр, транзисторы. радиаторы и пр., включая рабочее время всё равно будут достаточно большими.
Аватара пользователя
michael-yurov
Почётный участник
Почётный участник
Сообщения: 11731
Зарегистрирован: 26 июл 2012, 00:10
Репутация: 4703
Настоящее имя: Михаил Львович
Откуда: Новоуральск
Контактная информация:

Re: Помогите подружить Линукс CNC и контроллер на тм7

Сообщение michael-yurov »

torvn77 писал(а):так как и сложно из-за синхонизации осей,
Чего?
Аватара пользователя
torvn77
Мастер
Сообщения: 2442
Зарегистрирован: 02 июн 2012, 22:12
Репутация: 215
Откуда: Россия,Санкт-Петербург
Контактная информация:

Re: Помогите подружить Линукс CNC и контроллер на тм7

Сообщение torvn77 »

Ну сам посмотри, сигналы в этом драйвере отдаются последовательно для каждой оси, а не паралельно, как в step/dir.
Разве это не потребуется как нибудь учесть?
Аватара пользователя
NightV
Почётный участник
Почётный участник
Сообщения: 6610
Зарегистрирован: 30 дек 2011, 09:14
Репутация: 2279
Настоящее имя: Владимир Айрапетян
Откуда: Israel
Контактная информация:

Re: Помогите подружить Линукс CNC и контроллер на тм7

Сообщение NightV »

чего чего.. синхонизации! синхофазатрон знаешь? :hehehe:

ПС
посмотрел схему платы...
назрел только один вопрос.. НАФИГА так делать? если давно есть аппаратные средства :thinking:
Всё просто! если знаешь КАК!
Аватара пользователя
michael-yurov
Почётный участник
Почётный участник
Сообщения: 11731
Зарегистрирован: 26 июл 2012, 00:10
Репутация: 4703
Настоящее имя: Михаил Львович
Откуда: Новоуральск
Контактная информация:

Re: Помогите подружить Линукс CNC и контроллер на тм7

Сообщение michael-yurov »

torvn77 писал(а):Ну сам посмотри, сигналы в этом драйвере отдаются последовательно для каждой оси, а не паралельно, как в step/dir.
Разве это не потребуется как нибудь учесть?
Блин!, и правда!
image002.gif
image002.gif (8.27 КБ) 2664 просмотра
Аватара пользователя
Serg
Мастер
Сообщения: 21923
Зарегистрирован: 17 апр 2012, 14:58
Репутация: 5183
Заслуга: c781c134843e0c1a3de9
Настоящее имя: Сергей
Откуда: Москва
Контактная информация:

Re: Помогите подружить Линукс CNC и контроллер на тм7

Сообщение Serg »

На linuxcnc сделать в принципе можно, но мне лень - слишком много мультиплексоров соединять меж собой... :)
Я не Христос, рыбу не раздаю, но могу научить, как сделать удочку...
Ответить

Вернуться в «LinuxCNC»