из г и п на дши200-1
- novarobotix
- Мастер
- Сообщения: 456
- Зарегистрирован: 04 сен 2014, 23:36
- Репутация: 28
- Настоящее имя: ВАСЯ
- Контактная информация:
из г и п на дши200-1
Последний раз редактировалось novarobotix 20 фев 2015, 16:34, всего редактировалось 2 раза.
мне не нужна война.мне нужен МИР. желательно весь...
- slk
- Почётный участник

- Сообщения: 280
- Зарегистрирован: 03 мар 2014, 09:42
- Репутация: 24
- Настоящее имя: Вячеслав
- Откуда: РФ, НСО, Бердск
- Контактная информация:
Re: из г и п на дши200-1
интрига... а где станок то сам?novarobotix писал(а):слегка турбированный режим http://my-files.ru/Download/ji9h8r/hi2.avi
- NightV
- Почётный участник

- Сообщения: 6610
- Зарегистрирован: 30 дек 2011, 09:14
- Репутация: 2279
- Настоящее имя: Владимир Айрапетян
- Откуда: Israel
- Контактная информация:
Re: из г и п на дши200-1
интригует и название темы 
ребята знают.. дешифровальщик из меня никакой... на ум одни пошлости приходят
ребята знают.. дешифровальщик из меня никакой... на ум одни пошлости приходят
Всё просто! если знаешь КАК!
- michael-yurov
- Почётный участник

- Сообщения: 11731
- Зарегистрирован: 26 июл 2012, 00:10
- Репутация: 4703
- Настоящее имя: Михаил Львович
- Откуда: Новоуральск
- Контактная информация:
Re: из г и п на дши200-1
"ГЛОБАЛ ИНДАСТРИАЛ ПРОДЖЕКТ"NightV писал(а):ребята знают.. дешифровальщик из меня никакой... на ум одни пошлости приходят
- novarobotix
- Мастер
- Сообщения: 456
- Зарегистрирован: 04 сен 2014, 23:36
- Репутация: 28
- Настоящее имя: ВАСЯ
- Контактная информация:
Re: из г и п на дши200-1
О!!! не первый раз от вас суперидеи приходят!michael-yurov писал(а):"ГЛОБАЛ ИНДАСТРИАЛ ПРОДЖЕКТ"NightV писал(а):ребята знают.. дешифровальщик из меня никакой... на ум одни пошлости приходят
мне не нужна война.мне нужен МИР. желательно весь...
- РЕКЛАМА
- Почётный участник

- Сообщения: 736
- Зарегистрирован: 11 дек 2012, 21:46
- Репутация: 80
- Откуда: Брянск
- Контактная информация:
Re: из г и п на дши200-1
Я в замешательстве..
Остальные слова нецензурные (но позитивные)
Остальные слова нецензурные (но позитивные)
- michael-yurov
- Почётный участник

- Сообщения: 11731
- Зарегистрирован: 26 июл 2012, 00:10
- Репутация: 4703
- Настоящее имя: Михаил Львович
- Откуда: Новоуральск
- Контактная информация:
- slk
- Почётный участник

- Сообщения: 280
- Зарегистрирован: 03 мар 2014, 09:42
- Репутация: 24
- Настоящее имя: Вячеслав
- Откуда: РФ, НСО, Бердск
- Контактная информация:
Re: из г и п на дши200-1
творческий подход...
- ukr-sasha
- Мастер
- Сообщения: 3401
- Зарегистрирован: 21 мар 2011, 07:47
- Репутация: 2181
- Настоящее имя: Украинец Александр Григорьевич
- Откуда: Киев, Украина
- Контактная информация:
Re: из г и п на дши200-1
И ОНО ездит???
- novarobotix
- Мастер
- Сообщения: 456
- Зарегистрирован: 04 сен 2014, 23:36
- Репутация: 28
- Настоящее имя: ВАСЯ
- Контактная информация:
Re: из г и п на дши200-1
в первом посте турбо поездка. но срезает углы из за резких стартов. поэтому в реале думаю работать на более низкой скорости, чтобы более ровно рисовало. http://my-files.ru/Download/bnkboo/hi3.avi
мне не нужна война.мне нужен МИР. желательно весь...
- novarobotix
- Мастер
- Сообщения: 456
- Зарегистрирован: 04 сен 2014, 23:36
- Репутация: 28
- Настоящее имя: ВАСЯ
- Контактная информация:
Re: из г и п на дши200-1
http://my-files.ru/Download/1pziov/ezd.avi а вот вид на работу самих шпилек
верхняя шпилька с одного конца не по центру закреплена - когда уменьшал диаметр под подшипник криво спилил и на большой скорости железка телепается.надо купить подшипник с большим внутренним диаметром.
нижняя шпилька мне нравится как работает. ни шуму ни пыли.ночной спальный режим.
а больше всего шумить ось Z - фанерка резонирует на которой мотор закреплён - оказалость самый шумный узел станка.
а вообще я не ожидал что будет так классно и точно работать

верхняя шпилька с одного конца не по центру закреплена - когда уменьшал диаметр под подшипник криво спилил и на большой скорости железка телепается.надо купить подшипник с большим внутренним диаметром.
нижняя шпилька мне нравится как работает. ни шуму ни пыли.ночной спальный режим.
а больше всего шумить ось Z - фанерка резонирует на которой мотор закреплён - оказалость самый шумный узел станка.
а вообще я не ожидал что будет так классно и точно работать
мне не нужна война.мне нужен МИР. желательно весь...
- ukr-sasha
- Мастер
- Сообщения: 3401
- Зарегистрирован: 21 мар 2011, 07:47
- Репутация: 2181
- Настоящее имя: Украинец Александр Григорьевич
- Откуда: Киев, Украина
- Контактная информация:
Re: из г и п на дши200-1
А в цифрах можно?novarobotix писал(а):а вообще я не ожидал что будет так классно и точно работать
- novarobotix
- Мастер
- Сообщения: 456
- Зарегистрирован: 04 сен 2014, 23:36
- Репутация: 28
- Настоящее имя: ВАСЯ
- Контактная информация:
Re: из г и п на дши200-1
х.3. я не профессор
tqpf рисует нормально, второй третий раз в колею точно попадает, а меньше мне пока не надо. да и tqpf пока не юзаю, но на всякий случай высота взята
tqpf рисует нормально, второй третий раз в колею точно попадает, а меньше мне пока не надо. да и tqpf пока не юзаю, но на всякий случай высота взята
мне не нужна война.мне нужен МИР. желательно весь...
-
Kopyloff
- Мастер
- Сообщения: 387
- Зарегистрирован: 28 мар 2013, 07:40
- Репутация: 117
- Настоящее имя: Сергей
- Откуда: Первоуральск
- Контактная информация:
Re: из г и п на дши200-1
Слов нет - одни эмоции! Муфты - СУПЕР! И изолента синяя тебе и трубка резиновая и ниточки розовенькие гламурненькие! Схемы - ваще жесть! Надеюсь - схема эл. принципиальная имеется? Через неделю и не вспомнишь - чего куда подключено.. Вот уж точно - глаза боятся а руки делают 
- Hamster13
- Опытный
- Сообщения: 187
- Зарегистрирован: 13 дек 2014, 19:02
- Репутация: 48
- Настоящее имя: Александр Владимирович
- Откуда: Люберцы
- Контактная информация:
Re: из г и п на дши200-1
Вау! Это самый крутой станок из виденных мной! 
Чем-то напоминает Терминатора
вытащенного из-под пресса... 
Чем-то напоминает Терминатора
- novarobotix
- Мастер
- Сообщения: 456
- Зарегистрирован: 04 сен 2014, 23:36
- Репутация: 28
- Настоящее имя: ВАСЯ
- Контактная информация:
Re: из г и п на дши200-1
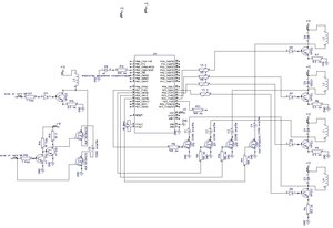
пока только куски схемы.слишком часто всё менялось по ходу дела.самая главная нестандартная часть схемы слева от МК на рисунке - схема подключения мотора к МК.всё остальное стандартные кнопки и светодиоды.Kopyloff писал(а):Надеюсь - схема эл. принципиальная имеется?
зато код МК думаю что финальная версия.только код обработки энкодеров пока закоментил чтоб не мешал. а муфты действительно супер! много чего перепробовал, это на удивление оказался самый лучший вариант во всех отношениях.
мне не нужна война.мне нужен МИР. желательно весь...
- Nick
- Мастер
- Сообщения: 22776
- Зарегистрирован: 23 ноя 2009, 16:45
- Репутация: 1735
- Заслуга: Developer
- Откуда: Gatchina, Saint-Petersburg distr., Russia
- Контактная информация:
Re: из г и п на дши200-1
Ходовой винт это бур?
А как выглядит гайка?
А как выглядит гайка?
- novarobotix
- Мастер
- Сообщения: 456
- Зарегистрирован: 04 сен 2014, 23:36
- Репутация: 28
- Настоящее имя: ВАСЯ
- Контактная информация:
Re: из г и п на дши200-1
вот оно и шпилька и гайка.
https://www.youtube.com/watch?v=IIu1use8-kc
у гайки люфт большой поэтому разрезал на 2 части чтобы люфт убрать. а вообще думаю выточить гайку на станке . шпилька вроде нормальная, хотя стоит копейки(3 - 5$)
https://www.youtube.com/watch?v=IIu1use8-kc
у гайки люфт большой поэтому разрезал на 2 части чтобы люфт убрать. а вообще думаю выточить гайку на станке . шпилька вроде нормальная, хотя стоит копейки(3 - 5$)
мне не нужна война.мне нужен МИР. желательно весь...
- NightV
- Почётный участник

- Сообщения: 6610
- Зарегистрирован: 30 дек 2011, 09:14
- Репутация: 2279
- Настоящее имя: Владимир Айрапетян
- Откуда: Israel
- Контактная информация:
Re: из г и п на дши200-1
как-то точил на токарке, переходники, с такой резьбы на нормальную.... жуть!!! пришлось свой резец делать, напаивать твердосплав и обточить на алмазе под нужный профиль шага 
Всё просто! если знаешь КАК!
- Сергей Саныч
- Мастер
- Сообщения: 9116
- Зарегистрирован: 30 май 2012, 14:20
- Репутация: 2858
- Откуда: Тюмень
- Контактная информация:
Re: из г и п на дши200-1
О как! не знал про такое. Про точность вряд ли можно говорить, а скорость при таком шаге можно развить приличную.novarobotix писал(а):вот оно и шпилька и гайка.
Чудес не бывает. Бывают фокусы.
