шпиндель коломбо colombo нужна помощь

Шаговые и серво двигатели, шпиндели, инверторы.
S500
Мастер
Сообщения: 301
Зарегистрирован: 22 сен 2014, 18:25
Репутация: 57
Контактная информация:

шпиндель коломбо colombo нужна помощь

Сообщение S500 »

привет всем, нужна помощь хочу купить шпиндель коломбо,

Giordano Colombo RA110.22 Spindle, 460VAC, 5Hp

http://www.ebay.com/itm/171324391191?ss ... 1423.l2649

все вроде бы почти устраивает только вот одна проблема,
этот шпиндель на 460 вольт можно ли его переделать под 220 (240) вольт пожалуйста подскажите можно ли внутри обмотку мотора перемкнуть на 220 вольт,
к примеру если мотор внутри звезда и переключить его на дельта,
может кто-то сталкивался с коломбо моторами.
спасибо за помощь.
aftaev
Зачётный участник
Зачётный участник
Сообщения: 34042
Зарегистрирован: 04 апр 2010, 19:22
Репутация: 6194
Откуда: Казахстан.
Контактная информация:

Re: шпиндель коломбо colombo нужна помощь

Сообщение aftaev »

Миша, ты по чаще выкладывай ссылки на евау, так быстрее купят пока ты думаешь :)
S500 писал(а):этот шпиндель на 460 вольт можно ли его переделать под 220 (240) вольт пожалуйста подскажите можно ли внутри обмотку мотора перемкнуть на 220 вольт,
к примеру если мотор внутри звезда и переключить его на дельта,
Не знаю можно перематывать или нет, но вот если разобрать то потом так уже не собирешь и балансировки не будет. Если разобрать новый шпиндель который тихо работал, разбираешь/собираешь и он уже вибрирует. Не советую его разбирать ;)

Как вариант перед частотником поставить повышающий транс 220v - 460v и повезет если частотник не будет видеть что одной фазы нет :hehehe:
Китайский частотник что выдает 220в скорее всего его раскрутит но мосЧи вааабще не будет ;)

Без экспериментов никак, но за таку цену экспериментами заниматься :thinking:
Дилетанту сложные вещи кажутся очень простыми, и только профессионал понимает насколько сложна самая простая вещь
Кто хочет - ищет возможности, кто не хочет - ищет оправдание.
Найди работу по душе и тебе не придется работать.
S500
Мастер
Сообщения: 301
Зарегистрирован: 22 сен 2014, 18:25
Репутация: 57
Контактная информация:

Re: шпиндель коломбо colombo нужна помощь

Сообщение S500 »

Cаша нормально пускай покупает кто хочет все равно у продавца их 5 штук кто-то купит попробует и нам расскажет, а может тот кто купит ему нужна пересылка и я могу помоч переслать по запчастям....

а когда подшипники меняют ты шпиндель разбираеш а потом собираеш назад и работает нормально.

вот посмотри что пишут в инструкции этого шпинделя.

Конические подшипники ABEC7 или ABEC9 (в т.ч. с керамическими шариками)
обеспечивают прочность, жесткость и скорости вращения до 40 000 об/мин.
Все вращающиеся детали прошли высокоточную динамическую балансировку.
Легкость обслуживания подшипников обеспечивается модульной конструкции,
благодаря которой вал можно извлечь в любой момент и без последствий.
aftaev
Зачётный участник
Зачётный участник
Сообщения: 34042
Зарегистрирован: 04 апр 2010, 19:22
Репутация: 6194
Откуда: Казахстан.
Контактная информация:

Re: шпиндель коломбо colombo нужна помощь

Сообщение aftaev »

S500 писал(а):а когда подшипники меняют ты шпиндель разбираеш а потом собираеш назад и работает нормально.
но он не работает уже как новый
S500 писал(а):Все вращающиеся детали прошли высокоточную динамическую балансировку.
Правильно. Шпиндель собрали, на стенд кинули и от балансировали. А когда шпиндель разобрал не так гайку затянул балансировки уже нет.

Миша, найди мотор какой нибудь 3ф на 380в, возьми частотник на 380в и попробуй через трансформатор 220-380 подключить частотник :)
Дилетанту сложные вещи кажутся очень простыми, и только профессионал понимает насколько сложна самая простая вещь
Кто хочет - ищет возможности, кто не хочет - ищет оправдание.
Найди работу по душе и тебе не придется работать.
S500
Мастер
Сообщения: 301
Зарегистрирован: 22 сен 2014, 18:25
Репутация: 57
Контактная информация:

Re: шпиндель коломбо colombo нужна помощь

Сообщение S500 »

да вроде как я понял в инструкции написано что этот шпиндель можно разбирать, (вал можно извлечь в любой момент и без последствий) хотелось бы услышать от людей кто разбирал такой шпиндель или наподобие коломбо шпиндель разбирал и что этот человек скажит.

Cаша только жена выделила деньги можно купить эту игрушку и ты весь апетит перебил.

ты знаешь что частотник в 3 фазы у меня нет проблем на любое
напряжение. и мощность.

проблема в трансформаторе где его взять и в добавок на холостом ходу он будет жрать напряжение.

я уже думал узнать где можно перемотать обмотку этого мотора под 220 вольт и сколько будет стоить это удовольствие.

может дешевле купить готовый мотор...

http://www.ebay.com/itm/ag-sc-PDS-5-5HP ... 20ea571169
skyAlex
Мастер
Сообщения: 489
Зарегистрирован: 30 май 2014, 21:43
Репутация: 87
Откуда: Питер

Re: шпиндель коломбо colombo нужна помощь

Сообщение skyAlex »

Ну во первых первый шпиндель - это реально дорого, тем более с непонятной преспективой работы от 220.
Во вторых - торгуйся с ними! Вот этот шпиндель, который ты предложил за 4000$: http://www.ebay.com/itm/ag-sc-PDS-5-5HP ... 20ea571169
продавец мне на днях готов был отдать за 2200$, но меня смутили потертости на комплектной оправке - как будто в конусе проворачивало. Но если есть желание, дам тебе свой ник на ебее, скажешь что типо вот, я вместо этого перца хочу купить.
В третьих не выкладывай интересные лоты сюда, это тебе уже сказали)

Как пример, поторговавшись на ебее на днях взял БУ HSD 6.8кВт 24000об с автосменой за 2000$, и там вроде бы есть еще 8-) Правда доставку все равно через посредников(используйте Mail Forwarding, так не надо платить процент), напрямую они не шлют. И главное вписаться в 32кг вроде, у меня впритык)
aftaev
Зачётный участник
Зачётный участник
Сообщения: 34042
Зарегистрирован: 04 апр 2010, 19:22
Репутация: 6194
Откуда: Казахстан.
Контактная информация:

Re: шпиндель коломбо colombo нужна помощь

Сообщение aftaev »

S500 писал(а):ты знаешь что частотник в 3 фазы у меня нет проблем на любое напряжение. и мощность.
Знаю. Потому давно бы через транс уже попробовал из 220 сделать 380 и подать на частотник ;)
skyAlex писал(а): Правда доставку все равно через посредников(используйте Mail Forwarding, так не надо платить процент), напрямую они не шлют. И главное вписаться в 32кг вроде, у меня впритык
S500(Миша), из США и если что продавцы не отправляли, S500(Миша), разбирал и по кускам отправлял мне. Так с США покупал плазморезы весом под 50кг :) У него проблем с доставкой не будет из США в США :)
Дилетанту сложные вещи кажутся очень простыми, и только профессионал понимает насколько сложна самая простая вещь
Кто хочет - ищет возможности, кто не хочет - ищет оправдание.
Найди работу по душе и тебе не придется работать.
Аватара пользователя
NightV
Почётный участник
Почётный участник
Сообщения: 6610
Зарегистрирован: 30 дек 2011, 09:14
Репутация: 2279
Настоящее имя: Владимир Айрапетян
Откуда: Israel
Контактная информация:

Re: шпиндель коломбо colombo нужна помощь

Сообщение NightV »

aftaev писал(а):Потому давно бы через транс уже попробовал из 220 сделать 380 и подать на частотник
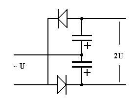
как запитать частотник 380 от сети 220
запитать его от удвоителя
sch.jpg
sch.jpg (9.49 КБ) 2956 просмотров

взято здесь ;) а ukr-sasha молчит как партизан :hehehe:
просто ссылку потерял, щас посидел, погуглил.. нашел! года 3 назад, повторил эту схему, работает :)

ПС
:attention: ВНИМАНИЕ! на выходе, высокое напряжение
Всё просто! если знаешь КАК!
Аватара пользователя
ukr-sasha
Мастер
Сообщения: 3401
Зарегистрирован: 21 мар 2011, 07:47
Репутация: 2181
Настоящее имя: Украинец Александр Григорьевич
Откуда: Киев, Украина
Контактная информация:

Re: шпиндель коломбо colombo нужна помощь

Сообщение ukr-sasha »

NightV писал(а):а ukr-sasha молчит как партизан
Когда метры говорят, особо добавлять нечего. :hehehe:
Только там далеко не 380В, а под 600В постоянки, как здесь предупредили:
NightV писал(а): ВНИМАНИЕ! на выходе, высокое напряжение
П.С. Т.к. в такой схеме всё равно на выходе два провода, то было, что в частотник 220В подал эти 600В. Так бахнуло, что чуть не опозорился. :hehehe: Разобрал - перепаял на входе варистор, и всё работает, как новый. Кстати, это был Tecorp.
Аватара пользователя
NightV
Почётный участник
Почётный участник
Сообщения: 6610
Зарегистрирован: 30 дек 2011, 09:14
Репутация: 2279
Настоящее имя: Владимир Айрапетян
Откуда: Israel
Контактная информация:

Re: шпиндель коломбо colombo нужна помощь

Сообщение NightV »

так в чем и прикол,
в частотнике на входе стоит диодный мост и кондеры после него, и там же контроль напряжения.
мы вместо переменки 380 подсовываем ему 600 вольт постоянки, которая ему и нужна после своего моста.
единственное, кондеры такие тяжело достать, купить их конечно можно, а вот чтоб нахаляву... не на каждой свалке их найдешь :)
Всё просто! если знаешь КАК!
aftaev
Зачётный участник
Зачётный участник
Сообщения: 34042
Зарегистрирован: 04 апр 2010, 19:22
Репутация: 6194
Откуда: Казахстан.
Контактная информация:

Re: шпиндель коломбо colombo нужна помощь

Сообщение aftaev »

ukr-sasha писал(а):Только там далеко не 380В, а под 600В постоянки, как здесь предупредили:
у Миши много частотников для экспериментов, он их пачками на мусорку складывает :)
NightV писал(а):единственное, кондеры такие тяжело достать, купить их конечно можно, а вот чтоб нахаляву... не на каждой свалке их найдешь
Миша их с частотников повыдергивает :)
Дилетанту сложные вещи кажутся очень простыми, и только профессионал понимает насколько сложна самая простая вещь
Кто хочет - ищет возможности, кто не хочет - ищет оправдание.
Найди работу по душе и тебе не придется работать.
Аватара пользователя
NightV
Почётный участник
Почётный участник
Сообщения: 6610
Зарегистрирован: 30 дек 2011, 09:14
Репутация: 2279
Настоящее имя: Владимир Айрапетян
Откуда: Israel
Контактная информация:

Re: шпиндель коломбо colombo нужна помощь

Сообщение NightV »

я с дохлого инверторного сварочника дернул :)
Всё просто! если знаешь КАК!
S500
Мастер
Сообщения: 301
Зарегистрирован: 22 сен 2014, 18:25
Репутация: 57
Контактная информация:

Re: шпиндель коломбо colombo нужна помощь

Сообщение S500 »

спасибо всем за помощь,
мне очень понравилось про конденсаторы и диоды, да проблем нет с конденсаторами и диодами я могу их взять с другого частотника, к примеру у меня сейчас которые я могу пустить их на этот проект.
получается пока я не буду покупать этот шпиндель,
а попозже зимою когда делать нечего буду делать эксперименты с этими конденсаторами.
вот мои частотники которые я могу пустить на этот проект как вы думаете можно с них что-то взять

Mitsubishi FR-F740-01800-NA
Mitsubishi FR-A520-5.5K

я так понял что надо выдрать конденсаторы и диоды соединить их подключить на другой частотник, где постоянное напряжение можно подключить.

еще раз всем большое спасибо.
Вложения
DSCF4081.JPG (2904 просмотра) <a class='original' href='./download/file.php?id=34023&mode=view' target=_blank>Загрузить оригинал (730.02 КБ)</a>
DSCF4085.JPG (2904 просмотра) <a class='original' href='./download/file.php?id=34024&mode=view' target=_blank>Загрузить оригинал (735.02 КБ)</a>
DSCF4094.JPG (2904 просмотра) <a class='original' href='./download/file.php?id=34025&mode=view' target=_blank>Загрузить оригинал (732.14 КБ)</a>
DSCF4093.JPG (2904 просмотра) <a class='original' href='./download/file.php?id=34026&mode=view' target=_blank>Загрузить оригинал (733.11 КБ)</a>
aftaev
Зачётный участник
Зачётный участник
Сообщения: 34042
Зарегистрирован: 04 апр 2010, 19:22
Репутация: 6194
Откуда: Казахстан.
Контактная информация:

Re: шпиндель коломбо colombo нужна помощь

Сообщение aftaev »

Яж говорю у Миши гора частотников. Щас он нормальные частотники на конденсаторы пустит :hehehe:
Дилетанту сложные вещи кажутся очень простыми, и только профессионал понимает насколько сложна самая простая вещь
Кто хочет - ищет возможности, кто не хочет - ищет оправдание.
Найди работу по душе и тебе не придется работать.
S500
Мастер
Сообщения: 301
Зарегистрирован: 22 сен 2014, 18:25
Репутация: 57
Контактная информация:

Re: шпиндель коломбо colombo нужна помощь

Сообщение S500 »

Cаша ну ты же не покупаешь эти частотники вот и получается их пустим на проект ничего страшного.
Аватара пользователя
mhael
Мастер
Сообщения: 2443
Зарегистрирован: 09 мар 2013, 11:22
Репутация: 769
Настоящее имя: Ильдар
Контактная информация:

Re: шпиндель коломбо colombo нужна помощь

Сообщение mhael »

aftaev, я ему пытался дать адресок, где принимают ненужные вещи. Миша говорит, что у него уже есть один, а второго ему не надо ;)
S500
Мастер
Сообщения: 301
Зарегистрирован: 22 сен 2014, 18:25
Репутация: 57
Контактная информация:

Re: шпиндель коломбо colombo нужна помощь

Сообщение S500 »

пожалуйста скажите,
у кого-нибудь есть любая информация как этот шпиндель (Colombo RA) устроен внутри.
любая информация фотографии электронной схемы видео что нибудь есть у кого нибудь.
спасибо.
aftaev
Зачётный участник
Зачётный участник
Сообщения: 34042
Зарегистрирован: 04 апр 2010, 19:22
Репутация: 6194
Откуда: Казахстан.
Контактная информация:

Re: шпиндель коломбо colombo нужна помощь

Сообщение aftaev »

S500 писал(а):любая информация фотографии электронной схемы
какая там электронная схема? Все что там если стоит это схема для индуктивных/емкосных датчиков (инструмент зажат/разжат)

Устройство будет примерно как у ELTE Разборка/Ремонт шпинделя ELTE #1

Номера подшипников можно запросить у производителя ;)
Дилетанту сложные вещи кажутся очень простыми, и только профессионал понимает насколько сложна самая простая вещь
Кто хочет - ищет возможности, кто не хочет - ищет оправдание.
Найди работу по душе и тебе не придется работать.
skyAlex
Мастер
Сообщения: 489
Зарегистрирован: 30 май 2014, 21:43
Репутация: 87
Откуда: Питер

Re: шпиндель коломбо colombo нужна помощь

Сообщение skyAlex »

S500 писал(а):у кого-нибудь есть любая информация как этот шпиндель (Colombo RA) устроен внутри.
любая информация фотографии электронной схемы видео что нибудь есть у кого нибудь.
Похвастайтесь хоть, что купили то?
S500
Мастер
Сообщения: 301
Зарегистрирован: 22 сен 2014, 18:25
Репутация: 57
Контактная информация:

Re: шпиндель коломбо colombo нужна помощь

Сообщение S500 »

нет покамись не купил но хочется, если быть уверен что можно обмотку мотора переключить треугольником. Купил бы нет проблем, а если надо и подшипники поменял бы.
интересно обмотку двигателя легко переключить или оно покрыто клей или бакситка.
Ответить

Вернуться в «Двигатели и шпиндели»