Подключение Концевых индукционных выключателей
Подключение Концевых индукционных выключателей
Добрый день.
Купил Индуктивный датчик LJ12A3-4-Z/BY PNP. Запитал от 12В и через резистор 1КОм подключил к плате cnc db25 breakout board к контакту Р10.
Напряжение на входе платы 10.6 В, при поднесении металлического предмета датчик срабатывает - напряжение становится 3.8 В. Однако при поиске нуля ОСЬ датчик проезжает ... хотя напряжение изменяется.
Где может быть проблема?
Купил Индуктивный датчик LJ12A3-4-Z/BY PNP. Запитал от 12В и через резистор 1КОм подключил к плате cnc db25 breakout board к контакту Р10.
Напряжение на входе платы 10.6 В, при поднесении металлического предмета датчик срабатывает - напряжение становится 3.8 В. Однако при поиске нуля ОСЬ датчик проезжает ... хотя напряжение изменяется.
Где может быть проблема?
- megagad
- Почётный участник

- Сообщения: 3208
- Зарегистрирован: 05 апр 2014, 18:57
- Репутация: 712
- Откуда: Реуспублика Крым, Бахчисарай.
- Контактная информация:
Re: Подключение Концевых индукционных выключателей
В модуле "поиска нуля" какие датчики указали? И собственно чем ищите этот "ноль"? ЕМЦ? МАЧ?shaky писал(а):Однако при поиске нуля ОСЬ датчик проезжает ... хотя напряжение изменяется.
Где может быть проблема?
We Do What We Must, Because We Can!
Причинять добро, наносить пользу и подвергать ласке.
Причинять добро, наносить пользу и подвергать ласке.
Re: Подключение Концевых индукционных выключателей
Использую ЕМС, а там вроде тип датчиков не указывается.
Re: Подключение Концевых индукционных выключателей
Меня смущают 3.8В при срабатывании датчика, по идее (при 5в питании платы) это еще логическая 1, а не ноль. Хотя я может и не прав...Ведь это LPT порт
- megagad
- Почётный участник

- Сообщения: 3208
- Зарегистрирован: 05 апр 2014, 18:57
- Репутация: 712
- Откуда: Реуспублика Крым, Бахчисарай.
- Контактная информация:
Re: Подключение Концевых индукционных выключателей
А при чём тут тип - вы указали какой пин мониторить ,чтоб сработал флаг "ноль"?shaky писал(а):Использую ЕМС, а там вроде тип датчиков не указывается.
Говоря проще - до этого концевики у вас были? Они были настроены?
We Do What We Must, Because We Can!
Причинять добро, наносить пользу и подвергать ласке.
Причинять добро, наносить пользу и подвергать ласке.
Re: Подключение Концевых индукционных выключателей
Концевики настроены не были т.к. станок полностью собрал сам. При наладке выставлял Ноmе+minLimit что-то подобное...)
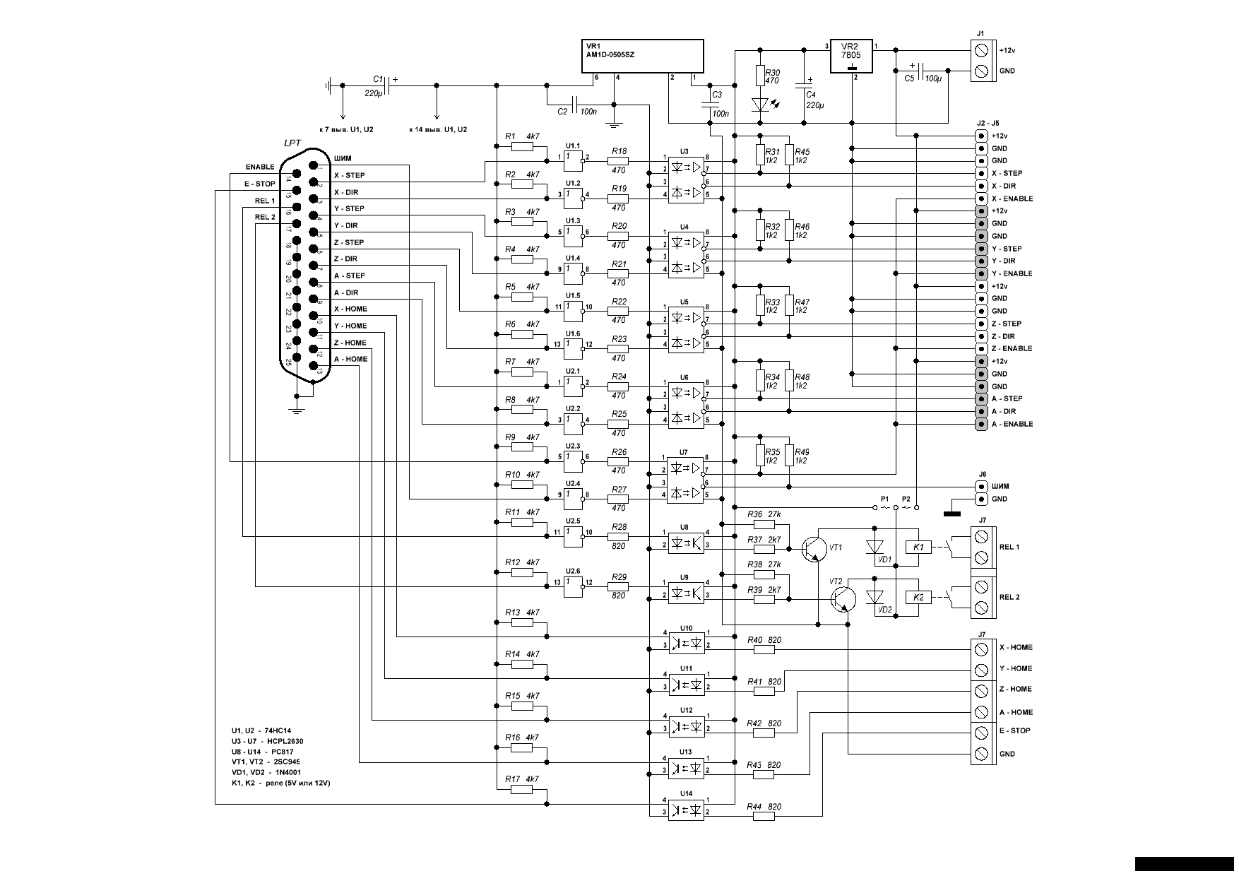
Подключил концевики по схеме на рис.5 http://www.purelogic.ru/files/downloads ... 12.pdf%20., т.к. на плате сопряжения стоит опторазвязка...
Измерил напряжение на выходе LPT порта: при замыкании концевика напряжение падает на 0.2 В - это явно не переход из "1" в "0"может кто с электроникой дружет, подскажет что делать
Подключил концевики по схеме на рис.5 http://www.purelogic.ru/files/downloads ... 12.pdf%20., т.к. на плате сопряжения стоит опторазвязка...
Измерил напряжение на выходе LPT порта: при замыкании концевика напряжение падает на 0.2 В - это явно не переход из "1" в "0"может кто с электроникой дружет, подскажет что делать
- megagad
- Почётный участник

- Сообщения: 3208
- Зарегистрирован: 05 апр 2014, 18:57
- Репутация: 712
- Откуда: Реуспублика Крым, Бахчисарай.
- Контактная информация:
Re: Подключение Концевых индукционных выключателей
ССылка битая. У вас какая плата опторазвязки? Может просто нужно поменять полярность? Если на входах стоят оптроны - глянуть, срабатывают-ли они. И не сожгли-ли вы их датчиком(не все оптроны любят 10в на входе
).
We Do What We Must, Because We Can!
Причинять добро, наносить пользу и подвергать ласке.
Причинять добро, наносить пользу и подвергать ласке.
Re: Подключение Концевых индукционных выключателей
За ссылку извините, битая - найти нормальную не смог...(
У меня на плате опторазвязка не сгорела, только что проверил путем замыкания на землю и с контролем светодиода, который повесил на соответствующий пин LPT порта.
Измерял ток через оптопару при замыкании, всего 0.3мА - этого явно мало, буду разбираться почему не подтягивает к земле. Кстати на плате стоят перемычки, которые опторазвязку сводят на нет -( это просто к сведению).
У меня на плате опторазвязка не сгорела, только что проверил путем замыкания на землю и с контролем светодиода, который повесил на соответствующий пин LPT порта.
Измерял ток через оптопару при замыкании, всего 0.3мА - этого явно мало, буду разбираться почему не подтягивает к земле. Кстати на плате стоят перемычки, которые опторазвязку сводят на нет -( это просто к сведению).
- megagad
- Почётный участник

- Сообщения: 3208
- Зарегистрирован: 05 апр 2014, 18:57
- Репутация: 712
- Откуда: Реуспублика Крым, Бахчисарай.
- Контактная информация:
Re: Подключение Концевых индукционных выключателей
Уже интересней - при подключённом датчике у вас оптрон должен быть "включённым" - на выходе должен быть ноль, иначе(сработал датчик) - светодиод тухнет и на выходе появляется единица(должна быть подтяжка выхода к +5в).
Собственно "классика" опторазвязки с "РобоЗоны": нужные нам оптроны - самые нижние пять штук. Смотрите как у вас подключено и сравнивайте.
Собственно "классика" опторазвязки с "РобоЗоны": нужные нам оптроны - самые нижние пять штук. Смотрите как у вас подключено и сравнивайте.
We Do What We Must, Because We Can!
Причинять добро, наносить пользу и подвергать ласке.
Причинять добро, наносить пользу и подвергать ласке.
Re: Подключение Концевых индукционных выключателей
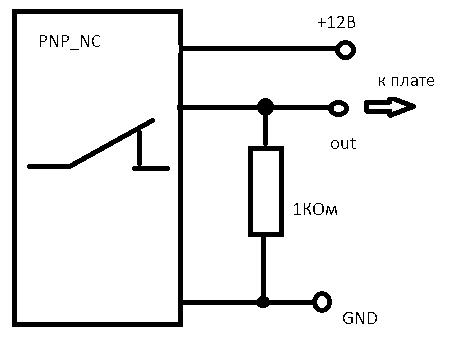
ОГРОМНОЕ спасибо за схему. Все стало на свои места. Думаю, что одно из решений должно работать, (завтра проверю и напишу результаты) . Во вторая схема интереснее тем, что при 12В питания датчика на плату управления подается только половина : 6В, а это хорошо для оптопары.
- Вложения
-
- при питании меньше 10В
- PNP_NC.png (1.17 КБ) 10299 просмотров
Re: Подключение Концевых индукционных выключателей
Эта схема интереснее тем, что при 12В питания датчика на плату управления подается только половина : 6В, а это хорошо для оптопары. И еще забыл дорисовать: нижний резистор 1КОм.
- Вложения
-
- Безымянный.png (1.31 КБ) 10298 просмотров
- megagad
- Почётный участник

- Сообщения: 3208
- Зарегистрирован: 05 апр 2014, 18:57
- Репутация: 712
- Откуда: Реуспублика Крым, Бахчисарай.
- Контактная информация:
Re: Подключение Концевых индукционных выключателей
Делитель конечно хорошо. За одним исключением - нужно смотреть, какой гасящий резистор стоит последовательно с входом оптрона - может получится так. что 6в может и не хватить на "включение" оптрона - просто не хватит напряжения.
We Do What We Must, Because We Can!
Причинять добро, наносить пользу и подвергать ласке.
Причинять добро, наносить пользу и подвергать ласке.
Re: Подключение Концевых индукционных выключателей
Ура, все заработало. ОГРОМНОЕ спасибо за помощь
- megagad
- Почётный участник

- Сообщения: 3208
- Зарегистрирован: 05 апр 2014, 18:57
- Репутация: 712
- Откуда: Реуспублика Крым, Бахчисарай.
- Контактная информация:
Re: Подключение Концевых индукционных выключателей
и? Решение угадывать? Что было-то?shaky писал(а):Ура, все заработало. ОГРОМНОЕ спасибо за помощь
We Do What We Must, Because We Can!
Причинять добро, наносить пользу и подвергать ласке.
Причинять добро, наносить пользу и подвергать ласке.
Re: Подключение Концевых индукционных выключателей
Я не правильно впаял резистор , просто ограничил ток на выходе датчика( а нижнего резистора на второй схеме не было), и как следствиет подтяжки к земле не было. Как только собрал вторую схему все ок.
- Kuzyakin
- Мастер
- Сообщения: 313
- Зарегистрирован: 08 фев 2013, 13:17
- Репутация: -5
- Настоящее имя: Роман
Re: Подключение Концевых индукционных выключателей
Помогите подключить датчики LJ12A3-4-ZBX (NPN) к такому контроллеру:
Есть такая схемка к нему:
Но я что-то в ней не могу до конца разобраться !
У датчика три провода синий , чёрный и коричневый .
Как я догадываюсь коричневый "+" подключаю к моему БП 24V , чёрный втыкаю в контроллер "GND" , синий в контроллер "IN1"
Кнопка E-Stop, если я правильно понял, подключается к контроллеру в разрыв между "GND" и "IN4" ?
Нашёл еще такую схему ,но тут еще какие-то резисторы впаиваются.. Заранее Спасибо!
У датчика три провода синий , чёрный и коричневый .
Как я догадываюсь коричневый "+" подключаю к моему БП 24V , чёрный втыкаю в контроллер "GND" , синий в контроллер "IN1"
Кнопка E-Stop, если я правильно понял, подключается к контроллеру в разрыв между "GND" и "IN4" ?
Нашёл еще такую схему ,но тут еще какие-то резисторы впаиваются.. Заранее Спасибо!
- Kuzyakin
- Мастер
- Сообщения: 313
- Зарегистрирован: 08 фев 2013, 13:17
- Репутация: -5
- Настоящее имя: Роман
Re: Подключение Концевых индукционных выключателей
Нда...,вот так упадешь на улице и ни кто не подойдет, не поможет. 
- michael-yurov
- Почётный участник

- Сообщения: 11731
- Зарегистрирован: 26 июл 2012, 00:10
- Репутация: 4703
- Настоящее имя: Михаил Львович
- Откуда: Новоуральск
- Контактная информация:
Re: Подключение Концевых индукционных выключателей
Предлагаешь купить такую плату, разобраться, и написать здесь ответ?Kuzyakin писал(а):Нда...,вот так упадешь на улице и ни кто не подойдет, не поможет.
-
Andy52280
- Мастер
- Сообщения: 827
- Зарегистрирован: 29 авг 2014, 19:29
- Репутация: 188
- Откуда: Тульская область
- Контактная информация:
Re: Подключение Концевых индукционных выключателей
Так вроде более подробно и некуда уже. Все же есть!
А вот насчет цветов проводов из датчика - вроде как у продавцов несколько иначе.
Информация о товаре
Активный концевой датчик LJ12A3-4-Z/BX NPN открытый, индуктивного типа, герметичный. Датчик предназначен для контроля положения движущихся объектов. Высокая повторяемость дистанции срабатывания. Применяется в качестве концевых и базовых датчиков ЧПУ осей. Срабатывает от стали, алюминия, меди, бронзы, свинца и т.д. Датчик не требует настройки, легко монтируется.
Характеристики:
Напряжение питания 6В ÷ 36В постоянного тока
Длина соединительного провода 1м.
Расстояние срабатывания датчика ~ 4мм
Индикация срабатывания - светодиод
Сопротивление изоляции 500 мОм
Рабочая температура 0 ÷ 50 °С
Маркировка проводов:
Коричневый – питание
Черный – выход (300mA)
Синий - общий, земля
А вот насчет цветов проводов из датчика - вроде как у продавцов несколько иначе.
Информация о товаре
Активный концевой датчик LJ12A3-4-Z/BX NPN открытый, индуктивного типа, герметичный. Датчик предназначен для контроля положения движущихся объектов. Высокая повторяемость дистанции срабатывания. Применяется в качестве концевых и базовых датчиков ЧПУ осей. Срабатывает от стали, алюминия, меди, бронзы, свинца и т.д. Датчик не требует настройки, легко монтируется.
Характеристики:
Напряжение питания 6В ÷ 36В постоянного тока
Длина соединительного провода 1м.
Расстояние срабатывания датчика ~ 4мм
Индикация срабатывания - светодиод
Сопротивление изоляции 500 мОм
Рабочая температура 0 ÷ 50 °С
Маркировка проводов:
Коричневый – питание
Черный – выход (300mA)
Синий - общий, земля
- michael-yurov
- Почётный участник

- Сообщения: 11731
- Зарегистрирован: 26 июл 2012, 00:10
- Репутация: 4703
- Настоящее имя: Михаил Львович
- Откуда: Новоуральск
- Контактная информация:
Re: Подключение Концевых индукционных выключателей
Вопрос напомни?
И, кстати, ты там писал, что черный подключаешь к gnd, а синий ко входу.
Вроде бы нужно наоборот.
И, кстати, ты там писал, что черный подключаешь к gnd, а синий ко входу.
Вроде бы нужно наоборот.