М-команды Linux CNC EMC2
- gecrby
- Новичок
- Сообщения: 18
- Зарегистрирован: 12 июн 2013, 23:22
- Репутация: 3
- Откуда: Mogilev
- Контактная информация:
М-команды Linux CNC EMC2
Добрый вечер,
прошу помощи в расширении М-команд Linux CNC EMC2.
Для включения/отключения исполнительных 4 устройств в гибочном станке использовать следующие М команды
1 исполнительный механизм М3 или М4 включить, М5 выключить
2 исполнительный механизм М7 иди М8 включить, М9 выключить
Как управлять оставшимися устройствами не знаю
3 исполнительный механизм ?? включить, ?? выключить
4 исполнительный механизм ?? включить, ?? выключить
Было бы достаточно добавить
M10 –пиноль вперед; M11 – пиноль назад;
M12 – зажим поворотной оси; M13 – разжим поворотной оси;
С чего начать и где, не представляю.
Спасибо.
P.S.
Управление через Driver 5 Axis Interfase Board HY-ZK-01
Проблему залипания реле в этом устройстве пока не убрал.
прошу помощи в расширении М-команд Linux CNC EMC2.
Для включения/отключения исполнительных 4 устройств в гибочном станке использовать следующие М команды
1 исполнительный механизм М3 или М4 включить, М5 выключить
2 исполнительный механизм М7 иди М8 включить, М9 выключить
Как управлять оставшимися устройствами не знаю
3 исполнительный механизм ?? включить, ?? выключить
4 исполнительный механизм ?? включить, ?? выключить
Было бы достаточно добавить
M10 –пиноль вперед; M11 – пиноль назад;
M12 – зажим поворотной оси; M13 – разжим поворотной оси;
С чего начать и где, не представляю.
Спасибо.
P.S.
Управление через Driver 5 Axis Interfase Board HY-ZK-01
Проблему залипания реле в этом устройстве пока не убрал.
-
nkp
- Мастер
- Сообщения: 8340
- Зарегистрирован: 28 ноя 2011, 00:25
- Репутация: 1589
- Контактная информация:
Re: М-команды Linux CNC EMC2
можно пойти несколькими путями:gecrby писал(а):M10 –пиноль вперед; M11 – пиноль назад;M12 – зажим поворотной оси; M13 – разжим поворотной оси;
если версия емс 2.6 - то определить именно указанные коды
другой вариант - создать коды навроде М111 ,М112 и т.д. - с тем же функционалом
==============
создаем файл с названием допустим M112
в него пишем:
#!/bin/bash
halcmd setp parport.0.pin-14-out True
exit 0
ложим в папку с ж-кодами ,указанную в ини файле в разделе "DISPLAY"
делаем файл исполняемым
-----------------
теперь при выполнении кода M112 пин парпорта 14 станет активным - к нему цепляем реле (к примеру)
-
nkp
- Мастер
- Сообщения: 8340
- Зарегистрирован: 28 ноя 2011, 00:25
- Репутация: 1589
- Контактная информация:
Re: М-команды Linux CNC EMC2
если программа пишеться с помощью CAMa , и на выходе имеем как раз М10,11,12,13 - то можно прописать в фильтре емс замены (к примеру там
где встретим М12 - выполнять М112)
и так для всех подобных пар...
где встретим М12 - выполнять М112)
и так для всех подобных пар...
-
nkp
- Мастер
- Сообщения: 8340
- Зарегистрирован: 28 ноя 2011, 00:25
- Репутация: 1589
- Контактная информация:
Re: М-команды Linux CNC EMC2
с таким же успехом можно использовать коды M64 - M65
команда M64 P0 - сделает активным пин motion.digital-out-00
к нему коннектим нужный пин порта или платы меса например
команда M65 P0 - "выключит" наш пин
-----------
таких пинов можно прописать необходимое количество...
команда M64 P0 - сделает активным пин motion.digital-out-00
к нему коннектим нужный пин порта или платы меса например
команда M65 P0 - "выключит" наш пин
-----------
таких пинов можно прописать необходимое количество...
- Nick
- Мастер
- Сообщения: 22776
- Зарегистрирован: 23 ноя 2009, 16:45
- Репутация: 1735
- Заслуга: Developer
- Откуда: Gatchina, Saint-Petersburg distr., Russia
- Контактная информация:
Re: М-команды Linux CNC EMC2
Да, лучше всего использовать стандартные M64-M65 и просто менять номера выходных пинов.
- gecrby
- Новичок
- Сообщения: 18
- Зарегистрирован: 12 июн 2013, 23:22
- Репутация: 3
- Откуда: Mogilev
- Контактная информация:
Re: М-команды Linux CNC EMC2
Спасибо, беру паузу, при первом успехе все подробно опишем.nkp писал(а):с таким же успехом можно использовать коды M64 - M65
команда M64 P0 - сделает активным пин motion.digital-out-00
к нему коннектим нужный пин порта или платы меса например
команда M65 P0 - "выключит" наш пин
-----------
таких пинов можно прописать необходимое количество...
- gecrby
- Новичок
- Сообщения: 18
- Зарегистрирован: 12 июн 2013, 23:22
- Репутация: 3
- Откуда: Mogilev
- Контактная информация:
Re: М-команды Linux CNC EMC2
Если не трудно по шагам подскажите в каких конфигурационных файлах следует сделать изменения для команд М64/М65, чтобы они стали доступны в axis.ngc.
P.S.
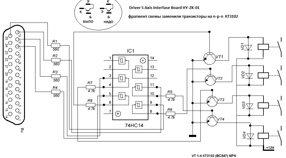
Driver 5 Axis Interfase Board HY-ZK-01
Проблему залипания реле в этом устройстве убрал, фрагмент схемы в приложении
P.S.
Driver 5 Axis Interfase Board HY-ZK-01
Проблему залипания реле в этом устройстве убрал, фрагмент схемы в приложении
-
nkp
- Мастер
- Сообщения: 8340
- Зарегистрирован: 28 ноя 2011, 00:25
- Репутация: 1589
- Контактная информация:
Re: М-команды Linux CNC EMC2
как вариант - пишем в standard_pinout.hal внизу:
net pin-M64_1 motion.digital-out-00 parport.0.pin-03-out
теперь в любую программу (ж-код) пишем где то в середине :
M64 P0
а в конце:
M65 P0
запускаем, проверяем - пин 03 парпорта после первой команды - "включается"
после второй - "выключается" программа для примера: зы
номер пина парпорта поставить нужный (свободный)
net pin-M64_1 motion.digital-out-00 parport.0.pin-03-out
теперь в любую программу (ж-код) пишем где то в середине :
M64 P0
а в конце:
M65 P0
запускаем, проверяем - пин 03 парпорта после первой команды - "включается"
после второй - "выключается" программа для примера: зы
номер пина парпорта поставить нужный (свободный)
- gecrby
- Новичок
- Сообщения: 18
- Зарегистрирован: 12 июн 2013, 23:22
- Репутация: 3
- Откуда: Mogilev
- Контактная информация:
Re: М-команды Linux CNC EMC2
Спасибо, все заработало.
M64 P0, M64 P1,M64 P2, M64 P3 - включают реле
M65 P0, M65 P1,M65 P2, M65 P3 - выключают
P.S. После проверки кода будем пытаться заменить закрытое китайскими друзьями ПО на гибочном станке.
В нем установлены серво привод 2, 1.5 и 0.6 кВт. с контроллерами, но это новая тема...
Спасибо!
M64 P0, M64 P1,M64 P2, M64 P3 - включают реле
M65 P0, M65 P1,M65 P2, M65 P3 - выключают
P.S. После проверки кода будем пытаться заменить закрытое китайскими друзьями ПО на гибочном станке.
В нем установлены серво привод 2, 1.5 и 0.6 кВт. с контроллерами, но это новая тема...
Спасибо!
-
Ace of spades
- Новичок
- Сообщения: 12
- Зарегистрирован: 22 авг 2014, 15:03
- Репутация: 0
- Контактная информация:
Re: М-команды Linux CNC EMC2
Здравствуйте!nkp писал(а):если версия емс 2.6 - то определить именно указанные коды
Подскажите как именно определить указанные коды?
У меня станок 16А20. Я хочу научить ЧПУ работать с платой БУ вместо старой НЦ31.
Мне необходимо по команде М2, М3, М5, М6, М8, М9, М30, М38, М39, М40 установить выходной исгнал "Будет смена М" и код Мкоманды в двоично десятичном виде на выход ЧПУ(на вход БУ), и по входному сигналу от платы БУ(входЧПУ) "Разрешение ввода кадра" определить что Мкоманда отработала правильно и разрешить дальнейшее выполнение программы.
- verser
- Мастер
- Сообщения: 1905
- Зарегистрирован: 21 июл 2013, 22:28
- Репутация: 1282
- Настоящее имя: Сергей
- Откуда: Тбилиси
- Контактная информация:
Re: М-команды Linux CNC EMC2
http://linuxcnc.org/docs/html/remap/str ... _remappingAce of spades писал(а):Здравствуйте!nkp писал(а):если версия емс 2.6 - то определить именно указанные коды
Подскажите как именно определить указанные коды?
-
Ace of spades
- Новичок
- Сообщения: 12
- Зарегистрирован: 22 авг 2014, 15:03
- Репутация: 0
- Контактная информация:
Re: М-команды Linux CNC EMC2
verser спасибо!
Немного начал везжать
Насколько я понял, если в INI файле прописать:
REMAP=M40 ngc=m40
то по команде М40 у меня начнет выполнятся файл m40.ngc.
А как мне сказать из этого файла в HAL что прошла команда М40
и по выполнению электроавтоматикой этой команды
сказать системе что команда отработала
?
Немного начал везжать
Насколько я понял, если в INI файле прописать:
REMAP=M40 ngc=m40
то по команде М40 у меня начнет выполнятся файл m40.ngc.
А как мне сказать из этого файла в HAL что прошла команда М40
-
nkp
- Мастер
- Сообщения: 8340
- Зарегистрирован: 28 ноя 2011, 00:25
- Репутация: 1589
- Контактная информация:
Re: М-команды Linux CNC EMC2
что за плата - "БУ" ??Ace of spades писал(а):Я хочу научить ЧПУ работать с платой БУ вместо старой НЦ31.Мне необходимо по команде М2, М3, М5, М6, М8, М9, М30, М38, М39, М40 установить выходной исгнал "Будет смена М" и код Мкоманды в двоично десятичном виде на выход ЧПУ(на вход БУ), и по входному сигналу от платы БУ(входЧПУ) "Разрешение ввода кадра" определить что Мкоманда отработала правильно и разрешить дальнейшее выполнение программы.
может какой талмуд есть?
смена инструмента на токарную голову неоднократно описана на форуме...
-
Ace of spades
- Новичок
- Сообщения: 12
- Зарегистрирован: 22 авг 2014, 15:03
- Репутация: 0
- Контактная информация:
Re: М-команды Linux CNC EMC2
Это плата управления электроавтоматикой станка.nkp писал(а):что за плата - "БУ" ??
Она получает от чпу сигналы "Будет смена М" или "Будут смена Т", двоично-десятичный код М или Т команды и сигнал "Считывание" и после последнего снимает сигнал "Разрещение ввода кадра(РВК)" и выполняет полученую М или Т команду. После выполнения команды плата снова выставляет сичнал "РВК" и чпу может снова обрабатывать М иТ команды.
- Serg
- Мастер
- Сообщения: 21923
- Зарегистрирован: 17 апр 2012, 14:58
- Репутация: 5183
- Заслуга: c781c134843e0c1a3de9
- Настоящее имя: Сергей
- Откуда: Москва
- Контактная информация:
Re: М-команды Linux CNC EMC2
Например с помощью halcmd можно не только поменять значение любого пина, но и даже изменить конфигурацию HAL "на лету"...Ace of spades писал(а):А как мне сказать из этого файла в HAL что прошла команда М40и по выполнению электроавтоматикой этой команды
сказать системе что команда отработала
?
Я не Христос, рыбу не раздаю, но могу научить, как сделать удочку...
-
Ace of spades
- Новичок
- Сообщения: 12
- Зарегистрирован: 22 авг 2014, 15:03
- Репутация: 0
- Контактная информация:
Re: М-команды Linux CNC EMC2
Для того чтобы менять любые пины нужно сначала их создать.UAVpilot писал(а):Например с помощью halcmd можно не только поменять значение любого пина, но и даже изменить конфигурацию HAL "на лету"...
Вопрос остаётся как его создать!
Ace of spades писал(а):А как мне сказать из этого файла в HAL что прошла команда М40
- Serg
- Мастер
- Сообщения: 21923
- Зарегистрирован: 17 апр 2012, 14:58
- Репутация: 5183
- Заслуга: c781c134843e0c1a3de9
- Настоящее имя: Сергей
- Откуда: Москва
- Контактная информация:
Re: М-команды Linux CNC EMC2
Что значит "как создать"? Нужно написать HAL-конфиг для вашего случая или процитировать документацию?Ace of spades писал(а):Вопрос остаётся как его создать!
Я не Христос, рыбу не раздаю, но могу научить, как сделать удочку...
-
nkp
- Мастер
- Сообщения: 8340
- Зарегистрирован: 28 ноя 2011, 00:25
- Репутация: 1589
- Контактная информация:
Re: М-команды Linux CNC EMC2
в файл M40.ngc прописать:Ace of spades писал(а):А как мне сказать из этого файла в HAL что прошла команда М40
Код: Выделить всё
M64 P0=========
по плате бу:
это плата от нц-31 ???
что будет использоваться с емс2 в станке???
если меса - то зачем тогда плата бу ???
можно в двух словах о плане модернизации станка???
-
Ace of spades
- Новичок
- Сообщения: 12
- Зарегистрирован: 22 авг 2014, 15:03
- Репутация: 0
- Контактная информация:
Re: М-команды Linux CNC EMC2
Плата БУ от НЦ31.nkp писал(а):по плате бу:
это плата от нц-31 ???
что будет использоваться с емс2 в станке???
если меса - то зачем тогда плата бу ???
можно в двух словах о плане модернизации станка???
Оставляю её по 2 причи нам:
- она два года назад была заменена на современный аналог на новой элементной базе;
- это сокращает обемы работ по замене чпу.
Купил месу 7и77 к ней хочу подключить датчики, цапы и связы с БУ.
Станок пока работает со старой НЦхой. Ламать её не спешу пока месу не запущу.
А как чпухе сказать что команда выполняется или выполнена, или если через какоето время она не выполнится то произошла ошибка электроавтоматики?nkp писал(а):в файл M40.ngc прописать:
M64 P0
-
nkp
- Мастер
- Сообщения: 8340
- Зарегистрирован: 28 ноя 2011, 00:25
- Репутация: 1589
- Контактная информация:
Re: М-команды Linux CNC EMC2
этого хватает для 16а20 без танцев с бу ...Ace of spades писал(а):Купил месу 7и77
(но тут конечно - хозяин - барин...)
============
вот кусок ладдера(схема электроавтоматики)Ace of spades писал(а):А как чпухе сказать
(кстати - это кусок от полной схемаы для смены инструмента токарника): смысл тут простой - если за время таймера (20с в примере) пин не изменится - включаем "выход"
=============
имхо - сделай на месе смену - все уже отработано...(я помогу если что))
Последний раз редактировалось nkp 26 авг 2014, 16:56, всего редактировалось 1 раз.
