Подключение частотника к контроллеру чпу

Шаговые и серво двигатели, шпиндели, инверторы.
Gaspar
Кандидат
Сообщения: 91
Зарегистрирован: 06 апр 2013, 10:37
Репутация: 2
Откуда: Украина, Киев
Контактная информация:

Подключение частотника к контроллеру чпу

Сообщение Gaspar »

Здравствуйте.
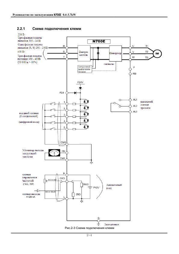
Помогите пожалуйста правильно подключить частотник Hyundai N700E-022SF к контроллеру станка, для вкл/выкл и управления скоростью шпинделя, и как правильно настроить запуск шпинделя в mach3 и linuxCNC.
Контроллер:
default.jpeg (11194 просмотра) <a class='original' href='./download/file.php?id=14682&mode=view' target=_blank>Загрузить оригинал (148.79 КБ)</a>
Частотник:
N700E_Manual_0.4~3.7kW_2_copy_014.jpg (11194 просмотра) <a class='original' href='./download/file.php?id=14683&mode=view' target=_blank>Загрузить оригинал (45.23 КБ)</a>
Мануал к частотнику:
N700E_Manual_0.4~3.7kW_2_copy.pdf
(2.01 МБ) 1219 скачиваний
aftaev
Зачётный участник
Зачётный участник
Сообщения: 34042
Зарегистрирован: 04 апр 2010, 19:22
Репутация: 6194
Откуда: Казахстан.
Контактная информация:

Re: Подключение частотника к контроллеру чпу

Сообщение aftaev »

настраиваешь входы частотника так чтобы при замыкании их мотор вращался. Вот эти пины подключаешь к плате что на фото к контактам реле
Дилетанту сложные вещи кажутся очень простыми, и только профессионал понимает насколько сложна самая простая вещь
Кто хочет - ищет возможности, кто не хочет - ищет оправдание.
Найди работу по душе и тебе не придется работать.
Gaspar
Кандидат
Сообщения: 91
Зарегистрирован: 06 апр 2013, 10:37
Репутация: 2
Откуда: Украина, Киев
Контактная информация:

Re: Подключение частотника к контроллеру чпу

Сообщение Gaspar »

aftaev писал(а):настраиваешь входы частотника так чтобы при замыкании их мотор вращался. Вот эти пины подключаешь к плате что на фото к контактам реле
С запуском и остановкой более понятно.
100.JPG (11123 просмотра) <a class='original' href='./download/file.php?id=14712&mode=view' target=_blank>Загрузить оригинал (17.84 КБ)</a>
Но как правильно подключить аналоговое управление частотой?
101.JPG (11123 просмотра) <a class='original' href='./download/file.php?id=14713&mode=view' target=_blank>Загрузить оригинал (25.25 КБ)</a>
102.JPG (11123 просмотра) <a class='original' href='./download/file.php?id=14714&mode=view' target=_blank>Загрузить оригинал (97.25 КБ)</a>
На плате контроллера есть выходы P1-PWM (ШИМ)
104.JPG
104.JPG (8.62 КБ) 11120 просмотров
и 0-10в
103.JPG (11120 просмотров) <a class='original' href='./download/file.php?id=14715&mode=view' target=_blank>Загрузить оригинал (13.71 КБ)</a>
, куда их подключать к частотнику?
Последний раз редактировалось Gaspar 19 май 2013, 00:45, всего редактировалось 2 раза.
Gaspar
Кандидат
Сообщения: 91
Зарегистрирован: 06 апр 2013, 10:37
Репутация: 2
Откуда: Украина, Киев
Контактная информация:

Re: Подключение частотника к контроллеру чпу

Сообщение Gaspar »

Там подключение через RS485, у меня его пока нету, надо дополнительно покупать.
Хочу подключить частотник через аналоговые входы и выходы.
Аватара пользователя
elephant007
Мастер
Сообщения: 857
Зарегистрирован: 18 ноя 2012, 13:12
Репутация: 332
Откуда: Сибирь, Томск
Контактная информация:

Re: Подключение частотника к контроллеру чпу

Сообщение elephant007 »

затраты не великие, зато получаешь проверенное решение и готовый интерфейс.
Аватара пользователя
Сергей Саныч
Мастер
Сообщения: 9116
Зарегистрирован: 30 май 2012, 14:20
Репутация: 2858
Откуда: Тюмень
Контактная информация:

Re: Подключение частотника к контроллеру чпу

Сообщение Сергей Саныч »

elephant007 писал(а):затраты не великие, зато получаешь проверенное решение и готовый интерфейс.
я тоже поначалу собирался управлять через аналоговый интерфейс, а потом решился на RS485 и не жалею :) Несмотря на то, что кроме адаптера USB-RS485 нужно конкретно к этим частотникам (N700E малой мощности) докупать еще и сменную "морду"
Штатная панель и модуль интерфейса (11100 просмотров) <a class='original' href='./download/file.php?id=14725&mode=view' target=_blank>Загрузить оригинал (1.92 МБ)</a>
Штатная панель и модуль интерфейса
Чудес не бывает. Бывают фокусы.
Gaspar
Кандидат
Сообщения: 91
Зарегистрирован: 06 апр 2013, 10:37
Репутация: 2
Откуда: Украина, Киев
Контактная информация:

Re: Подключение частотника к контроллеру чпу

Сообщение Gaspar »

Serg-tmn писал(а):я тоже поначалу собирался управлять через аналоговый интерфейс, а потом решился на RS485 и не жалею Несмотря на то, что кроме адаптера USB-RS485 нужно конкретно к этим частотникам (N700E малой мощности) докупать еще и сменную "морду"
Позже может и куплю "сменную морду", но сначала хочу попробовать аналоговое управление.
Вы знаете как правильно подключить через аналоговый интерфейс?
Аватара пользователя
Сергей Саныч
Мастер
Сообщения: 9116
Зарегистрирован: 30 май 2012, 14:20
Репутация: 2858
Откуда: Тюмень
Контактная информация:

Re: Подключение частотника к контроллеру чпу

Сообщение Сергей Саныч »

Выход Speed control output. Минус на L частотника, плюс на O/OI
Параметр A51 установить в 1.
Чудес не бывает. Бывают фокусы.
Gaspar
Кандидат
Сообщения: 91
Зарегистрирован: 06 апр 2013, 10:37
Репутация: 2
Откуда: Украина, Киев
Контактная информация:

Re: Подключение частотника к контроллеру чпу

Сообщение Gaspar »

Serg-tmn писал(а):Выход Speed control output. Минус на L частотника, плюс на O/OIПараметр A51 установить в 1.
А P1-PWM разве не используется?
Настройки же в маче есть.
105.JPG
105.JPG (13.26 КБ) 11070 просмотров
106.JPG (11070 просмотров) <a class='original' href='./download/file.php?id=14740&mode=view' target=_blank>Загрузить оригинал (62.63 КБ)</a>
Аватара пользователя
Сергей Саныч
Мастер
Сообщения: 9116
Зарегистрирован: 30 май 2012, 14:20
Репутация: 2858
Откуда: Тюмень
Контактная информация:

Re: Подключение частотника к контроллеру чпу

Сообщение Сергей Саныч »

Если (если!) я правильно понял, то этот контроллер содержит joint frequency converter, то бишь преобразователь ШИМ (PWM) в напряжение. Можно использовать его, можно внешний - тогда используется выход PWM. Настройки Мача, судя по всему, одинаковы для обоих случаев.
Проще всего проверить подключив вольтметр к выходу Speed control output (без частотника) и пробовать регулировать скорость. Напряжение должно меняться от 0 до примерно 10 вольт.
Если есть сомнения (а у меня они есть :) ), то сфотографируйте крупно правый нижний угол контроллера, где 8-ногая микросхема, или просто сообщите ее обозначение. Интересно также, есть ли детали на обратной стороне платы.
Чудес не бывает. Бывают фокусы.
Gaspar
Кандидат
Сообщения: 91
Зарегистрирован: 06 апр 2013, 10:37
Репутация: 2
Откуда: Украина, Киев
Контактная информация:

Re: Подключение частотника к контроллеру чпу

Сообщение Gaspar »

Serg-tmn писал(а):Если (если!) я правильно понял, то этот контроллер содержит joint frequency converter, то бишь преобразователь ШИМ (PWM) в напряжение.
Вы правильно поняли.
Serg-tmn писал(а):Проще всего проверить подключив вольтметр к выходу Speed control output (без частотника) и пробовать регулировать скорость. Напряжение должно меняться от 0 до примерно 10 вольт.
По началу напряжение было 10 вольт и не регулировалось, но после того как я в маче активировал первый пин напряжение начало меняться.
107.JPG (11022 просмотра) <a class='original' href='./download/file.php?id=14803&mode=view' target=_blank>Загрузить оригинал (45.94 КБ)</a>
108.JPG
108.JPG (13.93 КБ) 11022 просмотра
Serg-tmn писал(а):Выход Speed control output. Минус на L частотника, плюс на O/OIПараметр A51 установить в 1.
Сделал как вы описали, шпиндель не запускается.
Может ещё какие-то настройки надо менять?
Завтра с утра буду ещё разбираться.
Аватара пользователя
Сергей Саныч
Мастер
Сообщения: 9116
Зарегистрирован: 30 май 2012, 14:20
Репутация: 2858
Откуда: Тюмень
Контактная информация:

Re: Подключение частотника к контроллеру чпу

Сообщение Сергей Саныч »

А вручную (кнопкой RUN) на инверторе включается?
Для управления частотой от аналогового входа нужно еще поставить A01 = 1, A02 = 1, A05 = 0.00, A06 = 400.00
Чудес не бывает. Бывают фокусы.
Gaspar
Кандидат
Сообщения: 91
Зарегистрирован: 06 апр 2013, 10:37
Репутация: 2
Откуда: Украина, Киев
Контактная информация:

Re: Подключение частотника к контроллеру чпу

Сообщение Gaspar »

Стартовать частотник должен по команде 0-10 вольт или при замыкании клем FW и CM1 а потом уже регулировка напряжением?
Я не подсоединял к реле контроллера клемы частотника FW и CM1 и похоже что из за этого у меня не запускался шпиндель.
Завтра проверю.
Аватара пользователя
Сергей Саныч
Мастер
Сообщения: 9116
Зарегистрирован: 30 май 2012, 14:20
Репутация: 2858
Откуда: Тюмень
Контактная информация:

Re: Подключение частотника к контроллеру чпу

Сообщение Сергей Саныч »

Gaspar писал(а):Я не подсоединял к реле контроллера клемы частотника FW и CM1 и похоже что из за этого у меня не запускался шпиндель.
Да. Задание скорости - отдельно, включение - отдельно.
Чудес не бывает. Бывают фокусы.
Gaspar
Кандидат
Сообщения: 91
Зарегистрирован: 06 апр 2013, 10:37
Репутация: 2
Откуда: Украина, Киев
Контактная информация:

Re: Подключение частотника к контроллеру чпу

Сообщение Gaspar »

Подключил клемы частотника FW и CM1 к реле контроллера и шпиндель заработал :D
Спасибо Serg-tmn за помощь :good:
Теперь всё отлично работает, единственное что не нравится так это разница оборотов которые показывает частотник и MACH3.
Возможно ли исправить разность показаний оборотов?
Аватара пользователя
Сергей Саныч
Мастер
Сообщения: 9116
Зарегистрирован: 30 май 2012, 14:20
Репутация: 2858
Откуда: Тюмень
Контактная информация:

Re: Подключение частотника к контроллеру чпу

Сообщение Сергей Саныч »

Gaspar писал(а):Возможно ли исправить разность показаний оборотов?
Попробуй поиграться с параметрами А05-А08
Чудес не бывает. Бывают фокусы.
Denizzy
Новичок
Сообщения: 5
Зарегистрирован: 27 мар 2014, 21:53
Репутация: 0
Контактная информация:

Re: Подключение частотника к контроллеру чпу

Сообщение Denizzy »

Сергей Саныч писал(а):
elephant007 писал(а):затраты не великие, зато получаешь проверенное решение и готовый интерфейс.
я тоже поначалу собирался управлять через аналоговый интерфейс, а потом решился на RS485 и не жалею :) Несмотря на то, что кроме адаптера USB-RS485 нужно конкретно к этим частотникам (N700E малой мощности) докупать еще и сменную "морду"
Адаптер.png
Уважаемый Сергей Саныч! Сделай доброе дело подскажи пожалуйста. Каким образом можно управлять частотником N700E в Mache через modbus. Проблема в том, что я ни как не могу сообразить каким макаром можно обращаться к другому регистру для управления оборотами. Итак, переделал макросы:

M3
SetModOutput(0,0)
DoSpinCW()
SetModOutput(0,1)

M4
SetModOutput(0,0)
DoSpinCCW()
SetModOutput(0,2)

M5
SetModOutput(0,0)
DoSpinStop()

M3, M4, M5 - все прекрасно работает, т.к. в настройке поллинга указан адрес 2 регистра и я в нем изменяю его значения...

Проблема заключается в том, что я не понимаю как обратиться к 4-ому регистру и как в нем менять значения
--------------------------------------------------------------------------------------------------------------------------
Для справки остальным пользователям у кого такой частотник и не знает какие регистры куда
Hyundai N700E

Addr.--Start.--#Reg.--Date
--1-------2--------1-------0---------STOP
--1-------2--------1-------1---------CW
--1-------2--------1-------2---------CCW

--1-------4--------1-------...--------Chastota (zadavat`: CHASTOTA x 100, t.e. 400000-MAX = 400Hz)
---------------------------------------------------------------------------------------------------------------------------
Аватара пользователя
Сергей Саныч
Мастер
Сообщения: 9116
Зарегистрирован: 30 май 2012, 14:20
Репутация: 2858
Откуда: Тюмень
Контактная информация:

Re: Подключение частотника к контроллеру чпу

Сообщение Сергей Саныч »

К сожалению, как управлять Modbus в Mach, я не знаю, поскольку работаю в LinuxCNC.
Если что, обсуждалось здесь - но тоже про LCNCУправление частотником через modbus. #1
Чудес не бывает. Бывают фокусы.
Denizzy
Новичок
Сообщения: 5
Зарегистрирован: 27 мар 2014, 21:53
Репутация: 0
Контактная информация:

Re: Подключение частотника к контроллеру чпу

Сообщение Denizzy »

Сергей Саныч писал(а):К сожалению, как управлять Modbus в Mach, я не знаю, поскольку работаю в LinuxCNC.
Если что, обсуждалось здесь - но тоже про LCNCУправление частотником через modbus. #1
Жалко... Будем дальше моцк поломать. Спасибо за наводку!

А может кто на форуме уже реализовал данный сабж (или похожий - с разными регистрами)? Народ откликнитесь пожалуйста!

Предположение возникло - нужно в Mache что-то с brain`ом мутить. Самое хреновое, что я с "мозгом" не работал исчо, ну как говориться всегда случается что-то в первый раз.

Если что-нить получится надо здесь будет выложить, чтоб народ не мучился...
Ответить

Вернуться в «Двигатели и шпиндели»