Рабочее поле:500*200*300
Обрабатываемые материалы:[сталь]
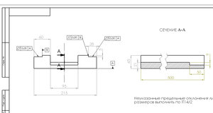
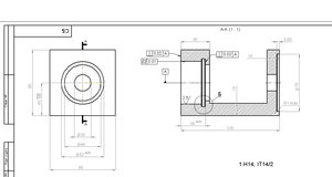
Чертежи, фото, видео станка:
Примеры изделий (фото):
Вопросы:
Что пробовал:
Что получилось:[станина]
Что не получилось:
Ориентировочный бюджет:[300к]
Здравствуйте, уважаемые форумчане. Долгое время уже обитаю на этом форуме(с 2014) в режиме "read only". Вот и настала моя очередь
ЧПУ станками начал увлекаться очень давно. Первые станок, наверное как и у большинства, планировался из фанеры и шпилек. Время шло, человеко-часы, проведенные на форуме копились. Приходило понимание, что станок должен быть жесткий. И вот, в один прекрасный вечер я наткнулся на проект фрезера из бетона "Малыш".
Впечатление было сильным. С этого момента , в голове засела идея сделать станину из бетона. Параллельно начала развиваться еще одна "болезнь". Я бы назвал ее "железоманией". Все железяки(нужные и ненужные) тащились к себе в нору. Это здорово било по карману.
Примерно год назад, в период осеннего "обострения", без проекта и чертежей сделал станину. Энтузиазма вначале было хоть отбавляй.
Все-таки начального запала хватило на изготовление станины. И вот, спустя год выдержки, с поддержкой форумчан, надеюсь воплотить этот проект в жизнь.
P.S. пока проект не перерос в еще более монументального монстра
