CNC2030 как подключить фрезу если нет 380 вольт

Фрезерные и гравировальные станки для обработки мягких материалов (дерево, пластики, мягкие металлы).
xan1980
Новичок
Сообщения: 4
Зарегистрирован: 18 янв 2017, 09:41
Репутация: 0
Настоящее имя: Ерлан Маратович Наурызбаев
Контактная информация:

CNC2030 как подключить фрезу если нет 380 вольт

Сообщение xan1980 »

как подключить фрезу с 380 вольт на 220 вольт
Вложения
IMG_20170118_100705.jpg (2675 просмотров) <a class='original' href='./download/file.php?id=100379&mode=view' target=_blank>Загрузить оригинал (2.93 МБ)</a>
IMG_20170118_100736.jpg (2675 просмотров) <a class='original' href='./download/file.php?id=100380&mode=view' target=_blank>Загрузить оригинал (3.17 МБ)</a>
IMG_20170118_100742.jpg (2675 просмотров) <a class='original' href='./download/file.php?id=100381&mode=view' target=_blank>Загрузить оригинал (3.93 МБ)</a>
NikolayUa24
Мастер
Сообщения: 1407
Зарегистрирован: 31 июл 2013, 20:05
Репутация: 256
Настоящее имя: Николай
Контактная информация:

Re: CNC2030 как подключить фрезу если нет 380 вольт

Сообщение NikolayUa24 »

xan1980 писал(а): фрезу с 380 вольт на 220 вольт
Купить фрезу 220/380 вольт.
Страдания ведут человека к совершенству.
Аватара пользователя
Rom327
Почётный участник
Почётный участник
Сообщения: 2989
Зарегистрирован: 03 апр 2015, 13:23
Репутация: 437
Настоящее имя: Роман
Откуда: Подольск
Контактная информация:

Re: CNC2030 как подключить фрезу если нет 380 вольт

Сообщение Rom327 »

xan1980 писал(а):как подключить фрезу с 380 вольт на 220 вольт
Не понятен вопрос! Если необходимо подключить мотор 3 фазы 380 вольт к сети 1 фаза 220 вольт ставятся конденсатор. В сети много схем.
Это сугубо мое мнение, могу и ошибаться...
https://vk.com/rom327
GRBL настройки: http://blogandbux.blogspot.com/2018/07/ ... revod.html
G коды: http://3d-stanki.ru/spravochnik/program ... stankov-2/
NikolayUa24
Мастер
Сообщения: 1407
Зарегистрирован: 31 июл 2013, 20:05
Репутация: 256
Настоящее имя: Николай
Контактная информация:

Re: CNC2030 как подключить фрезу если нет 380 вольт

Сообщение NikolayUa24 »

Rom327 писал(а):Не понятен вопрос!
Все как ясный день. Смотри 1 фото у него инвертор на 3 фазы а 3 фазы дома нету. Вопрос как подключить к 220в. Купить https://ru.aliexpress.com/store/product ... 0.0.Y6TxOR
Страдания ведут человека к совершенству.
1Doc1
Опытный
Сообщения: 162
Зарегистрирован: 01 янв 2014, 20:04
Репутация: 96
Откуда: Подольск
Контактная информация:

Re: CNC2030 как подключить фрезу если нет 380 вольт

Сообщение 1Doc1 »

А еще можно подключить существующий частотник, запитав только одну фазу через повышающий трансформатор или автотрансформатор 220/380 или использовать умножитель напряжения из двух диодов и двух конденсаторов (или батарей конденсаторов). У меня есть и тот и другой действующий пример.
xan1980
Новичок
Сообщения: 4
Зарегистрирован: 18 янв 2017, 09:41
Репутация: 0
Настоящее имя: Ерлан Маратович Наурызбаев
Контактная информация:

Re: CNC2030 как подключить фрезу если нет 380 вольт

Сообщение xan1980 »

извините а вы не могли бы по подробней объяснить
1Doc1
Опытный
Сообщения: 162
Зарегистрирован: 01 янв 2014, 20:04
Репутация: 96
Откуда: Подольск
Контактная информация:

Re: CNC2030 как подключить фрезу если нет 380 вольт

Сообщение 1Doc1 »

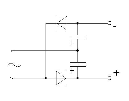
Подключаете в сеть умножитель напряжения на 2, от него постоянным током запитываете свой частотник. К частотнику подключаетесь к любым двум клеммам R, S, T, если у него нет выводов шины DC.
схема удвоителя.jpg
схема удвоителя.jpg (8.04 КБ) 2549 просмотров
Для включения в сеть очень желательно иметь устройство плавного пуска, т.к. в момент зарядки конденсаторов будут протекать огромные токи, что может привести к просадке напряжения или срабатыванию автоматических выключателей на вводе. Если будете включать в сеть напрямую, то диоды надо брать с очень большим запасом по току (дойду до мастерской и посмотрю что стоит у меня). Емкости я подбирал экспериментально, на 7,5кВт мне потребовалось 3х2200=6600мкф в каждое плечо. На выходе умножителя имеем постоянное напряжение около 600В, этим напряжением питаем частотник (допустимый диапазон лежит в пределах от 400 до 1000В постоянного тока).

!!! Будте предельно внимательны при работе с высоким напряжением постоянного тока, в случае касания проводников в отличии от переменки не "отбрасывает", а "приклеивает" и велика вероятность смертельного исхода! Перед любыми работами с данном узлом убедиться что он отключен от сети и конденсаторы успели разрядиться!!!.
1Doc1
Опытный
Сообщения: 162
Зарегистрирован: 01 янв 2014, 20:04
Репутация: 96
Откуда: Подольск
Контактная информация:

Re: CNC2030 как подключить фрезу если нет 380 вольт

Сообщение 1Doc1 »

В продолжение свое ответа снял видео:
https://youtu.be/2nhESRILl1M

Диоды у меня используются ВЛ200, рассчитанные на длительный ток 200А, максимальный ударный (импульсный) ток 6кА.

Имейте ввиду что при использовании диодов в уможителе среднеквадратичное значение тока в десятки раз меньше импульсного, т.к. потребление идет только в пиках синусоиды, соответственно в течении почти всего полупериода потребление равно нулю и только в пике синусоиды ток лавинообразно возрастает до очень высоких значений, которые как правило ограничиваются сопротивлением петли фаза-ноль питающей сети. В моем случае это около 280А, при этом среднеквадратичный ток как правило не превышает 30А. Поэтому слабые диоды в умножителе долго не протянут, диоды нужно выбирать с ОЧЕНЬ большим запасом по току.
xan1980
Новичок
Сообщения: 4
Зарегистрирован: 18 янв 2017, 09:41
Репутация: 0
Настоящее имя: Ерлан Маратович Наурызбаев
Контактная информация:

Re: CNC2030 как подключить фрезу если нет 380 вольт

Сообщение xan1980 »

рахмет!!! :good: :good: :good: :clap: :clap:
Ответить

Вернуться в «Фрезерные станки по дереву и пластикам, гравировальные станки, роутеры»