распиновка красной платы NС Studio
-
exe
- Мастер
- Сообщения: 422
- Зарегистрирован: 25 дек 2015, 07:37
- Репутация: 105
- Настоящее имя: -
- Контактная информация:
распиновка красной платы NС Studio
Здравствуйте, нужна помощь в подключении красной платы NC-Studio, 2й день пытаюсь разобраться, но не могу никак сообразить, что не так:(
в общем есть красная плата нц-шки с родной платой развязки, подключаю в соответствии с маркировкой на этой плате, оси XYZ ездят а вот с концевиками и шпинделем проблема - при подключении шпинделя (L M H), в момент подачи питания на станок шпиндель начинает вращаться, на синей плате с родной зеленой платой развязки все ок, фото платы:
как проверить на какой из пинов реально должен идти сигнал регулировки оборотов?
upd.
решение: диоды в разрыв выводов SPx
в общем есть красная плата нц-шки с родной платой развязки, подключаю в соответствии с маркировкой на этой плате, оси XYZ ездят а вот с концевиками и шпинделем проблема - при подключении шпинделя (L M H), в момент подачи питания на станок шпиндель начинает вращаться, на синей плате с родной зеленой платой развязки все ок, фото платы:
как проверить на какой из пинов реально должен идти сигнал регулировки оборотов?
upd.
решение: диоды в разрыв выводов SPx
Последний раз редактировалось exe 19 янв 2017, 11:28, всего редактировалось 4 раза.
- den_sibirskiy
- Мастер
- Сообщения: 1655
- Зарегистрирован: 12 апр 2014, 17:04
- Репутация: 349
- Настоящее имя: Ден
- Откуда: Иркутск
- Контактная информация:
Re: распиновка красной платы N-Studio
включай цешку и щелкай в прогамме вк/выкл, как еще.
Но это если схемы совсем нет.
К примеру ты знаешь все кроме двух, вот их и проверь.
Но это если схемы совсем нет.
К примеру ты знаешь все кроме двух, вот их и проверь.
"Хватит спать пора начинать пришло твое время"
- shalek
- Почётный участник

- Сообщения: 3023
- Зарегистрирован: 25 авг 2014, 10:40
- Репутация: 2583
- Настоящее имя: Александр
- Откуда: РБ Бобруйск
- Контактная информация:
Re: распиновка красной платы N-Studio
Если ты не можешь решить проблему, значит это не твоя проблема!
Мой канал на YouTube: YouTube
ЧПУ "Бобр" 600x500 мм
shalek64@gmail.com
Мой канал на YouTube: YouTube
ЧПУ "Бобр" 600x500 мм
shalek64@gmail.com
-
exe
- Мастер
- Сообщения: 422
- Зарегистрирован: 25 дек 2015, 07:37
- Репутация: 105
- Настоящее имя: -
- Контактная информация:
Re: распиновка красной платы N-Studio
в общем отсоединил вообще все кроме шпинделя, при подключенной плате индикаторные светики мигают в соответствии с выполняемыми в NC-Studio действиями, именно 3 светодиода относящиеся к spindle , реагируют на переключение скоростей, однако как только я к этой колодке цепляю хотя бы один провод, например Spindle low, то в момент подачи питания на станок шпиндель начинает сразу крутится, хотя на плате светодиоды в этот момент не горят
эти номера проставленные в фотошопе на колодке должны соответствовать номерам пинов на db15 разъеме самой платы? если да, то у меня они отличаются, нумерацию привел на фото вышеshalek писал(а):
- shalek
- Почётный участник

- Сообщения: 3023
- Зарегистрирован: 25 авг 2014, 10:40
- Репутация: 2583
- Настоящее имя: Александр
- Откуда: РБ Бобруйск
- Контактная информация:
Re: распиновка красной платы N-Studio
Выкинь свою нумерацию и подключи как нарисовано у меня.exe писал(а):эти номера проставленные в фотошопе на колодке должны соответствовать номерам пинов на db15 разъеме самой платы? если да, то у меня они отличаются, нумерацию привел на фото выше
Если ты не можешь решить проблему, значит это не твоя проблема!
Мой канал на YouTube: YouTube
ЧПУ "Бобр" 600x500 мм
shalek64@gmail.com
Мой канал на YouTube: YouTube
ЧПУ "Бобр" 600x500 мм
shalek64@gmail.com
-
exe
- Мастер
- Сообщения: 422
- Зарегистрирован: 25 дек 2015, 07:37
- Репутация: 105
- Настоящее имя: -
- Контактная информация:
Re: распиновка красной платы N-Studio
подключил так, такая же петрушка, шпиндель сразу начинает вертетьсяshalek писал(а): Выкинь свою нумерацию и подключи как нарисовано у меня.
- shalek
- Почётный участник

- Сообщения: 3023
- Зарегистрирован: 25 авг 2014, 10:40
- Репутация: 2583
- Настоящее имя: Александр
- Откуда: РБ Бобруйск
- Контактная информация:
Re: распиновка красной платы N-Studio
давай по порядку.
Что сейчас подключено, а что нет.
как настроен частотник?
Что сейчас подключено, а что нет.
как настроен частотник?
Если ты не можешь решить проблему, значит это не твоя проблема!
Мой канал на YouTube: YouTube
ЧПУ "Бобр" 600x500 мм
shalek64@gmail.com
Мой канал на YouTube: YouTube
ЧПУ "Бобр" 600x500 мм
shalek64@gmail.com
-
exe
- Мастер
- Сообщения: 422
- Зарегистрирован: 25 дек 2015, 07:37
- Репутация: 105
- Настоящее имя: -
- Контактная информация:
Re: распиновка красной платы N-Studio
сейчас подключены 4 провода, spindle L,M,H и GND в те места, которые я отметил на скриншоте выше, а именно: SPL к 12пину, SPM к 13, SPH 5, а GND к 14-муshalek писал(а):давай по порядку.
Что сейчас подключено, а что нет.
частотник настроен на управление из NC студии, с синей платой все работает
- shalek
- Почётный участник

- Сообщения: 3023
- Зарегистрирован: 25 авг 2014, 10:40
- Репутация: 2583
- Настоящее имя: Александр
- Откуда: РБ Бобруйск
- Контактная информация:
Re: распиновка красной платы N-Studio
Сначала я бы советовал откинуть в сторону шпиндель и подключить по моей распиновке все оси и датчики. И только потом подключать шпиндель. Кстати он управлялся раньше с помощью Ncstudio или нет?exe писал(а):сейчас подключены 4 провода, spindle L,M,H и GND в те места, которые я отметил на скриншоте выше, а именно: SPL к 12пину, SPM к 13, SPH 5, а GND к 14-му
Если ты не можешь решить проблему, значит это не твоя проблема!
Мой канал на YouTube: YouTube
ЧПУ "Бобр" 600x500 мм
shalek64@gmail.com
Мой канал на YouTube: YouTube
ЧПУ "Бобр" 600x500 мм
shalek64@gmail.com
- shalek
- Почётный участник

- Сообщения: 3023
- Зарегистрирован: 25 авг 2014, 10:40
- Репутация: 2583
- Настоящее имя: Александр
- Откуда: РБ Бобруйск
- Контактная информация:
Re: распиновка красной платы N-Studio
Обороты программно менялись?exe писал(а):частотник настроен на управление из NC студии, с синей платой все работает
Если ты не можешь решить проблему, значит это не твоя проблема!
Мой канал на YouTube: YouTube
ЧПУ "Бобр" 600x500 мм
shalek64@gmail.com
Мой канал на YouTube: YouTube
ЧПУ "Бобр" 600x500 мм
shalek64@gmail.com
-
exe
- Мастер
- Сообщения: 422
- Зарегистрирован: 25 дек 2015, 07:37
- Репутация: 105
- Настоящее имя: -
- Контактная информация:
Re: распиновка красной платы N-Studio
да, ступенчато, от 9тысяч до 24shalek писал(а): Обороты программно менялись?
shalek писал(а):Сначала я бы советовал откинуть в сторону шпиндель и подключить по моей распиновке все оси и датчики. И только потом подключать шпиндель. Кстати он управлялся раньше с помощью Ncstudio или нет?
я так и делал, оси ездят, только датчики не цеплял
- shalek
- Почётный участник

- Сообщения: 3023
- Зарегистрирован: 25 авг 2014, 10:40
- Репутация: 2583
- Настоящее имя: Александр
- Откуда: РБ Бобруйск
- Контактная информация:
Re: распиновка красной платы N-Studio
У меня сейчас аналогичная плата и подключена как я выложил. И шпиндель работает как положено.
Если ты не можешь решить проблему, значит это не твоя проблема!
Мой канал на YouTube: YouTube
ЧПУ "Бобр" 600x500 мм
shalek64@gmail.com
Мой канал на YouTube: YouTube
ЧПУ "Бобр" 600x500 мм
shalek64@gmail.com
- shalek
- Почётный участник

- Сообщения: 3023
- Зарегистрирован: 25 авг 2014, 10:40
- Репутация: 2583
- Настоящее имя: Александр
- Откуда: РБ Бобруйск
- Контактная информация:
Re: распиновка красной платы N-Studio
все оси правильно ездят? Как подключал? По моей распиновке?exe писал(а):я так и делал, оси ездят, только датчики не цеплял
Если ты не можешь решить проблему, значит это не твоя проблема!
Мой канал на YouTube: YouTube
ЧПУ "Бобр" 600x500 мм
shalek64@gmail.com
Мой канал на YouTube: YouTube
ЧПУ "Бобр" 600x500 мм
shalek64@gmail.com
-
exe
- Мастер
- Сообщения: 422
- Зарегистрирован: 25 дек 2015, 07:37
- Репутация: 105
- Настоящее имя: -
- Контактная информация:
Re: распиновка красной платы N-Studio
на счет правильности направления движения утверждать не могу, подключал отдельно шаговик (завтра подключу все оси чтобы точно удостоверится), подключал в том порядке, как указано вами на скриншоте, при этом если опустить номера пинов, у меня они немного другие и это меня путаетshalek писал(а):все оси правильно ездят? Как подключал? По моей распиновке?
- Вложения
-
- Screenshot---15.01.jpg (11.11 КБ) 3519 просмотров
- shalek
- Почётный участник

- Сообщения: 3023
- Зарегистрирован: 25 авг 2014, 10:40
- Репутация: 2583
- Настоящее имя: Александр
- Откуда: РБ Бобруйск
- Контактная информация:
Re: распиновка красной платы N-Studio
Забудь свою распиновку как страшный сон.exe писал(а):у меня они немного другие и это меня путает
По ней у тебя получается, что 5 пин (который Spindle HI) прикручен к X Pul. Смотри обозначение на плате: Хотелось бы взглянуть на колодку частотника. Как там провода подключены.
Короче все попутано. Step одного драйвера с Dir другого на одну ось. В общем откинь шпиндель и подключи как я советую. ВНИМАТЕЛЬНО.
Последний раз редактировалось shalek 15 янв 2017, 11:32, всего редактировалось 1 раз.
Если ты не можешь решить проблему, значит это не твоя проблема!
Мой канал на YouTube: YouTube
ЧПУ "Бобр" 600x500 мм
shalek64@gmail.com
Мой канал на YouTube: YouTube
ЧПУ "Бобр" 600x500 мм
shalek64@gmail.com
-
exe
- Мастер
- Сообщения: 422
- Зарегистрирован: 25 дек 2015, 07:37
- Репутация: 105
- Настоящее имя: -
- Контактная информация:
Re: распиновка красной платы N-Studio
сейчас все подключено в соответствии с обозначениями на платеshalek писал(а):Забудь свою распиновку как страшный сон.
По ней у тебя получается, что 5 пин (который Spindle HI) прикручен к X Pul. Смотри обозначение на плате:
с этим проблема, не могу физически туда подлезть, станок стоит на балконе в закутке почти вплотную к стене, а отодвинуть проблема - 150кг... попробую завтра при хорошем освещении что-нибудь придуматьshalek писал(а):Хотелось бы взглянуть на колодку частотника. Как там провода подключены.
-
exe
- Мастер
- Сообщения: 422
- Зарегистрирован: 25 дек 2015, 07:37
- Репутация: 105
- Настоящее имя: -
- Контактная информация:
Re: распиновка красной платы N-Studio
подключил все оси и концевики в соответствии с обозначениями на плате, полет нормальный, оси ездят в правильных направлениях, концевики срабатывают при наезде на них, датчик нуля работает, дурит только шпиндель.
проверил еще один момент, отсоединил от колодки все кроме шпинделя (L,M,H) и GND, саму плату физически извлек из системника и подключил как и раньше к плате развязки, и ситуация повторилась - в момент подачи питания на станок, шпиндель начинает вертеться.
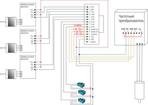
сфотал подключение к инвертору:модель инвертора узнать не удалось, сфотал только заднюю часть, там присутствует красный логотип при переключении на синюю плату, шпиндель начинает вести себя как положено - включается только после нажатия на Spindle ON в NC-Studio, и реагирует на изменение скорости из него же.
проверил еще один момент, отсоединил от колодки все кроме шпинделя (L,M,H) и GND, саму плату физически извлек из системника и подключил как и раньше к плате развязки, и ситуация повторилась - в момент подачи питания на станок, шпиндель начинает вертеться.
сфотал подключение к инвертору:модель инвертора узнать не удалось, сфотал только заднюю часть, там присутствует красный логотип при переключении на синюю плату, шпиндель начинает вести себя как положено - включается только после нажатия на Spindle ON в NC-Studio, и реагирует на изменение скорости из него же.
- shalek
- Почётный участник

- Сообщения: 3023
- Зарегистрирован: 25 авг 2014, 10:40
- Репутация: 2583
- Настоящее имя: Александр
- Откуда: РБ Бобруйск
- Контактная информация:
Re: распиновка красной платы N-Studio
По моей распиновке?exe писал(а):подключил все оси и концевики в соответствии с обозначениями на плате, полет нормальный, оси ездят в правильных направлениях, концевики срабатывают при наезде на них, датчик нуля работает
Если все работает как и должно, то не надо отключать. Осталось со шпинделем разобраться.exe писал(а):проверил еще один момент, отсоединил от колодки все кроме шпинделя (L,M,H) и GND, саму плату физически извлек из системника и подключил как и раньше к плате развязки, и ситуация повторилась - в момент подачи питания на станок, шпиндель начинает вертеться.
У меня немного другой шпиндель. И обязательным условием для запуска его программно нужна перемычка DSM-FOR. Здесь же немного не такие выводы.
P.S. Попробуй при подключенном и запущенном Ncstudio и шпинделе нажать на шпинделе Stop, а затем программно попробуй повключать. У меня как-то было такое: включался при запуске шпиндель. потом, когда его стопом остановил стало все нормально.
И как ведет себя шпиндель после самопроизвольного включения? Обороты меняются?
Последний раз редактировалось shalek 16 янв 2017, 10:54, всего редактировалось 1 раз.
Если ты не можешь решить проблему, значит это не твоя проблема!
Мой канал на YouTube: YouTube
ЧПУ "Бобр" 600x500 мм
shalek64@gmail.com
Мой канал на YouTube: YouTube
ЧПУ "Бобр" 600x500 мм
shalek64@gmail.com
-
lkbyysq
- Мастер
- Сообщения: 2284
- Зарегистрирован: 14 май 2016, 09:40
- Репутация: 346
- Настоящее имя: Станислав Ерофеев
- Откуда: Санкт-Петербург
Re: распиновка красной платы N-Studio
Значит частотник настроен так, что при подаче ему на вход трех единичек, он начинает вращаться.exe писал(а):саму плату физически извлек из системника и подключил как и раньше к плате развязки...в момент подачи питания на станок, шпиндель начинает вертеться
Значит красная плата выдает инвертированные сигналы по сравнению с синей.exe писал(а):с синей платой все работает
Светодиоды на красной коммутационной плате судя по всему горят, когда на выходе нолик (обратную сторону платы бы увидеть).
Не нашел в тексте, шпиндель начинает вращаться при включении станка. А на ползунок обороты хоть как-то реагируют?
Последний раз редактировалось lkbyysq 16 янв 2017, 11:01, всего редактировалось 1 раз.
- shalek
- Почётный участник

- Сообщения: 3023
- Зарегистрирован: 25 авг 2014, 10:40
- Репутация: 2583
- Настоящее имя: Александр
- Откуда: РБ Бобруйск
- Контактная информация:
Re: распиновка красной платы N-Studio
Была у меня синяя, сейчас красная. Ничего там не инвертируется. Просто заменил одну другой и шпиндель и все остальное сразу заработало.lkbyysq писал(а):Значит красная плата выдает инвертированные сигналы по сравнению с синей.
Если ты не можешь решить проблему, значит это не твоя проблема!
Мой канал на YouTube: YouTube
ЧПУ "Бобр" 600x500 мм
shalek64@gmail.com
Мой канал на YouTube: YouTube
ЧПУ "Бобр" 600x500 мм
shalek64@gmail.com