Как преобразовать сигнал энкодера
-
fishman
- Кандидат
- Сообщения: 83
- Зарегистрирован: 14 сен 2015, 22:04
- Репутация: 9
- Контактная информация:
Как преобразовать сигнал энкодера
Здравствуйте уважаемые знатоки!
На ебее по случаю прикупил комплектик мотор+усилок от гармоник драйв. так вот оказалось что серводрайвер для подключения энкодера просит аж 14 проводов , а с самого энкодера выходит только 4. как это дело можно подружить?
Заранее благодарю за любую инфу!
На ебее по случаю прикупил комплектик мотор+усилок от гармоник драйв. так вот оказалось что серводрайвер для подключения энкодера просит аж 14 проводов , а с самого энкодера выходит только 4. как это дело можно подружить?
Заранее благодарю за любую инфу!
- N1X
- Мастер
- Сообщения: 3653
- Зарегистрирован: 16 фев 2015, 21:19
- Репутация: 1646
- Настоящее имя: Владимир
- Откуда: Беларусь, Гомель
- Контактная информация:
Re: Как преобразовать сигнал энкодера
Похоже, что он хочет энкодер со встроенными датчиками для коммутации обмоток...fishman писал(а):серводрайвер для подключения энкодера просит аж 14 проводов
- Serg
- Мастер
- Сообщения: 21923
- Зарегистрирован: 17 апр 2012, 14:58
- Репутация: 5183
- Заслуга: c781c134843e0c1a3de9
- Настоящее имя: Сергей
- Откуда: Москва
- Контактная информация:
Re: Как преобразовать сигнал энкодера
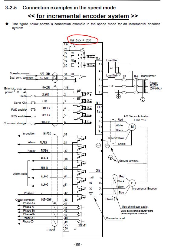
Судя по второй картинке этот энкодер как раз со встроенными датчиками для коммутации обмоток...
Только вот выход у энкодера последовательный RS485.
Их за разумные деньги не подружить.
Только вот выход у энкодера последовательный RS485.
Их за разумные деньги не подружить.
Я не Христос, рыбу не раздаю, но могу научить, как сделать удочку...
-
fishman
- Кандидат
- Сообщения: 83
- Зарегистрирован: 14 сен 2015, 22:04
- Репутация: 9
- Контактная информация:
Re: Как преобразовать сигнал энкодера
Немного неясно по поводу разумных денег...
Нужен преобразователь сигнала?
Нужен преобразователь сигнала?
- N1X
- Мастер
- Сообщения: 3653
- Зарегистрирован: 16 фев 2015, 21:19
- Репутация: 1646
- Настоящее имя: Владимир
- Откуда: Беларусь, Гомель
- Контактная информация:
Re: Как преобразовать сигнал энкодера
Угу, вторую недогляделUAVpilot писал(а):Судя по второй картинке этот энкодер как раз со встроенными датчиками для коммутации обмоток...
Только вот выход у энкодера последовательный RS485.
Их за разумные деньги не подружить.
-
Duhas
- Мастер
- Сообщения: 1961
- Зарегистрирован: 10 окт 2015, 23:25
- Репутация: 285
- Настоящее имя: Андрей
- Откуда: Красноярск
- Контактная информация:
Re: Как преобразовать сигнал энкодера
поглядеть вовнутрь не помешает я думаю, вдруг повезет и там есть вариант куда подключатьсяUAVpilot писал(а): Только вот выход у энкодера последовательный RS485.
Их за разумные деньги не подружить.
- Hanter
- Мастер
- Сообщения: 5414
- Зарегистрирован: 27 янв 2012, 14:52
- Репутация: 4338
- Настоящее имя: Алексей
- Откуда: Питер
- Контактная информация:
Re: Как преобразовать сигнал энкодера
ээээ стесняюсь спросить - это именно комплект ? или сборная солянка.. ??? мануалы что говорят ? данный мотор с данным усилком вообще должен работать или нет ?fishman писал(а):На ебее по случаю прикупил комплектик мотор+усилок от гармоник драйв.
Опыт - это когда на смену вопросам: "Что? Где? Когда? Как? Почему?" Приходит единственный вопрос: "Нахрена?"
==========================================
фрезерная и токарная обработка на станках с чпу.
Резка, гибка, сварка и порошковая окраса.
==========================================
фрезерная и токарная обработка на станках с чпу.
Резка, гибка, сварка и порошковая окраса.
-
fishman
- Кандидат
- Сообщения: 83
- Зарегистрирован: 14 сен 2015, 22:04
- Репутация: 9
- Контактная информация:
Re: Как преобразовать сигнал энкодера
ну это я так написал ))) на самом деле есть несколько таких комплектов:Hanter писал(а): это именно комплект ? или сборная солянка.. ???
SERVO ACTUATOR FHA-32B-1916-KE150 + AC SERVO DRIVER HA-600-2L-SP
и
HARMONIC DRIVE SYSTEMS FHA-32C-160-E250-C & HA-655-4-200
покупалось все на ебее , на случай поломки есть запасной усилитель AC SERVO DRIVER HA-600-2L-SP
так вот , хочу понимать , есть ли смысл заморачиваться с совмещением этого усилителя(HA-600-2L-SP) с двигателем , который изначально рассчитан на усилитель следующего поколения(HA-655-4-20)
в первом приближении увидел что различия только в энкодере... или же просто купить еще один усилок... цена вопроса 700уе. если вопрос удастся решить где то за 300-350 уе , то это как раз будут те самые разумные деньги , о которых говорилось выше )
- Serg
- Мастер
- Сообщения: 21923
- Зарегистрирован: 17 апр 2012, 14:58
- Репутация: 5183
- Заслуга: c781c134843e0c1a3de9
- Настоящее имя: Сергей
- Откуда: Москва
- Контактная информация:
Re: Как преобразовать сигнал энкодера
Если только полно свободного бесплатного времени.
Тут надо довольно довольно быстрый микроконтроллер, который будет получать данные с энкодера и преобразовывать их в понятные данные для усилителя. Ну и надо знать формат данных, приходящих с энкодера.
Тут надо довольно довольно быстрый микроконтроллер, который будет получать данные с энкодера и преобразовывать их в понятные данные для усилителя. Ну и надо знать формат данных, приходящих с энкодера.
Я не Христос, рыбу не раздаю, но могу научить, как сделать удочку...
-
fishman
- Кандидат
- Сообщения: 83
- Зарегистрирован: 14 сен 2015, 22:04
- Репутация: 9
- Контактная информация:
Re: Как преобразовать сигнал энкодера
Как это можно узнать?UAVpilot писал(а): Ну и надо знать формат данных, приходящих с энкодера.
-
aftaev
- Зачётный участник

- Сообщения: 34042
- Зарегистрирован: 04 апр 2010, 19:22
- Репутация: 6194
- Откуда: Казахстан.
- Контактная информация:
Re: Как преобразовать сигнал энкодера
У производителя спроситьfishman писал(а):Как это можно узнать?
fishman, выбросить из мотора энкодер и воткнуть туды другой. Нечто похожее используется в некоторых китайских моторах
Дилетанту сложные вещи кажутся очень простыми, и только профессионал понимает насколько сложна самая простая вещь
Кто хочет - ищет возможности, кто не хочет - ищет оправдание.
Найди работу по душе и тебе не придется работать.
Кто хочет - ищет возможности, кто не хочет - ищет оправдание.
Найди работу по душе и тебе не придется работать.
- odekolon
- Мастер
- Сообщения: 1125
- Зарегистрирован: 05 ноя 2014, 14:53
- Репутация: 360
- Настоящее имя: Борис
- Контактная информация:
Re: Как преобразовать сигнал энкодера
вообще, сильно подозреваю, что сигналы A B Z - это парафазные сигналы собственно энкодера и легко получатся с вашего энкодера путем простого инвертирования сигналов (то есть на входе драйвера нужны парафазные сигналы, а у вашего энкодера однофазные) схема простейшая и легко может быть нарисована. Вероятно, эти сигналы используются в режиме, когда серва работает в режиме степ\дирfishman писал(а):Здравствуйте уважаемые знатоки!
На ебее по случаю прикупил комплектик мотор+усилок от гармоник драйв. так вот оказалось что серводрайвер для подключения энкодера просит аж 14 проводов , а с самого энкодера выходит только 4. как это дело можно подружить?
Заранее благодарю за любую инфу!
А вот сигналы U V иW - некое подобие таходатчика, сигналы тоже парафазные один бегущий импульс (или одна дырка) на оборот, используются в режиме "напряжение\обороты" (возможно проц драйвера просто не успевает отрабатывать сигналы полноценного энкодера в этом режиме), сигналы энкодера ABZ просто пропускаются сквозь драйвер на внешнее устройство ЧПУ.
в принципе, реализовать эти сигналы можно, на основе трехфазного триггера, на вход которого подать сигнал с канала А энкодера через счетчик с коэффициентом деления 2500(разрешение экнодера) / 3 (количество фаз)
Вышеописанное, плод моей интуиции и возможно нуждается в исправлении и дополнении.
на вашем месте, я бы подключил имеющийся энкодер через устройство согласования (по одному, (а лучше по 2) инвертора на канал), включил бы серву в режим степ\дир и посмотрел бы что получится.
"Капиталистом стать можно лишь тогда, когда обогатишь свою память знанием всех тех богатств, которые выработало человечество"
-
aftaev
- Зачётный участник

- Сообщения: 34042
- Зарегистрирован: 04 апр 2010, 19:22
- Репутация: 6194
- Откуда: Казахстан.
- Контактная информация:
Re: Как преобразовать сигнал энкодера
odekolon, у него из мотора выходит 4ре провода. То есть передача данных последовательна например через RS422. И всякими триггерами и инверсией сигнала здесь не обойтись 
Дилетанту сложные вещи кажутся очень простыми, и только профессионал понимает насколько сложна самая простая вещь
Кто хочет - ищет возможности, кто не хочет - ищет оправдание.
Найди работу по душе и тебе не придется работать.
Кто хочет - ищет возможности, кто не хочет - ищет оправдание.
Найди работу по душе и тебе не придется работать.
- Serg
- Мастер
- Сообщения: 21923
- Зарегистрирован: 17 апр 2012, 14:58
- Репутация: 5183
- Заслуга: c781c134843e0c1a3de9
- Настоящее имя: Сергей
- Откуда: Москва
- Контактная информация:
Re: Как преобразовать сигнал энкодера
На второй картинке ж недвусмысленно нарисован последовательный интерфейс типа RS485 и дана распиновка с названием сигналов...odekolon писал(а):вообще, сильно подозреваю, что сигналы A B Z - это парафазные сигналы собственно энкодера
Я не Христос, рыбу не раздаю, но могу научить, как сделать удочку...
- odekolon
- Мастер
- Сообщения: 1125
- Зарегистрирован: 05 ноя 2014, 14:53
- Репутация: 360
- Настоящее имя: Борис
- Контактная информация:
Re: Как преобразовать сигнал энкодера
да, извините, накосячил
тогда, проще всего найти экнодер с сигналами ABZ и попытаться его подключить, хотя схема генерации сигналов UVW заставит поломать голову и возможно покрутить энкодер на оси, для верной фазировки
тогда, проще всего найти экнодер с сигналами ABZ и попытаться его подключить, хотя схема генерации сигналов UVW заставит поломать голову и возможно покрутить энкодер на оси, для верной фазировки
"Капиталистом стать можно лишь тогда, когда обогатишь свою память знанием всех тех богатств, которые выработало человечество"
- N1X
- Мастер
- Сообщения: 3653
- Зарегистрирован: 16 фев 2015, 21:19
- Репутация: 1646
- Настоящее имя: Владимир
- Откуда: Беларусь, Гомель
- Контактная информация:
Re: Как преобразовать сигнал энкодера
UVW должны быть физически согласованы с полюсами мотора. Это по сути электронный коллектор... Поэтому да - просто так взять и получить их из энкодера не выйдет... Даже если взять ПЛИС или МК и используя нуль-метку генерировать их, то при включении питания можно получить нулевой момент на роторе, т.к. мы не знаем реальный угол... Так что подходящий энкодер - простейший выход....
- odekolon
- Мастер
- Сообщения: 1125
- Зарегистрирован: 05 ноя 2014, 14:53
- Репутация: 360
- Настоящее имя: Борис
- Контактная информация:
Re: Как преобразовать сигнал энкодера
для согласования угла, можно вращать энкодер вокруг оси, найти 2 положения, при которых момент = 0 => верное положение середина.
Короче, если б у меня такая задача стояла, я б ее решил.
Просто подобный энкодер на дороге не валяется, а лир-158 - полно.
Короче, если б у меня такая задача стояла, я б ее решил.
Просто подобный энкодер на дороге не валяется, а лир-158 - полно.
"Капиталистом стать можно лишь тогда, когда обогатишь свою память знанием всех тех богатств, которые выработало человечество"
-
fishman
- Кандидат
- Сообщения: 83
- Зарегистрирован: 14 сен 2015, 22:04
- Репутация: 9
- Контактная информация:
Re: Как преобразовать сигнал энкодера
класс! это вы хвастаетесь или предлагаете свои услуги?odekolon писал(а):Короче, если б у меня такая задача стояла, я б ее решил.
если второе - то будьте конкретнее , если первое - то прикрепите фото с линейкой.
-
fishman
- Кандидат
- Сообщения: 83
- Зарегистрирован: 14 сен 2015, 22:04
- Репутация: 9
- Контактная информация:
Re: Как преобразовать сигнал энкодера
про сигналы UVW есть такое пояснение..
вот что пишут про енкодер...
у меня Е250..
схема подключения к 655 усилителю тут видно что на выходе как раз то что нужно для контроллера чпу
может посмотреть как это реализовано внутри? только я понятия не имею где искать...
схема подключения к 655 усилителю тут видно что на выходе как раз то что нужно для контроллера чпу
может посмотреть как это реализовано внутри? только я понятия не имею где искать...
-
fishman
- Кандидат
- Сообщения: 83
- Зарегистрирован: 14 сен 2015, 22:04
- Репутация: 9
- Контактная информация:
Re: Как преобразовать сигнал энкодера
Во второй картинке темы , на схеме даны даже маркировки микросхем , которые работают с этим сигналом , даташиты доступны в инете...
это каким либо образом можно использовать для решения моей задачи?