Намоточный станок для стеклопластика - 7500мм
-
skv
- Новичок
- Сообщения: 21
- Зарегистрирован: 23 июл 2015, 01:18
- Репутация: 0
- Настоящее имя: Kirill
- Контактная информация:
Намоточный станок для стеклопластика - 7500мм
Приветствую, уважаемые.
Наша цель запустить намоточный станок для стеклопластика. На подобии вот этого - https://youtu.be/9ecb3O_60jQ
Купить готовый отечественный не позволяют финансы.
На китайский и денег тоже не хватит и желания нет.
По этому решено делать самим.
Основная задача - намотка в полностью автоматическом режиме и получение стабильной толщины и качества.
Описание станка, основные характеристики:
Все достаточно просто по сравнению с тем, что вы тут обычно обсуждаете.
- Вращается оправка (барабан) длиной 7500мм и диаметрами от 1000 до 3600мм. Вес самой большой 8000кг уже с намотанным изделием. Оправка имеет центральную ось диаметром 273мм. Через нее и передается вращение всей оправке.
- В зависимости от диаметра оправки скорость вращения регулируется от 2,5 до 9 об/мин, тк нитетракт способен пропускать через себя только 30м нити в минуту.
- Вдоль нее ездит каретка с нитепропиточным трактом. Вес нитетракта 100кг. Он создает натяжение нитей в 1000кг!
- Нить пропитывается и наматывается на оправку
- Смола полимерезуется
- Оправка складывается и снимается готовое изделие.
Чертежи, фото, видео станка:
Схематично как все расположено Нитетракт Ну и компоновка самой станины Что сделано:
1. Сделаны все чертежи оправок и частично сварены.
2. Приехал готовый нитетракт
3. Подобран двигатель (тут есть сомнения)
4. Есть наброски схемы как и чем двигать каретку с нитетрактом (тут тоже есть сомнения)
5. С самой станиной, думаю, у проектировщика особо вопросов не возникнет. По моему все предельно просто.
Вопросов много:
Начнем с механики:
1. Есть желание заменить подшипниковый узел на люнет. Типа такого http://lunet.243.ru
Это позволит нам быстро и просто снимать/ставить оправки. А это нужно будет делать по 2 раза в день.
Нагрузки он выдержит, но лично меня смущает то, что он может со временем просто протереть ось оправки своими роликами.
Проектировщик пока изучает возможность его использования.
2. Как лучше передать вращение от редуктора к оправке. Сейчас пока остановились на зубчатой передаче. Мне не нравится эта идея из-за пыли и возможного попадания смолы. Но это позволит быстро менять оправки. Какие еще могут быть удобные, бюджетные варианты кроме фланца и зубчатой передачи?
3. Перемещение каретки. Так как на нее еще действует боковая сила в 1000кг, то какие лучше использовать направляющие? Какие лучше использовать ролики? Опять же возможно попадание смолы.
4. Двигать нам предлагают это все по Рейке зубчатой 30x30x3000 М3. Рейки предлагают пускать параллельно две и вал от редуктора пропускать
одновременно на две шестерни для механической синхронизации. Действительно ли необходимо пускать 2 рейки? Точности у нас большой тут нет - плюс минус сантиметр ни на что не влияет.
Двигатели:
5. Для вращения оправок нам предложен - АДЧР132S4У3-IM1081-1-ДВ-Т-02500-К-380, 220/380В IP54.
- независимая (принудительная) вентиляция;
- датчик положения ротора (энкодер);
- термодатчики;
http://megavattspb.ru/electrodvigatel_adchr132s4.html
Переживаю достаточно ли нам будет такой мощности?
6. Редуктор даже еще не начинали подбирать. Можете ли что-то посоветовать? Интересует в первую очередь надежность, доступность.
7. Для перемещения каретки нам предложено использовать:
- Мотор-редуктор NMRV 110.60.23,3.2,2x1400.B3
- Частотный преобразователь SE-ATV312HU22N4 380-500В 3Ф, 2.2 кВт
Управлние:
8. Одной организацией нам предложен пульт управления всем этим за 600 000р, но что-то мне подсказывает, что все намного проще. Что нам еще необходимо будет докупить из оборудования, чтобы потом можно было пригласить специалиста по LinuxCNC для настройки оборудования?
Сразу скажу, что я не специалист во всех этих областях. Так получилось, что я координирую работу всех людей занятых в процессе создания этой машины и мне приходится все глубже и глубже вникать в детали.
Заранее спасибо.
Наша цель запустить намоточный станок для стеклопластика. На подобии вот этого - https://youtu.be/9ecb3O_60jQ
Купить готовый отечественный не позволяют финансы.
На китайский и денег тоже не хватит и желания нет.
По этому решено делать самим.
Основная задача - намотка в полностью автоматическом режиме и получение стабильной толщины и качества.
Описание станка, основные характеристики:
Все достаточно просто по сравнению с тем, что вы тут обычно обсуждаете.
- Вращается оправка (барабан) длиной 7500мм и диаметрами от 1000 до 3600мм. Вес самой большой 8000кг уже с намотанным изделием. Оправка имеет центральную ось диаметром 273мм. Через нее и передается вращение всей оправке.
- В зависимости от диаметра оправки скорость вращения регулируется от 2,5 до 9 об/мин, тк нитетракт способен пропускать через себя только 30м нити в минуту.
- Вдоль нее ездит каретка с нитепропиточным трактом. Вес нитетракта 100кг. Он создает натяжение нитей в 1000кг!
- Нить пропитывается и наматывается на оправку
- Смола полимерезуется
- Оправка складывается и снимается готовое изделие.
Чертежи, фото, видео станка:
Схематично как все расположено Нитетракт Ну и компоновка самой станины Что сделано:
1. Сделаны все чертежи оправок и частично сварены.
2. Приехал готовый нитетракт
3. Подобран двигатель (тут есть сомнения)
4. Есть наброски схемы как и чем двигать каретку с нитетрактом (тут тоже есть сомнения)
5. С самой станиной, думаю, у проектировщика особо вопросов не возникнет. По моему все предельно просто.
Вопросов много:
Начнем с механики:
1. Есть желание заменить подшипниковый узел на люнет. Типа такого http://lunet.243.ru
Это позволит нам быстро и просто снимать/ставить оправки. А это нужно будет делать по 2 раза в день.
Нагрузки он выдержит, но лично меня смущает то, что он может со временем просто протереть ось оправки своими роликами.
Проектировщик пока изучает возможность его использования.
2. Как лучше передать вращение от редуктора к оправке. Сейчас пока остановились на зубчатой передаче. Мне не нравится эта идея из-за пыли и возможного попадания смолы. Но это позволит быстро менять оправки. Какие еще могут быть удобные, бюджетные варианты кроме фланца и зубчатой передачи?
3. Перемещение каретки. Так как на нее еще действует боковая сила в 1000кг, то какие лучше использовать направляющие? Какие лучше использовать ролики? Опять же возможно попадание смолы.
4. Двигать нам предлагают это все по Рейке зубчатой 30x30x3000 М3. Рейки предлагают пускать параллельно две и вал от редуктора пропускать
одновременно на две шестерни для механической синхронизации. Действительно ли необходимо пускать 2 рейки? Точности у нас большой тут нет - плюс минус сантиметр ни на что не влияет.
Двигатели:
5. Для вращения оправок нам предложен - АДЧР132S4У3-IM1081-1-ДВ-Т-02500-К-380, 220/380В IP54.
- независимая (принудительная) вентиляция;
- датчик положения ротора (энкодер);
- термодатчики;
http://megavattspb.ru/electrodvigatel_adchr132s4.html
Переживаю достаточно ли нам будет такой мощности?
6. Редуктор даже еще не начинали подбирать. Можете ли что-то посоветовать? Интересует в первую очередь надежность, доступность.
7. Для перемещения каретки нам предложено использовать:
- Мотор-редуктор NMRV 110.60.23,3.2,2x1400.B3
- Частотный преобразователь SE-ATV312HU22N4 380-500В 3Ф, 2.2 кВт
Управлние:
8. Одной организацией нам предложен пульт управления всем этим за 600 000р, но что-то мне подсказывает, что все намного проще. Что нам еще необходимо будет докупить из оборудования, чтобы потом можно было пригласить специалиста по LinuxCNC для настройки оборудования?
Сразу скажу, что я не специалист во всех этих областях. Так получилось, что я координирую работу всех людей занятых в процессе создания этой машины и мне приходится все глубже и глубже вникать в детали.
Заранее спасибо.
-
aftaev
- Зачётный участник

- Сообщения: 34042
- Зарегистрирован: 04 апр 2010, 19:22
- Репутация: 6194
- Откуда: Казахстан.
- Контактная информация:
Re: Намоточный станок для стеклопластика - 7500мм
Действительно все просто 8 тоннskv писал(а):Все достаточно просто по сравнению с тем, что вы тут обычно обсуждаете.
- Вращается оправка (барабан) длиной 7500мм и диаметрами от 1000 до 3600мм. Вес самой большой 8000кг уже с намотанным изделием. Оправка
Видел такой барабанчик с толщиной стенки примерно 30мм. Чтобы такой барабанчик не сложился уже готовый внутри вставляется "колесо со спицами".
Ось опереть на два вращающихся ролика и прижать сверху третьим.skv писал(а):1. Есть желание заменить подшипниковый узел на люнет. Типа такого http://lunet.243.ru
Это позволит нам быстро и просто снимать/ставить оправки. А это нужно будет делать по 2 раза в день.
Самое интересное это программа чтобы правильно полосы накладывать.skv писал(а):Управлние:
8. Одной организацией нам предложен пульт управления всем этим за 600 000р, но что-то мне подсказывает, что все намного проще. Что нам еще необходимо будет докупить из оборудования, чтобы потом можно было пригласить специалиста по LinuxCNC для настройки оборудования?
Дилетанту сложные вещи кажутся очень простыми, и только профессионал понимает насколько сложна самая простая вещь
Кто хочет - ищет возможности, кто не хочет - ищет оправдание.
Найди работу по душе и тебе не придется работать.
Кто хочет - ищет возможности, кто не хочет - ищет оправдание.
Найди работу по душе и тебе не придется работать.
-
sergey_s
- Опытный
- Сообщения: 158
- Зарегистрирован: 06 янв 2016, 00:31
- Репутация: 6
- Настоящее имя: Сергей
- Контактная информация:
Re: Намоточный станок для стеклопластика - 7500мм
С программой все просто - раскладываете цилиндр в плоскость и задаете движения "фрезы по двум осям". Любой CAM справится. В остальном, штука у Вас простая, но для первого чпу лучше сделайте ее уменьшенную копию. А то вдруг срезать и переваривать пару тонн стали придется.
- AndyBig
- Мастер
- Сообщения: 3971
- Зарегистрирован: 07 мар 2014, 04:01
- Репутация: 1121
- Откуда: юг России
- Контактная информация:
Re: Намоточный станок для стеклопластика - 7500мм
Думаю, там все несколько сложнее. Мне кажется, там нужно как минимум рассчитывать правильные углы намотки, скорее всего есть и другие неочевидные нюансы.sergey_s писал(а):С программой все просто - раскладываете цилиндр в плоскость и задаете движения "фрезы по двум осям".
-
skv
- Новичок
- Сообщения: 21
- Зарегистрирован: 23 июл 2015, 01:18
- Репутация: 0
- Настоящее имя: Kirill
- Контактная информация:
Re: Намоточный станок для стеклопластика - 7500мм
До программы еще далеко и она не пугает.
Сейчас главное чтоб все закрутилось и поехало, а с этим много не решенных моментов.
А программу будем уже опытным путем делать. Ибо и ширина жгута на выходе из нитетракта будет 18-20см и толщиной она может быть разная 0,6-0,8мм. А при толщине изделия 30мм это уже в любом случае будет все +-... И это нормально ибо все мотается с запасом, чтоб потом гарантию не получить ::)
Сейчас главное чтоб все закрутилось и поехало, а с этим много не решенных моментов.
А программу будем уже опытным путем делать. Ибо и ширина жгута на выходе из нитетракта будет 18-20см и толщиной она может быть разная 0,6-0,8мм. А при толщине изделия 30мм это уже в любом случае будет все +-... И это нормально ибо все мотается с запасом, чтоб потом гарантию не получить ::)
-
aftaev
- Зачётный участник

- Сообщения: 34042
- Зарегистрирован: 04 апр 2010, 19:22
- Репутация: 6194
- Откуда: Казахстан.
- Контактная информация:
Re: Намоточный станок для стеклопластика - 7500мм
Есть вариант с ножным приводомskv писал(а):Сейчас главное чтоб все закрутилось и поехало, а с этим много не решенных моментов.
https://www.youtube.com/watch?v=zARtuDU9GYM
Дилетанту сложные вещи кажутся очень простыми, и только профессионал понимает насколько сложна самая простая вещь
Кто хочет - ищет возможности, кто не хочет - ищет оправдание.
Найди работу по душе и тебе не придется работать.
Кто хочет - ищет возможности, кто не хочет - ищет оправдание.
Найди работу по душе и тебе не придется работать.
-
skv
- Новичок
- Сообщения: 21
- Зарегистрирован: 23 июл 2015, 01:18
- Репутация: 0
- Настоящее имя: Kirill
- Контактная информация:
Re: Намоточный станок для стеклопластика - 7500мм
УРА !!!!!
Я это видео давно видел и потом годами не мог найти.
СПАСИБО!!!!
Я это видео давно видел и потом годами не мог найти.
СПАСИБО!!!!
-
skv
- Новичок
- Сообщения: 21
- Зарегистрирован: 23 июл 2015, 01:18
- Репутация: 0
- Настоящее имя: Kirill
- Контактная информация:
Re: Намоточный станок для стеклопластика - 7500мм
Раз никто по существу ничего не говорит, то буду просто новости сюда писать. Возможно раскачается...
На прошлой неделе 2 разных человека посчитали момент на валу:
У нашего проектировщика получилось - 12 000 Нм
У продавца моторов - 16 000 Нм
Под этот момент подобрали нам редуктор и двигатель на 15кВт.
АДЧР160L4У3-IM3081-1-Т02500-В3-023
Редуктор F157-162.9-9.0
Данная пара позволит нам регулировать обороты оправки с 0 до 9 об/мин. И передавать вращение на оправку напрямую через фланец.
Все бы ничего, но вес только редуктора 700кг. Соответственно и цена не маленькая.
Решено поставить зубчатую пару с передаточным числом 1:6. Ищем...
На прошлой неделе 2 разных человека посчитали момент на валу:
У нашего проектировщика получилось - 12 000 Нм
У продавца моторов - 16 000 Нм
Под этот момент подобрали нам редуктор и двигатель на 15кВт.
АДЧР160L4У3-IM3081-1-Т02500-В3-023
Редуктор F157-162.9-9.0
Данная пара позволит нам регулировать обороты оправки с 0 до 9 об/мин. И передавать вращение на оправку напрямую через фланец.
Все бы ничего, но вес только редуктора 700кг. Соответственно и цена не маленькая.
Решено поставить зубчатую пару с передаточным числом 1:6. Ищем...
-
aftaev
- Зачётный участник

- Сообщения: 34042
- Зарегистрирован: 04 апр 2010, 19:22
- Репутация: 6194
- Откуда: Казахстан.
- Контактная информация:
Re: Намоточный станок для стеклопластика - 7500мм
Мы только заskv писал(а):Раз никто по существу ничего не говорит, то буду просто новости сюда писать.
Не многовато? Это какого диаметр барабана и какое усилие натяжки нитей они считали?skv писал(а):На прошлой неделе 2 разных человека посчитали момент на валу:
У нашего проектировщика получилось - 12 000 Нм
У продавца моторов - 16 000 Нм
А мож сделать зубья на оправке и вращать цепьюskv писал(а):Решено поставить зубчатую пару с передаточным числом 1:6. Ищем...
skv, когда нить в барабане заканчивается что делается? Останавливается процесс и нитки связываются узелком?
Дилетанту сложные вещи кажутся очень простыми, и только профессионал понимает насколько сложна самая простая вещь
Кто хочет - ищет возможности, кто не хочет - ищет оправдание.
Найди работу по душе и тебе не придется работать.
Кто хочет - ищет возможности, кто не хочет - ищет оправдание.
Найди работу по душе и тебе не придется работать.
-
skv
- Новичок
- Сообщения: 21
- Зарегистрирован: 23 июл 2015, 01:18
- Репутация: 0
- Настоящее имя: Kirill
- Контактная информация:
Re: Намоточный станок для стеклопластика - 7500мм
Не могу сказать. Я в этом совсем не разбираюсь.aftaev писал(а):Не многовато? Это какого диаметр барабана и какое усилие натяжки нитей они считали?
Самое большое тело, которое мы будем вращать:
Длина - 7500мм
Диаметр - 3600мм
Масса - 7000кг
Сила натяжения нитей - 1000кг
Но такая ситуация будет происходить 1 раз в год... Обычно все параметры (кроме длины) будут в 2 раза меньше.
Не думал про такой вариант. Но как мне кажется, будет не удобно менять оправки. А это надо делать 2 раза в день. Или можно что-нить придумать?aftaev писал(а):А мож сделать зубья на оправке и вращать цепью
Нитка завязывается узелком, нитетракт разбирается и в ацетон, а оправка продолжает вращаться еще пару часов под инфракрасными лампами.aftaev писал(а):skv, когда нить в барабане заканчивается что делается? Останавливается процесс и нитки связываются узелком?
-
Rionet
- Мастер
- Сообщения: 422
- Зарегистрирован: 26 янв 2016, 22:01
- Репутация: 83
- Настоящее имя: Глазунов Роман
- Откуда: Волгоград
- Контактная информация:
Re: Намоточный станок для стеклопластика - 7500мм
1000 кг*с это 10 тыс Н. На радиусе 1.8м это будет 18 тыс. Н*м.
Не смог найти данные вашего редуктора.
По допустимым нагрузкам проходит Ц2У-400. (по моменту и нагрузке на вал в пол веса детали)
Только для редукции 1:50 надо двигатель на 450 об/мин..
Посмотрите такие редукторы б/у, они с советских времен работают без проблем. Видел в металлоломе рабочие (правда поменьше, 250-го габарита).
Не смог найти данные вашего редуктора.
По допустимым нагрузкам проходит Ц2У-400. (по моменту и нагрузке на вал в пол веса детали)
Только для редукции 1:50 надо двигатель на 450 об/мин..
Посмотрите такие редукторы б/у, они с советских времен работают без проблем. Видел в металлоломе рабочие (правда поменьше, 250-го габарита).
-
skv
- Новичок
- Сообщения: 21
- Зарегистрирован: 23 июл 2015, 01:18
- Репутация: 0
- Настоящее имя: Kirill
- Контактная информация:
Re: Намоточный станок для стеклопластика - 7500мм
С редуктором пока пауза. Пока не определимся окончательно с зубчатой передачей.
Проектировщик начал отговаривать от шестерни мотивируя это так:
Проектировщик начал отговаривать от шестерни мотивируя это так:
Производители люнетов вот такое предложение сделали:Нужно все таки думать в сторону редуктора. Отдельно передачу я конечно могу нарисовать, но межосевое расстояние мы не выдержим точное...смазки нормально не будет...Рекомендую редуктор.
Короче опять ничего не понятно...Для минимизации износа мы применим самоустанавливающиеся ролики с
цилиндрической поверхностью катания и непрерывной смазкой беговой дорожки.
Возникнет проблемма осевого увода, которая будет минимизирована
вышеупомянутыми мерами, однако полностью избавиться от него не удастся - опыт
есть.
Для решения этой проблеммы предлагаем присоединение к приводному редуктору через
карданный вал (предпочтительно) или, если оставить как у вас, с насаженной
шестернёй на центральный вал (оправку), нужно предусмотреть что-то, что будет
воспринимать осевые силы.
Это может быть карданный вал, воспринимающий только осевые силы (предпочтительно) или какие-то торцевые
поверхности, с которыми будут контактировать дополнительные ролики,
воспринимающие осевые силы.
Несмотря на все вышеуказанные мероприятия, рекомендуем упрочнить поверхности
беговых дорожек вала закалкой или наплавкой.
Мы могли бы упрочнить как закалкой, так и наплавкой, но потребуется токарная
обработка поверхностей катания, у нас нет возможности обработать столь большую
длину. При закалке токарная обработка производится до упрочнения, а при
наплавке - после и поверхность приобретает твёрдость в процессе работы. Такие
технологии у нас есть.
Возможно стоит посмотреть в сторону съёмных концов намоточного вала.
Возможно, что у нас есть подходящий по параметрам редуктор, чтобы обойтись
без шестерни на намоточном валу. Надо знать требования.
- Сергей Саныч
- Мастер
- Сообщения: 9116
- Зарегистрирован: 30 май 2012, 14:20
- Репутация: 2858
- Откуда: Тюмень
- Контактная информация:
Re: Намоточный станок для стеклопластика - 7500мм
А действительно требуется такое усилие натяжения нитей? Вон в видео два китайца не спеша топают. Там явно натяг на порядки меньше.skv писал(а):Сила натяжения нитей - 1000кг
И, кстати, чем не устраивает существующее оборудование?
Вроде такого http://намотка.com/rpn-1500f3.html
Чудес не бывает. Бывают фокусы.
-
aftaev
- Зачётный участник

- Сообщения: 34042
- Зарегистрирован: 04 апр 2010, 19:22
- Репутация: 6194
- Откуда: Казахстан.
- Контактная информация:
Re: Намоточный станок для стеклопластика - 7500мм
Смотрел параметры /фото нитетрактов. Есть на 400-600кг.Сергей Саныч писал(а):А действительно требуется такое усилие натяжения нитей? Вон в видео два китайца не спеша топают. Там явно натяг на порядки меньше.
Дилетанту сложные вещи кажутся очень простыми, и только профессионал понимает насколько сложна самая простая вещь
Кто хочет - ищет возможности, кто не хочет - ищет оправдание.
Найди работу по душе и тебе не придется работать.
Кто хочет - ищет возможности, кто не хочет - ищет оправдание.
Найди работу по душе и тебе не придется работать.
-
aftaev
- Зачётный участник

- Сообщения: 34042
- Зарегистрирован: 04 апр 2010, 19:22
- Репутация: 6194
- Откуда: Казахстан.
- Контактная информация:
Re: Намоточный станок для стеклопластика - 7500мм
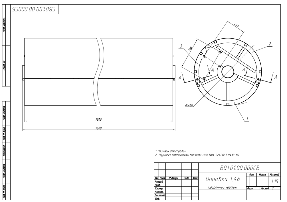
Не совсем понятно как у вас оправки выглядят. За что можно вращать. Иль чертежик или фото.skv писал(а):Короче опять ничего не понятно...
Дилетанту сложные вещи кажутся очень простыми, и только профессионал понимает насколько сложна самая простая вещь
Кто хочет - ищет возможности, кто не хочет - ищет оправдание.
Найди работу по душе и тебе не придется работать.
Кто хочет - ищет возможности, кто не хочет - ищет оправдание.
Найди работу по душе и тебе не придется работать.
-
skv
- Новичок
- Сообщения: 21
- Зарегистрирован: 23 июл 2015, 01:18
- Репутация: 0
- Настоящее имя: Kirill
- Контактная информация:
Re: Намоточный станок для стеклопластика - 7500мм
Чем меньше связующего в стеклопластике, тем он качественнее. Соответственно нужно хорошо отжимать нить. От сюда и натяжение. Есть нитетракты на 30-40 нитей. А у нас на 80 ))
Вот и набежала тонна. Но это максимальная величина. При необходимости мы всегда можем эти 1000кг понизить хоть до 100кг. Увеличив время работы или уменьшив пропитку.
Вот и набежала тонна. Но это максимальная величина. При необходимости мы всегда можем эти 1000кг понизить хоть до 100кг. Увеличив время работы или уменьшив пропитку.
-
skv
- Новичок
- Сообщения: 21
- Зарегистрирован: 23 июл 2015, 01:18
- Репутация: 0
- Настоящее имя: Kirill
- Контактная информация:
Re: Намоточный станок для стеклопластика - 7500мм
Пока просто есть центральная ось 273мм. Пока не решено как ее будем вращать: фланец, зубчатая передача, цепь или еще как-то.aftaev писал(а):Не совсем понятно как у вас оправки выглядят. За что можно вращать. Иль чертежик или фото.skv писал(а):Короче опять ничего не понятно...
-
skv
- Новичок
- Сообщения: 21
- Зарегистрирован: 23 июл 2015, 01:18
- Репутация: 0
- Настоящее имя: Kirill
- Контактная информация:
Re: Намоточный станок для стеклопластика - 7500мм
Только в реальности ось выходит по краям на 1000мм пока.skv писал(а):Пока просто есть центральная ось 273мм. Пока не решено как ее будем вращать: фланец, зубчатая передача, цепь или еще как-то.aftaev писал(а):Не совсем понятно как у вас оправки выглядят. За что можно вращать. Иль чертежик или фото.skv писал(а):Короче опять ничего не понятно...
-
skv
- Новичок
- Сообщения: 21
- Зарегистрирован: 23 июл 2015, 01:18
- Репутация: 0
- Настоящее имя: Kirill
- Контактная информация:
Re: Намоточный станок для стеклопластика - 7500мм
Нашел старое письмо от людей, которые запускают подобные машины военным и которые собрали нам этот чудесный нитетракт:
Те получается если стоит зубчатая передача 1:6, то момент на валу редуктора = 8000/6 ?Здравствуйте!
При диаметре 3600 максимальную скорость взял 10 об/мин. Большая скорость на таком диаметре приведет к захвату воздуха ровингом и ухудшению пропитки.
При плече 1800 мм и натяжении в 800 кг, момент на валу необходим порядка 8000 Нм.
Для того, что бы работал серийный редуктор, передаточное число шестерен необходимо взять: 1:6. Соответственно, редуктор должен иметь в районе 1400Нм.
Предлагаю из недорогих взять вот такую серию:
http://www.prst.ru/docs/innovari/ck/X94C.pdf с передаточным числом в районе 48.26
Мотор тогда можно взять недорогой Омрон G5 R88M 7.5 кВт на 3000 об/мин.
Получите на валу редуктора момент 1400 и скорость около 61 об/мин, что соответствует 10 об/мин при 1:6 шестерни.
- Сергей Саныч
- Мастер
- Сообщения: 9116
- Зарегистрирован: 30 май 2012, 14:20
- Репутация: 2858
- Откуда: Тюмень
- Контактная информация:
Re: Намоточный станок для стеклопластика - 7500мм
Естественно.skv писал(а):получается если стоит зубчатая передача 1:6, то момент на валу редуктора = 8000/6 ?
Здесь ошибка - момент будет около 14000 Нм.skv писал(а):При плече 1800 мм и натяжении в 800 кг, момент на валу необходим порядка 8000 Нм.
Кстати, вариант привода с зубчатым ремнем не рассматривали?
Чудес не бывает. Бывают фокусы.