Бюджетный ЧПУ станок по дереву 1750х960х130 фрезер 2.2 кВт.

Фрезерные и гравировальные станки для обработки мягких материалов (дерево, пластики, мягкие металлы).
vovanst
Новичок
Сообщения: 6
Зарегистрирован: 01 окт 2015, 23:41
Репутация: 1
Настоящее имя: Владимир
Откуда: Новороссийск
Контактная информация:

Бюджетный ЧПУ станок по дереву 1750х960х130 фрезер 2.2 кВт.

Сообщение vovanst »

Всем добрый день!
Как то бродил по форумам с ЧПУ тематикой и наткнулся на ветку созданную master_70. Почитал, зацепило. Потребность в станке есть, решил сделать что-то подобное. Критерий был такой: оптимальное соотношение цена/качество, размеры рабочего поля не менее 1500 х 750. Резать нужно будет фанеру, дерево.

Описание станка, основные характеристики: Станок делал по образу и подобию станка master_70. Черпал всю инфу с форума. После долгой комплектации и конфигурации станка, решил электронику брать с aliexpress, механику из отечественных интернет магазинов. Направляющие Х, У сделал сам. Использовал квадрат 80х40.
Двигатели 30kg-cm(425oz-in) - 3 шт. Драйвера DQ542MA - 3 шт. - Ось Х, У.
Двигатель 23HS8430 18 kg-cm - 1шт, драйвер FMD2740A - 1шт. - Ось Z.
Блок питания 350V,36V - 2 шт.
Элементы передачи по Х, У рейка, Z - винт-гайка.
Физические размеры станка получились 2000 на 1200
Прошу мастеров покритиковать мой станок

Рабочее поле: примерно 1750 х 960 х 130
Обрабатываемые материалы: Буду обрабатывать дерево, фанеру
Чертежи, фото, видео станка: чертежей к сожалению нет, хотя понимаю что нужно было с начала в инверторе все моделировать.
Примеры изделий (фото):
Вопросы: Не могу разобраться с подключением драйвера.
Что пробовал:
Что плучилось:
Что не получилось: станок находится в процессе пуско-наладки.
Ориентировочный бюджет: изначально планировал уложится в 50 т.р., но получилось 80 т.р.

Хочу поделиться проделанной работой...

Купил металл, примеряю... Пошкурил, все было в ржавчине.
IMG_1192.JPG (5616 просмотров) <a class='original' href='./download/file.php?id=90624&mode=view' target=_blank>Загрузить оригинал (1 МБ)</a>
Расчистил место под станочег
IMG_1194.JPG (5616 просмотров) <a class='original' href='./download/file.php?id=90625&mode=view' target=_blank>Загрузить оригинал (764.11 КБ)</a>
Пришлось сделать сверлильный станок из девятошной рулевой рейки. Бюджет 1000 руб.
IMG_1195.JPG (5616 просмотров) <a class='original' href='./download/file.php?id=90626&mode=view' target=_blank>Загрузить оригинал (687.35 КБ)</a>
Вот и движки
IMG_1196.JPG (5616 просмотров) <a class='original' href='./download/file.php?id=90627&mode=view' target=_blank>Загрузить оригинал (832.18 КБ)</a>
Сделал корпус под электронику, но в последствии переделал. Воткнул все в корпус системного блока.
IMG_1198.JPG (5616 просмотров) <a class='original' href='./download/file.php?id=90628&mode=view' target=_blank>Загрузить оригинал (866.17 КБ)</a>
IMG_1199.JPG (5616 просмотров) <a class='original' href='./download/file.php?id=90629&mode=view' target=_blank>Загрузить оригинал (697.42 КБ)</a>
Пришли рейки и другие железяки.
IMG_1201.JPG (5616 просмотров) <a class='original' href='./download/file.php?id=90630&mode=view' target=_blank>Загрузить оригинал (925.72 КБ)</a>
Собрал каретки для портала
IMG_1210.JPG (5616 просмотров) <a class='original' href='./download/file.php?id=90631&mode=view' target=_blank>Загрузить оригинал (1.12 МБ)</a>
IMG_1209.JPG (5616 просмотров) <a class='original' href='./download/file.php?id=90632&mode=view' target=_blank>Загрузить оригинал (1.02 МБ)</a>
Вот так сверлю отверстия в профильной трубе, выставляю по уровню. Чтобы было все ровно, но ровно все равно не получилось :)
IMG_1211.JPG (5616 просмотров) <a class='original' href='./download/file.php?id=90633&mode=view' target=_blank>Загрузить оригинал (665.54 КБ)</a>
Начинаю собирать каркас станка
IMG_1270.JPG (5616 просмотров) <a class='original' href='./download/file.php?id=90634&mode=view' target=_blank>Загрузить оригинал (889.77 КБ)</a>
IMG_1386.JPG (5616 просмотров) <a class='original' href='./download/file.php?id=90635&mode=view' target=_blank>Загрузить оригинал (1002.67 КБ)</a>
IMG_1387.JPG (5616 просмотров) <a class='original' href='./download/file.php?id=90636&mode=view' target=_blank>Загрузить оригинал (866.97 КБ)</a>
IMG_1395.JPG (5616 просмотров) <a class='original' href='./download/file.php?id=90638&mode=view' target=_blank>Загрузить оригинал (882.29 КБ)</a>

Направляющие в сборе
IMG_1397.JPG (5616 просмотров) <a class='original' href='./download/file.php?id=90639&mode=view' target=_blank>Загрузить оригинал (940.25 КБ)</a>
Подвесил монитор и смонтировал электронику в системный блок.
IMG_1591.JPG (5616 просмотров) <a class='original' href='./download/file.php?id=90640&mode=view' target=_blank>Загрузить оригинал (674.12 КБ)</a>
IMG_1592.JPG (5616 просмотров) <a class='original' href='./download/file.php?id=90641&mode=view' target=_blank>Загрузить оригинал (834.02 КБ)</a>
Вот так станок выглядит сейчас.
IMG_1798.JPG (5616 просмотров) <a class='original' href='./download/file.php?id=90646&mode=view' target=_blank>Загрузить оригинал (896.44 КБ)</a>
IMG_1801.JPG (5616 просмотров) <a class='original' href='./download/file.php?id=90647&mode=view' target=_blank>Загрузить оригинал (720.52 КБ)</a>
IMG_1803.JPG (5616 просмотров) <a class='original' href='./download/file.php?id=90648&mode=view' target=_blank>Загрузить оригинал (823.44 КБ)</a>
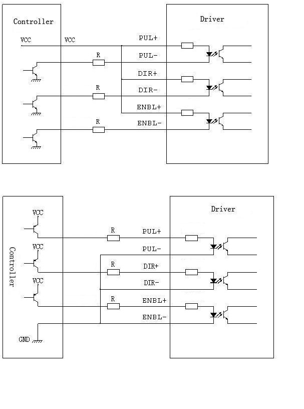
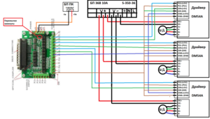
Электронику подсоединял вот по этой схеме. Заработало все, кроме драйвера FMD2740A(ось Z) Нажимаю клавишу Page up/Page Down двигатель шумит, но не крутиться. Двигатель подключен в драйверу правильно.
Комутация  DB25-1205.png (5616 просмотров) <a class='original' href='./download/file.php?id=90649&mode=view' target=_blank>Загрузить оригинал (315.05 КБ)</a>
У меня плата коммутации DB25-1205.
IMG_1093.JPG (5616 просмотров) <a class='original' href='./download/file.php?id=90623&mode=view' target=_blank>Загрузить оригинал (925.14 КБ)</a>
По мануалу драйвер FMD2740A нужно подключать вот так.
FMD2740A_05.jpg (5616 просмотров) <a class='original' href='./download/file.php?id=90650&mode=view' target=_blank>Загрузить оригинал (50.49 КБ)</a>
А драйвер DQ524Ma вот так
DQ542.jpg (5616 просмотров) <a class='original' href='./download/file.php?id=90651&mode=view' target=_blank>Загрузить оригинал (67.27 КБ)</a>
Как мне подружить драйвер FMD2740A с платой DB25-1205 и с драйверами DQ524MА ??
Вложения
IMG_1395.JPG (5616 просмотров) <a class='original' href='./download/file.php?id=90637&mode=view' target=_blank>Загрузить оригинал (882.29 КБ)</a>
IMG_1593.JPG (5616 просмотров) <a class='original' href='./download/file.php?id=90642&mode=view' target=_blank>Загрузить оригинал (794.68 КБ)</a>
IMG_1688.JPG (5616 просмотров) <a class='original' href='./download/file.php?id=90643&mode=view' target=_blank>Загрузить оригинал (858.68 КБ)</a>
IMG_1690.JPG (5616 просмотров) <a class='original' href='./download/file.php?id=90644&mode=view' target=_blank>Загрузить оригинал (752 КБ)</a>
IMG_1692.JPG (5616 просмотров) <a class='original' href='./download/file.php?id=90645&mode=view' target=_blank>Загрузить оригинал (770.34 КБ)</a>
vovanst
Новичок
Сообщения: 6
Зарегистрирован: 01 окт 2015, 23:41
Репутация: 1
Настоящее имя: Владимир
Откуда: Новороссийск
Контактная информация:

Re: Бюджетный ЧПУ станок по дереву 1750х960х130 фрезер 2.2 к

Сообщение vovanst »

C подключением разобрался, но появилась новая проблема. При включенном шпинделе шаговый двигатель самопроизвольно начинает крутиться. Одел на провод двигателя феритовое кольцо, эффекта никакого не было.
Если шаговый двигатель подключен к драйверу FMD2740A, то этот дефект появляется, если подключить к драйверу DQ542MA - все в норме.
Как устранить эту проблему?
https://www.youtube.com/watch?v=eu91Q1dldOs
Аватара пользователя
MX_Master
Мастер
Сообщения: 7490
Зарегистрирован: 27 июн 2015, 19:45
Репутация: 3113
Настоящее имя: Михаил
Откуда: Алматы
Контактная информация:

Re: Бюджетный ЧПУ станок по дереву 1750х960х130 фрезер 2.2 к

Сообщение MX_Master »

Повсеместным заземлением (:

У меня экранированный кабель идет на шпиндель, экран соединен с его корпусом. Так вот, если этот экран не заземлен, то начинают концевики срабатывать в случайном порядке.
vovanst
Новичок
Сообщения: 6
Зарегистрирован: 01 окт 2015, 23:41
Репутация: 1
Настоящее имя: Владимир
Откуда: Новороссийск
Контактная информация:

Re: Бюджетный ЧПУ станок по дереву 1750х960х130 фрезер 2.2 к

Сообщение vovanst »

Купил экранированный провод МКЭШ 3*0,75, поставил, ничего не изменилось. Экран нужно подключать куда нибудь?
Провода от драйвера к двигателю тоже экранированные нужны? Этот гребаный драйвер реагирует даже на включение энергосберегающих ламп.
vovanst
Новичок
Сообщения: 6
Зарегистрирован: 01 окт 2015, 23:41
Репутация: 1
Настоящее имя: Владимир
Откуда: Новороссийск
Контактная информация:

Re: Бюджетный ЧПУ станок по дереву 1750х960х130 фрезер 2.2 к

Сообщение vovanst »

С наводками от инвертора проблему решил. Но появилась следующая проблема: mach3 почему-то не хочет отрабатывать весь g-код. Останавливается станок, а G-код отработан не весь, причем в mach3 в предпросмотре модели отображается не вся модель. Проблема появляется почти на каждой модели. Где подвох?
Аватара пользователя
MX_Master
Мастер
Сообщения: 7490
Зарегистрирован: 27 июн 2015, 19:45
Репутация: 3113
Настоящее имя: Михаил
Откуда: Алматы
Контактная информация:

Re: Бюджетный ЧПУ станок по дереву 1750х960х130 фрезер 2.2 к

Сообщение MX_Master »

Код в студию
Finder
Новичок
Сообщения: 8
Зарегистрирован: 23 ноя 2015, 09:26
Репутация: 1
Настоящее имя: Павел
Контактная информация:

Re: Бюджетный ЧПУ станок по дереву 1750х960х130 фрезер 2.2 к

Сообщение Finder »

Может Mach не лицензия? , в пробной версии программы вроде ограничение на 1000 строк
Аватара пользователя
tol-tolich
Новичок
Сообщения: 2
Зарегистрирован: 17 сен 2015, 02:01
Репутация: 0
Настоящее имя: Анатолий
Откуда: г.Минск
Контактная информация:

Re: Бюджетный ЧПУ станок по дереву 1750х960х130 фрезер 2.2 к

Сообщение tol-tolich »

vovanst. как Вы решили вопрос с наводками от инвертора?
Аватара пользователя
Mamont
Мастер
Сообщения: 2005
Зарегистрирован: 10 дек 2015, 12:21
Репутация: 391
Настоящее имя: Виталий
Откуда: РБ Минск
Контактная информация:

Re: Бюджетный ЧПУ станок по дереву 1750х960х130 фрезер 2.2 к

Сообщение Mamont »

tol-tolich писал(а): vovanst. как Вы решили вопрос с наводками от инвертора?
1Шаманство с разводкой линий управления (коричневая на рисунке) , от каждого драйвера, каждой точки pul dir enbl желательно пустить свой отдельный провод до платы контролера (опторазвязки)
2Хорошо бы еще кабель витую пару распотрошить, и скрученными проводками эти сигналы пустить
3 Можно конденсаторы подвесить прямо на пины драйвера. Емкость c=0.25*t/r. t=10^-5 (10мкс в настройках мача) R - резистор в линии.
если R=100 Ом, то С= 0.25*10^-7 Ф=25нФ = 22 или 33нФ

Какой бы не был стабильный драйвер, конструкцию портала этим не улучшить :problem:
zarvydas
Новичок
Сообщения: 29
Зарегистрирован: 30 янв 2015, 11:18
Репутация: 27
Настоящее имя: Arvydas Petrauskas
Контактная информация:

Re: Бюджетный ЧПУ станок по дереву 1750х960х130 фрезер 2.2 к

Сообщение zarvydas »

Сдравствуйте vovans, я тоже сделавший такой станок по мотивам Master_70 почти 2 года назад ,
работает досих пор, были проблемы с подшипниками надо ставить хорошие типа SKF, дешевые сразу разбалтываются, чтоб поменять их на такой конструкции - задолбаешся, я переделал потом чють конструкцию чтоб проще было менять и добавил к каждому подшипнику еще по одному а то накатывают канавки на профиле не маленькие быстро, сечяс все притерлось, давно не подстраивал, советую удвоить подшипники чтобы потом не плеваться
vovanst
Новичок
Сообщения: 6
Зарегистрирован: 01 окт 2015, 23:41
Репутация: 1
Настоящее имя: Владимир
Откуда: Новороссийск
Контактная информация:

Re: Бюджетный ЧПУ станок по дереву 1750х960х130 фрезер 2.2 к

Сообщение vovanst »

Да, я проблему решил!
Выкинул драйвер FMD2740A, в место него поставил DQ542MA. И все пучком.
Вообщем драйвер FMD2740A говно!
Ответить

Вернуться в «Фрезерные станки по дереву и пластикам, гравировальные станки, роутеры»