Помогите с подключением TB6560-V2.0 к nc studio

Общие вопросы станкостроения и организиции труда.
frezakov
Кандидат
Сообщения: 45
Зарегистрирован: 15 фев 2014, 20:59
Репутация: 1
Контактная информация:

Помогите с подключением TB6560-V2.0 к nc studio

Сообщение frezakov »

Вот приобрел себе такой наборчик: три драйвера TB6560-V2.0 и nc studio. По печальному прошлому опыту подключения, теперь буду несколько раз перепроверять то что делаю ибо моя прошлая решительность осталась в прошлом вместе с контроллером red TB6560HQT 4V3. Так то в принципе понятно что куда соединять, но лучше уж переспрошу лишний раз. Я сейчас обрисую как я понимаю что куда соединять, а коль что не так, то буду рад если кто поправит.
Схема nc studio редактированная.jpg (5411 просмотров) <a class='original' href='./download/file.php?id=85284&mode=view' target=_blank>Загрузить оригинал (84.92 КБ)</a>
Аватара пользователя
Taganrog
Мастер
Сообщения: 1238
Зарегистрирован: 15 апр 2015, 16:32
Репутация: 284
Настоящее имя: Евгений
Откуда: Брянск
Контактная информация:

Re: Помогите с подключением TB6560-V2.0 к nc studio

Сообщение Taganrog »

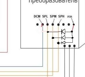
на картинке не видно что написанно на плате драйвера. Если не перепутал DIR+ и DIR- ну и степ соответственно то должно работать. ТОлько не каждый инвертор можно запрограмировать чтоб включался автоматически. Мне пришлось добавить 3 диода чтоб он включался при выставлении в ncstudio любой скорости.
Схема nc studio редактированная.jpg
Схема nc studio редактированная.jpg (11.24 КБ) 5400 просмотров
А в твоем случае при программировании инвертора на старт по сигналу forward он будет постоянно вращаться.скорости меняться будут а выключаться -нет.
frezakov
Кандидат
Сообщения: 45
Зарегистрирован: 15 фев 2014, 20:59
Репутация: 1
Контактная информация:

Re: Помогите с подключением TB6560-V2.0 к nc studio

Сообщение frezakov »

Taganrog писал(а):на картинке не видно что написанно на плате драйвера. Если не перепутал DIR+ и DIR- ну и степ соответственно то должно работать. ТОлько не каждый инвертор можно запрограмировать чтоб включался автоматически. Мне пришлось добавить 3 диода чтоб он включался при выставлении в ncstudio любой скорости.
Вложение Схема nc studio редактированная.jpg больше недоступно
А в твоем случае при программировании инвертора на старт по сигналу forward он будет постоянно вращаться.скорости меняться будут а выключаться -нет.
Инвертора у меня нет, просто я не стал удалять стандартный чертеж полностью. Шпиндель напрямую к сети подключен и включается исключительно вручную. возможно в будущем через релюху какнить подкинуть, но сейчас главное настроить работу станка без шпинделя.

и мне не понятны два оставшихся выхода EN+ и EN-
Вложения
тут видно (5389 просмотров) <a class='original' href='./download/file.php?id=85298&mode=view' target=_blank>Загрузить оригинал (52.6 КБ)</a>
тут видно
Аватара пользователя
Taganrog
Мастер
Сообщения: 1238
Зарегистрирован: 15 апр 2015, 16:32
Репутация: 284
Настоящее имя: Евгений
Откуда: Брянск
Контактная информация:

Re: Помогите с подключением TB6560-V2.0 к nc studio

Сообщение Taganrog »

Это enable . Сигнал который разрешает /запрещает работу драйвера. Полностью снимая напряжение с двигателей . Часто его просто не используют.
frezakov
Кандидат
Сообщения: 45
Зарегистрирован: 15 фев 2014, 20:59
Репутация: 1
Контактная информация:

Re: Помогите с подключением TB6560-V2.0 к nc studio

Сообщение frezakov »

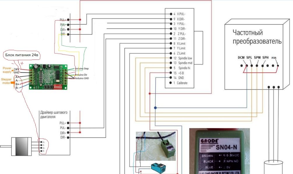
что-то я запутался в подключении. На схеме подключения nc studio, вроде как контакты драйвера которые два вместе соединяются и подключаются к одному разьему на nc studio под номером 15 и рядом написано 5v. Вот нашел как эти драйвера подключают к плате arduino и там эти спаренные контакты подсоединяются к контакту под названием gnd
ard2подкл1.JPG (5347 просмотров) <a class='original' href='./download/file.php?id=85324&mode=view' target=_blank>Загрузить оригинал (46.68 КБ)</a>
а на схеме подключения nc studio
Как понять? (5347 просмотров) <a class='original' href='./download/file.php?id=85325&mode=view' target=_blank>Загрузить оригинал (35.51 КБ)</a>
Как понять?
Аватара пользователя
Taganrog
Мастер
Сообщения: 1238
Зарегистрирован: 15 апр 2015, 16:32
Репутация: 284
Настоящее имя: Евгений
Откуда: Брянск
Контактная информация:

Re: Помогите с подключением TB6560-V2.0 к nc studio

Сообщение Taganrog »

Все верно ардуино у вас подключена" с общим минусом" . NCSTUDIO сделанна с общим плюсом.
на драйвера есть все выводы . можно и подключать и туда и туда.
подключайте так:
ard2подкл1.JPG (5333 просмотра) <a class='original' href='./download/file.php?id=85330&mode=view' target=_blank>Загрузить оригинал (49.89 КБ)</a>
frezakov
Кандидат
Сообщения: 45
Зарегистрирован: 15 фев 2014, 20:59
Репутация: 1
Контактная информация:

Re: Помогите с подключением TB6560-V2.0 к nc studio

Сообщение frezakov »

Taganrog писал(а):Все верно ардуино у вас подключена" с общим минусом" . NCSTUDIO сделанна с общим плюсом.
на драйвера есть все выводы . можно и подключать и туда и туда.
подключайте так:
ard2подкл1.JPG
понял, спасибо огромное!
frezakov
Кандидат
Сообщения: 45
Зарегистрирован: 15 фев 2014, 20:59
Репутация: 1
Контактная информация:

Re: Помогите с подключением TB6560-V2.0 к nc studio

Сообщение frezakov »

все подключил, все работает, завтра буду разбираться с датчиками и настройками шагов и т. д. Спасибо за помощь!
frezakov
Кандидат
Сообщения: 45
Зарегистрирован: 15 фев 2014, 20:59
Репутация: 1
Контактная информация:

Re: Помогите с подключением TB6560-V2.0 к nc studio

Сообщение frezakov »

появилась проблема, греются драйвера. по началу радиаторы были тепленькие, а сейчас прям горячие. Ничего не менялось в настройках. Драйвера на 3 ампера, моторы по 3 ампера. Сами моторы нагревались и нагреваются терпимо градусов до 60. Кто что может подсказать? Уменьшать ток вроде не целесообразно. Или может прицепить на каждый драйвер вентилятор?
nevkon
Почётный участник
Почётный участник
Сообщения: 2473
Зарегистрирован: 17 июл 2015, 10:25
Репутация: 310
Настоящее имя: Константин
Откуда: Балаково (Саратовская обл.)
Контактная информация:

Re: Помогите с подключением TB6560-V2.0 к nc studio

Сообщение nevkon »

Для начала поставить вентилятор, но на максимальном для драйвера токе гонять небезопасно, возможно скоро придется менять.
Может режим работы станка изменился на более интенсивный?
frezakov
Кандидат
Сообщения: 45
Зарегистрирован: 15 фев 2014, 20:59
Репутация: 1
Контактная информация:

Re: Помогите с подключением TB6560-V2.0 к nc studio

Сообщение frezakov »

nevkon писал(а):Для начала поставить вентилятор, но на максимальном для драйвера токе гонять небезопасно, возможно скоро придется менять.
Может режим работы станка изменился на более интенсивный?
греется одна ось Х. Интенсивно работают две оси X и Z. На Y драйвер холодный, но он и не двигается практически. Странно то что, в начале все оси работали без существенного нагрева.
frezakov
Кандидат
Сообщения: 45
Зарегистрирован: 15 фев 2014, 20:59
Репутация: 1
Контактная информация:

Re: Помогите с подключением TB6560-V2.0 к nc studio

Сообщение frezakov »

по ходу дела нарисовалась еще проблемка, сбивается по Z вверх, за три часа на 2.5мм. Шаг 0,06мм, скорость 800мм/мин
Аватара пользователя
Taganrog
Мастер
Сообщения: 1238
Зарегистрирован: 15 апр 2015, 16:32
Репутация: 284
Настоящее имя: Евгений
Откуда: Брянск
Контактная информация:

Re: Помогите с подключением TB6560-V2.0 к nc studio

Сообщение Taganrog »

А тут однозначного ответа вряд ли кто даст, ибо причин может быть множество. На форуме есть тема про сбой координат.Почитай.Там много аспектов оговорено.(Виновата может быть как электроника так и механика)
Аватара пользователя
Тенгель
Почётный участник
Почётный участник
Сообщения: 1814
Зарегистрирован: 01 май 2012, 13:41
Репутация: 619
Откуда: Чита
Контактная информация:

Re: Помогите с подключением TB6560-V2.0 к nc studio

Сообщение Тенгель »

Интересно, судя по вопросам на форуме, сбой осей чаще всего происходят именно по Z, какое этому может быть логическое объяснение ?
Или я ошибаюсь/мне показалось ?
Подпись отключена за неуплату.
frezakov
Кандидат
Сообщения: 45
Зарегистрирован: 15 фев 2014, 20:59
Репутация: 1
Контактная информация:

Re: Помогите с подключением TB6560-V2.0 к nc studio

Сообщение frezakov »

Кто пользуется или пользовался драйвером шагового двигателя TB6560 V2? Отзовитесь! Сильно ли он у Вас нагревался. Я уже перепрововал все вариации с джамперами на палте и никакого толку. Двигатели подключены 3-х амперные. Может они так устроены, что это их нормальное состояние так нагреваться? Радиатор того драйвера который интенсивнее всего работает, нагревается так что припекает в руку, а тот что почти не используется, вообще прохладный.
Аватара пользователя
michael-yurov
Почётный участник
Почётный участник
Сообщения: 11731
Зарегистрирован: 26 июл 2012, 00:10
Репутация: 4703
Настоящее имя: Михаил Львович
Откуда: Новоуральск
Контактная информация:

Re: Помогите с подключением TB6560-V2.0 к nc studio

Сообщение michael-yurov »

Тенгель писал(а):Интересно, судя по вопросам на форуме, сбой осей чаще всего происходят именно по Z, какое этому может быть логическое объяснение ?
Или я ошибаюсь/мне показалось ?
По другим координатам не замечают смещения, т.к. привязаться не к чему.
Если деталь вырежется на 0,5 мм левее / правее - никто этого не заметит.
frezakov
Кандидат
Сообщения: 45
Зарегистрирован: 15 фев 2014, 20:59
Репутация: 1
Контактная информация:

Re: Помогите с подключением TB6560-V2.0 к nc studio

Сообщение frezakov »

проверил механику, все крутится свободно, заэкранировал провод от ШД и заземлил экран. перепробовал разные деления шагов, синусоиды, ток выставлял меньше. Все это никак не повлияло на то что ось Z сбивается за пол часа примерно на 0,3мм вверх. Скорость 3D обработки 700мм/мин. шаг 0,07. фреза 0,2 конусная. Может это драйвера такие и их невозможно настроить? Читал разные темы. Если кто может подкинуть еще что по этому поводу, буду рад.
Аватара пользователя
michael-yurov
Почётный участник
Почётный участник
Сообщения: 11731
Зарегистрирован: 26 июл 2012, 00:10
Репутация: 4703
Настоящее имя: Михаил Львович
Откуда: Новоуральск
Контактная информация:

Re: Помогите с подключением TB6560-V2.0 к nc studio

Сообщение michael-yurov »

frezakov писал(а):проверил механику, все крутится свободно, заэкранировал провод от ШД и заземлил экран. перепробовал разные деления шагов, синусоиды, ток выставлял меньше. Все это никак не повлияло на то что ось Z сбивается за пол часа примерно на 0,3мм вверх. Скорость 3D обработки 700мм/мин. шаг 0,07. фреза 0,2 конусная. Может это драйвера такие и их невозможно настроить? Читал разные темы. Если кто может подкинуть еще что по этому поводу, буду рад.
Нужно проверить муфты, что они не проскальзывают, и не резонируют, если они спиральные.

И вторая возможная проблема - сбой из за помех между платой управления и драйверами.
Подключено к NCStudio?
Провода длинные между платой и драйверами?
Что-то кроме драйверов к терминальой плате подключено?
Можно фото подключения?
frezakov
Кандидат
Сообщения: 45
Зарегистрирован: 15 фев 2014, 20:59
Репутация: 1
Контактная информация:

Re: Помогите с подключением TB6560-V2.0 к nc studio

Сообщение frezakov »

плата ncstudio
вот сам станок (5163 просмотра) <a class='original' href='./download/file.php?id=87308&mode=view' target=_blank>Загрузить оригинал (641.56 КБ)</a>
вот сам станок
вот блок управления (5163 просмотра) <a class='original' href='./download/file.php?id=87309&mode=view' target=_blank>Загрузить оригинал (500.91 КБ)</a>
вот блок управления
изначально корпус был плоский, и все было размещено так сказать паралельно друг с другом, но занимало много места, потом решил сделать все более компактным. Поведение станка не изменилось с этой переменной.
фотки конечно не айс, но как говорится "имеем то что имеем"
там на противоположной стороне от платы развязки блок питания. Я пробовал и вытягивать драйвера наружу и все ровно Z уходит вверх.
sertix
Мастер
Сообщения: 627
Зарегистрирован: 07 май 2011, 09:06
Репутация: 138
Настоящее имя: Сергей
Контактная информация:

Re: Помогите с подключением TB6560-V2.0 к nc studio

Сообщение sertix »

Может оказаться что причина в выходных импульсах NCStudio, фронт/спад. Я в свое время по этой причине отказался от красной NCStudio, правда драйвера у меня Yako.
Изображение
Ответить

Вернуться в «Общие вопросы»