ЧПУ плюс ИБП

Общие вопросы станкостроения и организиции труда.
bananio12
Новичок
Сообщения: 20
Зарегистрирован: 04 ноя 2015, 18:31
Репутация: 0
Настоящее имя: Алексей
Контактная информация:

ЧПУ плюс ИБП

Сообщение bananio12 »

В качестве хобби иногда пилю кое-чего на станочке. Однако качество сети в последнее время никуда не годится.
Периодические выключения электричества, как кратковременные (несколько секунд) так и долговременные (30мин -2часа). Случается это не часто, но когда именно произойдет не подгадаешь. Бывает и днем и ночью.
В процессе работы станка такие выключения крайне нежелательны .Ситуация осложняется тем, что при выключении электропитании шпиндель сразу останавливается (точнее выключается инвертор, а шпиндель за некоторое время перестает крутится), а остальные узлы станка могут продолжить работать, т.к. при кратковременном исчезновении питания емкости конденсаторов блока питания хватает. В итоге шпиндель может отрубиться, а станок продолжит работу. Насчет скачков напряжения, выбивающих всякие блоки питания роутеров я молчу, даже не хочу проверять, что будет, если такой скачок произойдет в процессе работы станка.
Дабы обезопасить оборудование был приобретен ИБП. В моем случае мощностью 900ВА с чистой синусоидой на выходе (по заявлению производителя). Размышления по этому поводу.
1) При кратковременном отключении питания все и так хорошо работает.
2) При отключении на долгий период батареи ИБП сядут и станок все равно обрубится. В этом случае хорошо было бы аккуратно отключить станок и записать номер строки остановки.
3) Если питание отключается на время, в процессе которого ИБП может обеспечить работу, то в принципе совсем останавливать станок не обязательно.
В итоге родилась следующая идея. Хорошо было бы соорудить в MACH такую функцию. При пропадании напряжения в сети начинается отсчет. Если питания нет к примеру до 1 минуты, станок работает. Если питание нет более 1 мин, процесс останавливается (как при нажатии на паузу), шпиндель останавливается. Теперь при полном разряде и отключении ИБП со станком ничего произойти не должно, правда может немного сбиться положение (И у нас есть уже больше времени до отключения ИБП, т.к. энергопотребление снизилось). Если отключение затянулось еще минут на 7-8 станок можно перевезти в нулевую позицию (а можно и так оставить). При этом в какой-нибудь текстовый файл записывается номер строки, на котором произошла остановка (примерно год назад находил подобную тему, где уже не помню и не могу опять найти, но текст макроса сохранил).
И если вдруг питание пропадет на несколько секунд, то станок продолжит работу. Если на минуту, а оператор при этом отлучился по неотложному делу, то при возвращении он обнаружит остановленный станок, убедиться, что электропитание возобновлено и продолжит работу. Ну либо оператор задержался, и тогда по приходу станок будет выключен, а в нужный файл записан номер строки. Дальнейшие действия зависят от станка (оснащенности датчиками) и необходимой точности обработки.
Некоторые детали:
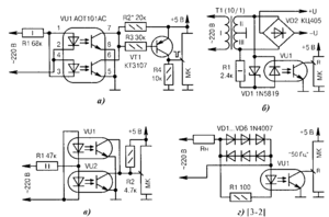
Как дать понять системе, что питание в сети пропало? Можно подключить к сети пятивольтовый блок питания, и подавать эти 5 вольт на какой-нибудь вход для датчиков. Напряжение есть – значит питание есть. Напряжения нет, начинаем считать. Можно что-то похитрее придумать, например, развязать каким-либо способом этот блок питания, чтобы при скачке напряжения и выходе из строя дешевенького блока питания не вывести из строя управляющую плату.
Насчет макроса, вот что у меня осталось. Где взял уже не помню.
“Макрос пишет в лог номер выполняемого кадра, координаты по осям, подачу. Можно много чего ещё записывать, но ни к чему, этих данных хватает для начала обработки с места возникновения промблем.
Текст макроса
-------------------
Sub Main
Open "C:\Mach3\SNAPSHOT.txt" For Output As #1
Print #1, "LINE#=",GetDRO(16)
Print #1, "X=",GetDRO(0)
Print #1, "Y=",GetDRO(1)
Print #1, "Z=",GetDRO(2)
Print #1, "A=",GetDRO(3)
Print #1, "B=",GetDRO(4)
Print #1, "C=",GetDRO(5)
Print #1, "FEED=",GetDRO(18)
Close #1
End Sub
--------------------------“
Кто что думает по этому поводу?
Идея родилась, но как ее реализовать в программной части есть только догадки.
Аватара пользователя
torvn77
Мастер
Сообщения: 2442
Зарегистрирован: 02 июн 2012, 22:12
Репутация: 215
Откуда: Россия,Санкт-Петербург
Контактная информация:

Re: ЧПУ плюс ИБП

Сообщение torvn77 »

bananio12 писал(а): --------------------------
Кто что думает по этому поводу?
Идея родилась, но как ее реализовать в программной части есть только догадки.
План у тебя для начинающего нормальный, но пока тебе не хватает знаний.
Вот тебе комплекс идей и ссылок, если до субботы ничего не придумаешь, то в субботу могу за 1500р. по Hangouts применительно к LinuxCNC провести объяснение, что именно я предложил.
(Честно говоря писать лень, объяснять лень, а объяснять, если ты сам не понял будет тяжёлою работой)
Но с постпроцессором к своему CAM'у тебе придётся разбираться самому.
Re: помогите новичку разобраться #35
Re: Постпроцессор для ArtCam'а к LinuxCNC #18
http://linuxcnc.org/docs/devel/html/gcode/o-code.html
http://linuxcnc.org/docs/devel/html/rem ... -variables
http://linuxcnc.org/docs/devel/html/rem ... -variables
И уточнение
Re: помогите новичку разобраться #41
И использовать готовый источник питания не стоит, он либо будет не стабилен, либо инертен.
Последний раз редактировалось torvn77 17 мар 2016, 01:28, всего редактировалось 2 раза.
Аватара пользователя
torvn77
Мастер
Сообщения: 2442
Зарегистрирован: 02 июн 2012, 22:12
Репутация: 215
Откуда: Россия,Санкт-Петербург
Контактная информация:

Re: ЧПУ плюс ИБП

Сообщение torvn77 »

И вот ещё какая у меня есть мысль, у тебя ведь все БП в станке наверное импульсные?
Почему бы тебе тогда перед ними не поставить один общий мост к которому через ограничивающий ток
начального заряда резистор не подключить сборку конденсаторов огроменной ёмкости?
Сколько нам надо энергии на 10 сек работы при мощности в 1КВт/Ч?
(1000/3600)*10 = 2,77 Дж
Чтобы эти 3 Дж запасти нужен конденсатор ёмкостью:
E=(C/2)(U(1)^2-U(2)^2)
(3*2)/(220^2-140^2) = C = 0.0002
Тоесть 200 мкф?
Если я не ошибся в расчёте то вот этой longlif'овой бочки в 3300 мкф должно хватить на минуту работы http://www.chipdip.ru/product/b43456a5338m000/
И брать надо 450 вольтовый конденсатор, так как напряжение после выпрямления может подскочить до 400.
И в любом случае меньше возможностей что дорогая бочка возмёт и рванёт.
Ну и дроссель PFC перед конденсатором не плохо бы посадить.

И обрати внимание, снимать показания с такого запасника можно через оптопару с логическим выходом подобрав значение резистора ограничивающего ток светодиода так чтобы она отключалась на нужном напряжении.
И выравнивать, сглаживать сигнал после этой оптопары может даже вообще не нужно, подать сразу в компьютер и всё.
Хотя я бы перестраховался небольшой RC цепочкой, а то мало ли, вдруг что проскочет.

И ещё , у магазина ЧИП И ДИП удобный сайт, но завышенные относительно рынка цены,
по этому покупать именно в нём не рекомендую.
Аватара пользователя
NightV
Почётный участник
Почётный участник
Сообщения: 6610
Зарегистрирован: 30 дек 2011, 09:14
Репутация: 2279
Настоящее имя: Владимир Айрапетян
Откуда: Israel
Контактная информация:

Re: ЧПУ плюс ИБП

Сообщение NightV »

torvn77 учуял жертву.... жалко паренька bananio12.. молодой совсем был, не опытный :cry:
Всё просто! если знаешь КАК!
Аватара пользователя
donvictorio
Мастер
Сообщения: 2458
Зарегистрирован: 11 окт 2012, 16:26
Репутация: 683
Настоящее имя: Виктор
Откуда: Санкт-Петербург
Контактная информация:

Re: ЧПУ плюс ИБП

Сообщение donvictorio »

NightV писал(а):torvn77 учуял жертву.... жалко паренька bananio12.. молодой совсем был, не опытный
а я всё не могу забыть его отрыжку гнилой еды.
сломал он мне психику знатно. :sick: :walk: :sick:
sas_75
Мастер
Сообщения: 463
Зарегистрирован: 10 мар 2015, 11:03
Репутация: 115
Настоящее имя: Сергей
Откуда: Владивосток
Контактная информация:

Re: ЧПУ плюс ИБП

Сообщение sas_75 »

torvn77, с каких пор мощность стала измеряться в кВт/ч?
Мощность всегда измерялась в Вт, кВт, МВт, а КВт/ч - это работа.
В соответствии с этим нужно мощность умножать на время, итого 10 кДж.
Таким образом емкость подрастает до 700 000 мкф.
Расчеты-то надо еще и анализировать, прикиньте порядок значений 1кВт и 3 Дж. Как-то не так.
Аватара пользователя
torvn77
Мастер
Сообщения: 2442
Зарегистрирован: 02 июн 2012, 22:12
Репутация: 215
Откуда: Россия,Санкт-Петербург
Контактная информация:

Re: ЧПУ плюс ИБП

Сообщение torvn77 »

sas_75, Я понял что что-то не то получилось, но не мог понять где просчитался.
А оказывается в киловатт-часах на час не делится, а умножается.
В общем спасибо.
nevkon
Почётный участник
Почётный участник
Сообщения: 2477
Зарегистрирован: 17 июл 2015, 10:25
Репутация: 310
Настоящее имя: Константин
Откуда: Балаково (Саратовская обл.)
Контактная информация:

Re: ЧПУ плюс ИБП

Сообщение nevkon »

По мне так можно реле поставить на 220В и выход на сигнал E-stop. Но в этом случае при малейшем пропадании напряжения у вас станок уйдет в остановку.
Аватара пользователя
Сергей Саныч
Мастер
Сообщения: 9116
Зарегистрирован: 30 май 2012, 14:20
Репутация: 2858
Откуда: Тюмень
Контактная информация:

Re: ЧПУ плюс ИБП

Сообщение Сергей Саныч »

Если есть минимальный опыт в электронике/электротехнике, может оказаться выходом подключить к ИБП дополнительные аккумуляторы для увеличения времени работы. Пара автомобильных на 60 - 65 А*ч может спасти ситуацию.
Чудес не бывает. Бывают фокусы.
Morroc
Мастер
Сообщения: 202
Зарегистрирован: 22 ноя 2015, 03:17
Репутация: 22
Настоящее имя: Александр
Контактная информация:

Re: ЧПУ плюс ИБП

Сообщение Morroc »

nevkon писал(а):По мне так можно реле поставить на 220В и выход на сигнал E-stop. Но в этом случае при малейшем пропадании напряжения у вас станок уйдет в остановку.
Ну вот на него и поставить конденсатор :D
nevkon
Почётный участник
Почётный участник
Сообщения: 2477
Зарегистрирован: 17 июл 2015, 10:25
Репутация: 310
Настоящее имя: Константин
Откуда: Балаково (Саратовская обл.)
Контактная информация:

Re: ЧПУ плюс ИБП

Сообщение nevkon »

Morroc писал(а):Ну вот на него и поставить конденсатор
А вот это не советую делать, т.к. сказано ведь:
bananio12 писал(а):что при выключении электропитании шпиндель сразу останавливается
В результате можете получить сломанную фрезу. Ну или подобрать конденсатор так чтобы реле реагировало так же как и инвертор.
Аватара пользователя
torvn77
Мастер
Сообщения: 2442
Зарегистрирован: 02 июн 2012, 22:12
Репутация: 215
Откуда: Россия,Санкт-Петербург
Контактная информация:

Re: ЧПУ плюс ИБП

Сообщение torvn77 »

nevkon писал(а):В результате можете получить сломанную фрезу. Ну или подобрать конденсатор так чтобы реле реагировало так же как и инвертор.
А что если шпиндель подключить через трансформаторный датчик тока?
Аватара пользователя
torvn77
Мастер
Сообщения: 2442
Зарегистрирован: 02 июн 2012, 22:12
Репутация: 215
Откуда: Россия,Санкт-Петербург
Контактная информация:

Re: ЧПУ плюс ИБП

Сообщение torvn77 »

А что если контролировать напряжение непосредственно в инверторе на сглаживающем конденсаторе после выпрямителя?
Уж там то будет самая актуальная информация о состоянии дел, и определять её можно в том числе и по характеру импульсных помех,
которые наверняка будут разными для разных значений напряжения.

А вообще надо бы изучить и сам инвертор и его паспорт, наверняка же там есть какие ни будь средства контроля его работы, если не явные, то спрятанные.
Аватара пользователя
Serg
Мастер
Сообщения: 21923
Зарегистрирован: 17 апр 2012, 14:58
Репутация: 5183
Заслуга: c781c134843e0c1a3de9
Настоящее имя: Сергей
Откуда: Москва
Контактная информация:

Re: ЧПУ плюс ИБП

Сообщение Serg »

Обычного ИБП на 1000-1200 VA хватает минут на 5 работы среднего домашнего станка. За это время вполне можно подойти к станку, нажать паузу/стоп, записать на бумажку номер строки УП и т.п.
Я не Христос, рыбу не раздаю, но могу научить, как сделать удочку...
Аватара пользователя
Сергей Саныч
Мастер
Сообщения: 9116
Зарегистрирован: 30 май 2012, 14:20
Репутация: 2858
Откуда: Тюмень
Контактная информация:

Re: ЧПУ плюс ИБП

Сообщение Сергей Саныч »

Даже в простых ИБП типа back-UPS есть разъем (обычно DB-9) на задней стенке, через который выводится информация о состоянии.
В каком виде - не скажу :)
Чудес не бывает. Бывают фокусы.
Аватара пользователя
Serg
Мастер
Сообщения: 21923
Зарегистрирован: 17 апр 2012, 14:58
Репутация: 5183
Заслуга: c781c134843e0c1a3de9
Настоящее имя: Сергей
Откуда: Москва
Контактная информация:

Re: ЧПУ плюс ИБП

Сообщение Serg »

Сергей Саныч писал(а):Даже в простых ИБП
В простых вообще никаких посторонних разъёмов нет. :)
Я не Христос, рыбу не раздаю, но могу научить, как сделать удочку...
bananio12
Новичок
Сообщения: 20
Зарегистрирован: 04 ноя 2015, 18:31
Репутация: 0
Настоящее имя: Алексей
Контактная информация:

Re: ЧПУ плюс ИБП

Сообщение bananio12 »

torvn77 писал(а):если до субботы ничего не придумаешь
К субботе точно ничего не придумаю, т.к. времени не будет. Да и не к спеху мне. За ссылки спасибо. Буду разбираться.
Сергей Саныч писал(а):подключить к ИБП дополнительные аккумуляторы
А вот это может стать ошибкой, которая приведет в выходу из строя ИБП, т.к. его инвертор не расчитан на столь длительную работу. Есть ИБП для котлов отопления. Там даже внутренней батареи нет, специально подключают внешние, и работают они от них по 8 часов на полной нагрузке. Но стоимость в разы больше.
torvn77 писал(а):средства контроля его работы
Есть разъем USB, параметры выводятся на ПК. Но смысла выуживать инфу из него не вижу особого смысла. Разве что остаточный заряд.
Аватара пользователя
torvn77
Мастер
Сообщения: 2442
Зарегистрирован: 02 июн 2012, 22:12
Репутация: 215
Откуда: Россия,Санкт-Петербург
Контактная информация:

Re: ЧПУ плюс ИБП

Сообщение torvn77 »

bananio12 писал(а):За ссылки спасибо. Буду разбираться.
Тогда поясню, по ссылке где запускается цикл показано как с помощью пина хала можно управлять ветвлением программы.
При этом сам халпин может быть как отражением кнопки в GUI программы (PyVCP или GladeVCP),
так и отражением аппаратного входа,например пина LPT.
В последнем случае его состояние переключается какой нибудь кнопкой или датчиком.

Там где постпроцессоры я показал как можно подменять команды G-Code на вызовы функции(subroutines),
в которых ты и можешь делать эти ввитвления и много чего ещё по своему желанию, только будь внимателен,
CAM то про изменение их поведения не знает...

Если будут какие вопросы пиши сюда в тему, не я так кто ещё поможет.
bananio12 писал(а):Разве что остаточный заряд.
Я в первую очередь подразумевал сигнал состояния питания, что-то вроде компьютерного "Power Good", которым и запускать аварийный скрипт.
arkhnchul
Мастер
Сообщения: 1773
Зарегистрирован: 01 фев 2016, 13:56
Репутация: 339
Откуда: москва
Контактная информация:

Re: ЧПУ плюс ИБП

Сообщение arkhnchul »

bananio12 писал(а):Как дать понять системе, что питание в сети пропало?
а что за бесперебойник?
По идее, какимнить upsmon-ом или его аналогом (ибо вряд ли программулина от производителя бесперебойника умеет при этом делать что-то кроме мягкого выключения) можно по usb отловить момент пропадания сети и по этому событию запускать программулину, каковая уже подождет нужное время и, если оно вышло - скажет мачу, чего делать (мача есть апи для управления извне).
Если есть выход UART ("COM-порт" - даже если для него нет разъема на корпусе, он вполне может присутствовать на плате мозгов бесперебойника и работать), то можно соорудить простенькую схемку на копеечном мк типа attiny или stm8, которая будет читать статус и в случае чего давать сигнал на железный входной пин.
Малой кровью, если есть отдельный индикатор работы от батареи, а не как сейчас любят - один светодиод на все - можно попробовать к нему подпаяться/фотоэлемент повесить, и его так же на физический пин.
Аватара пользователя
donvictorio
Мастер
Сообщения: 2458
Зарегистрирован: 11 окт 2012, 16:26
Репутация: 683
Настоящее имя: Виктор
Откуда: Санкт-Петербург
Контактная информация:

Re: ЧПУ плюс ИБП

Сообщение donvictorio »

mkx-60[1].png (7585 просмотров) <a class='original' href='./download/file.php?id=76092&mode=view' target=_blank>Загрузить оригинал (12.86 КБ)</a>
Ответить

Вернуться в «Общие вопросы»