Электроэрозия для извлечения метчика
- amikhailov
- Опытный
- Сообщения: 163
- Зарегистрирован: 11 апр 2015, 14:21
- Репутация: 92
- Настоящее имя: Александр
- Откуда: Москва
- Контактная информация:
Электроэрозия для извлечения метчика
Сломал метчик М6 в дюралевой плите. Глухое отверстие 14 мм глубиной, ни перенести, ни рассверлить нельзя конструктивно.
Попробовал кипятить с лимонной кислотой, алюминиевый сплав В95 пошел пятнами, метчик по-прежнему извлечь не удается.
Обзвонил компании, которые занимаются электроэрозионкой. Почти ни у кого нет прошивного станка. А у кого есть -- моя деталь не лезет по габаритам. В Зеленограде предложили купить портативный станок именно для этой цели, но 100 тыс рублей отдать не готов.
Поэтому придется колхозить на коленке. Есть сварочный полуавтомат, как мощный источник постоянного напряжения, но лень отключать подачу проволоки. Поэтому ограничусь БП для питания шаговиков, 47-55 Вольт, 20 Ампер, защита по выходу.
Набросал примерную схему. При касании электродом заземленной детали конденсатор разряжается, на обмотке соленоида возникает разница потенциала, актуатор втягивается и отводит электрод назад. Цепь размыкается, начинается зарядка конденсатора через токоограничивающий резистор.
По мере зарядки конденсатора напряжение на обмотке соленоида падает, пружина выталкивает актуатор вперед до касания детали (возможно, последовательно с соленоидом потребуется добавить регулировочный резистор). Снова разряд конденсатора и т.д.
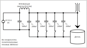
UPD: Окончательная схема.
1. В качестве актуатора взял автомобильное втягивающее реле. Сопротивление втягивающей обмотки 0.6 Ом, поэтому надобность в параллельном подключении резистора отпала.
2. Увеличил рабочее напряжение конденсаторов до 300V (у них больше внутреннее сечение проводника) -- чтобы выдержали пульсации тока.
3. Вместо одного разрядного конденсатора использовал батарею из пяти -- для ступенчатого изменения мощности.
4. Все конденсаторы полипропиленовые с малыми диэлектрическими потерями -- для минимизации нагрева.
5. На входе в блок поставил дополнительный конденсатор С6 и удлинил провод от источника питания -- чтобы убрать источник питания подальше от брызг.
Попробовал кипятить с лимонной кислотой, алюминиевый сплав В95 пошел пятнами, метчик по-прежнему извлечь не удается.
Обзвонил компании, которые занимаются электроэрозионкой. Почти ни у кого нет прошивного станка. А у кого есть -- моя деталь не лезет по габаритам. В Зеленограде предложили купить портативный станок именно для этой цели, но 100 тыс рублей отдать не готов.
Поэтому придется колхозить на коленке. Есть сварочный полуавтомат, как мощный источник постоянного напряжения, но лень отключать подачу проволоки. Поэтому ограничусь БП для питания шаговиков, 47-55 Вольт, 20 Ампер, защита по выходу.
Набросал примерную схему. При касании электродом заземленной детали конденсатор разряжается, на обмотке соленоида возникает разница потенциала, актуатор втягивается и отводит электрод назад. Цепь размыкается, начинается зарядка конденсатора через токоограничивающий резистор.
По мере зарядки конденсатора напряжение на обмотке соленоида падает, пружина выталкивает актуатор вперед до касания детали (возможно, последовательно с соленоидом потребуется добавить регулировочный резистор). Снова разряд конденсатора и т.д.
UPD: Окончательная схема.
1. В качестве актуатора взял автомобильное втягивающее реле. Сопротивление втягивающей обмотки 0.6 Ом, поэтому надобность в параллельном подключении резистора отпала.
2. Увеличил рабочее напряжение конденсаторов до 300V (у них больше внутреннее сечение проводника) -- чтобы выдержали пульсации тока.
3. Вместо одного разрядного конденсатора использовал батарею из пяти -- для ступенчатого изменения мощности.
4. Все конденсаторы полипропиленовые с малыми диэлектрическими потерями -- для минимизации нагрева.
5. На входе в блок поставил дополнительный конденсатор С6 и удлинил провод от источника питания -- чтобы убрать источник питания подальше от брызг.
Последний раз редактировалось amikhailov 02 янв 2016, 22:08, всего редактировалось 8 раз.
-
SVP
- Мастер
- Сообщения: 6140
- Зарегистрирован: 19 дек 2012, 15:49
- Репутация: 884
- Откуда: Москва
- Контактная информация:
Re: Электроэрозия для извлечения метчика
Как по мне, так фиг отрегулируешь, чтобы не залипало в крайних положениях.
Химия точно никакая не возьмет ?
Твердосплавом-алмазом не сверлится.
Химия точно никакая не возьмет ?
Твердосплавом-алмазом не сверлится.
- Сергей Саныч
- Мастер
- Сообщения: 9116
- Зарегистрирован: 30 май 2012, 14:20
- Репутация: 2858
- Откуда: Тюмень
- Контактная информация:
Re: Электроэрозия для извлечения метчика
Подварить к обломку какую-нибудь железку тем же полуавтоматом никак не получится? Глубоко сидит?
Чудес не бывает. Бывают фокусы.
-
aftaev
- Зачётный участник

- Сообщения: 34042
- Зарегистрирован: 04 апр 2010, 19:22
- Репутация: 6194
- Откуда: Казахстан.
- Контактная информация:
Re: Электроэрозия для извлечения метчика
Дилетанту сложные вещи кажутся очень простыми, и только профессионал понимает насколько сложна самая простая вещь
Кто хочет - ищет возможности, кто не хочет - ищет оправдание.
Найди работу по душе и тебе не придется работать.
Кто хочет - ищет возможности, кто не хочет - ищет оправдание.
Найди работу по душе и тебе не придется работать.
- amikhailov
- Опытный
- Сообщения: 163
- Зарегистрирован: 11 апр 2015, 14:21
- Репутация: 92
- Настоящее имя: Александр
- Откуда: Москва
- Контактная информация:
Re: Электроэрозия для извлечения метчика
"Не залипало" в смысле не приваривалось? Или что-то другое?SVP писал(а):Как по мне, так фиг отрегулируешь, чтобы не залипало в крайних положениях.
Химия точно никакая не возьмет ?
Твердосплавом-алмазом не сверлится.
- amikhailov
- Опытный
- Сообщения: 163
- Зарегистрирован: 11 апр 2015, 14:21
- Репутация: 92
- Настоящее имя: Александр
- Откуда: Москва
- Контактная информация:
Re: Электроэрозия для извлечения метчика
Сидит качественно. Варить пробовал -- отломилось.Сергей Саныч писал(а):Подварить к обломку какую-нибудь железку тем же полуавтоматом никак не получится? Глубоко сидит?
- amikhailov
- Опытный
- Сообщения: 163
- Зарегистрирован: 11 апр 2015, 14:21
- Репутация: 92
- Настоящее имя: Александр
- Откуда: Москва
- Контактная информация:
Re: Электроэрозия для извлечения метчика
Спасибо. Полезно. Напряжение схожее (40 Вольт). Но принцип чуть иной -- постоянное автоколебание на частоте 50 Гц. Поэтому конденсатор много меньше, чтобы гарантированно успел зарядиться.aftaev писал(а):Схема
Но спачибо за косвенное подтверждение. Осталось найти подходящий соленоид.
- Сергей Саныч
- Мастер
- Сообщения: 9116
- Зарегистрирован: 30 май 2012, 14:20
- Репутация: 2858
- Откуда: Тюмень
- Контактная информация:
Re: Электроэрозия для извлечения метчика
Может, электрохимию применить? Плюс на деталь, минус на медную трубочку - электрод, по трубке подавать струей электролит (раствор какой-нибудь соли, хотя бы поваренной, но лучше, подсказывают, сульфат аммония). И какую-нибудь приспособу, чтобы держать зазор в несколько десяток между трубочкой и метчиком. Ток - несколько ампер, напряжение - несколько вольт. Проточный электролит нужен, чтобы вымывать продукты растворения из зазора и пузырьки газа.
PS: сам пробовал, но давно, подробностей не помню.
PS: сам пробовал, но давно, подробностей не помню.
Чудес не бывает. Бывают фокусы.
-
aftaev
- Зачётный участник

- Сообщения: 34042
- Зарегистрирован: 04 апр 2010, 19:22
- Репутация: 6194
- Откуда: Казахстан.
- Контактная информация:
Re: Электроэрозия для извлечения метчика
NaNo3Сергей Саныч писал(а):электрод, по трубке подавать струей электролит (раствор какой-нибудь соли, хотя бы поваренной, но лучше, подсказывают, сульфат аммония).
10А см2 12вСергей Саныч писал(а):Ток - несколько ампер, напряжение - несколько вольт.
Дилетанту сложные вещи кажутся очень простыми, и только профессионал понимает насколько сложна самая простая вещь
Кто хочет - ищет возможности, кто не хочет - ищет оправдание.
Найди работу по душе и тебе не придется работать.
Кто хочет - ищет возможности, кто не хочет - ищет оправдание.
Найди работу по душе и тебе не придется работать.
- amikhailov
- Опытный
- Сообщения: 163
- Зарегистрирован: 11 апр 2015, 14:21
- Репутация: 92
- Настоящее имя: Александр
- Откуда: Москва
- Контактная информация:
Re: Электроэрозия для извлечения метчика
Гальванику не хочу, спасибо. Купил конденсаторы 1000 uF и 6800 uF, завтра буду собирать. Если не получится с соленоидом, буду тупо долбить проводком
-
A-Tr
- Кандидат
- Сообщения: 77
- Зарегистрирован: 19 май 2015, 18:36
- Репутация: 40
- Настоящее имя: Александр
- Откуда: Харьков
- Контактная информация:
Re: Электроэрозия для извлечения метчика
А кто может прикинуть, сколько надо времени, что извлечь мечтик, например, М5?
- amikhailov
- Опытный
- Сообщения: 163
- Зарегистрирован: 11 апр 2015, 14:21
- Репутация: 92
- Настоящее имя: Александр
- Откуда: Москва
- Контактная информация:
Re: Электроэрозия для извлечения метчика
По обеим ссылкам на электрод подается положительное напряжение. Хотя с точки зрения теории именно на стороне положительного потенциала получаются наибольшие разрушения -- и это деталь должна быть подключена к ПЛЮСУ.
Уточнил. Можно и так, и так. В случае отрицательного электрода выше чистота поверхности, в случае положительного электрода -- выше производительность.
- amikhailov
- Опытный
- Сообщения: 163
- Зарегистрирован: 11 апр 2015, 14:21
- Репутация: 92
- Настоящее имя: Александр
- Откуда: Москва
- Контактная информация:
Re: Электроэрозия для извлечения метчика
Вчера до упора налаживал и подключал -- чуть не опоздал на концерт Спивакова. Семья бы не простила.
Ну вот, пока все спят, изложу коротко:
1. С конденсатором 1000 мкФ автоколебательный процесс запускается и идет стабильно. Конденсатор большей емкости применить пока не рискнул...
2. Искра очень сильная, если масло тонким слоем -- оно загорается.
3. Если слой масла более 10 мм, искры не выходят на поверхность, но брызгает во все стороны сильно.
4. Деталь должна быть достаточно тяжелой (или быть прочно закреплена) -- чтобы актуатор мог оторвать электрод от детали даже в случае "приваривания"
Сделал первое отверстие в стальной пластине 2 мм. К сожалению, шток втягивающего реле не имеет свойств "точной направляющей" -- поэтому полученное отверстие получилось далеко не круглым и гораздо большего диаметра.
1. Придется делать дополнительную направляющую для электрода.
2. Думаю о замене масла дистиллированной водой. Теоретически должно сработать.
3. Думаю о замене одного разрядного конденсатора 1000 мкФ батареей из двух параллельных 500 мкФ и 1000 мкФ. Тогда будут доступны значения 500/1000/1500 мкФ.
Ну вот, пока все спят, изложу коротко:
1. С конденсатором 1000 мкФ автоколебательный процесс запускается и идет стабильно. Конденсатор большей емкости применить пока не рискнул...
2. Искра очень сильная, если масло тонким слоем -- оно загорается.
3. Если слой масла более 10 мм, искры не выходят на поверхность, но брызгает во все стороны сильно.
4. Деталь должна быть достаточно тяжелой (или быть прочно закреплена) -- чтобы актуатор мог оторвать электрод от детали даже в случае "приваривания"
Сделал первое отверстие в стальной пластине 2 мм. К сожалению, шток втягивающего реле не имеет свойств "точной направляющей" -- поэтому полученное отверстие получилось далеко не круглым и гораздо большего диаметра.
1. Придется делать дополнительную направляющую для электрода.
2. Думаю о замене масла дистиллированной водой. Теоретически должно сработать.
3. Думаю о замене одного разрядного конденсатора 1000 мкФ батареей из двух параллельных 500 мкФ и 1000 мкФ. Тогда будут доступны значения 500/1000/1500 мкФ.
- amikhailov
- Опытный
- Сообщения: 163
- Зарегистрирован: 11 апр 2015, 14:21
- Репутация: 92
- Настоящее имя: Александр
- Откуда: Москва
- Контактная информация:
Re: Электроэрозия для извлечения метчика
ВСЕ ПОЛУЧИЛОСЬ. Я СЧАСТЛИВ.
Самое главное -- вместо масла ИСПОЛЬЗОВАЛ ДИСТИЛЛИРОВАННУЮ ВОДУ. Никакой вони, никакой грязи и никаких вспышек.
Особенно впечатлила форма электрода по окончании процесса -- он приобрел вид короны с тремя зубцами. Ну а метчик рассыпался на три отдельных стержня. Резьба осталась не поврежденной. Сам процесс занял минут пять, не более. Зато опыты и настройка...
1000 мкФ оказалось слишком много для электрода Ф4, он постоянно приваривался.
Оптимально оказалось 400 мкФ, процесс пошел очень плавно и без брызг. Поэтому в итоге изменил конструкцию батареи на 5 секций по 200 мкФ.
При 400 мкФ потребляемый ток от источника питания всего 3 А, поэтому не было большого смысла делать разводку толстым проводом 4 квадрата.
При обратной полярности (положительный электрод) ток увеличился до 5 А, процесс пошел много быстрее. Но по-прежнему плавно и без брызг.
Обращаю внимание, что обычные электролитические конденсаторы не слишком хорошо подходят для работы в импульсном режиме. Поэтому в окончательной версии я использовал полипропиленовые пусковые конденсаторы на 300 Вольт, с минимальными потерями в диэлектрике.
Но даже в этом случае разрядный конденсатор емкостью 1000 мкФ заметно нагревается. Поэтому в итоговой версии остановился на батарее из пяти конденсаторов по 200 мкФ каждый.
У меня не было медного стержня 4 мм, поэтому для электода взял твердосплавной стержень. Это не слишком хорошо, потому что твырдый сплав хуже проводит тепло и потому заканчивается много быстрее.
Дальнейшее развитие:
1. Сделать качественную втулку для рабочего электрода, чтобы исключить его движения в стороны.
2. Придумать систему быстрого крепления и смены электродов.
3. Найти медные электроды разного диаметра.
Самое главное -- вместо масла ИСПОЛЬЗОВАЛ ДИСТИЛЛИРОВАННУЮ ВОДУ. Никакой вони, никакой грязи и никаких вспышек.
Особенно впечатлила форма электрода по окончании процесса -- он приобрел вид короны с тремя зубцами. Ну а метчик рассыпался на три отдельных стержня. Резьба осталась не поврежденной. Сам процесс занял минут пять, не более. Зато опыты и настройка...
1000 мкФ оказалось слишком много для электрода Ф4, он постоянно приваривался.
Оптимально оказалось 400 мкФ, процесс пошел очень плавно и без брызг. Поэтому в итоге изменил конструкцию батареи на 5 секций по 200 мкФ.
При 400 мкФ потребляемый ток от источника питания всего 3 А, поэтому не было большого смысла делать разводку толстым проводом 4 квадрата.
При обратной полярности (положительный электрод) ток увеличился до 5 А, процесс пошел много быстрее. Но по-прежнему плавно и без брызг.
Обращаю внимание, что обычные электролитические конденсаторы не слишком хорошо подходят для работы в импульсном режиме. Поэтому в окончательной версии я использовал полипропиленовые пусковые конденсаторы на 300 Вольт, с минимальными потерями в диэлектрике.
Но даже в этом случае разрядный конденсатор емкостью 1000 мкФ заметно нагревается. Поэтому в итоговой версии остановился на батарее из пяти конденсаторов по 200 мкФ каждый.
У меня не было медного стержня 4 мм, поэтому для электода взял твердосплавной стержень. Это не слишком хорошо, потому что твырдый сплав хуже проводит тепло и потому заканчивается много быстрее.
Дальнейшее развитие:
1. Сделать качественную втулку для рабочего электрода, чтобы исключить его движения в стороны.
2. Придумать систему быстрого крепления и смены электродов.
3. Найти медные электроды разного диаметра.
-
nkp
- Мастер
- Сообщения: 8340
- Зарегистрирован: 28 ноя 2011, 00:25
- Репутация: 1589
- Контактная информация:
Re: Электроэрозия для извлечения метчика
К-50-17 наверно предпочтительней будут (и за_недорого везде имеются)amikhailov писал(а):обычные электролитические конденсаторы не слишком хорошо подходят для работы в импульсном режиме
- amikhailov
- Опытный
- Сообщения: 163
- Зарегистрирован: 11 апр 2015, 14:21
- Репутация: 92
- Настоящее имя: Александр
- Откуда: Москва
- Контактная информация:
Re: Электроэрозия для извлечения метчика
Обычный электролитический общего применения 1000 мкФ 100 Вольт у меня не выдержал и лопнул. Насколько я помню, не любят электролиты пульсирующий ток. Но не стану спорить, тем более что у меня была еще одна причина перейти на пусковые конденсаторы -- их неполярность. Сейчас могу менять направление тока без всякой коммутации, просто переворачивая выводы от БП.nkp писал(а):К-50-17 наверно предпочтительней будут (и за_недорого везде имеются)amikhailov писал(а):обычные электролитические конденсаторы не слишком хорошо подходят для работы в импульсном режиме
-
A-Tr
- Кандидат
- Сообщения: 77
- Зарегистрирован: 19 май 2015, 18:36
- Репутация: 40
- Настоящее имя: Александр
- Откуда: Харьков
- Контактная информация:
Re: Электроэрозия для извлечения метчика
А что если в качестве электрода использовать вольфрамовый электрод, тот который для сварки аргоном используют?
- amikhailov
- Опытный
- Сообщения: 163
- Зарегистрирован: 11 апр 2015, 14:21
- Репутация: 92
- Настоящее имя: Александр
- Откуда: Москва
- Контактная информация:
Re: Электроэрозия для извлечения метчика
Мне кажется, что дороговато получится. Да и выбор диаметров ограничен.A-Tr писал(а):А что если в качестве электрода использовать вольфрамовый электрод, тот который для сварки аргоном используют?
-
aftaev
- Зачётный участник

- Сообщения: 34042
- Зарегистрирован: 04 апр 2010, 19:22
- Репутация: 6194
- Откуда: Казахстан.
- Контактная информация:
Re: Электроэрозия для извлечения метчика
Оно наверно и на обычной воде работать будетamikhailov писал(а):Самое главное -- вместо масла ИСПОЛЬЗОВАЛ ДИСТИЛЛИРОВАННУЮ ВОДУ.
Дилетанту сложные вещи кажутся очень простыми, и только профессионал понимает насколько сложна самая простая вещь
Кто хочет - ищет возможности, кто не хочет - ищет оправдание.
Найди работу по душе и тебе не придется работать.
Кто хочет - ищет возможности, кто не хочет - ищет оправдание.
Найди работу по душе и тебе не придется работать.