alexg-nn писал(а):есть пару радиотоварных магазинов в доступности, в случае чего дойду туда прямо с сервопаком
Успехов... Я в Москве ито не нашел в магазинахalexg-nn писал(а):Нижний Новгород
alexg-nn писал(а):есть пару радиотоварных магазинов в доступности, в случае чего дойду туда прямо с сервопаком
Успехов... Я в Москве ито не нашел в магазинахalexg-nn писал(а):Нижний Новгород
Ни в коем случаеalexg-nn писал(а):Сарказмируем?

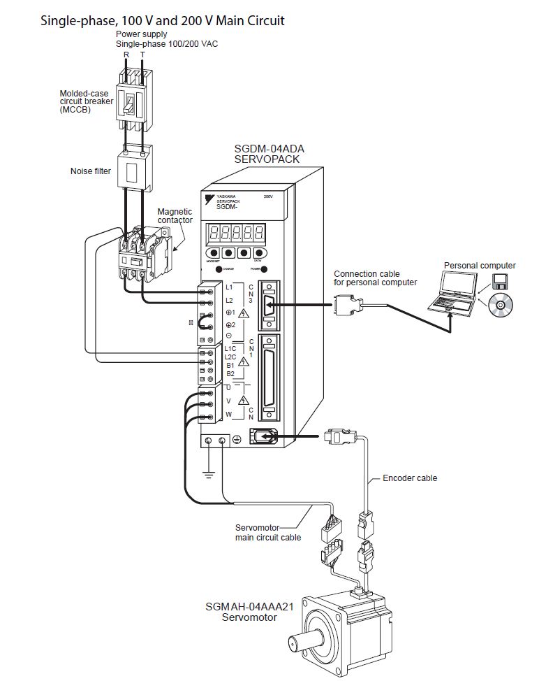
Если мотор или servodrive used - нужно сделать проверку что все работает. С начало нужно проверить работает servodrive и мотор без ЧПУ. Для этого нужно подключить мотор к servodrive и сделать проверку через функцию (Jog - это можно найти в мануале). На сколько я помню это делается через Fn002aer73 писал(а):I'm новичок в Servo, может кто-нибудь сказать мне шаги, чтобы следовать?
ЛУчше сделать заводские настройки по умолчанию конечно.aer73 писал(а):Лучше сначала вернуться к заводским настройкам по умолчанию?



рады видеть коллег ЧПУ из Испании на нашем форумеaer73 писал(а):право @aftaev , я из Испании
SigmaWin соединилась с servodrive ?aer73 писал(а):Но я не знаю, как использовать sigmawin +

удовольствиеaftaev писал(а):рады видеть коллег ЧПУ из Испании на нашем форуме

cable connector for PC (COM port)aer73 писал(а):подключаться с Sigmawin + должны сделать, CN3?

можно сделать фото, так будет понятноaer73 писал(а):Завтра расскажу вам, как он идет
Завтра загрузить фотоaftaev писал(а):можно сделать фото, так будет понятно
домашнийaftaev писал(а):Для какого станка будут использоваться эти servo ?
