Мой CNC китаес Bernardo KF25 Top (клон BF20)

Тяжелые фрезерные станки по металлу.
Аватара пользователя
Алексс
Почётный участник
Почётный участник
Сообщения: 2210
Зарегистрирован: 20 июл 2012, 15:49
Репутация: 266
Заслуга: IQ32
Настоящее имя: Алексей
Откуда: Прага
Контактная информация:

Re: Мой китаес Bernardo KF25 Top (клон BF20)

Сообщение Алексс »

а что, флюс RMA-223 так плох ??
Каждая собака, бегущая на поводке впереди хозяина, думает, что ведет его за собой.
Аватара пользователя
Сергей Саныч
Мастер
Сообщения: 9116
Зарегистрирован: 30 май 2012, 14:20
Репутация: 2858
Откуда: Тюмень
Контактная информация:

Re: Мой китаес Bernardo KF25 Top (клон BF20)

Сообщение Сергей Саныч »

Алексс писал(а):а что, флюс RMA-223 так плох ??
он не безотмывочный, хотя у него вроде есть и безотмывочные модификации, точно не скажу.
Чудес не бывает. Бывают фокусы.
Аватара пользователя
Алексс
Почётный участник
Почётный участник
Сообщения: 2210
Зарегистрирован: 20 июл 2012, 15:49
Репутация: 266
Заслуга: IQ32
Настоящее имя: Алексей
Откуда: Прага
Контактная информация:

Re: Мой китаес Bernardo KF25 Top (клон BF20)

Сообщение Алексс »

мда, на сайте amtech вообще написано что это паяльная паста а не флюс...
Каждая собака, бегущая на поводке впереди хозяина, думает, что ведет его за собой.
Аватара пользователя
Сергей Саныч
Мастер
Сообщения: 9116
Зарегистрирован: 30 май 2012, 14:20
Репутация: 2858
Откуда: Тюмень
Контактная информация:

Re: Мой китаес Bernardo KF25 Top (клон BF20)

Сообщение Сергей Саныч »

Это паяльные пасты на основе таких флюсов.
Вот здесь посмотри http://www.amtechsolder.com/tacky.html
Чудес не бывает. Бывают фокусы.
Аватара пользователя
Алексс
Почётный участник
Почётный участник
Сообщения: 2210
Зарегистрирован: 20 июл 2012, 15:49
Репутация: 266
Заслуга: IQ32
Настоящее имя: Алексей
Откуда: Прага
Контактная информация:

Re: Мой китаес Bernardo KF25 Top (клон BF20)

Сообщение Алексс »

Алексс писал(а):кто нибудь доступным языком объяснит в каких папугаях он измеряется ? может формулу ?
о, завтра в исходниках попробую найти.
отвечу на свой-же вопрос:

Код: Выделить всё

degression = R;
depth = full_dia_depth + cut_increment * pow(++pass, 1.0/degression);
зачем так сложно не знаю, но хотябы понятно как считается.
Каждая собака, бегущая на поводке впереди хозяина, думает, что ведет его за собой.
Аватара пользователя
Nick
Мастер
Сообщения: 22776
Зарегистрирован: 23 ноя 2009, 16:45
Репутация: 1735
Заслуга: Developer
Откуда: Gatchina, Saint-Petersburg distr., Russia
Контактная информация:

Re: Мой китаес Bernardo KF25 Top (клон BF20)

Сообщение Nick »

Насколько я понимаю, чем больше вгрызаешься в резьбу, тем больше материала будешь снимать за один проход. Для этого и нужен degression.
Аватара пользователя
Алексс
Почётный участник
Почётный участник
Сообщения: 2210
Зарегистрирован: 20 июл 2012, 15:49
Репутация: 266
Заслуга: IQ32
Настоящее имя: Алексей
Откуда: Прага
Контактная информация:

Re: Мой китаес Bernardo KF25 Top (клон BF20)

Сообщение Алексс »

логично
Каждая собака, бегущая на поводке впереди хозяина, думает, что ведет его за собой.
aftaev
Зачётный участник
Зачётный участник
Сообщения: 34042
Зарегистрирован: 04 апр 2010, 19:22
Репутация: 6194
Откуда: Казахстан.
Контактная информация:

Re: Мой китаес Bernardo KF25 Top (клон BF20)

Сообщение aftaev »

Алексс писал(а):
aftaev писал(а):параллейки
нет слов... идем и учим, как называется инструмент.
Заказывал себе параллельки на заводе у шлифовщиков для своего фрезерного. Объяснять что это такое и для чего не нужно было.
Слушаем на времени 0,16- 0,18 . Кто такой Стаканов или нынче Дадька Максим объяснять думаю не нужно.
https://www.youtube.com/watch?v=wuvweu_PUJI
Дилетанту сложные вещи кажутся очень простыми, и только профессионал понимает насколько сложна самая простая вещь
Кто хочет - ищет возможности, кто не хочет - ищет оправдание.
Найди работу по душе и тебе не придется работать.
Аватара пользователя
ukr-sasha
Мастер
Сообщения: 3401
Зарегистрирован: 21 мар 2011, 07:47
Репутация: 2181
Настоящее имя: Украинец Александр Григорьевич
Откуда: Киев, Украина
Контактная информация:

Re: Мой китаес Bernardo KF25 Top (клон BF20)

Сообщение ukr-sasha »

Вот с таким флюсом пожег чипы:
http://www.google.com.ua/imgres?hl=ru&s ... 0,s:0,i:81
Аватара пользователя
Алексс
Почётный участник
Почётный участник
Сообщения: 2210
Зарегистрирован: 20 июл 2012, 15:49
Репутация: 266
Заслуга: IQ32
Настоящее имя: Алексей
Откуда: Прага
Контактная информация:

Re: Мой китаес Bernardo KF25 Top (клон BF20)

Сообщение Алексс »

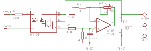
сегодня готовился к подключению инвертера шпинделя к emc по "полной программе".
настроил выходы для реле и проключил. щелкают.
а вот с pwm возникла некая засада. на дефолтных настройках ничего толком не работало.
установил правильный scale, что-то начало получаться
выбросы (2199 просмотров) <a class='original' href='./download/file.php?id=11239&mode=view' target=_blank>Загрузить оригинал (39 КБ)</a>
выбросы
интересно, откуда берутся такие выбросы? или это щуп не откалиброван ?

первая засада была в том, что при минимальном увеличении длины импульса, напряжение на выходе резко прыгало до полутора вольт а потом уже росло более менее плавно. подозреваю, что причина в медленном оптотранзисторе.
вот картинка на входе и выходе оптотранзистора:
NewFile5.jpg (2199 просмотров) <a class='original' href='./download/file.php?id=11242&mode=view' target=_blank>Загрузить оригинал (25.56 КБ)</a>
видимо при большой частоте он не успевает толком закрыться.
снизил частоту в 10 раз с 15000 до 1500. стало лучше.
а потом еще до 500гц. теперь все достаточно плавно во всем диапазоне.
50% duty cycle. (2199 просмотров) <a class='original' href='./download/file.php?id=11240&mode=view' target=_blank>Загрузить оригинал (38.18 КБ)</a>
50% duty cycle.

следующая засада - максимальное выходное напряжение
100% duty cycle (2199 просмотров) <a class='original' href='./download/file.php?id=11241&mode=view' target=_blank>Загрузить оригинал (37.64 КБ)</a>
100% duty cycle
при 100% DC на выходе 83% от номинала. жить можно - просто настроить инвертер. но как-то того :thinking:

PS: очень доволен что взял осциллоскоп. как бы без него решал эту проблему представить не могу.
Каждая собака, бегущая на поводке впереди хозяина, думает, что ведет его за собой.
nik1
Мастер
Сообщения: 8408
Зарегистрирован: 02 окт 2012, 07:37
Репутация: 3629
Откуда: Красногорск
Контактная информация:

Re: Мой китаес Bernardo KF25 Top (клон BF20)

Сообщение nik1 »

А что, если настроить частотник под этот максимум, то будут какие то нюансы?
Типа не линейная регулировка или еще чего?
Почему озаботился? чего то вычитал про это?

Осцилограф вещь, у нас старый допотопный , но и то порой выручает
Не могу найти у кого ты брал свой, дай плиз ссылу
Аватара пользователя
Сергей Саныч
Мастер
Сообщения: 9116
Зарегистрирован: 30 май 2012, 14:20
Репутация: 2858
Откуда: Тюмень
Контактная информация:

Re: Мой китаес Bernardo KF25 Top (клон BF20)

Сообщение Сергей Саныч »

Алексс писал(а):интересно, откуда берутся такие выбросы? или это щуп не откалиброван ?
Вполне может быть. А откуда эти импульсы - с LPT или с месы?
Алексс писал(а):при минимальном увеличении длины импульса, напряжение на выходе резко прыгало до полутора вольт а потом уже росло более менее плавно. подозреваю, что причина в медленном оптотранзисторе.
Правильно подозреваешь.
Алексс писал(а):при 100% DC на выходе 83% от номинала. жить можно - просто настроить инвертер. но как-то того :thinking:
Так и должно быть - потому и питание на схеме указано 12 вольт, чтобы на выходе до 10 получить.
я тебе больше скажу, при малых скважностях (до 5..7%) на выходе должен быть 0, но это частично компенсируется задержкой закрывания фототранзистора.
Чтобы все было совсем "по-честному", надо на выходе поставить не эмиттерный повторитель, а операционный усилитель класса rail-to-rail, включенный по схеме повторителя или лучше ФНЧ на нем же. Ну и подыскать быстродействующий оптрон. Но по мне, это ни к чему.
Последний раз редактировалось Сергей Саныч 29 янв 2013, 10:39, всего редактировалось 1 раз.
Чудес не бывает. Бывают фокусы.
Аватара пользователя
Сергей Саныч
Мастер
Сообщения: 9116
Зарегистрирован: 30 май 2012, 14:20
Репутация: 2858
Откуда: Тюмень
Контактная информация:

Re: Мой китаес Bernardo KF25 Top (клон BF20)

Сообщение Сергей Саныч »

ukr-sasha писал(а):Вот с таким флюсом пожег чипы:
Когда флюс называют "паяльной пастой", одно это должно вызывать некоторые сомнения :) Это активный флюс, судя по надписи, с ним можно паять оцинковку (ведра, бачки), никелированные детали, и прочее, что канифоль не берет, а вот о пригодности для электроники ничего не сказано. Кусочек платы с микросхемой на картинке пусть остается на совести дизайнера упаковки :)
Судя по описанию и цене (в переводе на деньги около доллара за 35 граммов), это что-то вроде так называемого "паяльного жира".
Чудес не бывает. Бывают фокусы.
Аватара пользователя
Алексс
Почётный участник
Почётный участник
Сообщения: 2210
Зарегистрирован: 20 июл 2012, 15:49
Репутация: 266
Заслуга: IQ32
Настоящее имя: Алексей
Откуда: Прага
Контактная информация:

Re: Мой китаес Bernardo KF25 Top (клон BF20)

Сообщение Алексс »

Serg-tmn писал(а):Но по мне, это ни к чему.
ну раз пошла такая пьянка, можно на стадии разработки что-то поменять. нужно стремиться к хорошему. плохо само получится :)
ну и 500 герц частота pwm не очень хорошо. или всравно ??
просто возможно в скором будущем понадобится подключить rc bldc моторчик. а его нужно кормить 1килогерцем вроде...

заменил оптрон
pwm2dc2.png
pwm2dc2.png (5.23 КБ) 2174 просмотра
Каждая собака, бегущая на поводке впереди хозяина, думает, что ведет его за собой.
Аватара пользователя
Сергей Саныч
Мастер
Сообщения: 9116
Зарегистрирован: 30 май 2012, 14:20
Репутация: 2858
Откуда: Тюмень
Контактная информация:

Re: Мой китаес Bernardo KF25 Top (клон BF20)

Сообщение Сергей Саныч »

Алексс писал(а):ну и 500 герц частота pwm не очень хорошо. или всравно ??
А кто у тебя ШИМ генерит - меса аппаратно или LinuxCNC программно?
В принципе, инерционность шпинделя такова, что без разницы, 500 или 5000.
Алексс писал(а):rc bldc моторчик
а это кто такое?
По новой схеме - работать будет, но 10 вольт на выходе при 10-вольтовом питании с этим ОУ тоже не получить, от силы 8,5
Чудес не бывает. Бывают фокусы.
Аватара пользователя
Алексс
Почётный участник
Почётный участник
Сообщения: 2210
Зарегистрирован: 20 июл 2012, 15:49
Репутация: 266
Заслуга: IQ32
Настоящее имя: Алексей
Откуда: Прага
Контактная информация:

Re: Мой китаес Bernardo KF25 Top (клон BF20)

Сообщение Алексс »

меса. и я был удивлен, что настройка частоты pwm задается глобально для всех pwm, если их несколько.
Serg-tmn писал(а):инерционность шпинделя такова
хочется на выходе максимально стабильное значение, чтобы обороты сильно не плавали.
а это кто такое?
модельный шпиндельный мотор, что-то тип такого
T3648-600[1].jpg (2165 просмотров) <a class='original' href='./download/file.php?id=11254&mode=view' target=_blank>Загрузить оригинал (44.92 КБ)</a>
10 вольт тоже не получить
ну ладно, 12 вольт там где-то тоже есть. главное чтобы стабильно работало.
Каждая собака, бегущая на поводке впереди хозяина, думает, что ведет его за собой.
Аватара пользователя
IGon
Опытный
Сообщения: 167
Зарегистрирован: 05 ноя 2012, 11:10
Репутация: 11
Откуда: Хмельницкий, Украина
Контактная информация:

Re: Мой китаес Bernardo KF25 Top (клон BF20)

Сообщение IGon »

Жаль, что мой вопрос, пусть и косвенно, стал причиной ссоры с Автаевым :(
Вопрос к тому же заключался в основном в том, почему не от стола напрямую?
Аватара пользователя
Алексс
Почётный участник
Почётный участник
Сообщения: 2210
Зарегистрирован: 20 июл 2012, 15:49
Репутация: 266
Заслуга: IQ32
Настоящее имя: Алексей
Откуда: Прага
Контактная информация:

Re: Мой китаес Bernardo KF25 Top (клон BF20)

Сообщение Алексс »

IGon писал(а):почему не от стола напрямую?
просто стол кривой.
данный метод позволяет настроить перпендикулярность плосости движения а не плоскости стола.
Каждая собака, бегущая на поводке впереди хозяина, думает, что ведет его за собой.
Аватара пользователя
Алексс
Почётный участник
Почётный участник
Сообщения: 2210
Зарегистрирован: 20 июл 2012, 15:49
Репутация: 266
Заслуга: IQ32
Настоящее имя: Алексей
Откуда: Прага
Контактная информация:

Re: Мой китаес Bernardo KF25 Top (клон BF20)

Сообщение Алексс »

Даа!
свершилось!
https://www.youtube.com/watch?v=JPPd5iFGc5k
Каждая собака, бегущая на поводке впереди хозяина, думает, что ведет его за собой.
Аватара пользователя
Nick
Мастер
Сообщения: 22776
Зарегистрирован: 23 ноя 2009, 16:45
Репутация: 1735
Заслуга: Developer
Откуда: Gatchina, Saint-Petersburg distr., Russia
Контактная информация:

Re: Мой китаес Bernardo KF25 Top (клон BF20)

Сообщение Nick »

Круто! :cheesy:!

Не страшно было в первый раз запускать? :)
Ответить

Вернуться в «Фрезерные станки по металлам»