Страница 5 из 7
Re: Портальный А3 РП от Вектроника
Добавлено: 22 дек 2019, 04:16
aldemm
Samodelkin 88 писал(а):Расскажите, какой шпиндель идет в комплекте?...интересно.
Покупал только механику.
Шпиндель заказывал у MGG, здесь более подробно:
Re: Портальный А3 РП от Вектроника #22
шпиндель писал(а):такой же хруст, всё промыл думал уйдёт, но нет..а потом посмотрел, понюхал , послушал, реально заглушка как погремушка
Хочется верить. Вопрос в том, что звук имеет определенную периодичность. Будь то железный канал, "звон" был бы равномерным, такое чувство, что определенный шар на каждом круге издает хруст.
Re: Портальный А3 РП от Вектроника
Добавлено: 22 дек 2019, 05:27
verser
aldemm писал(а):такое чувство, что определенный шар на каждом круге издает хруст.
Очень похоже, что в гайку попала мелкая стружка. На видео швп выглядит сухим. Может помочь периодическая
обильная смазка швп с очисткой от стружки и пыли.
Re: Портальный А3 РП от Вектроника
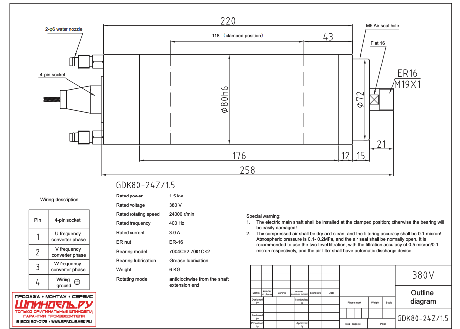
Добавлено: 25 дек 2019, 12:58
aldemm
В соседней теме узнал, что у шпинделей есть зона за которою его нужно зажимать в хомуте (clamped position). Оставлю картинку своего шпинделя здесь, чтобы не потерять.
Re: Портальный А3 РП от Вектроника
Добавлено: 25 дек 2019, 15:20
Rom327
Ну и где надо крепить? Ты бы заштриховал расположение хомутов, чтобы было понятно...
Re: Портальный А3 РП от Вектроника
Добавлено: 25 дек 2019, 15:27
xenon-alien
Rom327 писал(а):Ну и где надо крепить? Ты бы заштриховал расположение хомутов, чтобы было понятно...
118 mm clamped position
Что не понятно? Обдасть штриховкой отмечена.
Re: Портальный А3 РП от Вектроника
Добавлено: 25 дек 2019, 15:27
frezeryga
креепить между пунктирами. но из практики это не шибко принципиально. у меня закреплен в запретной зоне и уже не один год.
Re: Портальный А3 РП от Вектроника
Добавлено: 25 дек 2019, 18:18
aldemm
Rom327 писал(а):Ну и где надо крепить
Как уже сказали, зона отмечена пунктиром и обозвана "clamped position". Я как понимаю, от шпинделя к шпинделю она меняется.
Re: Портальный А3 РП от Вектроника
Добавлено: 26 дек 2019, 10:04
drey82
на вид зона отмеченная на картинке как раз над обмотками статора и при зажиме в кронштейн для шпинделя ( китайский вариант - те что литые ) улучшит его охлаждение вот и все (на сколько градусов еще вопрос) ИМХО
Re: Портальный А3 РП от Вектроника
Добавлено: 13 окт 2020, 16:46
aldemm
Первая алюминиевая деталь. Планирую в дальнейшем на нее крепить заготовки и базировать относительно ее.
По размерам: 135-60 мм
Получилось: 134,96-59,96 мм
-4 сотки - или из-за меньшего диаметра китайской фрезы или жесткости нехватает. Склоняюсь к первому.
Фреза AZZKOR 4 мм 3 зуба 9000 оборотов. Подача черновая: 600 заглубление 0,8, чистовая: 400 на всю глубину (8мм), припуск 0,05 мм.
Плоскость делал фрезой по дереву на 24 мм.
Re: Портальный А3 РП от Вектроника
Добавлено: 13 окт 2020, 23:07
RNDL
Если бы фреза была меньше, размеры детали получились бы в плюсе

Re: Портальный А3 РП от Вектроника
Добавлено: 14 окт 2020, 06:21
aldemm
RNDL писал(а): ↑13 окт 2020, 23:07
Если бы фреза была меньше, размеры детали получились бы в плюсе
Согласен!
Re: Портальный А3 РП от Вектроника
Добавлено: 14 окт 2020, 08:20
nevkon
Может быть многое - фреза большего диаметра, биение фрезы, люфты, затягивание фрезы в материал (если подача встречная). А еще может быть методика измерения и погрешность измерительного прибора.
Re: Портальный А3 РП от Вектроника
Добавлено: 14 окт 2020, 09:29
MGG
Биенеие проверь.
А так в ноль если все так линейно то можно на фрезу дать +0.02 к размеру.
Re: Портальный А3 РП от Вектроника
Добавлено: 20 окт 2020, 12:09
aldemm
aldemm писал(а): ↑26 июл 2019, 14:58
Подскажите пожалуйста, люди знающие.
Суть проблемы, SolidCam в УП генерируется вот эта строка "
N5 G0 Z10 (Retour aux origines machine)". Из-за чего, если обнуляться по столу, в начале фреза уходит на 10 мм и портит деталь (если таковая по оси З больше 10 мм).
Я как понял за эту строку ответственен постпроцессор.
Можно ли этот параметр настраиваеть из интерфейса SolidCam?
ПО: SolidWorks + SolidCam -> Mach3
Постпроцессор:
Re: SolidCAM #637
Пример кода:
%
O1 (ПОДСТАВКА-1)
G51 X1Y1
N5 G0 Z10 (Retour aux origines machine)
N10 (Номер инструмента 1 - Диаметр фрезы 3.175 D1 H1)
N15 T1 M6 D1 H1
N20 S24000 M4
N25 M8
N30 (P-contour)
N35 G0 G54 X37.65 Y35.
N40 G43 H1 Z40.
Была такая проблема. Сейчас опять столкнулся с этим, хочу таки исправить. Изучил постпроцессор, так и не смог найти функции которая вернет мне безопасную высоту, установленную SolidCam
При этом нашел сами строки и переменные которые отвечают за это, НО такое чувство что на этапе "@start_program" они не проинициализированы посему всегда возвращают 0
Для понимания, все функции которые нашел выдают:
Код: Выделить всё
N5 G0 Z10 (Retour aux origines machine)
N10 G0 Z0.
N15 G0 Z0.
N20 G0 Z0.
N25 G0 Z0.
N30 X0. Y0.
N35 G43 H2 Z0.
И соответвующая часть постпроцессора:
Код: Выделить всё
@start_program
{nl, 'G51 X1Y1'}
call @gen_nb
{'G0 Z10 (Retour aux origines machine)'}
call @gen_nb
{'G0 Z'zpos}
call @gen_nb
{'G0 Z'znext}
call @gen_nb
{'G0 Z'zhome}
call @gen_nb
{'G0 Z'drill_lower_z}
call @gen_nb
call @home_number
{' X'xpos, ' Y'ypos}
call @gen_nb
{'G43 H'tool_number,' Z'zpos}
endp
Прошу совета у знатоков.
Re: Портальный А3 РП от Вектроника
Добавлено: 07 ноя 2020, 15:16
max73
aldemm писал(а): ↑
Плоскость делал фрезой по дереву на 24 мм.
если не секрет, а что за фреза и какие параметры?
еще с чистовой не понятно, прям так на все 8мм?
Re: Портальный А3 РП от Вектроника
Добавлено: 07 ноя 2020, 18:02
aldemm
max73 писал(а): ↑07 ноя 2020, 15:16
aldemm писал(а): ↑
Плоскость делал фрезой по дереву на 24 мм.
если не секрет, а что за фреза и какие параметры?
еще с чистовой не понятно, прям так на все 8мм?
Чистовая - да, на всю глубину.
Фреза обычная по дереву из Леруа (легко гуглится: Фреза пазовая прямая (24х25 мм; хвостовик 8 мм) по дереву Энкор). По режимам не скажу, так как делал вручную.
Re: Портальный А3 РП от Вектроника
Добавлено: 07 ноя 2020, 19:56
max73
я не совсем понимаю, 8мм глубины выбирали? ИМХО для портальников не многовато ли?
и что, прям фрезой по дереву сняли верхний слой? не совсем ясно, а чего народ тут балеринки мастерит из резцов?
Я спрашиваю, потому что сам присматриваю решение для обработки плоскости, но пока только 10й фрезой.
Re: Портальный А3 РП от Вектроника
Добавлено: 08 ноя 2020, 06:46
aldemm
8 мм это на чистовой, подача 400, на всю глубину 8мм, снимал 0,05 мм
По поводу фрезы по дереву - купите и попробуйте, стоит она рублей 300. Вопрос в том что точность изготовления оных может сильно хромать
Как-нибудь сниму видео, если будет время.
Re: Портальный А3 РП от Вектроника
Добавлено: 01 дек 2020, 11:40
aldemm
Re: Портальный А3 РП от Вектроника
Добавлено: 02 дек 2020, 21:29
Rinerk
aldemm писал(а): ↑20 окт 2020, 12:09
aldemm писал(а): ↑26 июл 2019, 14:58
Подскажите пожалуйста, люди знающие.
Суть проблемы, SolidCam в УП генерируется вот эта строка "
N5 G0 Z10 (Retour aux origines machine)". Из-за чего, если обнуляться по столу, в начале фреза уходит на 10 мм и портит деталь (если таковая по оси З больше 10 мм).
Я как понял за эту строку ответственен постпроцессор.
Можно ли этот параметр настраиваеть из интерфейса SolidCam?
ПО: SolidWorks + SolidCam -> Mach3
Постпроцессор:
Re: SolidCAM #637
Пример кода:
%
O1 (ПОДСТАВКА-1)
G51 X1Y1
N5 G0 Z10 (Retour aux origines machine)
N10 (Номер инструмента 1 - Диаметр фрезы 3.175 D1 H1)
N15 T1 M6 D1 H1
N20 S24000 M4
N25 M8
N30 (P-contour)
N35 G0 G54 X37.65 Y35.
N40 G43 H1 Z40.
Была такая проблема. Сейчас опять столкнулся с этим, хочу таки исправить. Изучил постпроцессор, так и не смог найти функции которая вернет мне безопасную высоту, установленную SolidCam
При этом нашел сами строки и переменные которые отвечают за это, НО такое чувство что на этапе "@start_program" они не проинициализированы посему всегда возвращают 0
Для понимания, все функции которые нашел выдают:
Код: Выделить всё
N5 G0 Z10 (Retour aux origines machine)
N10 G0 Z0.
N15 G0 Z0.
N20 G0 Z0.
N25 G0 Z0.
N30 X0. Y0.
N35 G43 H2 Z0.
И соответвующая часть постпроцессора:
Код: Выделить всё
@start_program
{nl, 'G51 X1Y1'}
call @gen_nb
{'G0 Z10 (Retour aux origines machine)'}
call @gen_nb
{'G0 Z'zpos}
call @gen_nb
{'G0 Z'znext}
call @gen_nb
{'G0 Z'zhome}
call @gen_nb
{'G0 Z'drill_lower_z}
call @gen_nb
call @home_number
{' X'xpos, ' Y'ypos}
call @gen_nb
{'G43 H'tool_number,' Z'zpos}
endp
Прошу совета у знатоков.
Screenshot_5.jpg
Из того что я для себя в солидкаме уяснил - если по Z что-то не так - ищи в настройках систем координат (параметры плоскостей безопасности). У меня так в начале работы первый станок стартовал по Z на +120 (при общем ходе 80) Тоже искал в посте и не нашел, н потом увидел 120 в солидкаме