Ввод в эксплуатацию ЧПУ системы на основе контроллера Kflop.
-
konstantinshr
- Мастер
- Сообщения: 226
- Зарегистрирован: 04 авг 2013, 17:05
- Репутация: 43
- Откуда: Новороссийск
- Контактная информация:
Re: Ввод в эксплуатацию ЧПУ системы на основе контроллера Kf
Спасибо завтра буду пробовать
-
konstantinshr
- Мастер
- Сообщения: 226
- Зарегистрирован: 04 авг 2013, 17:05
- Репутация: 43
- Откуда: Новороссийск
- Контактная информация:
Re: Ввод в эксплуатацию ЧПУ системы на основе контроллера Kf
Плата уже на монтажке. А спереди на сайте производителя она есть.Stich писал(а):Если не затруднит, можно 2 качественные фотографии коннекта с двух сторонkonstantinshr писал(а): Да коннект подключил.
- Stich
- Опытный
- Сообщения: 156
- Зарегистрирован: 13 мар 2015, 18:30
- Репутация: 184
- Настоящее имя: Никита
- Откуда: Сочи
- Контактная информация:
Re: Ввод в эксплуатацию ЧПУ системы на основе контроллера Kf
То что есть на сайте не подходитkonstantinshr писал(а): Плата уже на монтажке. А спереди на сайте производителя она есть.
- AlexNikov
- Мастер
- Сообщения: 1212
- Зарегистрирован: 05 янв 2014, 20:09
- Репутация: 721
- Настоящее имя: Алексей
- Откуда: Томск
- Контактная информация:
Re: Ввод в эксплуатацию ЧПУ системы на основе контроллера Kf
"плюсик" лучшее спасибоkonstantinshr писал(а):Спасибо завтра буду пробовать
-
konstantinshr
- Мастер
- Сообщения: 226
- Зарегистрирован: 04 авг 2013, 17:05
- Репутация: 43
- Откуда: Новороссийск
- Контактная информация:
Re: Ввод в эксплуатацию ЧПУ системы на основе контроллера Kf
Гуру подскажите!
Продолжаем переводить станок с Nctudio на Kflop. Станок четырех осевой. Две оси на сервах а две на шаговиках. Так вот сервы без проблем завелись и поехали. А вот с шаговиками засада. По оси У два шаговика на одной ос. У китайцев драйвера были подключены параллельно, также завел на kflop на канал 1, но двигатели только гудят и иногда двигаются рывками. Я так думаю надо каждый драйвер на на свой канал пускать? или может в настройках какое усиление выставить надо?
Продолжаем переводить станок с Nctudio на Kflop. Станок четырех осевой. Две оси на сервах а две на шаговиках. Так вот сервы без проблем завелись и поехали. А вот с шаговиками засада. По оси У два шаговика на одной ос. У китайцев драйвера были подключены параллельно, также завел на kflop на канал 1, но двигатели только гудят и иногда двигаются рывками. Я так думаю надо каждый драйвер на на свой канал пускать? или может в настройках какое усиление выставить надо?
- AlexNikov
- Мастер
- Сообщения: 1212
- Зарегистрирован: 05 янв 2014, 20:09
- Репутация: 721
- Настоящее имя: Алексей
- Откуда: Томск
- Контактная информация:
Re: Ввод в эксплуатацию ЧПУ системы на основе контроллера Kf
Каждый драйвер на свой выход, в настройках одна ось ведущая, вторая ведомая (подчиненная).konstantinshr писал(а):Гуру подскажите!
Продолжаем переводить станок с Nctudio на Kflop. Станок четырех осевой. Две оси на сервах а две на шаговиках. Так вот сервы без проблем завелись и поехали. А вот с шаговиками засада. По оси У два шаговика на одной ос. У китайцев драйвера были подключены параллельно, также завел на kflop на канал 1, но двигатели только гудят и иногда двигаются рывками. Я так думаю надо каждый драйвер на на свой канал пускать? или может в настройках какое усиление выставить надо?
- ukr-sasha
- Мастер
- Сообщения: 3401
- Зарегистрирован: 21 мар 2011, 07:47
- Репутация: 2181
- Настоящее имя: Украинец Александр Григорьевич
- Откуда: Киев, Украина
- Контактная информация:
Re: Ввод в эксплуатацию ЧПУ системы на основе контроллера Kf
Сигналы степ и дир не перепутали?konstantinshr писал(а):но двигатели только гудят и иногда двигаются рывками.
-
konstantinshr
- Мастер
- Сообщения: 226
- Зарегистрирован: 04 авг 2013, 17:05
- Репутация: 43
- Откуда: Новороссийск
- Контактная информация:
Re: Ввод в эксплуатацию ЧПУ системы на основе контроллера Kf
Вроде нет, но надо попробовать поменять. А два драйвера на одном канале имеют право на жизнь? А то надо еще один разъем задействовать. Я так понял JP 5 это eternet разъем?ukr-sasha писал(а):Сигналы степ и дир не перепутали?konstantinshr писал(а):но двигатели только гудят и иногда двигаются рывками.
- donvictorio
- Мастер
- Сообщения: 2458
- Зарегистрирован: 11 окт 2012, 16:26
- Репутация: 683
- Настоящее имя: Виктор
- Откуда: Санкт-Петербург
- Контактная информация:
Re: Ввод в эксплуатацию ЧПУ системы на основе контроллера Kf
можно 2 драйвера на одном канале, но тогда логика нуления превращается "доехать до упора и немного потрещать пропусками" или мутить с концевиками и входами enable. так как нулить по одному датчику бессмысленно. но правильно - 2 мотора, 2 концевика, 2 канала и отдельный зеро по каждому каналу.konstantinshr писал(а):Вроде нет, но надо попробовать поменять. А два драйвера на одном канале имеют право на жизнь? А то надо еще один разъем задействовать. Я так понял JP 5 это eternet разъем?
-
konstantinshr
- Мастер
- Сообщения: 226
- Зарегистрирован: 04 авг 2013, 17:05
- Репутация: 43
- Откуда: Новороссийск
- Контактная информация:
Re: Ввод в эксплуатацию ЧПУ системы на основе контроллера Kf
А в чем криминал обнуления по одному датчику? Если шаговик пропускает шаги при обнулении, то он также их пропустит и при работе, портал перекосит и все в мусор. Значит станок не настроен и как его обнулять уже не важноdonvictorio писал(а):можно 2 драйвера на одном канале, но тогда логика нуления превращается "доехать до упора и немного потрещать пропусками" или мутить с концевиками и входами enable. так как нулить по одному датчику бессмысленно. но правильно - 2 мотора, 2 концевика, 2 канала и отдельный зеро по каждому каналу.konstantinshr писал(а):Вроде нет, но надо попробовать поменять. А два драйвера на одном канале имеют право на жизнь? А то надо еще один разъем задействовать. Я так понял JP 5 это eternet разъем?
- donvictorio
- Мастер
- Сообщения: 2458
- Зарегистрирован: 11 окт 2012, 16:26
- Репутация: 683
- Настоящее имя: Виктор
- Откуда: Санкт-Петербург
- Контактная информация:
Re: Ввод в эксплуатацию ЧПУ системы на основе контроллера Kf
перекосить может и с энкодерами.konstantinshr писал(а):А в чем криминал обнуления по одному датчику? Если шаговик пропускает шаги при обнулении, то он также их пропустит и при работе, портал перекосит и все в мусор. Значит станок не настроен и как его обнулять уже не важно
просто шаговики без ос это очень стрёмная хрень в плане гарантии позиции. и это не настроить никак. ну либо работать с G0=G1.
а иметь кфлоп и оказываться от простейшей функции раздельного нуля - это конечно жесть. там же ИО дохрена.
-
konstantinshr
- Мастер
- Сообщения: 226
- Зарегистрирован: 04 авг 2013, 17:05
- Репутация: 43
- Откуда: Новороссийск
- Контактная информация:
Re: Ввод в эксплуатацию ЧПУ системы на основе контроллера Kf
Так и не удалось запустить шаговые приводы. Такое ощущение что не хватает сигнала для открытия оптронов на драйвере. По оси Х движется но с пропуском шагов. А по У никак. Укоротил провода , двигатели закрутились , но в одну сторону быстрее чем в другую. Притом что сервоприводы по другим осям нормально настаиваются. Вернул управление от ncstudio, устойчивое движение по всем осям. А kflop как будто неспособен сгенерировать сигнал для драйверов шаговика. Драйвера 2MA860H. Может они уже устарели и не совместимы 
- ukr-sasha
- Мастер
- Сообщения: 3401
- Зарегистрирован: 21 мар 2011, 07:47
- Репутация: 2181
- Настоящее имя: Украинец Александр Григорьевич
- Откуда: Киев, Украина
- Контактная информация:
Re: Ввод в эксплуатацию ЧПУ системы на основе контроллера Kf
Если бы была схема подключения, то можно было бы попытаться помочь.
И файл настройки не повредит.
А так....Гадание на кофейной гуще.
И файл настройки не повредит.
А так....Гадание на кофейной гуще.
- donvictorio
- Мастер
- Сообщения: 2458
- Зарегистрирован: 11 окт 2012, 16:26
- Репутация: 683
- Настоящее имя: Виктор
- Откуда: Санкт-Петербург
- Контактная информация:
Re: Ввод в эксплуатацию ЧПУ системы на основе контроллера Kf
в первый раз. когда я игрался к кфлопом, не мог выдавить частоту больше 400кГц. оказалось, что нужно уменьшить ширину импульса.
в конфиг добавил строчку
FPGA(STEP_PULSE_LENGTH_ADD)=16;
и всё поехало.
в конфиг добавил строчку
FPGA(STEP_PULSE_LENGTH_ADD)=16;
и всё поехало.
-
konstantinshr
- Мастер
- Сообщения: 226
- Зарегистрирован: 04 авг 2013, 17:05
- Репутация: 43
- Откуда: Новороссийск
- Контактная информация:
Re: Ввод в эксплуатацию ЧПУ системы на основе контроллера Kf
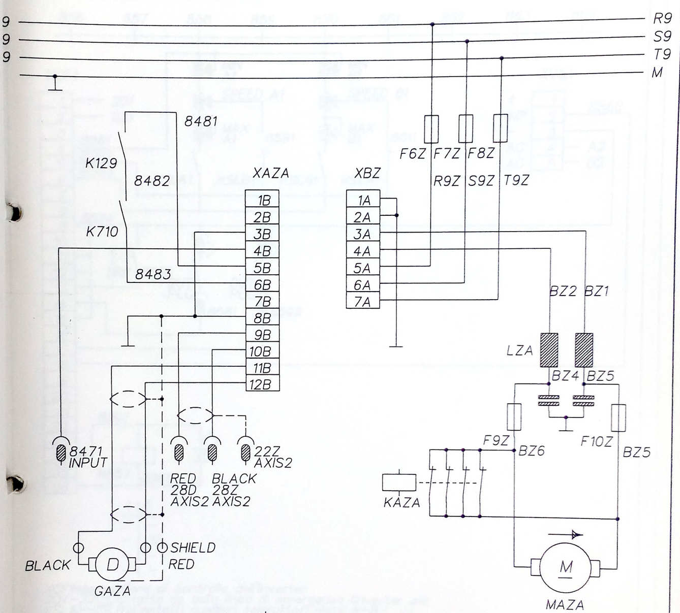
Схема подключения как в учебнике http://www.cnc-club.com/forum/viewtopic ... f1028a2979 сообщение 2. Только запитано от 5 В. пин 23 на JP 7. При запитке на 3.3В сервоприводы работают без проблем, а шаговые драйверы вообще не реагируют на управляющие сигналы. Питание от независимого блока. Джампер убрал.ukr-sasha писал(а):Если бы была схема подключения, то можно было бы попытаться помочь.
И файл настройки не повредит.
А так....Гадание на кофейной гуще.
-
konstantinshr
- Мастер
- Сообщения: 226
- Зарегистрирован: 04 авг 2013, 17:05
- Репутация: 43
- Откуда: Новороссийск
- Контактная информация:
Re: Ввод в эксплуатацию ЧПУ системы на основе контроллера Kf
Имеется ввиду в файл инициализации? Вообще драйвер рассчитан до 200 кГцdonvictorio писал(а):в первый раз. когда я игрался к кфлопом, не мог выдавить частоту больше 400кГц. оказалось, что нужно уменьшить ширину импульса.
в конфиг добавил строчку
FPGA(STEP_PULSE_LENGTH_ADD)=16;
и всё поехало.
- donvictorio
- Мастер
- Сообщения: 2458
- Зарегистрирован: 11 окт 2012, 16:26
- Репутация: 683
- Настоящее имя: Виктор
- Откуда: Санкт-Петербург
- Контактная информация:
Re: Ввод в эксплуатацию ЧПУ системы на основе контроллера Kf
да, в конец файла инициализацииkonstantinshr писал(а):Имеется ввиду в файл инициализации? Вообще драйвер рассчитан до 200 кГц
вообще мануал по этому поводу говорит вот что:
Global Register sets Pulse Width, Polarity, Multiplexor
To change the Step/Dir Pulse width, Step Pulse Polarity, and connector multiplexor for channels 0-4 a programmable register in KFLOP's FPGA may be used.
KFLOP has the capability to program the Step pulse width as a 6-bit value. The default setting is 2us. The pulse length may be adjusted from 1 to 63 of 16.67 MHz clocks. Which corresponds to 60ns to 3.78us. Using a long pulse length limits the maximum frequency that can be generated. For example with the default pulse length of 2us the frequency should not exceed 1/(2 x 2us) = 250KHz.
KFLOP sets the Direction output 1.92us before generating a Step Pulse. With the maximum Step Pulse length of 3.78us the maximum Direction Setup time to the trailing edge of the Step Pulse is 5.7us.
Setting Bit-6 high of the register can be set high to multiplex Step/Dir generators 0-3 from JP7 to JP4 and JP6.
Setting Bit-7 high will invert the Step Output pulse so that it pulses High rather than Low. Some Amplifiers (Geckos) prefer this mode. If the drive "steps" on the falling edge of the pulse, then this option will provide more setup time for the Direction Signal.
A User C Program must be used to change the FPGA register. The following statement should be used:
FPGA(STEP_PULSE_LENGTH_ADD)=32; // set the pulse time to ~ 2us
FPGA(STEP_PULSE_LENGTH_ADD)=32 + 0x40; // set the pulse time to ~ 2us and multiplex to JP4 and JP6
FPGA(STEP_PULSE_LENGTH_ADD)=32 + 0x80; // set the pulse time to ~ 2us and pulse the Step High
FPGA(STEP_PULSE_LENGTH_ADD)=32 + 0x40 + 0x80 // set the pulse time to ~ 2us, mux to JP4 and JP6, and pulse the Step High
-
robinnn
- Кандидат
- Сообщения: 46
- Зарегистрирован: 02 фев 2014, 01:44
- Репутация: 0
- Контактная информация:
Re: Ввод в эксплуатацию ЧПУ системы на основе контроллера Kf
Если энкодер имеет каналы А, В, А-,В- и индекс каналы Z, Z+. Как тогда подключать к Kanakog ?
Может еще кто поможет с подключением драйвера?
Канал 4 нужно обязательно подключать? Для режима Enable достаточно замкнуть каналы 5 и 6? Тут вроде описание похожего http://www.controltech.com.tr/Documents ... 20Iss4.pdf
Может еще кто поможет с подключением драйвера?
Канал 4 нужно обязательно подключать? Для режима Enable достаточно замкнуть каналы 5 и 6? Тут вроде описание похожего http://www.controltech.com.tr/Documents ... 20Iss4.pdf
-
konstantinshr
- Мастер
- Сообщения: 226
- Зарегистрирован: 04 авг 2013, 17:05
- Репутация: 43
- Откуда: Новороссийск
- Контактная информация:
Re: Ввод в эксплуатацию ЧПУ системы на основе контроллера Kf
Большое спасибо. Плюсик поставил.donvictorio писал(а):да, в конец файла инициализациивообще мануал по этому поводу говорит вот что:
Вставил строчку
FPGA(STEP_PULSE_LENGTH_ADD)=40; притом пробовал цифр от 16 до 32 не помогло. Но методом научного тыка нашел что с 36 оси поехали.
Теперь летает 12800 мм/мин. и можно еще добавить. Просто страшно рядом стоять
Я думаю ukr-sasha стоит эту информацию добавить в общую инструкцию.
Теперь осталось разобраться с подключением концевиков и как запустить китайский шпиндель.
-
robinnn
- Кандидат
- Сообщения: 46
- Зарегистрирован: 02 фев 2014, 01:44
- Репутация: 0
- Контактная информация:
Re: Ввод в эксплуатацию ЧПУ системы на основе контроллера Kf
Без подключения к плате вал двигателя крутиться с малой частотой, но при подключении платы идут сильные вибрации.
Вот видео.
https://www.youtube.com/watch?v=v5kB0uK ... e=youtu.be
https://www.youtube.com/watch?v=vGds7S4 ... e=youtu.be
В чем причина?
Вот видео.
https://www.youtube.com/watch?v=v5kB0uK ... e=youtu.be
https://www.youtube.com/watch?v=vGds7S4 ... e=youtu.be
В чем причина?