StepMaster ver 2.5

Контроллеры, драйверы, датчики, управляющие устройства.
Vasia_Pupkin
Кандидат
Сообщения: 70
Зарегистрирован: 23 авг 2017, 19:57
Репутация: 10
Настоящее имя: Антон
Откуда: Екатеринбург
Контактная информация:

Re: StepMaster ver 2.5

Сообщение Vasia_Pupkin »

Добрый день!

Спасибо всем добрым людям за помощь, проблема, как часто бывает, оказалась в кривых руках.
А инвертор работает в режиме измерения напряжения или тока? не может он "просаживать" операционник на плате? В инверторах бывает джампер для выбора режима. (допустимый ток выхода до 70 мА, что довольно много)
Частотник Kinda KD-200, у меня работает в режиме напряжения, джампера там нет для переключения режимов, в настройках выставил от куда сигнал брать, на нем разные входы для работы по току и напряжению

Как и ожидалось, проблема оказалась в настройках EMC2.
Я, начитавших мануалов, понял видимо неправильно(думал что раз управление частотника по 0-10v, значит так и надо выставить в линуксе...) и выставил режим ЧИМ(PDM) в linuxcnc, выставив в настройках частоту 0 Гц, что линукс выдавал при этом в LPT порт - одному богу известно)))
В итоге выставил режим ШИМ (PWM), частоту взял 10Гц и все заработало как и должно.

Правда сохранилась проблема с плаваньем оборотов на некоторых скоростях, плавают +-20 оборотов, на некоторых - все ок, но по звуку, шпиндель нормально работает, а показания оборотов скачут на табло частотника, в нем же в свою очередь, нет энкодера и обороты он похоже высчитывает исходя из частоты, посему думаю это магия частотника, пробую победить его настройками, но пока он выигрывает.

Определив для себя рабочий диапазон от 8000 до 22000 оборотов скорректировал параметры scale и offset. В начале и в конце диапазона, при подаче команды s8000 или s22000, показания частотника близки к идеалу +-50 оборотов. В середине же диапазона фактические обороты от команды могу отличаться до+-500, видимо не линейно как то идет нарастание напряжения. Кстати, по этому поводу вопрос:
Продолжить копаться в настройках частотника, либо же в настройках linuxcnc, либо это нормально и так все и должно быть?)))
Последний раз редактировалось Vasia_Pupkin 06 дек 2017, 23:04, всего редактировалось 1 раз.
Аватара пользователя
michael-yurov
Почётный участник
Почётный участник
Сообщения: 11731
Зарегистрирован: 26 июл 2012, 00:10
Репутация: 4703
Настоящее имя: Михаил Львович
Откуда: Новоуральск
Контактная информация:

Re: StepMaster ver 2.5

Сообщение michael-yurov »

Vasia_Pupkin писал(а):Правда сохранилась проблема с плаваньем оборотов на некоторых скоростях, плавают +-20 оборотов
Попробуй изменить частоту ШИМ (например, задать 1 Гц, или 100 Гц).
Vasia_Pupkin писал(а):В середине же диапазона фактические обороты от команды могу отличаться до+-500, видимо не линейно как то идет нарастание напряжения. Кстати, по этому поводу вопрос:
Продолжить копаться в настройках частотника, либо же в настройках linuxcnc, либо это нормально и так все и должно быть?)))
частотник управляется напряжением, не током? Проверь. Обычно, режим выбирается джампером.
Преобразователь в плате довольно точный с высокой линейностью.
Vasia_Pupkin
Кандидат
Сообщения: 70
Зарегистрирован: 23 авг 2017, 19:57
Репутация: 10
Настоящее имя: Антон
Откуда: Екатеринбург
Контактная информация:

Re: StepMaster ver 2.5

Сообщение Vasia_Pupkin »

michael-yurov писал(а): Попробуй изменить частоту ШИМ (например, задать 1 Гц, или 100 Гц).
Пробовал от 5 до 25, результат одинаковый, в мануале Linuxcnc написано что на частотах ниже 5 точность плохая, поэтому не пробовал, завтра попробую - отпишусь.
michael-yurov писал(а): частотник управляется напряжением, не током? Проверь. Обычно, режим выбирается джампером.
Преобразователь в плате довольно точный с высокой линейностью.
Частотник Kinda KD-200, у меня работает в режиме напряжения, джампера там нет для переключения режимов, в настройках выставил от куда сигнал брать, на нем разные входы для работы по току и напряжению
Vasia_Pupkin
Кандидат
Сообщения: 70
Зарегистрирован: 23 авг 2017, 19:57
Репутация: 10
Настоящее имя: Антон
Откуда: Екатеринбург
Контактная информация:

Re: StepMaster ver 2.5

Сообщение Vasia_Pupkin »

Попробовал разные частоты, от 1 до 400Гц.

Свыше 50 Гц уже начинают плавать обороты во всем диапазоне скоростей
На частоте 1Гц, частотник повел себя очень странно, разгонялся и тормозил постоянно
На удивление все хорошо пошло на частоте 2Гц, обороты иногда плавают +-20, но это в бывает редко на каких-то отдельных скоростях, в целом же, обороты держатся стабильно во всем диапазоне скоростей. Думаю это магия частотника.
Так же удалось добиться довольно высокой линейности и соответствия реальным оборотам. При подаче команды S8000 - самое высокое несоответствие - фактически обороты 7950, но чем выше обороты тем ближе приближаемся к реально скорости, при S22000 получаем уже 22005 реальных оборотов.
Можно конечно еще пошаманить, но думаю это уже лишнее будет, для шпинделя без подключенной обратной связи и так, как мне кажется, хороший результат.
Аватара пользователя
michael-yurov
Почётный участник
Почётный участник
Сообщения: 11731
Зарегистрирован: 26 июл 2012, 00:10
Репутация: 4703
Настоящее имя: Михаил Львович
Откуда: Новоуральск
Контактная информация:

Re: StepMaster ver 2.5

Сообщение michael-yurov »

Vasia_Pupkin писал(а):Свыше 50 Гц уже начинают плавать обороты во всем диапазоне скоростей
При частоте LPT 25 кГц и максимальных оборотах 24000 шаг изменения скважности ШИМ примерно будет равен частоте ШИМ в герцах.
Т.е. если частота ШИМ 50 Гц - то и обороты можно будет регулировать приблизительно с таким же шагом. Особенность работы ШИМ генератора на выходе LPT.
Vasia_Pupkin писал(а):На частоте 1Гц, частотник повел себя очень странно, разгонялся и тормозил постоянно
Тут моя вина - забыл предупредить, что СтепМастер импульсы с частотой ниже 1,5 Гц будет воспринимать как череду нолевых и полных оборотов шпинделя.

Думаю, стоит немного доработать алгоритм преобразователя в прошивке платы. Но пока не знаю, что именно стоит сделать.
Т.е. пока не могу придумать, какое поведение ШИМ преобразователя будет лучшим вариантом и даст ожидаемый и хороший результат.
Скважность ШИМ сигнала на выходе LPT немного плавает, и было бы хорошо, чтобы это не отражалось на выходном напряжении преобразователя.
Аватара пользователя
Seriyvolk
Кандидат
Сообщения: 57
Зарегистрирован: 08 окт 2017, 04:13
Репутация: 22
Настоящее имя: Сергей
Контактная информация:

Re: StepMaster ver 2.5

Сообщение Seriyvolk »

michael-yurov писал(а):Скважность ШИМ сигнала на выходе LPT немного плавает, и было бы хорошо, чтобы это не отражалось на выходном напряжении преобразователя.
Ну так что тебе стоит, одним цифровым фильтром больше, одним меньше... :hehehe:
Vasia_Pupkin
Кандидат
Сообщения: 70
Зарегистрирован: 23 авг 2017, 19:57
Репутация: 10
Настоящее имя: Антон
Откуда: Екатеринбург
Контактная информация:

Re: StepMaster ver 2.5

Сообщение Vasia_Pupkin »

michael-yurov писал(а): При частоте LPT 25 кГц и максимальных оборотах 24000 шаг изменения скважности ШИМ примерно будет равен частоте ШИМ в герцах.
Т.е. если частота ШИМ 50 Гц - то и обороты можно будет регулировать приблизительно с таким же шагом. Особенность работы ШИМ генератора на выходе LPT.
Пробовал 24Гц, но результат примерно такой же был как и на 10Гц
michael-yurov писал(а): Думаю, стоит немного доработать алгоритм преобразователя в прошивке платы. Но пока не знаю, что именно стоит сделать.
Т.е. пока не могу придумать, какое поведение ШИМ преобразователя будет лучшим вариантом и даст ожидаемый и хороший результат.
Скважность ШИМ сигнала на выходе LPT немного плавает, и было бы хорошо, чтобы это не отражалось на выходном напряжении преобразователя.
Кстати, забыл еще сказать такой нюанс - максимальное напряжение которое выдал StepMaster было 9,91в, тут я не знаю, это или опять же особенности настройки EMC2 либо же дело в чем-то другом. Кстати, думаю надо попробовать отключить частотник и померить выходное напряжение с платы с отключенным частотником, может он напряжение просаживает как-то.
Вобщем на выходных проведу еще натурные испытания и отпишусь.
Аватара пользователя
Сергей Саныч
Мастер
Сообщения: 9116
Зарегистрирован: 30 май 2012, 14:20
Репутация: 2858
Откуда: Тюмень
Контактная информация:

Re: StepMaster ver 2.5

Сообщение Сергей Саныч »

Vasia_Pupkin, сделайте управление по Modbus (у KD200 он вроде как должен быть) и забудьте про аналоговую связь между цифровыми устройствами, как страшный сон.
Чудес не бывает. Бывают фокусы.
Vasia_Pupkin
Кандидат
Сообщения: 70
Зарегистрирован: 23 авг 2017, 19:57
Репутация: 10
Настоящее имя: Антон
Откуда: Екатеринбург
Контактная информация:

Re: StepMaster ver 2.5

Сообщение Vasia_Pupkin »

Сергей Саныч писал(а):Vasia_Pupkin, сделайте управление по Modbus (у KD200 он вроде как должен быть) и забудьте про аналоговую связь между цифровыми устройствами, как страшный сон.
На счет страшного сна это спорное утверждение)))
Я тут быстро поглядел темы:
http://wiki.linuxcnc.org/cgi-bin/wiki.pl?VFD_Modbus
http://linuxcnc.org/docs/devel/html/drivers/mb2hal.html
Боюсь что какое-то время мне будет процесс запуска шпинделя по Modbus сниться в кошмарах))

А какой плюс в подключении по Modbus? Первый раз с этим сталкиваюсь поэтому и спрашиваю.
Аватара пользователя
Сергей Саныч
Мастер
Сообщения: 9116
Зарегистрирован: 30 май 2012, 14:20
Репутация: 2858
Откуда: Тюмень
Контактная информация:

Re: StepMaster ver 2.5

Сообщение Сергей Саныч »

Vasia_Pupkin писал(а):А какой плюс в подключении по Modbus?
Плюсов много:
- управляешь всем, а не только частотой.
- можно менять настройки шпинделя с компьютера, в том числе оперативно.
- частота задается с точностью до долей герца. И не плавает.
- контроль параметров (обратная связь).
- при управлении станком через LPT высвобождаются один-два выхода. Которых часто не хватает.
- и вообще, аналоговая связь между двумя цифровыми устройствами - это как-то не по феншую :)

я еще могу понять тех, кто работает с Мачем - у них часто нет выбора. Поскольку определенного стандарта в управлении ЧП через Модбас нет, то приходится пользоваться теми реализациями, что кто-то из "приближенных к телу" сделал.
В случае с LinuxCNC при наличии некоторых навыков программирования можно адаптировать интерфейс под любой частотник.
Чудес не бывает. Бывают фокусы.
Vasia_Pupkin
Кандидат
Сообщения: 70
Зарегистрирован: 23 авг 2017, 19:57
Репутация: 10
Настоящее имя: Антон
Откуда: Екатеринбург
Контактная информация:

Re: StepMaster ver 2.5

Сообщение Vasia_Pupkin »

Vasia_Pupkin писал(а):Вобщем на выходных проведу еще натурные испытания и отпишусь.
Попробовал разное шаманство, результат остался примерно тот же. Ну и да и Линукс с ним, пока пойдет и так))))

Сергей Саныч писал(а):Vasia_Pupkin, сделайте управление по Modbus (у KD200 он вроде как должен быть) и забудьте про аналоговую связь между цифровыми устройствами, как страшный сон.
На неделе забегу в Чип и Дип, куплю переходничек https://www.chipdip.ru/product/converter-hb-485a и не спеша попробую начать постигать таинство ModBus.

И еще один вопрос на отвлеченную тему.
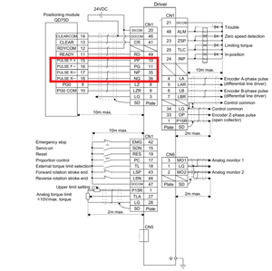
Добрые люди подарили мне MR-J3-10A сервоусилитель и двигатель HF-MP13 к нему, была долгая эпопея по поиску кабеля для CN1 и клеммной колодки, но вот все это появилось в муках и благодаря братьям нашим с алиэкспресс. Подключился я к этому шайтан-агрегату через родную программулину MR Configurator2, покрутил в Jog mode, поковырял настройки, покурил user manual и к сожалению так и не понял как его подключить по step/dir к StepMaster.
Никто не сталкивался с этими сервами?
Вложения
MR-J3.png (3746 просмотров) <a class='original' href='./download/file.php?id=126620&mode=view' target=_blank>Загрузить оригинал (78.67 КБ)</a>
Аватара пользователя
Serg
Мастер
Сообщения: 21923
Зарегистрирован: 17 апр 2012, 14:58
Репутация: 5183
Заслуга: c781c134843e0c1a3de9
Настоящее имя: Сергей
Откуда: Москва
Контактная информация:

Re: StepMaster ver 2.5

Сообщение Serg »

Vasia_Pupkin писал(а):как его подключить по step/dir к StepMaster.
Напрямую никак. Нужен конвертор на логике или на транзисторе с диодами.

P.S. В LinuxCNC можно обойтись без переходника, только настройками.
Я не Христос, рыбу не раздаю, но могу научить, как сделать удочку...
Vlad_st
Новичок
Сообщения: 11
Зарегистрирован: 12 май 2016, 09:28
Репутация: 1
Настоящее имя: Влад
Контактная информация:

Re: StepMaster ver 2.5

Сообщение Vlad_st »

Добрый день!
Подключаю станок с Степмастеру. Буду использовать NC-studio. Возник совсем уж нубский вопрос, но ответа не нашел,а экспериментировать боязно - с подключением индуктивных датчиков все ясно, а как правильно подключить концевые аварийные (механические)? Думается ставить последовательно с кнопкой Е-стоп, то есть, что станок на концевик наехал, что оператор на кнопку надавил - все остановилось. Правильно думаю или нет?
И еще - какой вариант Е-стопа и концевиков выбрать - нормально замкнутый или нормально разомкнутый? При замкнутом вроде как хорошо то, что при механическом обрыве провода все станет и будет стоять пока на найдешь обрыв. Но насколько я понял пояснения Михаила сколько-то страниц назад такая длинная трасса из проводов и выключателей будет служить еще и антенной для всяких паразитных наводок. Это сильно влияет?
Аватара пользователя
michael-yurov
Почётный участник
Почётный участник
Сообщения: 11731
Зарегистрирован: 26 июл 2012, 00:10
Репутация: 4703
Настоящее имя: Михаил Львович
Откуда: Новоуральск
Контактная информация:

Re: StepMaster ver 2.5

Сообщение michael-yurov »

Vlad_st писал(а):Возник совсем уж нубский вопрос, но ответа не нашел,а экспериментировать боязно - с подключением индуктивных датчиков все ясно, а как правильно подключить концевые аварийные (механические)?
У NCStudio нет входов для аварийных концевиков. Предполагается использование датчиков базы и программных ограничений движения по осям.
Но срабатывание любого датчика базы во время работы приводит к аварийной остановке.
В частности, вход E-Stop на плате при активации подает сигнал на линию датчика базы по оси X.
Vlad_st писал(а):Думается ставить последовательно с кнопкой Е-стоп, то есть, что станок на концевик наехал, что оператор на кнопку надавил - все остановилось. Правильно думаю или нет?
Можно так.
Vlad_st писал(а):И еще - какой вариант Е-стопа и концевиков выбрать - нормально замкнутый или нормально разомкнутый? При замкнутом вроде как хорошо то, что при механическом обрыве провода все станет и будет стоять пока на найдешь обрыв.
На мой взгляд проблема надуманная.
Во первых - не нужно прокладывать провода так, что они будут обрываться.
Во вторых - все что даст такой метод - он будет сигнализировать об обрыве одной единственной цепи. А если обрыв произойдет в другом месте? А если произойдет замыкание, а не обрыв? А если источник питания входов выйдет из строя? А если компьютер зависнет? А если оптопара выйдет из строя?, А если... еще много разных если.
В третьих - зачем вообще выполнять аварийную остановку во время работы, если перестали работать аварийные концевики? Ну, перестали, и перестали - зачем заготовку то портить? Проверяй работу концевиков раз в пол года, если так уж важна их работоспособность.
В четвертых - при таком подключении если обрыв и произойдет - перестанут работать все датчики, а не один.
В пятых - будет сложнее подключить к степмастеру нормально замкнутые датчики.

Мне кажется, что такой метод подключения используют для самоуспокоения.
Как при обсессивно-компульсивном расстройстве человек, выходя из дома, по 10 раз дергает за дверную ручку, успокаивая себя, что сделал все возможное (и даже больше, чем нужно) для обеспечения безопасности.

Даже в автомобилях тормозная система не пытается выполнять аварийное торможение при обрыве гидравлической магистрали (разве что стояночная пневматическая, где может быть много причин падения давления со временем).
Vlad_st писал(а):Но насколько я понял пояснения Михаила сколько-то страниц назад такая длинная трасса из проводов и выключателей будет служить еще и антенной для всяких паразитных наводок. Это сильно влияет?
Не должно влиять. При правильном подключении проблем не возникает. Особенно при работе от NCStudio - на входе СтепМастера для NCStudio есть полноценная опторазвязка.
Vlad_st
Новичок
Сообщения: 11
Зарегистрирован: 12 май 2016, 09:28
Репутация: 1
Настоящее имя: Влад
Контактная информация:

Re: StepMaster ver 2.5

Сообщение Vlad_st »

Большое спасибо!
Я бы с концевыми не заморачивался,но есть печальный (или не печальный,как посмотреть) опыт - на станке под Мачем во время работы вышли из строя сразу 2 индуктивных датчика (стояли какие-то советские, заменили на китайские - работает) потом какой-то глюк в Маче и станок остановился только благодаря наличию концевиков. Все это еще и ночью произошло, увидели утром.
В общем ставлю много Е-стопов :), нормально разомкнутых.
Еще раз - Спасибо!
Аватара пользователя
michael-yurov
Почётный участник
Почётный участник
Сообщения: 11731
Зарегистрирован: 26 июл 2012, 00:10
Репутация: 4703
Настоящее имя: Михаил Львович
Откуда: Новоуральск
Контактная информация:

Re: StepMaster ver 2.5

Сообщение michael-yurov »

Если оставляете станок на ночь, то, конечно, вопросы безопасности нужно хорошо продумать.
И аварийные концевики - лишь маленькая доля из необходимых мер.
Vlad_st писал(а):В общем ставлю много Е-стопов , нормально разомкнутых.
А в какой ситуации они помогут?
Vlad_st
Новичок
Сообщения: 11
Зарегистрирован: 12 май 2016, 09:28
Репутация: 1
Настоящее имя: Влад
Контактная информация:

Re: StepMaster ver 2.5

Сообщение Vlad_st »

Станок строю под фрезеровку дюраля. Время обработки очень большое, чистовая будет где-то часов 20, не меньше. Прерывать на ночь не хочется, соответственно будет оставаться без надзора. Концевики (которые Е-стопы) хочу поставить на случай выхода из строя индуктивных датчиков,т.к. уже обжегся (выше писал). Еще думаю поставить датчик протока в систему охлаждения шпинделя, чтобы если накроется помпа включал сигнализацию. Ну еще все потребители через автоматы и питание всего станка и компа от бесперебойника (с двойным преобразованием). Может еще что-то посоветуете? Я по большому счету чайник еще в вопросах станков с ЧПУ.
И еще вопрос - мне несколько не повезло, плата у меня с теми китайскими оптронами, что бракованные. Собственно вопрос - они все бракованные и стоит сразу искать нормальные и перепаивать или включать и если не повезет еще раз, то потом перепаивать?
Аватара пользователя
michael-yurov
Почётный участник
Почётный участник
Сообщения: 11731
Зарегистрирован: 26 июл 2012, 00:10
Репутация: 4703
Настоящее имя: Михаил Львович
Откуда: Новоуральск
Контактная информация:

Re: StepMaster ver 2.5

Сообщение michael-yurov »

Vlad_st писал(а):И еще вопрос - мне несколько не повезло, плата у меня с теми китайскими оптронами, что бракованные. Собственно вопрос - они все бракованные и стоит сразу искать нормальные и перепаивать или включать и если не повезет еще раз, то потом перепаивать?
Я сейчас вот такие ставлю:
2017-12-13 18-31-07.JPG (3567 просмотров) <a class='original' href='./download/file.php?id=126799&mode=view' target=_blank>Загрузить оригинал (1.16 МБ)</a>
Такие точно хорошие.

Проблемные дешевые на них похожи, но все же можно заметить отличия.
2017-07-24 12-46-22.jpg (3567 просмотров) <a class='original' href='./download/file.php?id=126800&mode=view' target=_blank>Загрузить оригинал (202.34 КБ)</a>
http://www.cnc-club.ru/forum/viewtopic. ... 40#p372517

Если на плате все же стоят некачественные - вероятность того, что повезет и все три будут исправными - меньше 50%

В любом случае стоит заменить. Хотя бы для собственного успокоения.
Либо я могу прислать плату на замену, либо, если есть опыт пайки и возможность приобрести оптопары - заменить их самому.
Vlad_st
Новичок
Сообщения: 11
Зарегистрирован: 12 май 2016, 09:28
Репутация: 1
Настоящее имя: Влад
Контактная информация:

Re: StepMaster ver 2.5

Сообщение Vlad_st »

Понял, посравниваю, если что буду искать оптроны и менять. Плату слать не надо - далеко, после новогодних праздников я у Вас еще парочку куплю. Пока буду с этой запускаться, возможно еще приставать с вопросами :) Спасибо за помощь!
Аватара пользователя
michael-yurov
Почётный участник
Почётный участник
Сообщения: 11731
Зарегистрирован: 26 июл 2012, 00:10
Репутация: 4703
Настоящее имя: Михаил Львович
Откуда: Новоуральск
Контактная информация:

Re: StepMaster ver 2.5

Сообщение michael-yurov »

Vlad_st писал(а):Понял, посравниваю
Обрати внимание на ширину выводов около корпуса - у хороших оптронов там сужение.
И на диаметр и глубину выемки у первой ноги.
Цифры могут отличаться.
Ответить

Вернуться в «Электроника»