По мотивам станка на поверочной плите 400Х300Х130

Тяжелые фрезерные станки по металлу.
MGG
Мастер
Сообщения: 3673
Зарегистрирован: 08 фев 2016, 16:33
Репутация: 1010
Настоящее имя: Манн Геннадий Геннадьевич
Откуда: Москва
Контактная информация:

Re: По мотивам станка на поверочной плите 400Х300Х130

Сообщение MGG »

Можно попробовать настроить режим по типу цикла пек в сверелнии, с отскоком, чтобы выдавать стружку
http://www.cnc-club.ru/forum/viewtopic. ... 76#p304076 Поставки оборудования для ваших станков
https://www.instagram.com/dtw.moscow/
dtw.moscow@gmail.com
fabrikator66
Мастер
Сообщения: 215
Зарегистрирован: 18 авг 2015, 20:35
Репутация: 57
Настоящее имя: Егор
Контактная информация:

Re: По мотивам станка на поверочной плите 400Х300Х130

Сообщение fabrikator66 »

Понемногу двигаюсь к своей цели. Сделал опоры из хоккейных шайб, вварил укосины, примерил плиту.
Вложения
IMG_20170826_134018.jpg (6079 просмотров) <a class='original' href='./download/file.php?id=118991&mode=view' target=_blank>Загрузить оригинал (3.22 МБ)</a>
IMG_20170826_130631.jpg (6079 просмотров) <a class='original' href='./download/file.php?id=118992&mode=view' target=_blank>Загрузить оригинал (4.44 МБ)</a>
IMG_20170826_120017.jpg (6079 просмотров) <a class='original' href='./download/file.php?id=118993&mode=view' target=_blank>Загрузить оригинал (4.26 МБ)</a>
Аватара пользователя
ultrus
Мастер
Сообщения: 2039
Зарегистрирован: 09 апр 2013, 05:42
Репутация: 1329
Настоящее имя: Юрий
Откуда: Воронеж
Контактная информация:

Re: По мотивам станка на поверочной плите 400Х300Х130

Сообщение ultrus »

fabrikator66 писал(а):Сделал опоры из хоккейных шайб
Большое спасибо за идею! :good:
А я всю бошку сломал, где взять опоры диаметром 60 мм. Завтра поеду детские шайбы покупать.
Вот только, мне кажется, стальную шайбу нужно ставить такого же диаметра, как сама шайба. А то со временем промнётся и будет стучать шляпкой болта по основанию.
"Если хочешь сделать что-то хорошо, сделай это сам."
Фердинанд Порше
fabrikator66
Мастер
Сообщения: 215
Зарегистрирован: 18 авг 2015, 20:35
Репутация: 57
Настоящее имя: Егор
Контактная информация:

Re: По мотивам станка на поверочной плите 400Х300Х130

Сообщение fabrikator66 »

Давно не писал в теме, перерыв был вызван отсутствием работ по станку, ремонтом в квартире, и сменой основного места работы, но проект не заброшен, пока занимаюсь потихоньку мелочевкой. Изготовил ролики на портал, и виброопоры для крепления плиты к подставке.
:spanner: Хочу спроектировать короб не уступающий промышленному, с претензией на эстетичность, нет ли случайно на форуме темы где были бы собраны удачные варианты самостоятельной реализации этого?
bass
Мастер
Сообщения: 248
Зарегистрирован: 29 ноя 2017, 20:52
Репутация: 5
Настоящее имя: Игорь
Контактная информация:

Re: По мотивам станка на поверочной плите 400Х300Х130

Сообщение bass »

https://www.avito.ru/sankt-peterburg/to ... 1156902538

Я как раз тоже присматриваюсь к шкафам только мне 1м Х 1м нужен...

За 2000 рублей... Метала закупить на большие деньги придется...
Еще можно к сломанному холодильнику присмотреться...

А так заказать лазерную резку .... Уголки... Или гибку...
И порошковую окраску ... Если хотите не хуже заводского...
Только цена вопроса будет на много больше..
Malyarka74
Мастер
Сообщения: 695
Зарегистрирован: 20 май 2017, 13:39
Репутация: 158
Настоящее имя: Сергей
Контактная информация:

Re: По мотивам станка на поверочной плите 400Х300Х130

Сообщение Malyarka74 »

а можно по подробнее про опоры. думаю как закрепить плиту к станине то же.
Duhas
Мастер
Сообщения: 1961
Зарегистрирован: 10 окт 2015, 23:25
Репутация: 285
Настоящее имя: Андрей
Откуда: Красноярск
Контактная информация:

Re: По мотивам станка на поверочной плите 400Х300Х130

Сообщение Duhas »

bass писал(а):https://www.avito.ru/sankt-peterburg/to ... 1156902538

Я как раз тоже присматриваюсь к шкафам только мне 1м Х 1м нужен...
блин если купите продайте мне начинку рубликов за 500 ;)
Аватара пользователя
slavyan75
Мастер
Сообщения: 307
Зарегистрирован: 16 авг 2016, 17:51
Репутация: 31
Настоящее имя: Вячеслав
Откуда: Tilsit
Контактная информация:

Re: По мотивам станка на поверочной плите 400Х300Х130

Сообщение slavyan75 »

fabrikator66 писал(а):Понемногу двигаюсь к своей цели. Сделал опоры из хоккейных шайб
оригинально - стол на боку :good:
не верьте никому, уж мне то вы можете поверить...
fabrikator66
Мастер
Сообщения: 215
Зарегистрирован: 18 авг 2015, 20:35
Репутация: 57
Настоящее имя: Егор
Контактная информация:

Re: По мотивам станка на поверочной плите 400Х300Х130

Сообщение fabrikator66 »

Тут кто то спрашивал как реализовать виброопору с креплением к подставке, сайленблоки от 2108, пластины и трубка h-60 d-45 D-52. Болт м12х120
Вложения
станок на опорах.jpg (5019 просмотров) <a class='original' href='./download/file.php?id=130053&mode=view' target=_blank>Загрузить оригинал (1.18 МБ)</a>
станок на опорах2.jpg (5019 просмотров) <a class='original' href='./download/file.php?id=130054&mode=view' target=_blank>Загрузить оригинал (1.42 МБ)</a>
Malyarka74
Мастер
Сообщения: 695
Зарегистрирован: 20 май 2017, 13:39
Репутация: 158
Настоящее имя: Сергей
Контактная информация:

Re: По мотивам станка на поверочной плите 400Х300Х130

Сообщение Malyarka74 »

я спрашивал)) спасибо большое)
станочек на подобие вашего собираю. вот все в раздумъях был, как сделать. для стола то купил ов-70, а вот как сам станок поставить на стол, не мог придумать
Аватара пользователя
Дрюня
Почётный участник
Почётный участник
Сообщения: 2040
Зарегистрирован: 25 ноя 2013, 00:19
Репутация: 1504
Настоящее имя: Андрей
Откуда: Днепр
Контактная информация:

Re: По мотивам станка на поверочной плите 400Х300Х130

Сообщение Дрюня »

А чего сам станок на столе на ОВ-70 не поставить? А стол уже на шайбах каких нибудь.
Malyarka74
Мастер
Сообщения: 695
Зарегистрирован: 20 май 2017, 13:39
Репутация: 158
Настоящее имя: Сергей
Контактная информация:

Re: По мотивам станка на поверочной плите 400Х300Х130

Сообщение Malyarka74 »

Дрюня писал(а):А чего сам станок на столе на ОВ-70 не поставить? А стол уже на шайбах каких нибудь.
если вопрос ко мне, то:
вобще хотел что то типа нива подушки поставить, чтоб с двух сторон шпильки. одна сторона в плиту, другая в профиль, по середине демпфер из подушки и станок "жестко закреплен) :D
fabrikator66
Мастер
Сообщения: 215
Зарегистрирован: 18 авг 2015, 20:35
Репутация: 57
Настоящее имя: Егор
Контактная информация:

Re: По мотивам станка на поверочной плите 400Х300Х130

Сообщение fabrikator66 »

Фото подушек.
kM6ZEb394gE.jpg (4526 просмотров) <a class='original' href='./download/file.php?id=134219&mode=view' target=_blank>Загрузить оригинал (174.58 КБ)</a>
Так же сделал ролики портала. В очередной раз пересмотрел защиту стола, пришел к выводу что 4 ролика на 25мм в диаметре из алюминевой трубы лучше чем 6 из 16й.
Аватара пользователя
sima8520
Почётный участник
Почётный участник
Сообщения: 4509
Зарегистрирован: 24 ноя 2016, 23:35
Репутация: 1617
Настоящее имя: Илья
Откуда: Беларусь, Гомель
Контактная информация:

Re: По мотивам станка на поверочной плите 400Х300Х130

Сообщение sima8520 »

А можно ближе фото? (ролики)
Smlua
Мастер
Сообщения: 806
Зарегистрирован: 15 май 2017, 16:29
Репутация: 374
Настоящее имя: Mikhail
Контактная информация:

Re: По мотивам станка на поверочной плите 400Х300Х130

Сообщение Smlua »

Не шатается на подушках? Думается что при нормальных ускорениях и скоростях на небольших деталях шатать его будет здорово.
fabrikator66
Мастер
Сообщения: 215
Зарегистрирован: 18 авг 2015, 20:35
Репутация: 57
Настоящее имя: Егор
Контактная информация:

Re: По мотивам станка на поверочной плите 400Х300Х130

Сообщение fabrikator66 »

Smlua писал(а):Не шатается на подушках?
Не могу ответить к сожалению на данный вопрос, так как плита еще не прикручена к подставке следовательно больших сдвигающих усилий приложить к ней не могу, уезжает.

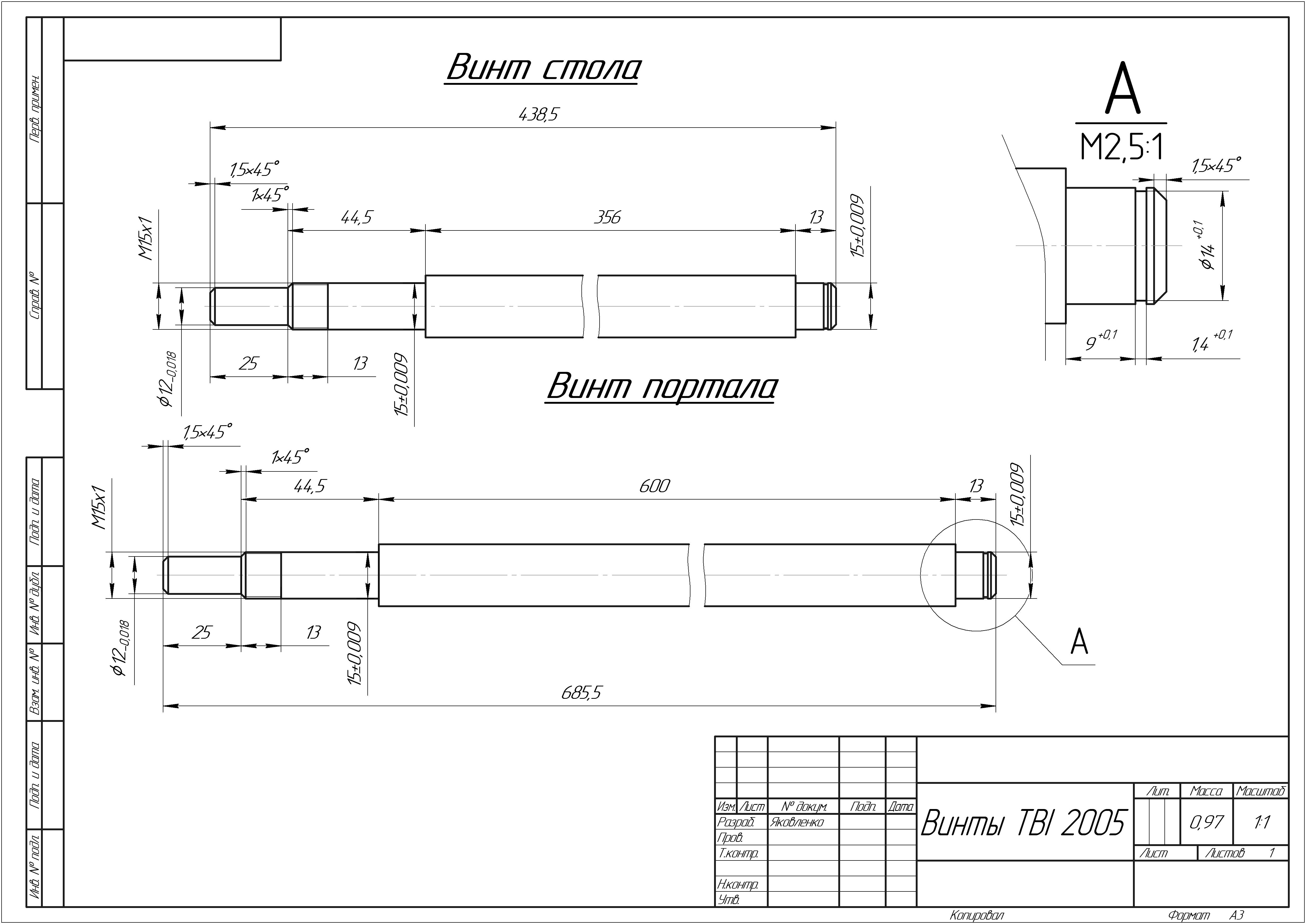
Сделал чертежи винтов, осталось отправить для расчета стоимости, хочется С5, но нужно сопоставлять желания с возможностями.
Аватара пользователя
sima8520
Почётный участник
Почётный участник
Сообщения: 4509
Зарегистрирован: 24 ноя 2016, 23:35
Репутация: 1617
Настоящее имя: Илья
Откуда: Беларусь, Гомель
Контактная информация:

Re: По мотивам станка на поверочной плите 400Х300Х130

Сообщение sima8520 »

Вот здесь я бы сделал, как бы это выразиться, буртик что ли, т.е. чтобы радиус металлической части был больше чем радиус алюминиевого ролика. Т.е. в случае чего лента не съезжала, а упиралась в стенки
Вложения
станок на опорах2.jpg (4299 просмотров) <a class='original' href='./download/file.php?id=134430&mode=view' target=_blank>Загрузить оригинал (755.87 КБ)</a>
Аватара пользователя
frezeryga
Почётный участник
Почётный участник
Сообщения: 13713
Зарегистрирован: 18 авг 2013, 16:08
Репутация: 5069
Откуда: Жуковский
Контактная информация:

Re: По мотивам станка на поверочной плите 400Х300Х130

Сообщение frezeryga »

Абсолютно ненужно и даже вредно поскольку лента обязательно должна накрывать торец пластины и все эти буртики и шайбочки лохматят торец ленты только. На этом станке ничего никуда сьезжать небудет
Аватара пользователя
sima8520
Почётный участник
Почётный участник
Сообщения: 4509
Зарегистрирован: 24 ноя 2016, 23:35
Репутация: 1617
Настоящее имя: Илья
Откуда: Беларусь, Гомель
Контактная информация:

Re: По мотивам станка на поверочной плите 400Х300Х130

Сообщение sima8520 »

Может ты и прав, проверим
Аватара пользователя
frezeryga
Почётный участник
Почётный участник
Сообщения: 13713
Зарегистрирован: 18 авг 2013, 16:08
Репутация: 5069
Откуда: Жуковский
Контактная информация:

Re: По мотивам станка на поверочной плите 400Х300Х130

Сообщение frezeryga »

Все уже проверено давно.
Ответить

Вернуться в «Фрезерные станки по металлам»