Обрабатывающий центр SV500

Тяжелые фрезерные станки по металлу.
aftaev
Зачётный участник
Зачётный участник
Сообщения: 34042
Зарегистрирован: 04 апр 2010, 19:22
Репутация: 6194
Откуда: Казахстан.
Контактная информация:

Re: Обрабатывающий центр SV500

Сообщение aftaev »

Все дело в применении правильной СОЖ, а не разбодяженное ферри с шампунем :)
На токарном ЧПУ 16к20 нет никаких защит, и станина из чугуна, револьверка из сталюки и ничего не ржавеет, потому что СОЖ используется, а не вода. Если концентрация СОЖ падает, то появляется ржа. Концентрацию СОЖ контролируем по рефрактометру. В СОЖе есть добавки которые препятствуют ржавлению металлов. СОЖ состоит из воды и масла. Масло создает на деталях защитную пленку. Так же и здесь будет. Почему ржаветь должно :wik:
Ildar писал(а):А, что они не ржавеют? Хромированные, что ли.
Были покрашены, но краска сползла. Кое где появилась ржа. А у тебя что защита из нержи? Магнитик поднеси :)
Дилетанту сложные вещи кажутся очень простыми, и только профессионал понимает насколько сложна самая простая вещь
Кто хочет - ищет возможности, кто не хочет - ищет оправдание.
Найди работу по душе и тебе не придется работать.
Ildar
Опытный
Сообщения: 139
Зарегистрирован: 23 сен 2013, 21:57
Репутация: 25
Настоящее имя: Илдар Гибадуллин
Откуда: Учалы, Башкортостан
Контактная информация:

Re: Обрабатывающий центр SV500

Сообщение Ildar »

aftaev писал(а):Магнитик поднеси
На новом же у меня "гармошки" "бумажные" Они же вне зоны обработки
aftaev
Зачётный участник
Зачётный участник
Сообщения: 34042
Зарегистрирован: 04 апр 2010, 19:22
Репутация: 6194
Откуда: Казахстан.
Контактная информация:

Re: Обрабатывающий центр SV500

Сообщение aftaev »

Ildar писал(а):где им Энабл поменять на противоположное значение в ПИВИНе? "ПОДЫХАЮ"
Программно можно поменять инверсию сигнала. То есть если Enable=1, а надо 0 то это меняется в программе. А вот когда нужно поменять + с - оптопары чтобы она открылась, то только физически перепаять. Что значит в твоем понимании поменять на противоположное? И судя что говорил твой электроник про фокус с релюшкой то менять нужно не в программе, а физически. Физически можно поднять ноги оптопары в PDM и поменять их местами припаяв проводки.
Дилетанту сложные вещи кажутся очень простыми, и только профессионал понимает насколько сложна самая простая вещь
Кто хочет - ищет возможности, кто не хочет - ищет оправдание.
Найди работу по душе и тебе не придется работать.
aftaev
Зачётный участник
Зачётный участник
Сообщения: 34042
Зарегистрирован: 04 апр 2010, 19:22
Репутация: 6194
Откуда: Казахстан.
Контактная информация:

Re: Обрабатывающий центр SV500

Сообщение aftaev »

Спроси у электроника что нужно сделать:
1. Поменять 1 на 0
или
2. Поменять + на -
Вложения
01.png (2167 просмотров) <a class='original' href='./download/file.php?id=133400&mode=view' target=_blank>Загрузить оригинал (70.54 КБ)</a>
Дилетанту сложные вещи кажутся очень простыми, и только профессионал понимает насколько сложна самая простая вещь
Кто хочет - ищет возможности, кто не хочет - ищет оправдание.
Найди работу по душе и тебе не придется работать.
Ildar
Опытный
Сообщения: 139
Зарегистрирован: 23 сен 2013, 21:57
Репутация: 25
Настоящее имя: Илдар Гибадуллин
Откуда: Учалы, Башкортостан
Контактная информация:

Re: Обрабатывающий центр SV500

Сообщение Ildar »

aftaev писал(а):что нужно сделать:
не когда ему разбираться, щас вообще по сменам его запустили нет людей на заводе, не отвечает
Ildar
Опытный
Сообщения: 139
Зарегистрирован: 23 сен 2013, 21:57
Репутация: 25
Настоящее имя: Илдар Гибадуллин
Откуда: Учалы, Башкортостан
Контактная информация:

Re: Обрабатывающий центр SV500

Сообщение Ildar »

А, что дым даст, ежели не правильно? :wik: :cry:
aftaev
Зачётный участник
Зачётный участник
Сообщения: 34042
Зарегистрирован: 04 апр 2010, 19:22
Репутация: 6194
Откуда: Казахстан.
Контактная информация:

Re: Обрабатывающий центр SV500

Сообщение aftaev »

Щас погоди, схему рисую как у PDM Enable подключен ;)
Дилетанту сложные вещи кажутся очень простыми, и только профессионал понимает насколько сложна самая простая вещь
Кто хочет - ищет возможности, кто не хочет - ищет оправдание.
Найди работу по душе и тебе не придется работать.
aftaev
Зачётный участник
Зачётный участник
Сообщения: 34042
Зарегистрирован: 04 апр 2010, 19:22
Репутация: 6194
Откуда: Казахстан.
Контактная информация:

Re: Обрабатывающий центр SV500

Сообщение aftaev »

Ildar писал(а):А, что дым даст, ежели не правильно?
Ничто не даст, просто Enable не включится.
Дилетанту сложные вещи кажутся очень простыми, и только профессионал понимает насколько сложна самая простая вещь
Кто хочет - ищет возможности, кто не хочет - ищет оправдание.
Найди работу по душе и тебе не придется работать.
aftaev
Зачётный участник
Зачётный участник
Сообщения: 34042
Зарегистрирован: 04 апр 2010, 19:22
Репутация: 6194
Откуда: Казахстан.
Контактная информация:

Re: Обрабатывающий центр SV500

Сообщение aftaev »

Накидал схему. Похоже что нет разницы где +, а где - у Enable оптопара по любому откроется. Щас спросим, у повелителя электроники :)
01.png (2153 просмотра) <a class='original' href='./download/file.php?id=133413&mode=view' target=_blank>Загрузить оригинал (82.42 КБ)</a>
Дилетанту сложные вещи кажутся очень простыми, и только профессионал понимает насколько сложна самая простая вещь
Кто хочет - ищет возможности, кто не хочет - ищет оправдание.
Найди работу по душе и тебе не придется работать.
aftaev
Зачётный участник
Зачётный участник
Сообщения: 34042
Зарегистрирован: 04 апр 2010, 19:22
Репутация: 6194
Откуда: Казахстан.
Контактная информация:

Re: Обрабатывающий центр SV500

Сообщение aftaev »

Вот что говориться в мануале на Pmac2 (тот что у нас).
Смотри что у тебя в параметре I101 I201 I301 I401 записано.
01.png (2143 просмотра) <a class='original' href='./download/file.php?id=133416&mode=view' target=_blank>Загрузить оригинал (94.36 КБ)</a>
02.png (2143 просмотра) <a class='original' href='./download/file.php?id=133417&mode=view' target=_blank>Загрузить оригинал (91.63 КБ)</a>
Дилетанту сложные вещи кажутся очень простыми, и только профессионал понимает насколько сложна самая простая вещь
Кто хочет - ищет возможности, кто не хочет - ищет оправдание.
Найди работу по душе и тебе не придется работать.
aftaev
Зачётный участник
Зачётный участник
Сообщения: 34042
Зарегистрирован: 04 апр 2010, 19:22
Репутация: 6194
Откуда: Казахстан.
Контактная информация:

Re: Обрабатывающий центр SV500

Сообщение aftaev »

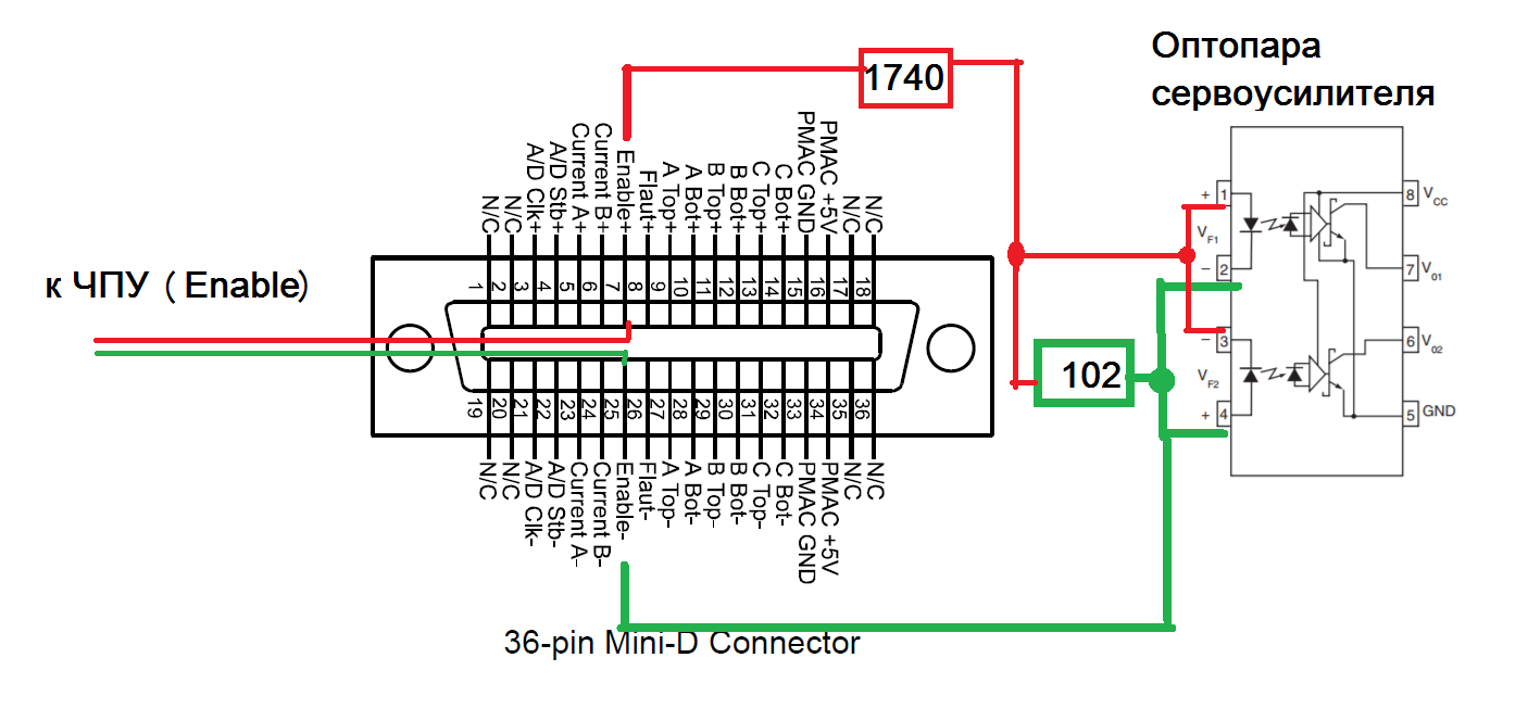
Ildar, нужно померить полярность Enable. Для этого нужно тыкнуть щупами мультиметра в плату PDM. Один включает выключает мотор, другой смотрит какая полярность.

У PDM снимаете крышку чтоб добраться до платы. Подключаете разъем от ЧПУ к PDM. Нас интересует вторая оптопара. На фото красным квадратиком обведена.
DSC05975.JPG (2112 просмотров) <a class='original' href='./download/file.php?id=133425&mode=view' target=_blank>Загрузить оригинал (1.24 МБ)</a>
На плате есть точки. Вот в эти точки нужно тыкнуть острозаточенными щупами и померить напряжение. Должно быть около 5в, максимум 24в. Нас интересует не напряжение, а его полярность.

Это оптопара увеличина и видны точки где мерить напругу. Подключаете щупы, если на мультиметре будет +5в то полярность правильная, если будет -5в то Enable не правильно подключен.
03.png (2112 просмотров) <a class='original' href='./download/file.php?id=133426&mode=view' target=_blank>Загрузить оригинал (750.03 КБ)</a>
Дилетанту сложные вещи кажутся очень простыми, и только профессионал понимает насколько сложна самая простая вещь
Кто хочет - ищет возможности, кто не хочет - ищет оправдание.
Найди работу по душе и тебе не придется работать.
Ildar
Опытный
Сообщения: 139
Зарегистрирован: 23 сен 2013, 21:57
Репутация: 25
Настоящее имя: Илдар Гибадуллин
Откуда: Учалы, Башкортостан
Контактная информация:

Re: Обрабатывающий центр SV500

Сообщение Ildar »

2266.jpg (2086 просмотров) <a class='original' href='./download/file.php?id=133434&mode=view' target=_blank>Загрузить оригинал (285.17 КБ)</a>
такая таблица у нас
Аватара пользователя
Hanter
Мастер
Сообщения: 5414
Зарегистрирован: 27 янв 2012, 14:52
Репутация: 4338
Настоящее имя: Алексей
Откуда: Питер
Контактная информация:

Re: Обрабатывающий центр SV500

Сообщение Hanter »

Илдар - нигде не поменять. в логике работы Дельты можно изменить уровень сигнала активирующего привод - логический ноль либо логическая единица. а инвертировать полярность - только через реле. я тебе это в личке уже писал. если еще проще - в дельте можно выбрать режим работы - активирован энейбл при замкнутой цепи, или при разомкнутой. но НЕ полярность. полярность только через релюшки.
Опыт - это когда на смену вопросам: "Что? Где? Когда? Как? Почему?" Приходит единственный вопрос: "Нахрена?"
==========================================
фрезерная и токарная обработка на станках с чпу.
Резка, гибка, сварка и порошковая окраса.
aftaev
Зачётный участник
Зачётный участник
Сообщения: 34042
Зарегистрирован: 04 апр 2010, 19:22
Репутация: 6194
Откуда: Казахстан.
Контактная информация:

Re: Обрабатывающий центр SV500

Сообщение aftaev »

Hanter писал(а):Дельты можно изменить уровень сигнала активирующего привод - логический ноль либо логическая единица.
Где это делается в I101 ?
Hanter писал(а): а инвертировать полярность - только через реле.
А почему нельзя провода + с - на Enable поменять?
Дилетанту сложные вещи кажутся очень простыми, и только профессионал понимает насколько сложна самая простая вещь
Кто хочет - ищет возможности, кто не хочет - ищет оправдание.
Найди работу по душе и тебе не придется работать.
Аватара пользователя
Hanter
Мастер
Сообщения: 5414
Зарегистрирован: 27 янв 2012, 14:52
Репутация: 4338
Настоящее имя: Алексей
Откуда: Питер
Контактная информация:

Re: Обрабатывающий центр SV500

Сообщение Hanter »

aftaev писал(а):Где это делается в I101 ?

вот здесь находятся ВСЕ мануалы на ДТ. http://www.deltatau.com/Manuals/Default.aspx
у вас разные сборки. ищите мануалы и описание переменных для своих систем.
aftaev писал(а):А почему нельзя провода + с - на Enable поменять?
погляди вот тут: http://www.deltatau.com/manuals/pdfs/NC ... 3280797412
обычно система питания сделана одна (и однотипная) на все входы выходы. изменить работу одного входа не "зацепив" при этом другие - надо постараться.
Вы "разобрали" схему входа усилка - разложите как у вас построена схема управления - те же лимиты - какой сигнал рвется. че приходит на вход дельты. проверь что появляется на выходе "энейбл" дельты - неужели не прозвонить его тестером на массу и на плюс ? я не знаю какие терминалки стоят у Илдара, на фотках их нету. может там просто замыкается контакт. тогда запитывайте его вообще как угодно.
Опыт - это когда на смену вопросам: "Что? Где? Когда? Как? Почему?" Приходит единственный вопрос: "Нахрена?"
==========================================
фрезерная и токарная обработка на станках с чпу.
Резка, гибка, сварка и порошковая окраса.
aftaev
Зачётный участник
Зачётный участник
Сообщения: 34042
Зарегистрирован: 04 апр 2010, 19:22
Репутация: 6194
Откуда: Казахстан.
Контактная информация:

Re: Обрабатывающий центр SV500

Сообщение aftaev »

Наточил штревелей. Достали весь инструмент, выяснилось что магазин на ОЦ маловат, а переживали чем его заполнять будем :hehehe:
DSC05978 (Копировать).JPG (1945 просмотров) <a class='original' href='./download/file.php?id=133622&mode=view' target=_blank>Загрузить оригинал (233.63 КБ)</a>
Дилетанту сложные вещи кажутся очень простыми, и только профессионал понимает насколько сложна самая простая вещь
Кто хочет - ищет возможности, кто не хочет - ищет оправдание.
Найди работу по душе и тебе не придется работать.
Ildar
Опытный
Сообщения: 139
Зарегистрирован: 23 сен 2013, 21:57
Репутация: 25
Настоящее имя: Илдар Гибадуллин
Откуда: Учалы, Башкортостан
Контактная информация:

Re: Обрабатывающий центр SV500

Сообщение Ildar »

Ага, ты биение замеришь инструмента, и в ммагазине место сразу появится :yawn: .
aftaev
Зачётный участник
Зачётный участник
Сообщения: 34042
Зарегистрирован: 04 апр 2010, 19:22
Репутация: 6194
Откуда: Казахстан.
Контактная информация:

Re: Обрабатывающий центр SV500

Сообщение aftaev »

Ildar писал(а):Ага, ты биение замеришь инструмента,
А как биение инструмента шибко мешает работе? Диаметр может Ренишоу измерить.
Ildar писал(а):и в ммагазине место сразу появится
У нас есть и новые ВТ40 с новыми цангами в коробочке, их мы даже не доставали :)
Дилетанту сложные вещи кажутся очень простыми, и только профессионал понимает насколько сложна самая простая вещь
Кто хочет - ищет возможности, кто не хочет - ищет оправдание.
Найди работу по душе и тебе не придется работать.
Ildar
Опытный
Сообщения: 139
Зарегистрирован: 23 сен 2013, 21:57
Репутация: 25
Настоящее имя: Илдар Гибадуллин
Откуда: Учалы, Башкортостан
Контактная информация:

Re: Обрабатывающий центр SV500

Сообщение Ildar »

aftaev писал(а):А как биение инструмента шибко мешает работе?
Это Вы, Александр, шутите так? А стойкость инструмента в разы (Тв сплавного особенно)
aftaev писал(а): и новые ВТ40 с новыми цангами в коробочке
Как вспомню, когда станок взял (я ж великий металлообработчик), купил в Китае "вагон" оправок не указав биение цанг, так потом до сих пор обливаюсь :cry: . Золотинкой от пачки сигарет биение выставлял!!! :idiot:
Гидропатрона нет конечно. Но самые любимые -силовые фрезерные! Оправки в Стерлитамаке, цанги к ним в Китае-песня!!! Один минус только "целые" без десяток зажимают
aftaev
Зачётный участник
Зачётный участник
Сообщения: 34042
Зарегистрирован: 04 апр 2010, 19:22
Репутация: 6194
Откуда: Казахстан.
Контактная информация:

Re: Обрабатывающий центр SV500

Сообщение aftaev »

Ildar писал(а):А стойкость инструмента в разы (Тв сплавного особенно)
У нас около 100кг разных пластинок. Фрезы весом покупаю, потому не особо парюсь про их стойкость. Есть у нас новые оправки, цанги Techniks для точных работ https://www.ebay.com/sch/i.html?_odkw=c ... +&_sacat=0

Сегодня получили посылку, и это половина кучки :)
DSC05980 (Копировать).JPG (1919 просмотров) <a class='original' href='./download/file.php?id=133624&mode=view' target=_blank>Загрузить оригинал (287.92 КБ)</a>
Ildar писал(а):купил в Китае "вагон" оправок не указав биение цанг, так потом до сих пор обливаюсь
А перешлифлифовать их прям на станке?
Ildar писал(а):Но самые любимые -силовые фрезерные!
У нас какие то со станком пришли, там непонятно что за цанги.
Ildar писал(а):цанги к ним в Китае-песня!!!
Название цанг?
Дилетанту сложные вещи кажутся очень простыми, и только профессионал понимает насколько сложна самая простая вещь
Кто хочет - ищет возможности, кто не хочет - ищет оправдание.
Найди работу по душе и тебе не придется работать.
Ответить

Вернуться в «Фрезерные станки по металлам»