4 осевой 6 шпиндельный долгострой

Станки, создание станков, обсуждения, предложения.
Аватара пользователя
vovafed
Мастер
Сообщения: 1822
Зарегистрирован: 08 фев 2013, 16:19
Репутация: 325
Настоящее имя: Владимир
Откуда: башкортостан
Контактная информация:

Re: 4 осевой 6 шпиндельный долгострой

Сообщение vovafed »

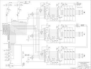
вот схемка похожая и внутрености
Вложения
attachment.jpg (10311 просмотров) <a class='original' href='./download/file.php?id=16218&mode=view' target=_blank>Загрузить оригинал (78.77 КБ)</a>
3f1b7f2d63c7.gif (10311 просмотров) <a class='original' href='./download/file.php?id=16219&mode=view' target=_blank>Загрузить оригинал (57.6 КБ)</a>
SAM_0175.JPG (10311 просмотров) <a class='original' href='./download/file.php?id=16220&mode=view' target=_blank>Загрузить оригинал (3.04 МБ)</a>
Аватара пользователя
vovafed
Мастер
Сообщения: 1822
Зарегистрирован: 08 фев 2013, 16:19
Репутация: 325
Настоящее имя: Владимир
Откуда: башкортостан
Контактная информация:

Re: 4 осевой 6 шпиндельный долгострой

Сообщение vovafed »

Последний раз редактировалось vovafed 11 июл 2013, 19:57, всего редактировалось 1 раз.
Аватара пользователя
Сергей Саныч
Мастер
Сообщения: 9116
Зарегистрирован: 30 май 2012, 14:20
Репутация: 2858
Откуда: Тюмень
Контактная информация:

Re: 4 осевой 6 шпиндельный долгострой

Сообщение Сергей Саныч »

Для сравнения: точно такие же движки пурелоджиковский драйвер PLC545 в том же режиме (1/4 шага) при питании 40В крутил на 2500-2700 оборотов.
Чудес не бывает. Бывают фокусы.
Аватара пользователя
michael-yurov
Почётный участник
Почётный участник
Сообщения: 11730
Зарегистрирован: 26 июл 2012, 00:10
Репутация: 4703
Настоящее имя: Михаил Львович
Откуда: Новоуральск
Контактная информация:

Re: 4 осевой 6 шпиндельный долгострой

Сообщение michael-yurov »

Не, схема не похожая, особенно вторая.
За внутренности - спасибо. Но они у всех очень похожи. Разве что тут 2 конденсатора и 4 токоизмеряющих резистора.
Больше интересует - как они в деле. Насколько я понял - не очень.
Видео - с ограниченным доступом - не открылось.

Максимальные обороты тоже не сильно интересуют. Тем более сигнал, наверное, от LPT.
Больше волнует, как у них с плавностью работы на низких скоростях.
Я хотел предложить такие драйверы для vitaliy_tex. У него плазма на рейках и очень большие моторы. Из за этого станок сильно вибрирует на низких скоростях.
Как я понял - советовать не стоит.
Аватара пользователя
vovafed
Мастер
Сообщения: 1822
Зарегистрирован: 08 фев 2013, 16:19
Репутация: 325
Настоящее имя: Владимир
Откуда: башкортостан
Контактная информация:

Re: 4 осевой 6 шпиндельный долгострой

Сообщение vovafed »

giraf_79
Почётный участник
Почётный участник
Сообщения: 1185
Зарегистрирован: 27 дек 2011, 13:55
Репутация: 123
Настоящее имя: Рафаэль
Откуда: Самара
Контактная информация:

Re: 4 осевой 6 шпиндельный долгострой

Сообщение giraf_79 »

4 осевой 6 шпиндельный долгострой
Не хилый агрегат получился, :good:
а зачем аш 6 шпинделей ? если не секрет
Изготовление станков плазменной резки с ЧПУ и фрезерные станки с ЧПУ
Канал на Ютуб https://www.youtube.com/channel/UCcTl7E ... subscriber
Аватара пользователя
vovafed
Мастер
Сообщения: 1822
Зарегистрирован: 08 фев 2013, 16:19
Репутация: 325
Настоящее имя: Владимир
Откуда: башкортостан
Контактная информация:

Re: 4 осевой 6 шпиндельный долгострой

Сообщение vovafed »

в мебельном цехе ножки из массива березы пилить будет если по одной производительность маленькая слишком
а 6 предельное для емс
6осей зет икс игрик и ось а
оси зет зависимые хочу сделать
видео так и не открывается ?
в первый раз в ютуб выкладываю может что не так сделал
вторая схемка не та извиняюсь поспешил :oops:
Аватара пользователя
michael-yurov
Почётный участник
Почётный участник
Сообщения: 11730
Зарегистрирован: 26 июл 2012, 00:10
Репутация: 4703
Настоящее имя: Михаил Львович
Откуда: Новоуральск
Контактная информация:

Re: 4 осевой 6 шпиндельный долгострой

Сообщение michael-yurov »

У первого видео - все равно ограниченный доступ, а второе - открывается.
Можно вот эти буквы "5kDUWqp4Wfw" из ссылки на видео вставить в тег для ютуба и тогда прямо в сообщении будет видно видео.
Аватара пользователя
vovafed
Мастер
Сообщения: 1822
Зарегистрирован: 08 фев 2013, 16:19
Репутация: 325
Настоящее имя: Владимир
Откуда: башкортостан
Контактная информация:

Re: 4 осевой 6 шпиндельный долгострой

Сообщение vovafed »

michael-yurov писал(а):Больше волнует, как у них с плавностью работы на низких скоростях.
завтра постараюсь еще видео снять без включеного шпинделя чтобы движки было слышно на разных оборотах
так по своим ощущениям вполне мягко на низких оборотах работают
http://www.youtube.com/results?search_q ... mt-AfoZkS0
второе кажется подправил а выкладывать прямо на форум что то не выходит
Аватара пользователя
michael-yurov
Почётный участник
Почётный участник
Сообщения: 11730
Зарегистрирован: 26 июл 2012, 00:10
Репутация: 4703
Настоящее имя: Михаил Львович
Откуда: Новоуральск
Контактная информация:

Re: 4 осевой 6 шпиндельный долгострой

Сообщение michael-yurov »

Это на ШВП... вполне мягко,
а там рейка и моторы еще больше (тоже 34, но на 12 Н*м).
aftaev
Зачётный участник
Зачётный участник
Сообщения: 34042
Зарегистрирован: 04 апр 2010, 19:22
Репутация: 6194
Откуда: Казахстан.
Контактная информация:

Re: 4 осевой 6 шпиндельный долгострой

Сообщение aftaev »

vovafed писал(а):видео так и не открывается ?
в первый раз в ютуб выкладываю может что не так сделал
подправил малость твое сообщение
vovafed писал(а):в мебельном цехе ножки из массива березы пилить будет если по одной производительность маленькая слишком
У знакомых станочек в день по 3шт штампуют на 2х станках, один копировщик, другой рельеф режет.
Дилетанту сложные вещи кажутся очень простыми, и только профессионал понимает насколько сложна самая простая вещь
Кто хочет - ищет возможности, кто не хочет - ищет оправдание.
Найди работу по душе и тебе не придется работать.
Аватара пользователя
vovafed
Мастер
Сообщения: 1822
Зарегистрирован: 08 фев 2013, 16:19
Репутация: 325
Настоящее имя: Владимир
Откуда: башкортостан
Контактная информация:

Re: 4 осевой 6 шпиндельный долгострой

Сообщение vovafed »

aftaev писал(а):подправил малость твое сообщение
спасибо
aftaev писал(а): У знакомых станочек в день по 3шт штампуют на 2х станках, один копировщик, другой рельеф режет.
у нас получается на одну закладку станка уходит около 3 часов
ножки для этой мебели http://www.ufamebel.ru/upload/iblock/d8 ... 617ea3.pdf
самодельный станок из металлопрофиля восьмишпиндельный работает по 12 часов в сутки и не успевает
Аватара пользователя
vovafed
Мастер
Сообщения: 1822
Зарегистрирован: 08 фев 2013, 16:19
Репутация: 325
Настоящее имя: Владимир
Откуда: башкортостан
Контактная информация:

Re: 4 осевой 6 шпиндельный долгострой

Сообщение vovafed »

michael-yurov писал(а):Это на ШВП... вполне мягко,
а там рейка и моторы еще больше (тоже 34, но на 12 Н*м).
здесь заменой драйверов проблему не решить постараться выбрать люфт на рейке и микрошаг побольше
а еще лучше ременный редуктор хотябы с понижением в 2 раза
у больших движков инертность якоря большая они должны еще меньше вибрировать
Аватара пользователя
michael-yurov
Почётный участник
Почётный участник
Сообщения: 11730
Зарегистрирован: 26 июл 2012, 00:10
Репутация: 4703
Настоящее имя: Михаил Львович
Откуда: Новоуральск
Контактная информация:

Re: 4 осевой 6 шпиндельный долгострой

Сообщение michael-yurov »

vovafed писал(а):здесь заменой драйверов проблему не решить
Ну, во первых - проблему в принципе то можно решить с помощью других драйверов: http://cnc-club.ru/forum/viewtopic.php? ... 482#p59482
На третьем видео вибрации мотора скомпенсированы и он вращается равномерно вообще без ощутимых вибраций.
vovafed писал(а):постараться выбрать люфт
Может быть и в этом дело. Я видео работы того станка пока не видел. Люфт, конечно, в станках недопустим.
vovafed писал(а):и микрошаг побольше
Это понятно, это первым делом ему посоветовали.
vovafed писал(а):а еще лучше ременный редуктор хотябы с понижением в 2 раза
Редуктор есть, но, почему-то его недостаточно. Я посоветовал увеличить передаточное число при возможности. Должно помочь, но сложно сделать.
vovafed писал(а):у больших движков инертность якоря большая они должны еще меньше вибрировать
Инертность больше, но и магнитное поле сильнее. В целом разница с маленькими моторами - в более высоком КПД, относительно меньшей силе трения при вращении и более "мощных" вибрациях. Так что не соглашусь. Мне кажется - чем больше мотор, тем больше проблем.

За информацию - спасибо!
Аватара пользователя
vovafed
Мастер
Сообщения: 1822
Зарегистрирован: 08 фев 2013, 16:19
Репутация: 325
Настоящее имя: Владимир
Откуда: башкортостан
Контактная информация:

Re: 4 осевой 6 шпиндельный долгострой

Сообщение vovafed »

с резонансом на станке разрешилось нашел на складе резиновые кольца диаметром около 10 см и толщиной около 3см подложил под ножки в качестве виброопоры вибрации на каретках исчезли
похоже ножки работали как жесткие пружины и вступали в резонанс с другой механикой
сейчас станина летает над полом с амплитудой 2-3 мм
при тех же ускорениях движения стали плавнее даже кажется что скорость обработки упала хотя настройки не менял
https://www.youtube.com/watch?v=7ZqtikW71zs
Аватара пользователя
vovafed
Мастер
Сообщения: 1822
Зарегистрирован: 08 фев 2013, 16:19
Репутация: 325
Настоящее имя: Владимир
Откуда: башкортостан
Контактная информация:

Re: 4 осевой 6 шпиндельный долгострой

Сообщение vovafed »

michael-yurov это вам точно будет интересно хочу заказать эти драйвера http://purelogic.ru/shop/elektronnye_ko ... vigatelej/ HBS86
как их правильно протестировать ? чтобы можно было понять их достоинства и недостатки
по поводу больших движков полностью согласен
Аватара пользователя
michael-yurov
Почётный участник
Почётный участник
Сообщения: 11730
Зарегистрирован: 26 июл 2012, 00:10
Репутация: 4703
Настоящее имя: Михаил Львович
Откуда: Новоуральск
Контактная информация:

Re: 4 осевой 6 шпиндельный долгострой

Сообщение michael-yurov »

vovafed писал(а):michael-yurov это вам точно будет интересно хочу заказать эти драйвера http://purelogic.ru/shop/elektronnye_ko ... vigatelej/ HBS86
как их правильно протестировать ? чтобы можно было понять их достоинства и недостатки
по поводу больших движков полностью согласен
Да никак не протестировать. Просто пользоваться и радоваться.
Главное - их нужно будет без ошибок настроить, но, полагаю, вы с этим без проблем справитесь.
И второе - им же нужны специальные шаговые моторы с энкодером! http://purelogic.ru/shop/elektromehanic ... enkoderom/ Так что придется менять и моторы и драйверы, а предыдущие, видимо, продавать.
Достоинство у них одно - они в принципе шаги не пропускают.
А , нет, еще второе достоинство - они позволяют с меньшими моторами получить бОльший крутящий момент, т.к. регулируют усилие (рабочий ток) в зависимости от текущей нагрузки.

vovafed, у вас, судя по видео и так все замечательно работает, или я чего-то не углядел?
Аватара пользователя
vovafed
Мастер
Сообщения: 1822
Зарегистрирован: 08 фев 2013, 16:19
Репутация: 325
Настоящее имя: Владимир
Откуда: башкортостан
Контактная информация:

Re: 4 осевой 6 шпиндельный долгострой

Сообщение vovafed »

тогда похоже не стоит менять движки не хочется
Аватара пользователя
michael-yurov
Почётный участник
Почётный участник
Сообщения: 11730
Зарегистрирован: 26 июл 2012, 00:10
Репутация: 4703
Настоящее имя: Михаил Львович
Откуда: Новоуральск
Контактная информация:

Re: 4 осевой 6 шпиндельный долгострой

Сообщение michael-yurov »

vovafed писал(а):тогда похоже не стоит менять движки не хочется
Круче всех работают EM806, но нужно будет повозиться, чтобы настроить компенсацию низкочастотных вибраций.
Предполагаю, что лучше этих драйверов не бывает.
Аватара пользователя
vovafed
Мастер
Сообщения: 1822
Зарегистрирован: 08 фев 2013, 16:19
Репутация: 325
Настоящее имя: Владимир
Откуда: башкортостан
Контактная информация:

Re: 4 осевой 6 шпиндельный долгострой

Сообщение vovafed »

спасибо подумаю
Ответить

Вернуться в «Станки»