Gmoccapy добавление своих кнопок

Обсуждение установки, настройки и использования LinuxCNC. Вопросы по Gкоду.
nkp
Мастер
Сообщения: 8340
Зарегистрирован: 28 ноя 2011, 00:25
Репутация: 1589
Контактная информация:

Re: Gmoccapy добавление своих кнопок

Сообщение nkp »

смена для токарника

Код: Выделить всё

net tool-number     iocontrol.0.tool-prep-number  classicladder.0.s32in-03         
net tool-change     iocontrol.0.tool-change => classicladder.0.in-00    
net dat1  hm2_5i25.0.7i77.0.0.input-17 => classicladder.0.in-07         
net dat2  hm2_5i25.0.7i77.0.0.input-20 => classicladder.0.in-02         
net dat3  hm2_5i25.0.7i77.0.0.input-21 => classicladder.0.in-03          
net dat4  hm2_5i25.0.7i77.0.0.input-18 => classicladder.0.in-04          
net dat5  hm2_5i25.0.7i77.0.0.input-16 => classicladder.0.in-05         
net dat6  hm2_5i25.0.7i77.0.0.input-19 => classicladder.0.in-06         

net done classicladder.0.out-03  =>  iocontrol.0.tool-changed       
net qq classicladder.0.out-00  => hm2_5i25.0.7i77.0.0.output-00

net rr classicladder.0.out-02  => hm2_5i25.0.7i77.0.0.output-01

net lock  hm2_[HOSTMOT2](BOARD).0.7i77.0.0.input-07-not  classicladder.0.in-08 
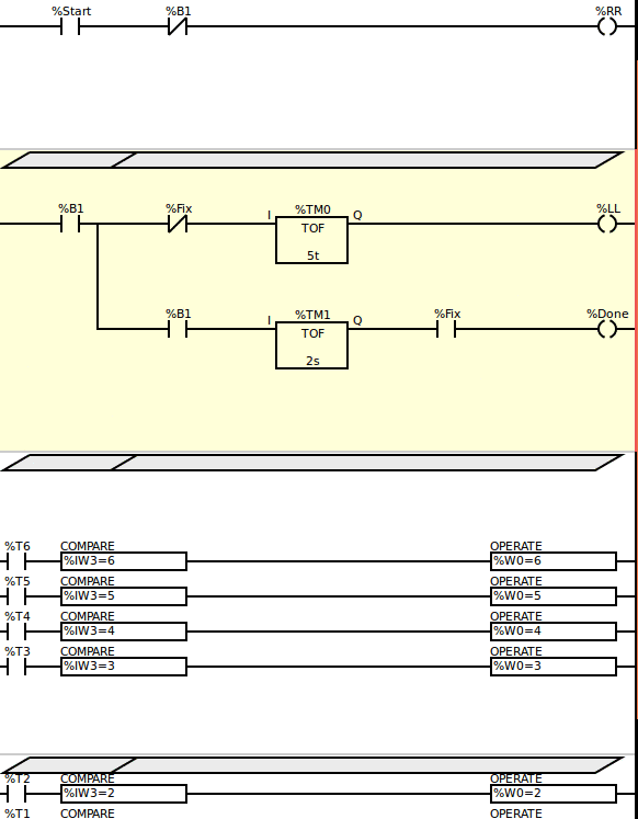
сам ладдер
Выделение_195.png
Выделение_195.png (5.15 КБ) 3369 просмотров
Выделение_194.png
Выделение_194.png (11.47 КБ) 3369 просмотров
команда M6 делает активным пин iocontrol.0.tool-change и приостанавливает выполнение жкода
T5(например) устанавливает пин iocontrol.0.tool-prep-number в 5
выполнение жкода продолжится только когда пин iocontrol.0.tool-changed станет активным,
sergeybur
Новичок
Сообщения: 28
Зарегистрирован: 24 янв 2020, 19:42
Репутация: 1
Настоящее имя: Сергей
Контактная информация:

Re: Gmoccapy добавление своих кнопок

Сообщение sergeybur »

Добрый день. А подскажите где подсмотреть этот код полностью?
nkp
Мастер
Сообщения: 8340
Зарегистрирован: 28 ноя 2011, 00:25
Репутация: 1589
Контактная информация:

Re: Gmoccapy добавление своих кнопок

Сообщение nkp »

sergeybur писал(а): этот код полностью?
файл ладдера в смысле?
sergeybur
Новичок
Сообщения: 28
Зарегистрирован: 24 янв 2020, 19:42
Репутация: 1
Настоящее имя: Сергей
Контактная информация:

Re: Gmoccapy добавление своих кнопок

Сообщение sergeybur »

Да. hal файл я уж сам напишу
nkp
Мастер
Сообщения: 8340
Зарегистрирован: 28 ноя 2011, 00:25
Репутация: 1589
Контактная информация:

Re: Gmoccapy добавление своих кнопок

Сообщение nkp »

custom.clp.tar
(10 КБ) 289 скачиваний
sergeybur
Новичок
Сообщения: 28
Зарегистрирован: 24 янв 2020, 19:42
Репутация: 1
Настоящее имя: Сергей
Контактная информация:

Re: Gmoccapy добавление своих кнопок

Сообщение sergeybur »

вопрос? А есть ладдер версия для виндовс.
Я просто заколебался между системам переключатся.
А за файл спасибо огромное.
Вот еще вопрос. Я могу сделать несколько файлов и указать их в соей конфигурации.
Просто один отвечает за вакуумныыый стол, один за магазин, один за фрезы.
nkp
Мастер
Сообщения: 8340
Зарегистрирован: 28 ноя 2011, 00:25
Репутация: 1589
Контактная информация:

Re: Gmoccapy добавление своих кнопок

Сообщение nkp »

sergeybur писал(а):Я могу сделать несколько файлов и указать их в соей конфигурации.
нет.
файл ладдера - один.
но секции можно делать отдельные на каждую логическую часть схемы.
вот в этом окошке(обведено на скрине)
Выделение_199.png (3191 просмотр) <a class='original' href='./download/file.php?id=180842&mode=view' target=_blank>Загрузить оригинал (286.56 КБ)</a>
=============
на скрине версия ладдера ,которая запускается без емс
очень удобно
nkp
Мастер
Сообщения: 8340
Зарегистрирован: 28 ноя 2011, 00:25
Репутация: 1589
Контактная информация:

Re: Gmoccapy добавление своих кнопок

Сообщение nkp »

в этой теме есть архив с версией ,которая запускается без емс
viewtopic.php?f=15&t=1925
nkp
Мастер
Сообщения: 8340
Зарегистрирован: 28 ноя 2011, 00:25
Репутация: 1589
Контактная информация:

Re: Gmoccapy добавление своих кнопок

Сообщение nkp »

вот по моему для винды
(никогда не пробовал )))
https://sourceforge.net/projects/classi ... in32-gtk3/
sergeybur
Новичок
Сообщения: 28
Зарегистрирован: 24 янв 2020, 19:42
Репутация: 1
Настоящее имя: Сергей
Контактная информация:

Re: Gmoccapy добавление своих кнопок

Сообщение sergeybur »

Спасибо. Буду писать. Как все сделаю. Выложу здесь.
Я провожу модернизацию промышленного фрезерного станка но по дереву.
На очереди фрезер по металлу!!!
sergeybur
Новичок
Сообщения: 28
Зарегистрирован: 24 янв 2020, 19:42
Репутация: 1
Настоящее имя: Сергей
Контактная информация:

Re: Gmoccapy добавление своих кнопок

Сообщение sergeybur »

Добрый день. Появился вопрос.
Что нужно дописать в основной hal файл для работы с файлом test1.clp
а то у меня ругается на каждую строчку назначения входов и выходов для этого файла.
sergeybur
Новичок
Сообщения: 28
Зарегистрирован: 24 янв 2020, 19:42
Репутация: 1
Настоящее имя: Сергей
Контактная информация:

Re: Gmoccapy добавление своих кнопок

Сообщение sergeybur »

Все . Разобрался
Нужно в основном hal файле прописать
loadrt classicladder_rt
addf classicladder.0.refresh servo-thread
loadusr -w classicladder --nogui test1.clp
Это что бы не забыть. И другим полезно!!
sergeybur
Новичок
Сообщения: 28
Зарегистрирован: 24 янв 2020, 19:42
Репутация: 1
Настоящее имя: Сергей
Контактная информация:

Re: Gmoccapy добавление своих кнопок

Сообщение sergeybur »

nkp писал(а):команда M6 делает активным пин iocontrol.0.tool-change и приостанавливает выполнение жкода
T5(например) устанавливает пин iocontrol.0.tool-prep-number в 5
Добрый день.
А если в оператор оставил инструмент в шпинделе и выключил станок то при включении станка и команде смены инструмента кто скажет какой инструмент стоит в шпинделе (где хранится это показатель).?
Подскажите как с ладер послать команду на перемещение станка в определенные точки координат по X Y и Z.
Снять инструмент - движением по оси Z вверх?
Одеть инструмент - движение по оси Z вниз?

У меня не работает ладер который без ЕМС. Я использую debian 9 с ядром RT для сетевой MESA.
sergeybur
Новичок
Сообщения: 28
Зарегистрирован: 24 янв 2020, 19:42
Репутация: 1
Настоящее имя: Сергей
Контактная информация:

Re: Gmoccapy добавление своих кнопок

Сообщение sergeybur »

Добрый день.
Освоил ладер - сделал ваккумный стол.
Работа такая - при нажатии на педаль происходит отключение ваккуума и поднятие штырей для ориентации заготовки.
При повторном нажатии на педаль происходит включение ваккуумного стола и опускание штырей для ориентации.
Пока сам насос ваккума включается от кнопочки.
Нужно что бы он включался по команде стар УП и вставал на паузу пока оператор не нажмет далее!!

Где посмотреть все компоненты и переменный HAL.
nkp
Мастер
Сообщения: 8340
Зарегистрирован: 28 ноя 2011, 00:25
Репутация: 1589
Контактная информация:

Re: Gmoccapy добавление своих кнопок

Сообщение nkp »

sergeybur писал(а):Подскажите как с ладер послать команду на перемещение станка в определенные точки координат по X Y и Z.
Снять инструмент - движением по оси Z вверх?
Одеть инструмент - движение по оси Z вниз?
скорей всего тебе удобней будет смену инструмента написать с помощью REMAP -
то есть - когда емс встретит в жкоде команду M6 T1 ,
то будет выполнен файл (например) toolchange.ngc , а в нем ты напишешь все перемещения ,которые нужно сделать осям
почитай про REMAP
nkp
Мастер
Сообщения: 8340
Зарегистрирован: 28 ноя 2011, 00:25
Репутация: 1589
Контактная информация:

Re: Gmoccapy добавление своих кнопок

Сообщение nkp »

sergeybur писал(а):У меня не работает ладер который без ЕМС. Я использую debian 9 с ядром RT для сетевой MESA.
запусти из терминала,он скорей всего ругнется - будет ясно в чем причина
nkp
Мастер
Сообщения: 8340
Зарегистрирован: 28 ноя 2011, 00:25
Репутация: 1589
Контактная информация:

Re: Gmoccapy добавление своих кнопок

Сообщение nkp »

sergeybur писал(а):Где посмотреть все компоненты и переменный HAL.
на странице документации емс есть все стандартные компоненты
в их описании - пины и параметры для каждого
Выделение_202.png (2948 просмотров) <a class='original' href='./download/file.php?id=180966&mode=view' target=_blank>Загрузить оригинал (225.26 КБ)</a>
Ответить

Вернуться в «LinuxCNC»