ClassicLadder (CL)

Обсуждение установки, настройки и использования LinuxCNC. Вопросы по Gкоду.
Аватара пользователя
Nick
Мастер
Сообщения: 22776
Зарегистрирован: 23 ноя 2009, 16:45
Репутация: 1735
Заслуга: Developer
Откуда: Gatchina, Saint-Petersburg distr., Russia
Контактная информация:

Re: ClassicLadder (CL)

Сообщение Nick »

А в чем заключается неустойчивость?
nkp
Мастер
Сообщения: 8340
Зарегистрирован: 28 ноя 2011, 00:25
Репутация: 1589
Контактная информация:

Re: ClassicLadder (CL)

Сообщение nkp »

Nick писал(а):А в чем заключается неустойчивость?
ну мне кажеться линии такого плана
Выделение(003).jpg
Выделение(003).jpg (9.17 КБ) 5103 просмотра
всегда будут неустойчиво работать
Аватара пользователя
Nick
Мастер
Сообщения: 22776
Зарегистрирован: 23 ноя 2009, 16:45
Репутация: 1735
Заслуга: Developer
Откуда: Gatchina, Saint-Petersburg distr., Russia
Контактная информация:

Re: ClassicLadder (CL)

Сообщение Nick »

ну... может быть...
Кстати, а чего плохого, в том, что у нас придет повтороный Run, если стоим на feedhold и run уже включен?
Аватара пользователя
Nick
Мастер
Сообщения: 22776
Зарегистрирован: 23 ноя 2009, 16:45
Репутация: 1735
Заслуга: Developer
Откуда: Gatchina, Saint-Petersburg distr., Russia
Контактная информация:

Re: ClassicLadder (CL)

Сообщение Nick »

А как еще можно сделать проверку того, что сейчас пин не активен?
Для надежности можно таймер добавить на 0.ххх сек, чтобы при нажатии кнопки пин зависал еще на небольшое время.
nkp
Мастер
Сообщения: 8340
Зарегистрирован: 28 ноя 2011, 00:25
Репутация: 1589
Контактная информация:

Re: ClassicLadder (CL)

Сообщение nkp »

Nick писал(а):Кстати, а чего плохого, в том, что у нас придет повтороный Run, если стоим на feedhold и run уже включен?
Пока ничего, но это только в режиме авто
а эти же кнопки должны разруливать и mdi и step - вот здесь то и нельзя дублировать...
Nick писал(а):Для надежности можно таймер добавить на 0.ххх сек, чтобы при нажатии кнопки пин зависал еще на небольшое время.
вот , вот :)
вот я и додобавлялся до схемы ,которую приводил
(да и та кривовато работает в режиме Step)
Аватара пользователя
Nick
Мастер
Сообщения: 22776
Зарегистрирован: 23 ноя 2009, 16:45
Репутация: 1735
Заслуга: Developer
Откуда: Gatchina, Saint-Petersburg distr., Russia
Контактная информация:

Re: ClassicLadder (CL)

Сообщение Nick »

Обрисуй всю картину в общих словах :)
Сколько кнопок есть и что они делать должны?
nkp
Мастер
Сообщения: 8340
Зарегистрирован: 28 ноя 2011, 00:25
Репутация: 1589
Контактная информация:

Re: ClassicLadder (CL)

Сообщение nkp »

кнопок в данном случае 3:
1.Cycle Start -
в режиме авто запускает выполнение программы
в режиме MDI запускает выполнение введенной команды
в подрежиме Step запускает выполнение следующего кадра(строки)
2. FeedHold - во всех режимах делает подачу 0
3. Step - кнопка с фиксацией (в отличие от первых двух) - включает подрежим Step
Аватара пользователя
Lexxa
Мастер
Сообщения: 2703
Зарегистрирован: 16 дек 2011, 16:48
Репутация: 319
Настоящее имя: Алексей
Откуда: ryazan
Контактная информация:

Re: ClassicLadder (CL)

Сообщение Lexxa »

кнопки правильные.
А в чем проблема сделать вход в ладдере по фронту заднему?
|\/|
Кнопки правильные
:bender:
nkp
Мастер
Сообщения: 8340
Зарегистрирован: 28 ноя 2011, 00:25
Репутация: 1589
Контактная информация:

Re: ClassicLadder (CL)

Сообщение nkp »

Очень удобный для отстройки отдельный (от емс) ладдер несовместим по выходному файлу с встроенным ладдером.
Поэтому приходилось два раза набирать схему...
Эта неудобность решается путем использования любой версии CL до 0.9 (проверено)
Начиная с 0.9 Марк начал использовать другой формат файла (ну это еще ничего), и другое число линий в ступени.
Пользуем 0.8.010:
classicladder-0.8.010.zip
(472.51 КБ) 586 скачиваний
добавил в шапку
Аватара пользователя
Lexxa
Мастер
Сообщения: 2703
Зарегистрирован: 16 дек 2011, 16:48
Репутация: 319
Настоящее имя: Алексей
Откуда: ryazan
Контактная информация:

Re: ClassicLadder (CL)

Сообщение Lexxa »

дада, тоже это заметил.
+1, nkp
:bender:
Аватара пользователя
aegis
Мастер
Сообщения: 3171
Зарегистрирован: 22 мар 2012, 06:59
Репутация: 1810
Настоящее имя: Михайло
Откуда: Україна, Конотоп=>Запоріжжя=>Харьків

Re: ClassicLadder (CL)

Сообщение aegis »

а под виндой у кого-то удалось запустить CL? накачал кучу длл-ок, сейчас выдает сообщение как на картинке
ошибка (4951 просмотр) <a class='original' href='./download/file.php?id=15009&sid=b3ef2a1f229fb6322ab532cdd30c4c64&mode=view' target=_blank>Загрузить оригинал (15.59 КБ)</a>
ошибка
ХР сп3
нікому нічого не нав'язую.
Аватара пользователя
aegis
Мастер
Сообщения: 3171
Зарегистрирован: 22 мар 2012, 06:59
Репутация: 1810
Настоящее имя: Михайло
Откуда: Україна, Конотоп=>Запоріжжя=>Харьків

Re: ClassicLadder (CL)

Сообщение aegis »

с косяками в винде у всех не шибко гладко, поэтому забью. nkp, спасибо за краткие разъяснения и видио. у меня в голове уже сложилась идея как правильно оживить револьверку. есть только еще маленький вопрос:
ну вот отстроил по ладдеру логику работы, далее что нужно сделать? спаять по этой логике платку на стандартных элементах ил иесть вариант использования готовых заготовок ПЛС( не знаю как правильно эти штуковины назвать). ткните носом если они продаются на том же ибее
нікому нічого не нав'язую.
nkp
Мастер
Сообщения: 8340
Зарегистрирован: 28 ноя 2011, 00:25
Репутация: 1589
Контактная информация:

Re: ClassicLadder (CL)

Сообщение nkp »

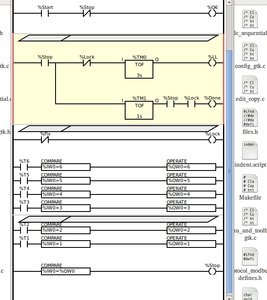
aegis писал(а):далее что нужно сделать? спаять по этой логике платку на стандартных элементах
ну это смотря что за схема...
если посмотреть на вот такую:
Выделение(011).jpg (4929 просмотров) <a class='original' href='./download/file.php?id=15020&sid=b3ef2a1f229fb6322ab532cdd30c4c64&mode=view' target=_blank>Загрузить оригинал (181.53 КБ)</a>
то ничего тут паять не нужно...
Т1-6 - входы с герконов - в хал коммутируются к входам парпорта или меса(как вариант)
катушки ладдера(например %Q6) - выходы -в хал коммутируются к выходам парпорта или меса,далее к реле катушек пускателей
датчики-концевики - также с входов парпорта на входы ладдера (всё это просто прописывается в хал)
=========
может я чего в вопросе не уловил :thinking:
опиши логику работы и какие элементы схемы (в железе) будут задействованы...
сварганим все ...
Аватара пользователя
aegis
Мастер
Сообщения: 3171
Зарегистрирован: 22 мар 2012, 06:59
Репутация: 1810
Настоящее имя: Михайло
Откуда: Україна, Конотоп=>Запоріжжя=>Харьків

Re: ClassicLadder (CL)

Сообщение aegis »

nkp, сейчас стоит 1 микрик, который срабатывает на каждом из 6 положений. логика работы следующая. обнулился, далее вращаю и считаю импульсы, сколько надо отсчитал, включил реверс. грубо говоря работа в приращениях выходит и конечное положение никак не контролируется. это мне не нравится, хочу сделать следующим образом: оставить микрик и добавить 6 герконов (оптических датчиков). логика работы:
1)по 1 пину подали сигнал на смену инструмента (скажем м06т4)
2)начинаем вращатсься, пока не совпадет 4й геркон, далее вращаемся пока не наткнемся на концевик, с геркона при этом мы съедем.
3)включаем реверс, вращаемся до упора, контролируем ток в обмотке. когда достигаем упора ток возрастает.
4) проверяем что мы довернулись в нужное положение с нужным инструментом (геркон снова сработал).
5) сбрасываем ток или же включаем тормоз
6) на комп подаем сигнал об готовности.

в случае случайного проворота из нормального положения в процессе работы будет происходить съезд с геркона, сигнал об ошибке пошел в комп.

пока еще не докопался в каком виде выдается сигнал об номере нужного инструмента, вероятней всего двоичный код, но тогда наверно правильно было бы еще вначале завести еще 1 пин, который будет говорить, что мол начало считывания номера, далее декодер и сравнение нужного номера с тем что крутится. ну примерно так мне все видится. я то сам сижу ковыряю - штука интересная, время терпит, поэтому занимаюсь в основном для самообразования, ну и, может, когда еще пригодится нечто подобное писать для задач посложнее.
нікому нічого не нав'язую.
nkp
Мастер
Сообщения: 8340
Зарегистрирован: 28 ноя 2011, 00:25
Репутация: 1589
Контактная информация:

Re: ClassicLadder (CL)

Сообщение nkp »

схема ладдера постом выше работает с "головой" на 6 инструментов на токарке 16б16.
там 6 герконов и датчик зажима...
вот примерно так работает в хал:
(для просмотра содержимого нажмите на ссылку)

Код: Выделить всё

et tool-change iocontrol.0.tool-change => classicladder.0.in-00               # сигнал по М6 посылаем на контакт Start
net tool-number iocontrol.0.tool-prep-number  =>  classicladder.0.s32in-00      # передаем номер следующего инструмента в переменную %IW0

net dat1  parport.0.pin-13-in-not => classicladder.0.in-02         # получаем сигнал от датчика положения головки
net dat2  parport.0.pin-12-in-not => classicladder.0.in-03           # получаем сигнал от датчика положения головки
net dat3  parport.0.pin-15-in-not => classicladder.0.in-04             # получаем сигнал от датчика положения головки
net dat4  parport.0.pin-10-in-not => classicladder.0.in-05             # получаем сигнал от датчика положения головки
net dat5  parport.0.pin-09-in-not => classicladder.0.in-06           # получаем сигнал от датчика положения головки
net dat6  parport.0.pin-08-in-not => classicladder.0.in-07            # получаем сигнал от датчика положения головки

net done classicladder.0.out-03  =>  iocontrol.0.tool-changed        # сигнал - продолжаем выполнять программу
net www classicladder.0.out-06  => parport.0.pin-14-out               # сигнал на эл. дв -вращение по часовой
net LL  classicladder.0.out-02  => parport.0.pin-17-out               # сигнал на эл. дв -вращение против часовой

net Fix parport.0.pin-11-in-not => classicladder.0.in-08    #Концевик зажима головы
но тут нет вторичной проверки - наверно она и не нужна
там немного регулируется угол опережения поворотом самого держателя герконов
да и еще и таймеры в ладдере для регулировки задержек
так что описаная твоя вторая версия - это стандартная работа поворотки на советских токарках...
Аватара пользователя
aegis
Мастер
Сообщения: 3171
Зарегистрирован: 22 мар 2012, 06:59
Репутация: 1810
Настоящее имя: Михайло
Откуда: Україна, Конотоп=>Запоріжжя=>Харьків

Re: ClassicLadder (CL)

Сообщение aegis »

nkp писал(а):там 6 герконов и датчик зажима...
и все заведено на контакты что напрямую на порт))) я еще подумаю, как все сделать, может и правда повешу еще 1 слот, а может вообще мессу куплю
нікому нічого не нав'язую.
Аватара пользователя
Lexxa
Мастер
Сообщения: 2703
Зарегистрирован: 16 дек 2011, 16:48
Репутация: 319
Настоящее имя: Алексей
Откуда: ryazan
Контактная информация:

Re: ClassicLadder (CL)

Сообщение Lexxa »

Делаю штурвал, для инкрементного позиционирования.
Штурвал - энкодер, тумблерами задается инкремент и ось, которую двигать.
Что быстрее и надежнее будет работать если в hal прописать обработку через мультиплексоры или в ладдере сделать?
Ихмо в ладдере проще.
:bender:
Аватара пользователя
Nick
Мастер
Сообщения: 22776
Зарегистрирован: 23 ноя 2009, 16:45
Репутация: 1735
Заслуга: Developer
Откуда: Gatchina, Saint-Petersburg distr., Russia
Контактная информация:

Re: ClassicLadder (CL)

Сообщение Nick »

Есть же готовые hal под это дело. Вроде в свежем pncconf есть MPG с отдельными переключателями осей...
Аватара пользователя
Serg
Мастер
Сообщения: 21923
Зарегистрирован: 17 апр 2012, 14:58
Репутация: 5183
Заслуга: c781c134843e0c1a3de9
Настоящее имя: Сергей
Откуда: Москва
Контактная информация:

Re: ClassicLadder (CL)

Сообщение Serg »

Lexxa писал(а):Ихмо в ладдере проще.
Вообще-то classicladder - это один из HAL-компонентов, т.е. в данном случае лишняя сущность. :)
Я не Христос, рыбу не раздаю, но могу научить, как сделать удочку...
Аватара пользователя
Lexxa
Мастер
Сообщения: 2703
Зарегистрирован: 16 дек 2011, 16:48
Репутация: 319
Настоящее имя: Алексей
Откуда: ryazan
Контактная информация:

Re: ClassicLadder (CL)

Сообщение Lexxa »

привык к фанукам всяким)))
:bender:
Ответить

Вернуться в «LinuxCNC»