StepMaster ver 2.5

Контроллеры, драйверы, датчики, управляющие устройства.
Аватара пользователя
michael-yurov
Почётный участник
Почётный участник
Сообщения: 11731
Зарегистрирован: 26 июл 2012, 00:10
Репутация: 4703
Настоящее имя: Михаил Львович
Откуда: Новоуральск
Контактная информация:

Re: StepMaster ver 2.5

Сообщение michael-yurov »

phoenixzp писал(а):где-то здесь на форуме видел... Хоть убейте, не помню где... Но себе на всякий случай сохранил.
А это я и рисовал. http://www.cnc-club.ru/forum/viewtopic. ... 15#p140880
Это я так сделал в своем макете плазменного станка - он в начале выполнения УП ухал до концевика, пока не упирался в него (тогда сигнал Step прерывался),
Но в обратную сторону это не мешало двигаться от концевика.
Бармалей писал(а):Это колхоз. У NCStudio, а особенно у современных - там все сложно. Целый скрипт, модифицируемый. Там можно сделать так, например - подъехал на полной скорости, проскочил датчик, поехал обратно медленно, наехал на него, и еще раз сделал реверс и поехал уже до нулевой точки на серве или линейке. Т.е. нужна какая-то приблуда типа ПЛК, и какую можно связать с NCStudio...
Одно другому не мешает. Это колхоз будет нормально работать с алгоритмом двойного поиска базы на разной скорости программой управления.
Бармалей
Мастер
Сообщения: 1205
Зарегистрирован: 14 янв 2013, 16:46
Репутация: 144
Контактная информация:

Re: StepMaster ver 2.5

Сообщение Бармалей »

michael-yurov писал(а): Это колхоз будет нормально работать с алгоритмом двойного поиска базы на разной скорости программой управления.
у меня например на текущих станках обязательно надо реверс движения сделать в конце, иначе датчик остается сработавшим. Станок хомится на 500 мм/мин. На 50 мм/мин переходить совсем не хочется.
Аватара пользователя
michael-yurov
Почётный участник
Почётный участник
Сообщения: 11731
Зарегистрирован: 26 июл 2012, 00:10
Репутация: 4703
Настоящее имя: Михаил Львович
Откуда: Новоуральск
Контактная информация:

Re: StepMaster ver 2.5

Сообщение michael-yurov »

Бармалей писал(а):у меня например на текущих станках обязательно надо реверс движения сделать в конце, иначе датчик остается сработавшим. Станок хомится на 500 мм/мин. На 50 мм/мин переходить совсем не хочется.
Реверс будет работать так же, как и при обычном подключении.
Но остановка будет резкой, это факт.
Если поставить такую схему перед СтепМастером - он сделает мягкую остановку при любой скорости поиска базы.
Аватара пользователя
Константин23
Мастер
Сообщения: 483
Зарегистрирован: 06 апр 2015, 16:52
Репутация: 62
Настоящее имя: Константин
Откуда: Krasnodar
Контактная информация:

Re: StepMaster ver 2.5

Сообщение Константин23 »

Здравствуйте Михаил!
Во-первых спасибо ограмное за плату,вчера все настроил и запустил.
Станок аляГраф тока 600*900,портал 70кг примерно,две оси по Х.,DM442,моторы пока по 12кг стоят.
Летает аки птица :hehehe:
Я не ожидал такого эффекта.
Остановился на 6м\мин (чисто для быстрых перемещений в траекториях).
Скорость мне такая не нужна ибо пилю дюраль.
Еще shalek спасибо,быстро помог с множителями разобраться.
Одна проблемка осталась (может что-то где-то не дочитал :thinking: )
Из мача регулировка оборотов шпинделя работает наоборот.
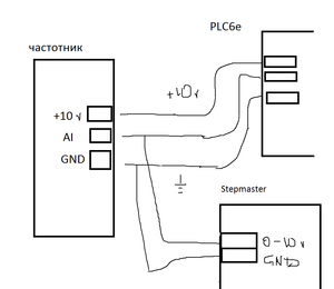
Был пуриковский контроллей,но там как на картинке(3 провода).
Частотник Славин (Micno)
Ткните ктонить носом кто сталкивался,что не так :hehehe:
Вложения
Безымянный.png (5120 просмотров) <a class='original' href='./download/file.php?id=82601&mode=view' target=_blank>Загрузить оригинал (13.25 КБ)</a>
Есть много, друг Горацио, такого, что и не снилось нашим мудрецам....
В.Шекспир "Гамлет", д. 1, сц. 5
Аватара пользователя
shalek
Почётный участник
Почётный участник
Сообщения: 3023
Зарегистрирован: 25 авг 2014, 10:40
Репутация: 2583
Настоящее имя: Александр
Откуда: РБ Бобруйск
Контактная информация:

Re: StepMaster ver 2.5

Сообщение shalek »

Константин23 писал(а):Ткните ктонить носом,что не так
А PLC6e каким боком здесь нужно?
Избавляйся от пуриковских заморочек.
Все, что необходимо к Stepmaster подключается.
Если ты не можешь решить проблему, значит это не твоя проблема!
Мой канал на YouTube: YouTube
ЧПУ "Бобр" 600x500 мм
shalek64@gmail.com
Аватара пользователя
Константин23
Мастер
Сообщения: 483
Зарегистрирован: 06 апр 2015, 16:52
Репутация: 62
Настоящее имя: Константин
Откуда: Krasnodar
Контактная информация:

Re: StepMaster ver 2.5

Сообщение Константин23 »

:hehehe: Так я и избавляюсь
Так было подключено,это для сравнения
С частотника +10 идет, тут решил что так правильно, но мач наоборот крутит(
Есть много, друг Горацио, такого, что и не снилось нашим мудрецам....
В.Шекспир "Гамлет", д. 1, сц. 5
Аватара пользователя
michael-yurov
Почётный участник
Почётный участник
Сообщения: 11731
Зарегистрирован: 26 июл 2012, 00:10
Репутация: 4703
Настоящее имя: Михаил Львович
Откуда: Новоуральск
Контактная информация:

Re: StepMaster ver 2.5

Сообщение michael-yurov »

Константин23 писал(а):портал 70кг примерно,две оси по Х.,DM442,моторы пока по 12кг стоят.
Летает аки птица :hehehe:
Я не ожидал такого эффекта.
Как-то у меня не схлапывается в голове - такие маленькие драйверы и такой тяжеленный портал.
Константин23 писал(а):Одна проблемка осталась (может что-то где-то не дочитал )
Из мача регулировка оборотов шпинделя работает наоборот.
Т.е. при увеличении оборотов они уменьшаются?
Тогда нужно инвертировать сигнал на 14 пине в настройках программы.

Частотник, вроде бы правильно подключен.
На всякий случай стоит убедиться что он настроен на управление напряжением, а не током.
Аватара пользователя
Константин23
Мастер
Сообщения: 483
Зарегистрирован: 06 апр 2015, 16:52
Репутация: 62
Настоящее имя: Константин
Откуда: Krasnodar
Контактная информация:

Re: StepMaster ver 2.5

Сообщение Константин23 »

michael-yurov писал(а):Т.е. при увеличении оборотов они уменьшаются?
Тогда нужно инвертировать сигнал на 14 пине в настройках программы.

Так и сделал.Степ на шпинделе инвертнул и все .....я забыл про него :idiot:

А про драйвера и вес :silent: это военная тайна.
Станок в стадии модернизации.Он то у меня первый.
Движки греются,если сильно гонять.
Сейчас допиливаю на Х детальки и меняю направляйки на нормальные.
Не хочу сказать ,что круглые это Г,но только они для другой весовой категории и только не для работы с дюралем.
Движки на 18кг поставлю -хватит.
Вот ,на скорую руку снял испытания.Сорость 6500мм\мин,ускорение 1000
https://youtu.be/G15UNvjPCKY

Я остался очень доволен приобретением .
Желаю Михаилу не останавливаться на достигнутом :good:
.....еще бы Ethernet прилепить :thinking:
Есть много, друг Горацио, такого, что и не снилось нашим мудрецам....
В.Шекспир "Гамлет", д. 1, сц. 5
Аватара пользователя
michael-yurov
Почётный участник
Почётный участник
Сообщения: 11731
Зарегистрирован: 26 июл 2012, 00:10
Репутация: 4703
Настоящее имя: Михаил Львович
Откуда: Новоуральск
Контактная информация:

Re: StepMaster ver 2.5

Сообщение michael-yurov »

Константин23 писал(а):Движки на 18кг поставлю -хватит.
Проверь сначала - справятся ли драйверы. http://cnc-club.ru/forum/viewtopic.php? ... 39#p228839
Учти, что рабочий ток мотора и пиковый на драйвере отличаются в 1,41 раза.
Аватара пользователя
Константин23
Мастер
Сообщения: 483
Зарегистрирован: 06 апр 2015, 16:52
Репутация: 62
Настоящее имя: Константин
Откуда: Krasnodar
Контактная информация:

Re: StepMaster ver 2.5

Сообщение Константин23 »

40в 3А (пик 4.2) пишет 3800 мм\мин.Это в пределах DM442.
Я то не за скоростью гонюсь,а за стабильностью и...тишиной.
Попробую уйти в микрошаг и скинуть макс скорость до 4м\мин).
Видео вроде работает :thinking: Я с другого сервера пробовал сейчас смотреть без авторизации
Есть много, друг Горацио, такого, что и не снилось нашим мудрецам....
В.Шекспир "Гамлет", д. 1, сц. 5
Argentum47
Мастер
Сообщения: 911
Зарегистрирован: 05 июн 2015, 10:00
Репутация: 110
Откуда: Саратов
Контактная информация:

Re: StepMaster ver 2.5

Сообщение Argentum47 »

Константин23 писал(а):40в 3А (пик 4.2) пишет 3800 мм\мин.Это в пределах DM442.
Я то не за скоростью гонюсь,а за стабильностью и...тишиной.
За тишиной это к бесшумным фрезам, громкость езды станка на малых частотах с разбитыми передачами намного ниже шума реза и аспирации.
Аватара пользователя
raddd
Почётный участник
Почётный участник
Сообщения: 1564
Зарегистрирован: 10 фев 2015, 08:50
Репутация: 540
Настоящее имя: Alexey Rodionov
Откуда: Беларусь Минский р-н
Контактная информация:

Re: StepMaster ver 2.5

Сообщение raddd »

michael-yurov писал(а):
Константин23 писал(а):Движки на 18кг поставлю -хватит.
Проверь сначала - справятся ли драйверы. http://cnc-club.ru/forum/viewtopic.php? ... 39#p228839
Учти, что рабочий ток мотора и пиковый на драйвере отличаются в 1,41 раза.
у меня DM442, 36вольт, 57х76 моторы, 3ампера, 5мм швп, портал под 50кг и скорость 4200мм\мин.
LInuxcnc. а по расчету : 2273.64 мм/мин :wik:
UPD ускорения 1500мм\сек*квадрат
||||||||||||
||||||||||||
Аватара пользователя
michael-yurov
Почётный участник
Почётный участник
Сообщения: 11731
Зарегистрирован: 26 июл 2012, 00:10
Репутация: 4703
Настоящее имя: Михаил Львович
Откуда: Новоуральск
Контактная информация:

Re: StepMaster ver 2.5

Сообщение michael-yurov »

raddd писал(а):и скорость 4200мм\мин.
LInuxcnc. а по расчету : 2273.64 мм/мин
При скоростях выше расчетной - сильно падает крутящий момент.
Если бы поднять напряжение питания - крутящий момент на 4200 мм/мин был намного выше.
Аватара пользователя
phoenixzp
Опытный
Сообщения: 187
Зарегистрирован: 06 фев 2012, 23:34
Репутация: 6
Контактная информация:

Re: StepMaster ver 2.5

Сообщение phoenixzp »

michael-yurov писал(а):Если только как платка - дополнение. Только для датчиков NPN, например, и для одного заранее заданного направления поиска дома.
Будет время - подумаю.
Было бы замечательно!
arkhnchul
Мастер
Сообщения: 1773
Зарегистрирован: 01 фев 2016, 13:56
Репутация: 339
Откуда: москва
Контактная информация:

Re: StepMaster ver 2.5

Сообщение arkhnchul »

такой вопрос - какой ток допустим на аналоговом выходе 0-10В? Собираюсь им рулить лазером, на его блоке уровень 0-5В, думаю делитель соорудить. Можно, конечно, и в linuxcnc ограничить максимум скважности pwmgen-а 0.5, но хочется уж железно.

ЗЫ нашел, 80 мА
Аватара пользователя
michael-yurov
Почётный участник
Почётный участник
Сообщения: 11731
Зарегистрирован: 26 июл 2012, 00:10
Репутация: 4703
Настоящее имя: Михаил Львович
Откуда: Новоуральск
Контактная информация:

Re: StepMaster ver 2.5

Сообщение michael-yurov »

arkhnchul писал(а):такой вопрос - какой ток допустим на аналоговом выходе 0-10В? Собираюсь им рулить лазером, на его блоке уровень 0-5В, думаю делитель соорудить. Можно, конечно, и в linuxcnc ограничить максимум скважности pwmgen-а 0.5, но хочется уж железно.

ЗЫ нашел, 80 мА
Интернета не было.
Да, на выходе TS922i - 80 ма.
Но лучше ограничить программно, т.к. делителем на резисторах не получить точные значения из за тока потребления входного каскада твоего контроллера лазера.

Вопрос не простой из за того, что напряжение на выходе может изменяться не сразу. Например, если полностью отсутствует сигнал ШИМ - напряжение на выходе изменится лишь через пол секунды.
Так же и при 100% заполнении (т.к. контроллер не знает, сколько нужно ждать следующего импульса). При наличии импульсов (0% > скважность > 100%) должно изменяться напряжение сразу же после измерения длительности низкого и высокого уровней. Но я когда буду дома - уточню, посмотрю код программы.
Аватара пользователя
Serg
Мастер
Сообщения: 21923
Зарегистрирован: 17 апр 2012, 14:58
Репутация: 5183
Заслуга: c781c134843e0c1a3de9
Настоящее имя: Сергей
Откуда: Москва
Контактная информация:

Re: StepMaster ver 2.5

Сообщение Serg »

michael-yurov писал(а):т.к. контроллер не знает, сколько нужно ждать следующего импульса
А почему не знает? У ШИМ период постоянный, меняется только длительность импульса.
Я не Христос, рыбу не раздаю, но могу научить, как сделать удочку...
Аватара пользователя
michael-yurov
Почётный участник
Почётный участник
Сообщения: 11731
Зарегистрирован: 26 июл 2012, 00:10
Репутация: 4703
Настоящее имя: Михаил Львович
Откуда: Новоуральск
Контактная информация:

Re: StepMaster ver 2.5

Сообщение michael-yurov »

Ну, можно, конечно его запоминать и на него ориентироваться...
А если он не постоянный?
А как быть, когда включили плату, а на входе единица?
Аватара пользователя
Serg
Мастер
Сообщения: 21923
Зарегистрирован: 17 апр 2012, 14:58
Репутация: 5183
Заслуга: c781c134843e0c1a3de9
Настоящее имя: Сергей
Откуда: Москва
Контактная информация:

Re: StepMaster ver 2.5

Сообщение Serg »

Вычислять по первым двум импульсам и помнить пока есть питание.

Если не постоянный, то это не ШИМ
Я не Христос, рыбу не раздаю, но могу научить, как сделать удочку...
arkhnchul
Мастер
Сообщения: 1773
Зарегистрирован: 01 фев 2016, 13:56
Репутация: 339
Откуда: москва
Контактная информация:

Re: StepMaster ver 2.5

Сообщение arkhnchul »

michael-yurov писал(а):Вопрос не простой из за того, что напряжение на выходе может изменяться не сразу
конкретно это у мня вроде как особо важным не представляется. На блоке есть аналоговый вход управления мощностью - на него я планирую подавать нужное напряжение в начале программы и далее не трогать - и цифровые входы собственно "вкл/выкл", каковыми уже дрыгать по ходу выполнения. В начале можно и подождать несколько секунд, а-ля ожидание раскрутки шпинделя на гравере.

ктстаи по этому цифровому входу: на него я хочу подать выход dir с одной из осей. Что с ним будет происходить при отсутствии сигналов step?
Ответить

Вернуться в «Электроника»