Чпу на токарный

Токарные станки с ЧПУ.
Дмитро
Почётный участник
Почётный участник
Сообщения: 1060
Зарегистрирован: 14 сен 2013, 01:20
Репутация: 1139
Настоящее имя: Дмитрий
Откуда: Киев

Re: Чпу на токарный

Сообщение Дмитро »

Конец вала ржавый, не по фен-шую :D
nik1
Мастер
Сообщения: 8408
Зарегистрирован: 02 окт 2012, 07:37
Репутация: 3629
Откуда: Красногорск
Контактная информация:

Re: Чпу на токарный

Сообщение nik1 »

Это место феншуй простил :hehehe:
Аватара пользователя
Serg
Мастер
Сообщения: 21923
Зарегистрирован: 17 апр 2012, 14:58
Репутация: 5183
Заслуга: c781c134843e0c1a3de9
Настоящее имя: Сергей
Откуда: Москва
Контактная информация:

Re: Чпу на токарный

Сообщение Serg »

nik1 писал(а):при этом добился натяга около трети микрона
А смысл? Ты на этом станке работать не собираешься?.. :)
Я не Христос, рыбу не раздаю, но могу научить, как сделать удочку...
nik1
Мастер
Сообщения: 8408
Зарегистрирован: 02 окт 2012, 07:37
Репутация: 3629
Откуда: Красногорск
Контактная информация:

Re: Чпу на токарный

Сообщение nik1 »

Что бы ось не гуляла вперед и назад при нагрузке
Типо сильный натяг или что?
Аватара пользователя
Serg
Мастер
Сообщения: 21923
Зарегистрирован: 17 апр 2012, 14:58
Репутация: 5183
Заслуга: c781c134843e0c1a3de9
Настоящее имя: Сергей
Откуда: Москва
Контактная информация:

Re: Чпу на токарный

Сообщение Serg »

Не сильный, а бессмысленный. :)
Вот сейчас у тебя "около трети микрона", а после того, как "пустишь первую стружку" он будет уже совсем другой. :)
Вон даже шарики для создания преднатяга в ШВП и рельсах калибруют по размеру с градацией в 3-5 микрона.
Я не Христос, рыбу не раздаю, но могу научить, как сделать удочку...
Аватара пользователя
Dmaster
Мастер
Сообщения: 1272
Зарегистрирован: 15 июл 2011, 13:36
Репутация: 476
Контактная информация:

Re: Чпу на токарный

Сообщение Dmaster »

UAVpilot писал(а):Не сильный, а бессмысленный.
прав человек! не мучай за зря, особенное если швп катанное, то совсем зря.
с твоей жесткостью станка в 0.02 попасть надо, а не в микроны.
" Linux CNC - наше всё"
Аватара пользователя
mikehv
Мастер
Сообщения: 2115
Зарегистрирован: 14 авг 2013, 10:10
Репутация: 1175
Откуда: Иваново
Контактная информация:

Re: Чпу на токарный

Сообщение mikehv »

Dmaster писал(а):в 0.02 попасть надо, а не в микроны
Согласен. С меньшим значением не будет жесткости.
nik1
Мастер
Сообщения: 8408
Зарегистрирован: 02 окт 2012, 07:37
Репутация: 3629
Откуда: Красногорск
Контактная информация:

Re: Чпу на токарный

Сообщение nik1 »

В швп шарики с точностью 2 микрона поставили, по мануалу вообще 1 микрон должны быть
но по факту разлет был больше

Сдается мне , что в подшипнике типо Рик зазор не должен быть
если делать зазор сотку, то уже явно слышно стучек при вращении влево- вправо на коротком ходе
навряд ли это на пользу роликам и обойме
Аватара пользователя
mikehv
Мастер
Сообщения: 2115
Зарегистрирован: 14 авг 2013, 10:10
Репутация: 1175
Откуда: Иваново
Контактная информация:

Re: Чпу на токарный

Сообщение mikehv »

Так разговор не про зазор, а про натяг.
Хотя роликовый подшипник наверное больше сотки лучше не тянуть.
nik1
Мастер
Сообщения: 8408
Зарегистрирован: 02 окт 2012, 07:37
Репутация: 3629
Откуда: Красногорск
Контактная информация:

Re: Чпу на токарный

Сообщение nik1 »

Тогда я неправильно написал, у меня зазор около трети микрона
при таком зазоре , если давить приличным усилием руками , индикатор показания не меняет
если дальше затягивать , то начинает туже крутиться
В общем в работе все покажет
nik1
Мастер
Сообщения: 8408
Зарегистрирован: 02 окт 2012, 07:37
Репутация: 3629
Откуда: Красногорск
Контактная информация:

Re: Чпу на токарный

Сообщение nik1 »

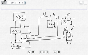
Парни, такой вопрос , можно ли применить эту схему или это чревато бабахом?
блоки питания импульсные
Вложения
Screenshots_2015-01-20-20-17-53.png (1857 просмотров) <a class='original' href='./download/file.php?id=41195&mode=view' target=_blank>Загрузить оригинал (1.93 МБ)</a>
Аватара пользователя
nERV
Мастер
Сообщения: 1519
Зарегистрирован: 27 сен 2013, 19:00
Репутация: 624
Настоящее имя: Александр
Откуда: Ульяновск
Контактная информация:

Re: Чпу на токарный

Сообщение nERV »

Почему нет? Вполне нормально должно быть. Только второй конец БП по высокому не землить а тоже на нейтраль.
nik1
Мастер
Сообщения: 8408
Зарегистрирован: 02 окт 2012, 07:37
Репутация: 3629
Откуда: Красногорск
Контактная информация:

Re: Чпу на токарный

Сообщение nik1 »

Это как , не понял , насчет не землить по высокому
Аватара пользователя
nERV
Мастер
Сообщения: 1519
Зарегистрирован: 27 сен 2013, 19:00
Репутация: 624
Настоящее имя: Александр
Откуда: Ульяновск
Контактная информация:

Re: Чпу на токарный

Сообщение nERV »

Всмысле про питание бп. На картинке к бп идет фаза, второй конец на землю, так? А вот минус низковольтки можно и землить.
nik1
Мастер
Сообщения: 8408
Зарегистрирован: 02 окт 2012, 07:37
Репутация: 3629
Откуда: Красногорск
Контактная информация:

Re: Чпу на токарный

Сообщение nik1 »

Не , тоже идет на N
вот поправил
Вложения
Screenshots_2015-01-20-22-30-35.png (1813 просмотров) <a class='original' href='./download/file.php?id=41210&mode=view' target=_blank>Загрузить оригинал (2.02 МБ)</a>
Аватара пользователя
nERV
Мастер
Сообщения: 1519
Зарегистрирован: 27 сен 2013, 19:00
Репутация: 624
Настоящее имя: Александр
Откуда: Ульяновск
Контактная информация:

Re: Чпу на токарный

Сообщение nERV »

Если нижний прямоугольник - ЧПУ, то его стоит перенести наверх, ДО фильтра. Шоб помехи с серв и ИБП не лезли в сигналку по питающей сети.
Аватара пользователя
Serg
Мастер
Сообщения: 21923
Зарегистрирован: 17 апр 2012, 14:58
Репутация: 5183
Заслуга: c781c134843e0c1a3de9
Настоящее имя: Сергей
Откуда: Москва
Контактная информация:

Re: Чпу на токарный

Сообщение Serg »

nERV писал(а):Если нижний прямоугольник - ЧПУ
Это Частотный Преобразователь. :)
Я не Христос, рыбу не раздаю, но могу научить, как сделать удочку...
nik1
Мастер
Сообщения: 8408
Зарегистрирован: 02 окт 2012, 07:37
Репутация: 3629
Откуда: Красногорск
Контактная информация:

Re: Чпу на токарный

Сообщение nik1 »

Да, это частотник
эми фильтр 3х фазный для него
но так как сервы потребляют по 8А , то вешать на одну фазу не хочется
вот и думаю развести по разным фазам и через тот же эми фильтр
Вот только есть сомнения , что эми фильтр не будет работать по 1 фазе

А насчет ...бабаха ... значит можно не переживать, так ?
Аватара пользователя
nERV
Мастер
Сообщения: 1519
Зарегистрирован: 27 сен 2013, 19:00
Репутация: 624
Настоящее имя: Александр
Откуда: Ульяновск
Контактная информация:

Re: Чпу на токарный

Сообщение nERV »

Раскидывание нагрузки по фазам - стандартная практика.
Аватара пользователя
ukr-sasha
Мастер
Сообщения: 3401
Зарегистрирован: 21 мар 2011, 07:47
Репутация: 2181
Настоящее имя: Украинец Александр Григорьевич
Откуда: Киев, Украина
Контактная информация:

Re: Чпу на токарный

Сообщение ukr-sasha »

У меня так:
Удалил.
Заказчик против.
Последний раз редактировалось ukr-sasha 21 янв 2015, 09:17, всего редактировалось 1 раз.
Ответить

Вернуться в «Токарные станки»