Подключение драйверов к контроллеру
-
vozhik
- Новичок
- Сообщения: 16
- Зарегистрирован: 05 сен 2012, 19:34
- Репутация: 0
- Контактная информация:
Re: Подключение драйверов к контроллеру
Приветствую,не подскажет хто:космодромовский драйвер на ТА8435 на плате перемычка jp1нужна или нет,без неё моторы у меня не вращались,но по даташитам это по моему контрольный выход
-
iluy077
- Новичок
- Сообщения: 1
- Зарегистрирован: 15 мар 2015, 15:20
- Репутация: 0
- Настоящее имя: Илья
- Контактная информация:
Re: Подключение драйверов к контроллеру
Подскажите пожалуйста
купил набор 3 Axis Nema 34 Stepper Motor 1232oz-in,5.6A :
3 PCS Nema 34 Stepper Motor with 1232oz-in holding torque,
3 PCS Stepper Driver with 7.8A,80VDC, DQ860MA,
3 PCS Power Supplies for 350W,60VDC,5.8A
1 PC Breakout Board db 25 -1205
купил набор 3 Axis Nema 34 Stepper Motor 1232oz-in,5.6A :
3 PCS Nema 34 Stepper Motor with 1232oz-in holding torque,
3 PCS Stepper Driver with 7.8A,80VDC, DQ860MA,
3 PCS Power Supplies for 350W,60VDC,5.8A
1 PC Breakout Board db 25 -1205
-
tzar
- Мастер
- Сообщения: 353
- Зарегистрирован: 26 дек 2014, 23:52
- Репутация: 61
- Настоящее имя: Сергей
- Откуда: Казахстан, Караганда
- Контактная информация:
Re: Подключение драйверов к контроллеру
Твоим моторам для полного счастья 82V надо. Зачем китайцы заведомо кривые наборы продают?iluy077 писал(а):3 PCS Nema 34 Stepper Motor with 1232oz-in holding torque,
3 PCS Stepper Driver with 7.8A,80VDC, DQ860MA,
3 PCS Power Supplies for 350W,60VDC,5.8A
-
kamazoom
- Новичок
- Сообщения: 1
- Зарегистрирован: 16 мар 2015, 22:01
- Репутация: 0
- Настоящее имя: kamazoom
- Контактная информация:
Re: Подключение драйверов к контроллеру
Здравствуйте! Подскажите пожалуйста как подключить драйвер к плате интерефейса.
Вот что имеется:
Плата Драйвер Заранее благодарен!
Вот что имеется:
Плата Драйвер Заранее благодарен!
- Leonov-x
- Новичок
- Сообщения: 18
- Зарегистрирован: 25 янв 2015, 12:50
- Репутация: 2
- Настоящее имя: Леонов Игорь
- Откуда: Пятигорск
- Контактная информация:
Re: Подключение драйверов к контроллеру
ENBL-(ENB) не подключай к земле, оставь его свободным. А если ENBL вообще не включаешь, мотор становится на удержание вала?iluy077 писал(а):Подключил один двигатель по такой схеме не работает.
- Leonov-x
- Новичок
- Сообщения: 18
- Зарегистрирован: 25 янв 2015, 12:50
- Репутация: 2
- Настоящее имя: Леонов Игорь
- Откуда: Пятигорск
- Контактная информация:
Re: Подключение драйверов к контроллеру
Примерная схема подключения: ENBL+ на драйвере - разрешить работу драйвера, грубо говоря е стоп кнопка сработала, мы прекращаем подачу 5 вольт, соответственно драйвер переходит просто в решим удержания вала. Либо справа где выходы, там есть 5В туда ENBL+ и подключаешь, ENBL- обычно не к чему подключать ненужноkamazoom писал(а):Здравствуйте! Подскажите пожалуйста как подключить драйвер к плате интерефейса.
Вот что имеется:
Плата Драйвер Заранее благодарен!
-
kima
- Новичок
- Сообщения: 4
- Зарегистрирован: 13 янв 2015, 10:29
- Репутация: 2
- Настоящее имя: kima
- Контактная информация:
Re: Подключение драйверов к контроллеру
Доброго времени суток, подскажите пожалуйста я правильно подключаю ENA, STEP, DIR ? больше ничего не надо соединять с контроллера к драйверу? к компу хочу подключатся только через USB, так можно?
- Сергей Саныч
- Мастер
- Сообщения: 9116
- Зарегистрирован: 30 май 2012, 14:20
- Репутация: 2858
- Откуда: Тюмень
- Контактная информация:
Re: Подключение драйверов к контроллеру
Через USB на этот контроллер подается только питание 5В.
Всё управление - через LPT.
Всё управление - через LPT.
Чудес не бывает. Бывают фокусы.
-
kima
- Новичок
- Сообщения: 4
- Зарегистрирован: 13 янв 2015, 10:29
- Репутация: 2
- Настоящее имя: kima
- Контактная информация:
Re: Подключение драйверов к контроллеру
Спасибо, нашел видео по этому контроллеру. Может кому нибуть пригодится - https://youtu.be/2_4CD5vEYCA . Вот только на драйвере enable получается пустым, попробую так подсоединить
-
kima
- Новичок
- Сообщения: 4
- Зарегистрирован: 13 янв 2015, 10:29
- Репутация: 2
- Настоящее имя: kima
- Контактная информация:
Re: Подключение драйверов к контроллеру
Подскажите пожалуйста,
подключил все как описано выше, потом даже мануал нашел и сделал все как надо, так же в маче прописал X axis Step и DIR порты(на этом контроллере они 2 и 3 соответственно)Enable port(цифра 17, написано на контроллере), в БИОСе ставил и ECP и ECP&EPP. но все равно при нажатии на клавиши мотор стоит без движений. читал что ОС тож может влиять (у меня 7-ка 64, а мач 32битная), а еще когда запускаю DriverTest выдает - No Driver sensed installed. Run DriverTest. 5 часов парюсь этой фигней. что делать? ПОМОГИТЕ!
подключил все как описано выше, потом даже мануал нашел и сделал все как надо, так же в маче прописал X axis Step и DIR порты(на этом контроллере они 2 и 3 соответственно)Enable port(цифра 17, написано на контроллере), в БИОСе ставил и ECP и ECP&EPP. но все равно при нажатии на клавиши мотор стоит без движений. читал что ОС тож может влиять (у меня 7-ка 64, а мач 32битная), а еще когда запускаю DriverTest выдает - No Driver sensed installed. Run DriverTest. 5 часов парюсь этой фигней. что делать? ПОМОГИТЕ!
- michael-yurov
- Почётный участник

- Сообщения: 11731
- Зарегистрирован: 26 июл 2012, 00:10
- Репутация: 4703
- Настоящее имя: Михаил Львович
- Откуда: Новоуральск
- Контактная информация:
Re: Подключение драйверов к контроллеру
На X64 нельзя установить драйвер LPT от Mach3, даже если обойти защиту установки драйверов без цифровых подписей.kima писал(а):читал что ОС тож может влиять (у меня 7-ка 64, а мач 32битная), а еще когда запускаю DriverTest выдает - No Driver sensed installed. Run DriverTest. 5 часов парюсь этой фигней. что делать? ПОМОГИТЕ!
- pankinoa
- Кандидат
- Сообщения: 81
- Зарегистрирован: 05 ноя 2014, 21:42
- Репутация: 11
- Настоящее имя: Олег
- Откуда: Самара
- Контактная информация:
Re: Подключение драйверов к контроллеру
Я запутался, помогите плиз:NightV писал(а):а ты подал -5v (на gnd)
1. к GND на драйвере DM442 от БП подавать -36V или "землю"?
2. пин "G" на коммутац.плате должен быть соединен с "землей" БП и GND драйвера?
- shalek
- Почётный участник

- Сообщения: 3023
- Зарегистрирован: 25 авг 2014, 10:40
- Репутация: 2583
- Настоящее имя: Александр
- Откуда: РБ Бобруйск
- Контактная информация:
Re: Подключение драйверов к контроллеру
1.-36vpankinoa писал(а):1. к GND на драйвере DM442 от БП подавать -36V или "землю"?
2. С минусом блока питанияpankinoa писал(а):2. пин "G" на коммутац.плате должен быть соединен с "землей" БП и GND драйвера?
Если ты не можешь решить проблему, значит это не твоя проблема!
Мой канал на YouTube: YouTube
ЧПУ "Бобр" 600x500 мм
shalek64@gmail.com
Мой канал на YouTube: YouTube
ЧПУ "Бобр" 600x500 мм
shalek64@gmail.com
- pankinoa
- Кандидат
- Сообщения: 81
- Зарегистрирован: 05 ноя 2014, 21:42
- Репутация: 11
- Настоящее имя: Олег
- Откуда: Самара
- Контактная информация:
Re: Подключение драйверов к контроллеру
Дык значит все это вместе соединится?:shalek писал(а):1.-36v
2. Да
- пин "G" на коммутац.плате
- "земля" БП
- GND драйвера
- "-36V"
???
- shalek
- Почётный участник

- Сообщения: 3023
- Зарегистрирован: 25 авг 2014, 10:40
- Репутация: 2583
- Настоящее имя: Александр
- Откуда: РБ Бобруйск
- Контактная информация:
Re: Подключение драйверов к контроллеру
Вы тут так все минусы с землей перемешали, что я уже сомневаться в своем подключении начал. Хотя все чудесно работает.pankinoa писал(а):Дык значит все это вместе соединится?:shalek писал(а):1.-36v
2. Да
- пин "G" на коммутац.плате
- "земля" БП
- GND драйвера
- "-36V"
???
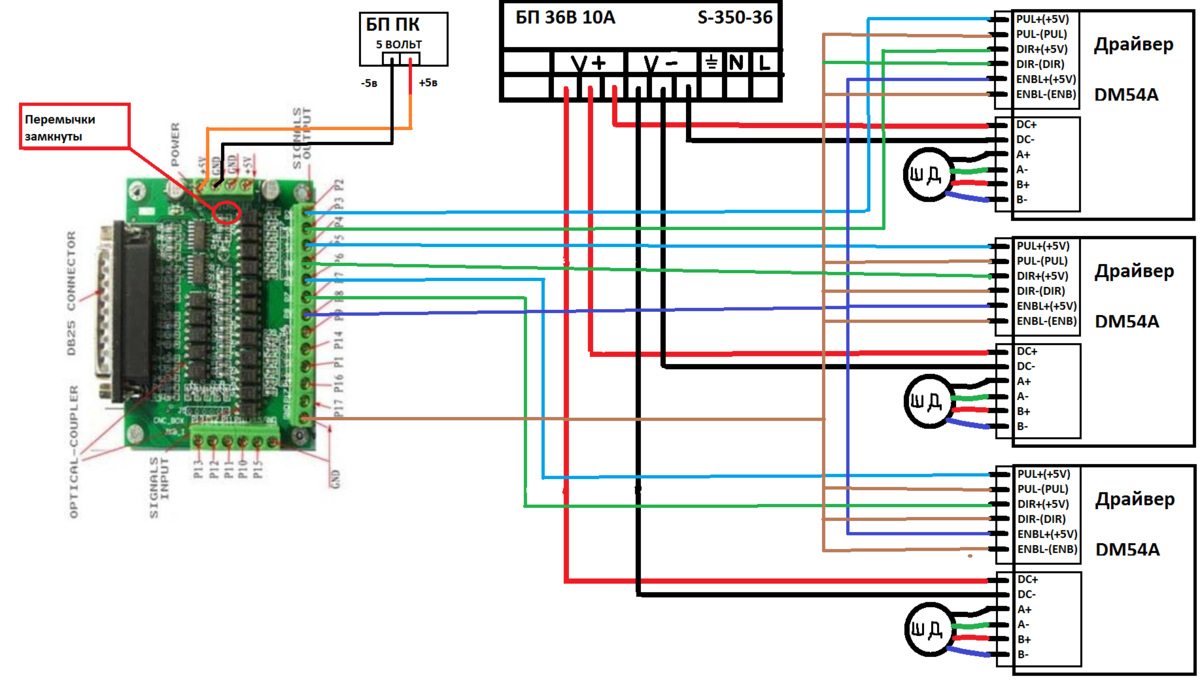
Сейчас попробую нарисовать.
Если ты не можешь решить проблему, значит это не твоя проблема!
Мой канал на YouTube: YouTube
ЧПУ "Бобр" 600x500 мм
shalek64@gmail.com
Мой канал на YouTube: YouTube
ЧПУ "Бобр" 600x500 мм
shalek64@gmail.com
- pankinoa
- Кандидат
- Сообщения: 81
- Зарегистрирован: 05 ноя 2014, 21:42
- Репутация: 11
- Настоящее имя: Олег
- Откуда: Самара
- Контактная информация:
Re: Подключение драйверов к контроллеру
упрощуshalek писал(а):все минусы с землей перемешали
- "-36V" с БП
- GND драйвера
- G комут.платы
это все одна цепь? получается на комут.плате есть +5V и -36V?
- shalek
- Почётный участник

- Сообщения: 3023
- Зарегистрирован: 25 авг 2014, 10:40
- Репутация: 2583
- Настоящее имя: Александр
- Откуда: РБ Бобруйск
- Контактная информация:
Re: Подключение драйверов к контроллеру
У меня так:
Земли в кучу я не собирал. Все находится в системном блоке на одном шасси. Поэтому где надо земля объединилась. Минус от блока питания - это не земля.
Если ты не можешь решить проблему, значит это не твоя проблема!
Мой канал на YouTube: YouTube
ЧПУ "Бобр" 600x500 мм
shalek64@gmail.com
Мой канал на YouTube: YouTube
ЧПУ "Бобр" 600x500 мм
shalek64@gmail.com
- pankinoa
- Кандидат
- Сообщения: 81
- Зарегистрирован: 05 ноя 2014, 21:42
- Репутация: 11
- Настоящее имя: Олег
- Откуда: Самара
- Контактная информация:
Re: Подключение драйверов к контроллеру
Ага, вроде так же, только ENA+ у меня вместе PUL+|DIR+.shalek писал(а):Сейчас попробую нарисовать
Александр, а GND комут.платы не соединена ни с чем?
- shalek
- Почётный участник

- Сообщения: 3023
- Зарегистрирован: 25 авг 2014, 10:40
- Репутация: 2583
- Настоящее имя: Александр
- Откуда: РБ Бобруйск
- Контактная информация:
Re: Подключение драйверов к контроллеру
ENA+ можно в Ncstudio не заводить. Проку нет.pankinoa писал(а):Ага, вроде так же, только ENA+ у меня вместе PUL+|DIR+.shalek писал(а):Сейчас попробую нарисовать
Александр, а GND комут.платы не соединена ни с чем?
GND ком. платы соединена с корпусом. У меня к ней идет провод с частотника.
5 вольт и землю на отдельно стоящий клемник на платке подавал от красного и черного проводов от блока питания компьютера.
Если ты не можешь решить проблему, значит это не твоя проблема!
Мой канал на YouTube: YouTube
ЧПУ "Бобр" 600x500 мм
shalek64@gmail.com
Мой канал на YouTube: YouTube
ЧПУ "Бобр" 600x500 мм
shalek64@gmail.com
- pankinoa
- Кандидат
- Сообщения: 81
- Зарегистрирован: 05 ноя 2014, 21:42
- Репутация: 11
- Настоящее имя: Олег
- Откуда: Самара
- Контактная информация:
Re: Подключение драйверов к контроллеру
корпус - это общая земля станка, компа, БП и т.д?shalek писал(а):GND ком. платы соединена с корпусом