Опоры чтоли крашенные? Я думал они воронёные, ну китайЗыmmg писал(а):И еще меня добило что они крашенные.
Люфт в опоре ШВП
- Predator
- Мастер
- Сообщения: 9583
- Зарегистрирован: 18 июл 2013, 18:26
- Репутация: 2531
- Контактная информация:
Re: Люфт в опоре ШВП
-
AVK74
- Почётный участник

- Сообщения: 1854
- Зарегистрирован: 02 июл 2013, 09:03
- Репутация: 335
- Откуда: Уфа
- Контактная информация:
Re: Люфт в опоре ШВП
У меня вроде вороненые, непохоже на краску.
- frezeryga
- Почётный участник

- Сообщения: 13713
- Зарегистрирован: 18 авг 2013, 16:08
- Репутация: 5069
- Откуда: Жуковский
- Контактная информация:
Re: Люфт в опоре ШВП
я пурикам выносил мозг. благо брал у них в офисе обещали радиально упорные. сразу им сказал что радиальные не интересно. разобрал в машине окуратно а там радиальные. сдал обратно сразу.
email frezeryga@yandex.ru
instagram https://www.instagram.com/frezeryga
telegram https://t.me/md_cnc_frezeryga https://t.me/frezeryga
instagram https://www.instagram.com/frezeryga
telegram https://t.me/md_cnc_frezeryga https://t.me/frezeryga
- Predator
- Мастер
- Сообщения: 9583
- Зарегистрирован: 18 июл 2013, 18:26
- Репутация: 2531
- Контактная информация:
Re: Люфт в опоре ШВП
В общем пурикам верить на слово - нельзя!frezeryga писал(а):брал у них в офисе обещали радиально упорные. сразу им сказал что радиальные не интересно. разобрал в машине окуратно а там радиальные.
- AGP
- Мастер
- Сообщения: 422
- Зарегистрирован: 03 дек 2014, 23:31
- Репутация: 187
- Настоящее имя: Артем
- Откуда: Колома,московская область
- Контактная информация:
Re: Люфт в опоре ШВП
Поменяю подшипники на радиальноупорные и все.
Как убрать зазор между обоймой и корпусом?
Локтайт?алюминиевый скотч?
Как убрать зазор между обоймой и корпусом?
Локтайт?алюминиевый скотч?
- Дрюня
- Почётный участник

- Сообщения: 2040
- Зарегистрирован: 25 ноя 2013, 00:19
- Репутация: 1504
- Настоящее имя: Андрей
- Откуда: Днепр
- Контактная информация:
Re: Люфт в опоре ШВП
Ещё прошлым летом закупил опоры ВК15 у своих продавцов, платил как за опоры с радиально упорными подшипниками. Спустя почти год пришло время их устанавливать и я их вскрыл, а там стоят радиальные подшипники. Благо продавец нормальный, прислал мне комплект радиально упорных бесплатно.
Сейчас вот выпресовал радиальные подшипники, померил всякие размеры и немного запутался.
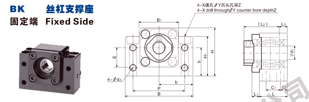
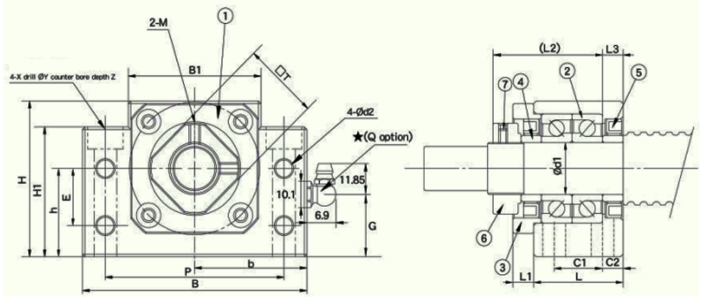
Высота пары подшипников и радиальных и радиально-упорных на 0,5 мм меньше чем высота "цилиндра" в корпусе с затянутой крышкой. То есть от осевого смещения (не люфта) держит только плотная посадка внешних обойм подшипников в корпусе и сальник установленный глубже буртика в корпусе опоры.
Меня сильно смущают схемы установки подшипников в каталогах на опоры, правильные ли они? В каталогах рисуют схему c, но получается тогда нужно ставить между внутренними обоймами дистанционное кольцо и стягивать на винте внутренние обоймы "намертво", осевой люфт же убирать регулировочными кольцами между крышкой опоры и наружной обоймой подшипника или подкладками между крышкой и самим корпусом (в зависимости от размера выступа на крышке). Но мне почему то кажется, что проще будет установить подшипники по схеме b. Поставить между наружными обоймами кольцо толщиной около 0,7 мм, закрутить крышку опоры фиксируя наружные обоймы подшипников в корпусе, а гайкой винта уже стягивать внутренние обоймы убирая люфт.
Помогите распутаться с этими схемами.
Сейчас вот выпресовал радиальные подшипники, померил всякие размеры и немного запутался.
Высота пары подшипников и радиальных и радиально-упорных на 0,5 мм меньше чем высота "цилиндра" в корпусе с затянутой крышкой. То есть от осевого смещения (не люфта) держит только плотная посадка внешних обойм подшипников в корпусе и сальник установленный глубже буртика в корпусе опоры.
Меня сильно смущают схемы установки подшипников в каталогах на опоры, правильные ли они? В каталогах рисуют схему c, но получается тогда нужно ставить между внутренними обоймами дистанционное кольцо и стягивать на винте внутренние обоймы "намертво", осевой люфт же убирать регулировочными кольцами между крышкой опоры и наружной обоймой подшипника или подкладками между крышкой и самим корпусом (в зависимости от размера выступа на крышке). Но мне почему то кажется, что проще будет установить подшипники по схеме b. Поставить между наружными обоймами кольцо толщиной около 0,7 мм, закрутить крышку опоры фиксируя наружные обоймы подшипников в корпусе, а гайкой винта уже стягивать внутренние обоймы убирая люфт.
Помогите распутаться с этими схемами.
- frezeryga
- Почётный участник

- Сообщения: 13713
- Зарегистрирован: 18 авг 2013, 16:08
- Репутация: 5069
- Откуда: Жуковский
- Контактная информация:
Re: Люфт в опоре ШВП
Ставь по схеме С подбирай кольцо между наружними обоймами для выборки люфта. А чтобы в цилиндре не болтались поставь кольцо побольше чем зазор под крышкой. Выбирать люфт гайкой неправильно.
email frezeryga@yandex.ru
instagram https://www.instagram.com/frezeryga
telegram https://t.me/md_cnc_frezeryga https://t.me/frezeryga
instagram https://www.instagram.com/frezeryga
telegram https://t.me/md_cnc_frezeryga https://t.me/frezeryga
- Дрюня
- Почётный участник

- Сообщения: 2040
- Зарегистрирован: 25 ноя 2013, 00:19
- Репутация: 1504
- Настоящее имя: Андрей
- Откуда: Днепр
- Контактная информация:
Re: Люфт в опоре ШВП
Ну вот допустим подобрал я кольцо (0,6-0,7 мм) между внешними обоймами и поставил по схеме С, наружные обоймы плотно сидят в корпусе опоры, а что будет с внутренними обоймами когда я начну гайкой фиксировать винт? Мне кажется если обоймы и не выпадут, то никакого натяга там не будет.
- Nick
- Мастер
- Сообщения: 22776
- Зарегистрирован: 23 ноя 2009, 16:45
- Репутация: 1735
- Заслуга: Developer
- Откуда: Gatchina, Saint-Petersburg distr., Russia
- Контактная информация:
Re: Люфт в опоре ШВП
По хорошему прокладки должны быть между обоими кольцами и между внутренними и между наружными. Подбирается комбинация проставок про которой есть необходимый натяг (или люфт). И затягиваешь оба кольца.
- Дрюня
- Почётный участник

- Сообщения: 2040
- Зарегистрирован: 25 ноя 2013, 00:19
- Репутация: 1504
- Настоящее имя: Андрей
- Откуда: Днепр
- Контактная информация:
Re: Люфт в опоре ШВП
Я почему то думал, что люфт выбирается гайкой на винте и для этого у гайки шлифованный торец и фиксирующий винт присутствует...
Хочется ещё мысли форумчан выслушать.
Хочется ещё мысли форумчан выслушать.
-
Darxton
- Мастер
- Сообщения: 2113
- Зарегистрирован: 17 янв 2013, 08:19
- Репутация: 623
- Контактная информация:
Re: Люфт в опоре ШВП
емнип в нормальных опорах сразу дуплекс идет. А иначе без комбинации прокладок не обойтись.
- mikehv
- Мастер
- Сообщения: 2115
- Зарегистрирован: 14 авг 2013, 10:10
- Репутация: 1175
- Откуда: Иваново
- Контактная информация:
Re: Люфт в опоре ШВП
Я просто купил и поставил дуплекс советский. Меньше всего мороки, хотя плоскошлиф свой есть и подогнать кольца не сложно. Но цена вопроса в 400 р. перевесила. Два года назад ставил. Станок работает каждый день. Люфта нет.
-
Chili
- Мастер
- Сообщения: 1277
- Зарегистрирован: 07 окт 2015, 21:38
- Репутация: 1074
- Настоящее имя: Эдуард Чилиджян
- Откуда: Таганрог
- Контактная информация:
Re: Люфт в опоре ШВП
Андрей ,проверьте еще торцы подшипников,частенько сталкивался с тем что одна из обойм стоит выше или ниже. Может случиться что и прокладки не понадобятся,а может наоборот.
- Дрюня
- Почётный участник

- Сообщения: 2040
- Зарегистрирован: 25 ноя 2013, 00:19
- Репутация: 1504
- Настоящее имя: Андрей
- Откуда: Днепр
- Контактная информация:
Re: Люфт в опоре ШВП
Проверял микрометром, все наружные обоймы выше внутренних на 0,005 мм.
-
Chili
- Мастер
- Сообщения: 1277
- Зарегистрирован: 07 окт 2015, 21:38
- Репутация: 1074
- Настоящее имя: Эдуард Чилиджян
- Откуда: Таганрог
- Контактная информация:
Re: Люфт в опоре ШВП
Андрей ,немного не так меня понял . В сборе приложи линейку на торец подшипника
- Дрюня
- Почётный участник

- Сообщения: 2040
- Зарегистрирован: 25 ноя 2013, 00:19
- Репутация: 1504
- Настоящее имя: Андрей
- Откуда: Днепр
- Контактная информация:
Re: Люфт в опоре ШВП
Как ни странно, но подшипники одинаковые. 
-
Chili
- Мастер
- Сообщения: 1277
- Зарегистрирован: 07 окт 2015, 21:38
- Репутация: 1074
- Настоящее имя: Эдуард Чилиджян
- Откуда: Таганрог
- Контактная информация:
Re: Люфт в опоре ШВП
Это я так ,на всякий случай 
- Карабас
- Мастер
- Сообщения: 1862
- Зарегистрирован: 02 мар 2016, 06:53
- Репутация: 690
- Контактная информация:
Re: Люфт в опоре ШВП
http://web-mechanic.ru/category/podshipniki
Мож это поможет.
Мож это поможет.
Если на минусы жизни смотреть сквозь поднятый средний палец, то они становятся плюсами.
-
atomichammer
- Опытный
- Сообщения: 136
- Зарегистрирован: 20 янв 2017, 13:10
- Репутация: 7
- Настоящее имя: Anton
- Откуда: Алматы
- Контактная информация:
Re: Люфт в опоре ШВП
Придется занекропостить
Так к чему пришли-то? Как ставить подшипники?В моем случае ШВП длиной ~1300 разделана под гайки с обоих концов и есть три радиально-упорных подшипника NSK 7201A и один 7201B. По какой схеме мне их поставить, подскажите.
-
atomichammer
- Опытный
- Сообщения: 136
- Зарегистрирован: 20 янв 2017, 13:10
- Репутация: 7
- Настоящее имя: Anton
- Откуда: Алматы
- Контактная информация:
Re: Люфт в опоре ШВП
Поставил тандемом, мордами к гайке ШВП, Осевой люфт ушел. Что и требовалось.

