Лазеры. Устройство, принципы работы.
Re: Лазеры. Устройство, принципы работы.
После стержня реально получится загнать только в толстое волокно 200мкм и более или в тонкое, но с потерей мощности.
DPSS это тот тип лазеров, с которым пока ничего путного не получилось - на все время не хватает. Недавно к моей огромной радости сняли с эксплуатации у нас последний YAG c ламповой накачкой. Места стало больше, а гимора заметно меньше. Отдали студентам. Пускай теперь они вокруг него пляшут.
DPSS это тот тип лазеров, с которым пока ничего путного не получилось - на все время не хватает. Недавно к моей огромной радости сняли с эксплуатации у нас последний YAG c ламповой накачкой. Места стало больше, а гимора заметно меньше. Отдали студентам. Пускай теперь они вокруг него пляшут.
- nERV
- Мастер
- Сообщения: 1519
- Зарегистрирован: 27 сен 2013, 19:00
- Репутация: 624
- Настоящее имя: Александр
- Откуда: Ульяновск
- Контактная информация:
Re: Лазеры. Устройство, принципы работы.
А так ли необходимо загонять излучение в волокно? Если мы имеем небольшой излучатель, то проще его навесить непосредственно на исполнительный механизм.
Теперь про "плоскопараллельность"
Для эффективной работы лазера он должен быть соответствующим образом настроен. Зеркала должны быть параллельны, оптическая ось активного элемента должна быть параллельна нормали зеркал.
Непараллельность зеркал чем меньше, тем лучше. Обычно, для хорошей работы лазера отклонения зеркал не должны превышать значения 5-10 угловых секунд. Также все еще зависит от расстояния между зеркалами. Чем короче резонатор, тем большее отклонение зеркал допускается, но тем хуже качество пучка, тем легче его настроить(или сложнее, если требуется хорошее качество пучка).
Подробнее можно почитать у Звелто, "Принципы лазеров".
Зеркала резонатора обычно крепят на подвижные основания, которые в свою очередь обеспечивают надежное и точное крепление зеркал, а также имеют возможность точного поворота зеркал для установки их параллельно друг другу.
Вот несколько таких устройств: Как известно, плоскость можно задать несколькими методами, например тремя точками, точкой и прямой.
Обычно применяют метод трех точек. Зеркало крепится к одной части стойки, которая подвижно связана с основанием и притянута к нему пружинами. Регулировка положения происходит либо тремя винтами, либо двумя, третий винт не меняет своего положения. Некоторые устройства позволяют поворачивать зеркало вокруг его оптической оси, для установки нового, "чистого" места зеркала взамен прогоревшего. Для настройки параллельности зеркал имеется несколько методов. Самый простой - с помощью автоколлиматора. Если этот прибор у вас есть и вы умеете им пользоваться, то все просто замечательно. У меня такого прибора нет, к сожалению, я пользуюсь "наколеночным" методом.
Итак, для настройки резонатора нам потребуется несколько предметов и приспособ:
Лазерная указка малой мощности, либо гелий-неоновый лазер. Кусок фольги, лист плотного картона. Пластилин/изолента/что-то еще
Теперь про "плоскопараллельность"
Для эффективной работы лазера он должен быть соответствующим образом настроен. Зеркала должны быть параллельны, оптическая ось активного элемента должна быть параллельна нормали зеркал.
Непараллельность зеркал чем меньше, тем лучше. Обычно, для хорошей работы лазера отклонения зеркал не должны превышать значения 5-10 угловых секунд. Также все еще зависит от расстояния между зеркалами. Чем короче резонатор, тем большее отклонение зеркал допускается, но тем хуже качество пучка, тем легче его настроить(или сложнее, если требуется хорошее качество пучка).
Подробнее можно почитать у Звелто, "Принципы лазеров".
Зеркала резонатора обычно крепят на подвижные основания, которые в свою очередь обеспечивают надежное и точное крепление зеркал, а также имеют возможность точного поворота зеркал для установки их параллельно друг другу.
Вот несколько таких устройств: Как известно, плоскость можно задать несколькими методами, например тремя точками, точкой и прямой.
Обычно применяют метод трех точек. Зеркало крепится к одной части стойки, которая подвижно связана с основанием и притянута к нему пружинами. Регулировка положения происходит либо тремя винтами, либо двумя, третий винт не меняет своего положения. Некоторые устройства позволяют поворачивать зеркало вокруг его оптической оси, для установки нового, "чистого" места зеркала взамен прогоревшего. Для настройки параллельности зеркал имеется несколько методов. Самый простой - с помощью автоколлиматора. Если этот прибор у вас есть и вы умеете им пользоваться, то все просто замечательно. У меня такого прибора нет, к сожалению, я пользуюсь "наколеночным" методом.
Итак, для настройки резонатора нам потребуется несколько предметов и приспособ:
Лазерная указка малой мощности, либо гелий-неоновый лазер. Кусок фольги, лист плотного картона. Пластилин/изолента/что-то еще
Re: Лазеры. Устройство, принципы работы.
Теоретически да. Практически такой вариант годится для неподвижного лазера висящего над крестовым столом. Делать подвижным сам лазер не стоит - растрясет юстировку на коротких переходах. Основание лазера желательно делать гранитное, что не есть хорошо для подвижных частей. Чугунные оптические скамьи слишком сильно крутит и гнет при изменении температуры в помещении. Летающая оптика плоха тем, что излучение после телескопа имеет остаточную расходимость, плюс луч не всегда удается поставить строго параллельно оси. Такой вариант годится для гравировщика с диафрагмой перед объективом или для грубого резака. Можно поставить подвижное контзеркалоnERV писал(а):А так ли необходимо загонять излучение в волокно? Если мы имеем небольшой излучатель, то проще его навесить непосредственно на исполнительный механизм.
что бы длина оптического пути всегда была одинаковая, как у древнего станка LPKF , но это усложняет конструкцию.
Re: Лазеры. Устройство, принципы работы.
Однозначно гелий-неоновый, причем не отечественный. Очень нравятся Mellis griot.nERV писал(а): либо гелий-неоновый лазер
Наши ЛГН дают по 3- 4 точки.
- nERV
- Мастер
- Сообщения: 1519
- Зарегистрирован: 27 сен 2013, 19:00
- Репутация: 624
- Настоящее имя: Александр
- Откуда: Ульяновск
- Контактная информация:
Re: Лазеры. Устройство, принципы работы.
К примеру, есть у нас такой квантрон заводской сборки, К104Г называется.
Нам очень захотелось сделать лазерный излучатель на его основе. Сделали.
Теперь надобно настроить резонатор, делаем это с помощью такого метода.
Ставим лист картона-экран, на нем будет наблюдать "зайчики" от разных элементов излучателя. В экране напротив выходного окошка указки делаем отверстие, через него будет проходить луч.
На выход указки клеим кусочек фольги, делаем в нем острием иглы очень маленькое отверстие, чтоб выходящий пучок имел вид концентрических колец на экране. "Продеваем" луч лазера сквозь излучатель, через все зеркала и АЭ
На изображении показана картина полностью разъюстированного лазера. Теперь перемещая элементы излучателя добиваемся чтобы все отражения сошлись в одну точку - отверстие в экране. Отражения от торцов АЭ скорее всего свести в одну точку не удастся, но стоит постараться
Расстояние от излучателя до экрана выбираем большое, метра три-пять. Но не слишком большое, иначе юстировочный луч будет иметь очень большой диаметр, что сильно затруднит настройку.
Такой метод позволяет довольно грубо настроить резонатор, но генерации мы добъемся. Дальнейшую настройку следует производить при работающем лазере, добиться равномерного круглого пятна от импульса лазера на мишени. Если есть устройство контроля выходных параметров лазера (измеритель энергии/мощности, к примеру), то можно ориентироваться на его показания. Хотя, если у вас есть такое устройство, то как настроить резонатор вы скорее всего в курсе
Это довольно увлекательное занятие в первый раз может занять два-три и более часов. С опытом получается уложиться за пару минут.
На выход указки клеим кусочек фольги, делаем в нем острием иглы очень маленькое отверстие, чтоб выходящий пучок имел вид концентрических колец на экране. "Продеваем" луч лазера сквозь излучатель, через все зеркала и АЭ
На изображении показана картина полностью разъюстированного лазера. Теперь перемещая элементы излучателя добиваемся чтобы все отражения сошлись в одну точку - отверстие в экране. Отражения от торцов АЭ скорее всего свести в одну точку не удастся, но стоит постараться
Расстояние от излучателя до экрана выбираем большое, метра три-пять. Но не слишком большое, иначе юстировочный луч будет иметь очень большой диаметр, что сильно затруднит настройку.
Такой метод позволяет довольно грубо настроить резонатор, но генерации мы добъемся. Дальнейшую настройку следует производить при работающем лазере, добиться равномерного круглого пятна от импульса лазера на мишени. Если есть устройство контроля выходных параметров лазера (измеритель энергии/мощности, к примеру), то можно ориентироваться на его показания. Хотя, если у вас есть такое устройство, то как настроить резонатор вы скорее всего в курсе
Это довольно увлекательное занятие в первый раз может занять два-три и более часов. С опытом получается уложиться за пару минут.
Последний раз редактировалось nERV 10 ноя 2013, 17:31, всего редактировалось 1 раз.
Re: Лазеры. Устройство, принципы работы.
Какой тип резонатора будет устойчивый или нет? Лазер импульсный или квазинепрерывный? Расстояние между зеркалами маловато. Ни затвор поставить, ни диафрагму некуда.
- nERV
- Мастер
- Сообщения: 1519
- Зарегистрирован: 27 сен 2013, 19:00
- Репутация: 624
- Настоящее имя: Александр
- Откуда: Ульяновск
- Контактная информация:
Re: Лазеры. Устройство, принципы работы.
Не правда ваша, мой ЛГН-208 дает две точкиdpss писал(а):Однозначно гелий-неоновый, причем не отечественный. Очень нравятся Mellis griot.
Наши ЛГН дают по 3- 4 точки.
Хорошие штуки стоят дорого, не в каждой лазерной конторе есть хорошие гелий-неонники.
Последний раз редактировалось nERV 10 ноя 2013, 17:26, всего редактировалось 1 раз.
- nERV
- Мастер
- Сообщения: 1519
- Зарегистрирован: 27 сен 2013, 19:00
- Репутация: 624
- Настоящее имя: Александр
- Откуда: Ульяновск
- Контактная информация:
Re: Лазеры. Устройство, принципы работы.
Неустойчивый, квазинепрерывный. Ни затвора ни диафрагмы не планировалось. Да и нет уже этого лазера у меня.dpss писал(а):Какой тип резонатора будет устойчивый или нет? Лазер импульсный или квазинепрерывный? Расстояние между зеркалами маловато. Ни затвор поставить, ни диафрагму некуда.
-
aftaev
- Зачётный участник

- Сообщения: 34042
- Зарегистрирован: 04 апр 2010, 19:22
- Репутация: 6194
- Откуда: Казахстан.
- Контактная информация:
Re: Лазеры. Устройство, принципы работы.
у них не только лампы, но и зеркала горятnERV писал(а):для установки нового, "чистого" места зеркала взамен прогоревшего.
Дилетанту сложные вещи кажутся очень простыми, и только профессионал понимает насколько сложна самая простая вещь
Кто хочет - ищет возможности, кто не хочет - ищет оправдание.
Найди работу по душе и тебе не придется работать.
Кто хочет - ищет возможности, кто не хочет - ищет оправдание.
Найди работу по душе и тебе не придется работать.
- nERV
- Мастер
- Сообщения: 1519
- Зарегистрирован: 27 сен 2013, 19:00
- Репутация: 624
- Настоящее имя: Александр
- Откуда: Ульяновск
- Контактная информация:
Re: Лазеры. Устройство, принципы работы.
Не только. Горят еще и торцы активных элементов, ровно как и отражатели в квантроне. 
Re: Лазеры. Устройство, принципы работы.
Слишком много пятен видно сразу при таком методе. Я делал по другому. В первую очередь строится выходное зеркало. Кроме него больше ничего в резонаторе нет. Оно строится один раз и больше никогда не трогается. Потом ставится квантрон и строятся зайчики от передней и задней грани и одновременно следим что бы луч был по центру стержня на обоих концах квантрона. Заднее зеркало ставится в последнюю очередь и настраивается уже при работающем лазере по мощности и модам.
Re: Лазеры. Устройство, принципы работы.
nERV писал(а):Это довольно увлекательное занятие в первый раз может занять два-три и более часов. С опытом получается уложиться за пару минут.
Гыы... Я свой первый ламповый резонатор 2 недели запускал безрезультатно лет 15 назад. Пришлось вызывать "тяжелую артиллерию" в виде двух дедков из "Плюса" Зато потом строил их как автомат Калашникова с закрытыми глазами на время. Но это все в прошлом. Везде стоит волокно. Почти как в старой рекламе "мы сидим, а денежки идут..."
-
romanru1
- Мастер
- Сообщения: 584
- Зарегистрирован: 22 фев 2013, 22:31
- Репутация: 177
- Откуда: Первоуральск
- Контактная информация:
Re: Лазеры. Устройство, принципы работы.
А какова мощность лазера такого ?nERV писал(а):Нам очень захотелось сделать лазерный излучатель на его основе. Сделали.
Сколько kV блок питания ?
— Мы месяц по Галактике «маму» попоём — и планета у нас в кармане.
- nERV
- Мастер
- Сообщения: 1519
- Зарегистрирован: 27 сен 2013, 19:00
- Репутация: 624
- Настоящее имя: Александр
- Откуда: Ульяновск
- Контактная информация:
Re: Лазеры. Устройство, принципы работы.
Да, но есть особенностьdpss писал(а):Слишком много пятен видно сразу при таком методе.
Это чудно. Но жутко дорого. А самостоятельно собрать волоконник стоит чуть дешевле, но тоже очень дорого. Я на такое даже не замахивался.dpss писал(а):Везде стоит волокно
В К104Г стоит импульсная лампа ИНП1-5/60. У нее средняя мощность 2квт, максимальная энергия в импульсе по паспорту 60дж. 2квт это 2000дж в секунду. Делим, получается что на энергии 60дж имеем частоту 33гц. Пусть лазер у нас хорошо настроен, мы снимаем с него по 3дж за импульс (кпд 5%). Помножаем 3дж на 33гц получаем 100вт средней мощности лазерного излучения.romanru1 писал(а):А какова мощность лазера такого
Номинальное напряжение питания этой лампы 0.6-1.7кВ.
- nERV
- Мастер
- Сообщения: 1519
- Зарегистрирован: 27 сен 2013, 19:00
- Репутация: 624
- Настоящее имя: Александр
- Откуда: Ульяновск
- Контактная информация:
Re: Лазеры. Устройство, принципы работы.
Теперь немного про блоки питания ламповых лазеров.
Для начала рекомендую ознакомиться с книжкой Вакуленко "Источники питания лазеров". Она старая, но там довольно хорошо описаны сами принципы.
Для импульсного лазера блок питания будет иметь следующие блоки:
1.источник напряжения(блок зарядки)
2.конденсаторная батарея
3.блок поджига
опционально:
4.блок дежурной дуги
5.блок коммутации
Для непрерывного лазера будет такой набор:
1. источник тока
3. блок поджига
Немного подробнее.
1. Источник тока и источник напряжения - это основные поставщики энергии для лазера. В самом простом случае можно применить железные 50гц трансформаторы с соответствующей обвязкой и соответствующей мощности. Это будет простое, но самое большое, в плане веса и габаритов решение. Представьте себе трансформатор на 2-3-10кВт. Также использование трансформаторов накладывает определенные ограничения. Например, если напрямую через выпрямитель заряжать батарею конденсаторов, то частоты импульсов лазера более 50гц у нас развить не получится.
Современные достижения в области электроники уже давно(лет 20 как) позволяют изготовить компактные и мощные импульсные источники питания, их и стоит применять для питания лазеров, да и недостатков у них гораздо меньше.
ИТ и ИН это идеальные устройства, таких в жизни не существует. Но нам идеального и не надо, поэтому можно подобрать устройства по некоторым требованиям.
Для импульсного лазера требуется источник, который будет успевать заряжать батарею конденсаторов до требуемого напряжения(до требуемой энергии) за время, которое не превосходит время паузы между импульсами.
Например, тот же лазер с К104Г. Для использования полного потенциала лампы мы можем вдувать в нее энергию 60дж с частотой 30гц.
Типичное время вспышки лампы ~500мкс, бывает и более, вплоть до 0.1с.
Длительность пауз между вспышками чуть менее чем 0.03с, за это время нужно перезарядить конденсатор. Получаем 60дж/0.03с= 2000вт. Но лучше взять запас по мощности, ее много не бывает.
Для непрерывного лазера требуется источник питания с падающей ВАХ, почти что сварочный аппарат. Рабочее напряжение дуговых ламп лежит в пределах 30-60-200в, ток 10-100А.
Напряжение в момент зажигания лампы должно быть в предела 0.5-1 киловольта, иначе дуга не подхватится после срабатывания блока поджига. После зажигания дуги оно должно упасть до рабочего значения.
2. Батарея конденсаторов должна вмещать в себя необходимое количество энергии и быть способна отдавать большой разрядный ток. Для этих целей применяют специальные импульсные конденсаторы с током разрядки на КЗ 1-150 тысяч ампер.
Например, из отечественных это К75-40, примерно 4000А при напряжении 3кВ
К41И7, 120 тысяч ампер при напряжении 5 кВ.
Если в доступности нет хороших, да и плохих тоже, импульсных конденсаторов, можно собрать батарею из доступных конденсаторов. Ставить множестово конденсаторов небольшой емкости параллельно, тогда их токи суммируются и общий ток батареи получится довольно большим. Такая батарея будет хуже, но на безрыбье...
Так как лазер у нас работает с относительно небольшой энергией накачки и в периодическом режиме, то нет смысла ставить большую батарею. 1-4шт конденсаторов много места не займут.
Для начала рекомендую ознакомиться с книжкой Вакуленко "Источники питания лазеров". Она старая, но там довольно хорошо описаны сами принципы.
Для импульсного лазера блок питания будет иметь следующие блоки:
1.источник напряжения(блок зарядки)
2.конденсаторная батарея
3.блок поджига
опционально:
4.блок дежурной дуги
5.блок коммутации
Для непрерывного лазера будет такой набор:
1. источник тока
3. блок поджига
Немного подробнее.
1. Источник тока и источник напряжения - это основные поставщики энергии для лазера. В самом простом случае можно применить железные 50гц трансформаторы с соответствующей обвязкой и соответствующей мощности. Это будет простое, но самое большое, в плане веса и габаритов решение. Представьте себе трансформатор на 2-3-10кВт. Также использование трансформаторов накладывает определенные ограничения. Например, если напрямую через выпрямитель заряжать батарею конденсаторов, то частоты импульсов лазера более 50гц у нас развить не получится.
Современные достижения в области электроники уже давно(лет 20 как) позволяют изготовить компактные и мощные импульсные источники питания, их и стоит применять для питания лазеров, да и недостатков у них гораздо меньше.
ИТ и ИН это идеальные устройства, таких в жизни не существует. Но нам идеального и не надо, поэтому можно подобрать устройства по некоторым требованиям.
Для импульсного лазера требуется источник, который будет успевать заряжать батарею конденсаторов до требуемого напряжения(до требуемой энергии) за время, которое не превосходит время паузы между импульсами.
Например, тот же лазер с К104Г. Для использования полного потенциала лампы мы можем вдувать в нее энергию 60дж с частотой 30гц.
Типичное время вспышки лампы ~500мкс, бывает и более, вплоть до 0.1с.
Длительность пауз между вспышками чуть менее чем 0.03с, за это время нужно перезарядить конденсатор. Получаем 60дж/0.03с= 2000вт. Но лучше взять запас по мощности, ее много не бывает.
Для непрерывного лазера требуется источник питания с падающей ВАХ, почти что сварочный аппарат. Рабочее напряжение дуговых ламп лежит в пределах 30-60-200в, ток 10-100А.
Напряжение в момент зажигания лампы должно быть в предела 0.5-1 киловольта, иначе дуга не подхватится после срабатывания блока поджига. После зажигания дуги оно должно упасть до рабочего значения.
2. Батарея конденсаторов должна вмещать в себя необходимое количество энергии и быть способна отдавать большой разрядный ток. Для этих целей применяют специальные импульсные конденсаторы с током разрядки на КЗ 1-150 тысяч ампер.
Например, из отечественных это К75-40, примерно 4000А при напряжении 3кВ
К41И7, 120 тысяч ампер при напряжении 5 кВ.
Если в доступности нет хороших, да и плохих тоже, импульсных конденсаторов, можно собрать батарею из доступных конденсаторов. Ставить множестово конденсаторов небольшой емкости параллельно, тогда их токи суммируются и общий ток батареи получится довольно большим. Такая батарея будет хуже, но на безрыбье...
Так как лазер у нас работает с относительно небольшой энергией накачки и в периодическом режиме, то нет смысла ставить большую батарею. 1-4шт конденсаторов много места не займут.
- nERV
- Мастер
- Сообщения: 1519
- Зарегистрирован: 27 сен 2013, 19:00
- Репутация: 624
- Настоящее имя: Александр
- Откуда: Ульяновск
- Контактная информация:
Re: Лазеры. Устройство, принципы работы.
В вот так выглядит разряд импульсных конденсаторов на низкоомную нагрузку. Как видно, нагрузка прекращает свое существование за тысячные доли секунды
https://www.youtube.com/watch?v=fOFYFWPIGRw
3. Блок поджига.
Это устройство практически одинаково для импульсного и для непрерывного лампового лазера.
Газоразрядная лампа в холодном состоянии имеет очень большое сопротивление, прикладывание напряжения, даже очень высокого, к ее контактам не произведет никакого эффекта. Для приведения лампы в проводящее состояние ее необходимо поджечь. Это можно сделать множеством методов. Например, приложить к контактам лампы очень высокое постоянное напряжение, порядка 20-40кВ, в зависимости от габаритов лампы и давления газа. Можно облучить лампу мощным рентгеновским импульсом
Или подвергнуть ее мощному высокочастотному электромагнитному облучению (СВЧ).
На практике такие методы не применяют, или же применяют очень редко.
Для поджига ламп очень эффективен метод, сочетающий в себе высокое напряжение и высокие частоты. Тогда частоты требуются не такие уж и большие, напряжение тоже. Напряжение требуется порядка 10-18кВ, необходимая частота образуется автоматически
Схемы устройств же могут отличаться, в зависимости от надобностей и конструкции лазера.
Очень часто применяют т.н. "последовательное зажигание".
Исходя из названия, там что-то с чем-то соединено последовательно
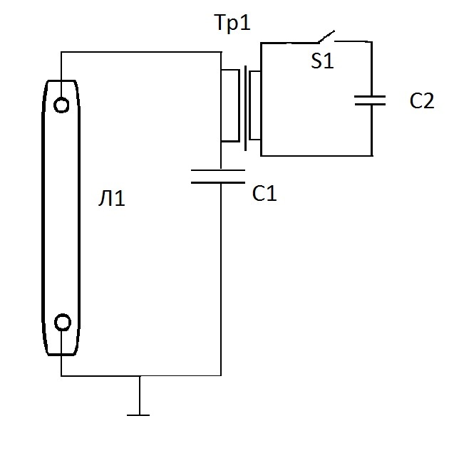
А именно, поджигающий трансформатор соединен последовательно с лампой и боевым конденсатором, образуя с ними единый контур. Индуктивность трансформатора принимает непосредственное участие в формировании импульса разрядного тока. Если же ее недостаточно, то в в разрядный контур вносят дополнительную индуктивность (дроссель)
Схема довольно проста и надежна как танк. Вторичная обмотка трансформатора ТР1 включена последовательно в разрядный контур. На первичную обмотку коммутируется небольшой конденсатор, заряженный до 300-2000в. Т.к. емкость конденсатора и индуктивность первичной обмотки очень мала, то в контуре ТР1-С2 возникают затухающие высокочастотные колебания, которые передаются во вторичную обмотку посредством магнитной связи трансформатора. Исходя из типичного коэффициента трансформации 1:15-1:30, выходное напряжение будет достаточным для создания в лампе ионизированного проводящего канала.
В зависимости от лампы, трансформатор имеет такие характеристики:
Первичная обмотка 1-2 витка. Чаще всего это просто провод, продетый через магнитопровод.
Вторичная обмотка имеет 15-30витков провода, способного выдержать полный рабочий ток (дуговой) лампы, либо средний ток через импульсную лампу. Чем толще, тем лучше (в разумных пределах).
Магнитопровод обычно изготавливается из ферритового кольца. Отлично подходит феррит с проницаемостью 600-3000 НМ или НН отечественного производства, да и любой силовой феррит импортного производства. Например N87 от эпкос. Размер кольца стоит выбирать исходя из габаритов обмоток и изоляции.
Про изоляцию отдельный разговор. Чтобы трансформатор получился надежным, вторичную обмотку мотаю в один слой, так, чтобы начало и конец обмотки ложились на кольцо на некотором расстоянии друг от друга, не перехлестывались. Сердечник следует изолировать очень тщательно. Для пущей надежности готовый трансформатор обычно заливается диэлектриком. Первичной обмоткой такого трансформатора служит крепежный болт, проходящий через центр кольца.
Такой метод не лишен некоторых недостатков, но очень популярен в конструкциях БП ламповых лазеров.
Например, трансформатор довольно сложен в изготовлении, громоздок и требует значительного количества различных материалов.
https://www.youtube.com/watch?v=fOFYFWPIGRw
3. Блок поджига.
Это устройство практически одинаково для импульсного и для непрерывного лампового лазера.
Газоразрядная лампа в холодном состоянии имеет очень большое сопротивление, прикладывание напряжения, даже очень высокого, к ее контактам не произведет никакого эффекта. Для приведения лампы в проводящее состояние ее необходимо поджечь. Это можно сделать множеством методов. Например, приложить к контактам лампы очень высокое постоянное напряжение, порядка 20-40кВ, в зависимости от габаритов лампы и давления газа. Можно облучить лампу мощным рентгеновским импульсом
На практике такие методы не применяют, или же применяют очень редко.
Для поджига ламп очень эффективен метод, сочетающий в себе высокое напряжение и высокие частоты. Тогда частоты требуются не такие уж и большие, напряжение тоже. Напряжение требуется порядка 10-18кВ, необходимая частота образуется автоматически
Схемы устройств же могут отличаться, в зависимости от надобностей и конструкции лазера.
Очень часто применяют т.н. "последовательное зажигание".
Исходя из названия, там что-то с чем-то соединено последовательно
В зависимости от лампы, трансформатор имеет такие характеристики:
Первичная обмотка 1-2 витка. Чаще всего это просто провод, продетый через магнитопровод.
Вторичная обмотка имеет 15-30витков провода, способного выдержать полный рабочий ток (дуговой) лампы, либо средний ток через импульсную лампу. Чем толще, тем лучше (в разумных пределах).
Магнитопровод обычно изготавливается из ферритового кольца. Отлично подходит феррит с проницаемостью 600-3000 НМ или НН отечественного производства, да и любой силовой феррит импортного производства. Например N87 от эпкос. Размер кольца стоит выбирать исходя из габаритов обмоток и изоляции.
Про изоляцию отдельный разговор. Чтобы трансформатор получился надежным, вторичную обмотку мотаю в один слой, так, чтобы начало и конец обмотки ложились на кольцо на некотором расстоянии друг от друга, не перехлестывались. Сердечник следует изолировать очень тщательно. Для пущей надежности готовый трансформатор обычно заливается диэлектриком. Первичной обмоткой такого трансформатора служит крепежный болт, проходящий через центр кольца.
Такой метод не лишен некоторых недостатков, но очень популярен в конструкциях БП ламповых лазеров.
Например, трансформатор довольно сложен в изготовлении, громоздок и требует значительного количества различных материалов.
Последний раз редактировалось nERV 11 ноя 2013, 22:54, всего редактировалось 2 раза.
- nERV
- Мастер
- Сообщения: 1519
- Зарегистрирован: 27 сен 2013, 19:00
- Репутация: 624
- Настоящее имя: Александр
- Откуда: Ульяновск
- Контактная информация:
Re: Лазеры. Устройство, принципы работы.
Как пример конструкции блока последовательного поджига могу показать такое устройство.
Это заводской блок поджига лазерной установки ЛТН-102А/103
А это устройство собрано мною для использования с различными лазерами на основе заводского блока. Собственно от него применен только трансформатор и текстолитовое основание. Основа конструкции - поджигающий трансформатор промышленного изготовления ТИС-5. Также имеется повышающий сетевой трансформатор 220/2000в 50гц, разрядник Р-24 в качестве коммутирующего элемента и платка-генератор на ne555. Устройство выдает импульсы поджига с регулируемой частотой 5-20гц.
https://www.youtube.com/watch?v=l0D3UTtvSec
Еще одно устройство собранное мною, более компактное но менее функциональное. Запускается вручную, кнопкой.
Предназначено для теста маленьких лазеров, но как оказалось, большие лампы типа ИФП-800 или ИНП3-7/120 ему тоже по зубам.
https://www.youtube.com/watch?v=_zQXqpJvObk
А это устройство собрано мною для использования с различными лазерами на основе заводского блока. Собственно от него применен только трансформатор и текстолитовое основание. Основа конструкции - поджигающий трансформатор промышленного изготовления ТИС-5. Также имеется повышающий сетевой трансформатор 220/2000в 50гц, разрядник Р-24 в качестве коммутирующего элемента и платка-генератор на ne555. Устройство выдает импульсы поджига с регулируемой частотой 5-20гц.
https://www.youtube.com/watch?v=l0D3UTtvSec
Еще одно устройство собранное мною, более компактное но менее функциональное. Запускается вручную, кнопкой.
Предназначено для теста маленьких лазеров, но как оказалось, большие лампы типа ИФП-800 или ИНП3-7/120 ему тоже по зубам.
https://www.youtube.com/watch?v=_zQXqpJvObk
Последний раз редактировалось nERV 11 ноя 2013, 23:12, всего редактировалось 1 раз.
- nERV
- Мастер
- Сообщения: 1519
- Зарегистрирован: 27 сен 2013, 19:00
- Репутация: 624
- Настоящее имя: Александр
- Откуда: Ульяновск
- Контактная информация:
Re: Лазеры. Устройство, принципы работы.
Еще один способ создания проводящего канала в лампе - поджиг с помощью вспомогательного электрода.
Такой метод инициации разряда в лампе очень часто можно увидеть в фотовспышке, там поджигающие импульсы подаются на электрод, расположенный на внешней части баллона лампы. Работает это так, высоковольтный и высокочастотный импульс от трансформатора создает емкостной ток, который "бежит" через емкость электрод-емкость лампы-электрод лампы.
Как мы знаем из курса школьной физики, через конденсатор может протекать пременный ток. И соответственно, два любых незамкнутых проводника можно рассматривать как конденсатор.
Т.е. в нашем случае ток идет буквально ЧЕРЕЗ стекло колбы не повреждая его и возбуждает емкостной разряд в газе, который и замыкает электроды лампы.
Этот метод очень прост, трансформатор очень компактный, изготавливается просто.
Но он не лишен некоторых недостатков. Например, лампа стоит в квантроне, а охлаждается он водой, да и прикручен к металлическому основанию.
Не хотел бы Я прикасаться к такому лазеру в момент запуска
Применяется обычно в небольших лазерах не технологической направленности. Медицина, дальномеры, еще кое-какие спецприменения. Либо в БП с устройствами дежурной дуги, о которых расскажу позже.
Такой метод инициации разряда в лампе очень часто можно увидеть в фотовспышке, там поджигающие импульсы подаются на электрод, расположенный на внешней части баллона лампы. Работает это так, высоковольтный и высокочастотный импульс от трансформатора создает емкостной ток, который "бежит" через емкость электрод-емкость лампы-электрод лампы.
Как мы знаем из курса школьной физики, через конденсатор может протекать пременный ток. И соответственно, два любых незамкнутых проводника можно рассматривать как конденсатор.
Т.е. в нашем случае ток идет буквально ЧЕРЕЗ стекло колбы не повреждая его и возбуждает емкостной разряд в газе, который и замыкает электроды лампы.
Этот метод очень прост, трансформатор очень компактный, изготавливается просто.
Но он не лишен некоторых недостатков. Например, лампа стоит в квантроне, а охлаждается он водой, да и прикручен к металлическому основанию.
Не хотел бы Я прикасаться к такому лазеру в момент запуска
Применяется обычно в небольших лазерах не технологической направленности. Медицина, дальномеры, еще кое-какие спецприменения. Либо в БП с устройствами дежурной дуги, о которых расскажу позже.
Последний раз редактировалось nERV 11 ноя 2013, 23:18, всего редактировалось 3 раза.
- ukr-sasha
- Мастер
- Сообщения: 3401
- Зарегистрирован: 21 мар 2011, 07:47
- Репутация: 2181
- Настоящее имя: Украинец Александр Григорьевич
- Откуда: Киев, Украина
- Контактная информация:
Re: Лазеры. Устройство, принципы работы.
Спасибо nERV.
Очень интересная тема. Не встречал еще в одном месте столько информации по теме лазеров и таким доступным языком.
Надеюсь вам хватит сил и энергии довести повествование до логического конца.
Очень интересная тема. Не встречал еще в одном месте столько информации по теме лазеров и таким доступным языком.
Надеюсь вам хватит сил и энергии довести повествование до логического конца.
- nERV
- Мастер
- Сообщения: 1519
- Зарегистрирован: 27 сен 2013, 19:00
- Репутация: 624
- Настоящее имя: Александр
- Откуда: Ульяновск
- Контактная информация:
Re: Лазеры. Устройство, принципы работы.
На сегодня все
Спать пойду.