Бюджетный ЧПУ 1150х660мм с пос. модернизацией до 2250х1650
-
vovacom
- Новичок
- Сообщения: 9
- Зарегистрирован: 23 янв 2015, 19:34
- Репутация: 1
- Контактная информация:
Re: Бюджетный ЧПУ 1150х660мм с пос. модернизацией до 2250х16
Поздравляем, ждем новых изделий и роликов.
- master_70
- Мастер
- Сообщения: 1935
- Зарегистрирован: 30 ноя 2010, 22:52
- Репутация: 317
- Настоящее имя: Сергей Викторович
- Откуда: Московская_обл
- Контактная информация:
Re: Бюджетный ЧПУ 1150х660мм с пос. модернизацией до 2250х16
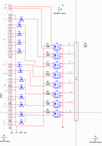
нарисовал схемку кросплаты с опторазвязкой. у кого опытный взгляд посмотрите пожалуйста.. если что не так поправте .
Кайт клуб "Za Vetrom" г. Киров
тел. 8 953 678 19 59 Сергей; Skype: zavetrom.ru
ICQ: 248622151 mail: master_70@mail.ru
http://www.zavetrom.ru
тел. 8 953 678 19 59 Сергей; Skype: zavetrom.ru
ICQ: 248622151 mail: master_70@mail.ru
http://www.zavetrom.ru
-
vovacom
- Новичок
- Сообщения: 9
- Зарегистрирован: 23 янв 2015, 19:34
- Репутация: 1
- Контактная информация:
Re: Бюджетный ЧПУ 1000(1150(1600)) х 650
Расскажите как делали, из чего и как он себя показал в роботе .master_70 писал(а):сегодня выточил переходник для цанги с 8 на 3.17 мм
по образцу с 12 на 6 мм
теперь у меня можно ставить фрезы 12, 8, 6, 3.17
-
ХОЧУВСЁЗНАТЬ
- Опытный
- Сообщения: 122
- Зарегистрирован: 13 авг 2014, 17:51
- Репутация: 5
- Настоящее имя: Алексей
- Откуда: Армавир.Краснодарский край.
- Контактная информация:
Re: Бюджетный ЧПУ 1150х660мм с пос. модернизацией до 2250х16
зачем столько Б.П?master_70 писал(а):пока что просто выложил на досочку
Разум и наука-продукты человечества!
- master_70
- Мастер
- Сообщения: 1935
- Зарегистрирован: 30 ноя 2010, 22:52
- Репутация: 317
- Настоящее имя: Сергей Викторович
- Откуда: Московская_обл
- Контактная информация:
Re: Бюджетный ЧПУ 1000(1150(1600)) х 650
делал из простой железяки на токарном и сделал пропил ножовкой и 2 подпила до середины. пропил и подпилв на 3 равные части разделены (60°)vovacom писал(а):Расскажите как делали, из чего и как он себя показал в роботе .master_70 писал(а):сегодня выточил переходник для цанги с 8 на 3.17 мм
по образцу с 12 на 6 мм
теперь у меня можно ставить фрезы 12, 8, 6, 3.17
Кайт клуб "Za Vetrom" г. Киров
тел. 8 953 678 19 59 Сергей; Skype: zavetrom.ru
ICQ: 248622151 mail: master_70@mail.ru
http://www.zavetrom.ru
тел. 8 953 678 19 59 Сергей; Skype: zavetrom.ru
ICQ: 248622151 mail: master_70@mail.ru
http://www.zavetrom.ru
- master_70
- Мастер
- Сообщения: 1935
- Зарегистрирован: 30 ноя 2010, 22:52
- Репутация: 317
- Настоящее имя: Сергей Викторович
- Откуда: Московская_обл
- Контактная информация:
Re: Бюджетный ЧПУ 1150х660мм с пос. модернизацией до 2250х16
на каждый движок по 1 БП . бп 7.3А. а движки 5 А . былбы бп на 30А поставилбы 1.ХОЧУВСЁЗНАТЬ писал(а):зачем столько Б.П?master_70 писал(а):пока что просто выложил на досочку
Кайт клуб "Za Vetrom" г. Киров
тел. 8 953 678 19 59 Сергей; Skype: zavetrom.ru
ICQ: 248622151 mail: master_70@mail.ru
http://www.zavetrom.ru
тел. 8 953 678 19 59 Сергей; Skype: zavetrom.ru
ICQ: 248622151 mail: master_70@mail.ru
http://www.zavetrom.ru
-
vovacom
- Новичок
- Сообщения: 9
- Зарегистрирован: 23 янв 2015, 19:34
- Репутация: 1
- Контактная информация:
Re: Бюджетный ЧПУ 1000(1150(1600)) х 650
Как в работе, сколько прослужил.master_70 писал(а):делал из простой железяки на токарном и сделал пропил ножовкой и 2 подпила до середины. пропил и подпилв на 3 равные части разделены (60°)vovacom писал(а):Расскажите как делали, из чего и как он себя показал в роботе .master_70 писал(а):сегодня выточил переходник для цанги с 8 на 3.17 мм
по образцу с 12 на 6 мм
теперь у меня можно ставить фрезы 12, 8, 6, 3.17
Хочу себе так делать, мож че посоветуете.
- michael-yurov
- Почётный участник

- Сообщения: 11731
- Зарегистрирован: 26 июл 2012, 00:10
- Репутация: 4703
- Настоящее имя: Михаил Львович
- Откуда: Новоуральск
- Контактная информация:
Re: Бюджетный ЧПУ 1150х660мм с пос. модернизацией до 2250х16
Провокационный вопрос:master_70 писал(а):на каждый движок по 1 БП . бп 7.3А. а движки 5 А . былбы бп на 30А поставилбы 1.
Ток в обмотках мотора 5 А.
А сколько обмоток у каждого ШД подключено к драйверу - обе, или только одна?
При параллельном подключении двух обмоток с током в каждой 5 А, суммарный ток будет 10 А.
- master_70
- Мастер
- Сообщения: 1935
- Зарегистрирован: 30 ноя 2010, 22:52
- Репутация: 317
- Настоящее имя: Сергей Викторович
- Откуда: Московская_обл
- Контактная информация:
Re: Бюджетный ЧПУ 1150х660мм с пос. модернизацией до 2250х16
michael-yurov писал(а):Провокационный вопрос:master_70 писал(а):на каждый движок по 1 БП . бп 7.3А. а движки 5 А . былбы бп на 30А поставилбы 1.
Ток в обмотках мотора 5 А.
А сколько обмоток у каждого ШД подключено к драйверу - обе, или только одна?
При параллельном подключении двух обмоток с током в каждой 5 А, суммарный ток будет 10 А.
а как думаешь ??? если подаю на драйвера по 48 В и выставляю на 4.73А
Кайт клуб "Za Vetrom" г. Киров
тел. 8 953 678 19 59 Сергей; Skype: zavetrom.ru
ICQ: 248622151 mail: master_70@mail.ru
http://www.zavetrom.ru
тел. 8 953 678 19 59 Сергей; Skype: zavetrom.ru
ICQ: 248622151 mail: master_70@mail.ru
http://www.zavetrom.ru
- master_70
- Мастер
- Сообщения: 1935
- Зарегистрирован: 30 ноя 2010, 22:52
- Репутация: 317
- Настоящее имя: Сергей Викторович
- Откуда: Московская_обл
- Контактная информация:
Re: Бюджетный ЧПУ 1000(1150(1600)) х 650
делал из простой железяки на токарном и сделал пропил ножовкой и 2 подпила до середины. пропил и подпилв на 3 равные части разделены (60°)[/quote]vovacom писал(а):
Расскажите как делали, из чего и как он себя показал в роботе .
Как в работе, сколько прослужил.
Хочу себе так делать, мож че посоветуете.[/quote]
досихпор служат . А что им сделается. а совет -чем точнее сделаешь тем лучше.
кстати я переделвыал 1 раз. мервую запарол . пропилы размечал прямо на станке. хотя потом подумал что и канавки надо было делать на станкеже, просто поставить резец и про рубить. а потом допилить 1 канавку.
былобы красивее и аккуратнее и еще точнее . но и эта еподвела и нестал третий раз переделыывать.
Кайт клуб "Za Vetrom" г. Киров
тел. 8 953 678 19 59 Сергей; Skype: zavetrom.ru
ICQ: 248622151 mail: master_70@mail.ru
http://www.zavetrom.ru
тел. 8 953 678 19 59 Сергей; Skype: zavetrom.ru
ICQ: 248622151 mail: master_70@mail.ru
http://www.zavetrom.ru
- master_70
- Мастер
- Сообщения: 1935
- Зарегистрирован: 30 ноя 2010, 22:52
- Репутация: 317
- Настоящее имя: Сергей Викторович
- Откуда: Московская_обл
- Контактная информация:
Re: Бюджетный ЧПУ 1150х660мм с пос. модернизацией до 2250х16
меня мучает 1 вопроссссссссс.
обведенное, на массу надо или не надо тут соединять с общей массой на этой плате??????
Кайт клуб "Za Vetrom" г. Киров
тел. 8 953 678 19 59 Сергей; Skype: zavetrom.ru
ICQ: 248622151 mail: master_70@mail.ru
http://www.zavetrom.ru
тел. 8 953 678 19 59 Сергей; Skype: zavetrom.ru
ICQ: 248622151 mail: master_70@mail.ru
http://www.zavetrom.ru
- michael-yurov
- Почётный участник

- Сообщения: 11731
- Зарегистрирован: 26 июл 2012, 00:10
- Репутация: 4703
- Настоящее имя: Михаил Львович
- Откуда: Новоуральск
- Контактная информация:
Re: Бюджетный ЧПУ 1150х660мм с пос. модернизацией до 2250х16
Ну я то думаю, что ты обе обмотки подключил.master_70 писал(а):а как думаешь ??? если подаю на драйвера по 48 В и выставляю на 4.73А
Тогда не очень понимаю, почему не поставил по два блока питания на каждый драйвер?
Ведь суммарный ток, потребляемый мотором может быть более 10 А, а блок питания способен отдать только 7,3 А.
Это я все к тому, что расчеты ошибочные, и, наверняка, мощность блоков питания намного выше требуемого.
- Serg
- Мастер
- Сообщения: 21923
- Зарегистрирован: 17 апр 2012, 14:58
- Репутация: 5183
- Заслуга: c781c134843e0c1a3de9
- Настоящее имя: Сергей
- Откуда: Москва
- Контактная информация:
Re: Бюджетный ЧПУ 1150х660мм с пос. модернизацией до 2250х16
Если соединить, то можно будет сэкономить на оптронах...master_70 писал(а):обведенное, на массу надо или не надо тут соединять с общей массой на этой плате??????
Я не Христос, рыбу не раздаю, но могу научить, как сделать удочку...
- master_70
- Мастер
- Сообщения: 1935
- Зарегистрирован: 30 ноя 2010, 22:52
- Репутация: 317
- Настоящее имя: Сергей Викторович
- Откуда: Московская_обл
- Контактная информация:
Re: Бюджетный ЧПУ 1150х660мм с пос. модернизацией до 2250х16
непонял. обоснуй.UAVpilot писал(а):Если соединить, то можно будет сэкономить на оптронах...master_70 писал(а):обведенное, на массу надо или не надо тут соединять с общей массой на этой плате??????
Кайт клуб "Za Vetrom" г. Киров
тел. 8 953 678 19 59 Сергей; Skype: zavetrom.ru
ICQ: 248622151 mail: master_70@mail.ru
http://www.zavetrom.ru
тел. 8 953 678 19 59 Сергей; Skype: zavetrom.ru
ICQ: 248622151 mail: master_70@mail.ru
http://www.zavetrom.ru
- master_70
- Мастер
- Сообщения: 1935
- Зарегистрирован: 30 ноя 2010, 22:52
- Репутация: 317
- Настоящее имя: Сергей Викторович
- Откуда: Московская_обл
- Контактная информация:
Re: Бюджетный ЧПУ 1150х660мм с пос. модернизацией до 2250х16
я тебя паонять не могу . какие 10 А ты откуда такие чифры взял... на движкке написан 5 А . откуда ьы взял 10А???????????? поясняй аргуметы . ато я в ьехать не могу.michael-yurov писал(а):Ну я то думаю, что ты обе обмотки подключил.master_70 писал(а):а как думаешь ??? если подаю на драйвера по 48 В и выставляю на 4.73А
Тогда не очень понимаю, почему не поставил по два блока питания на каждый драйвер?
Ведь суммарный ток, потребляемый мотором может быть более 10 А, а блок питания способен отдать только 7,3 А.
Это я все к тому, что расчеты ошибочные, и, наверняка, мощность блоков питания намного выше требуемого.
какие обмотки какая одна какие две . как можно подключтьб ШД
на 1 обмотку???? я чтото не понимаю походу дела .
Последний раз редактировалось master_70 13 фев 2015, 22:38, всего редактировалось 1 раз.
Кайт клуб "Za Vetrom" г. Киров
тел. 8 953 678 19 59 Сергей; Skype: zavetrom.ru
ICQ: 248622151 mail: master_70@mail.ru
http://www.zavetrom.ru
тел. 8 953 678 19 59 Сергей; Skype: zavetrom.ru
ICQ: 248622151 mail: master_70@mail.ru
http://www.zavetrom.ru
- mhael
- Мастер
- Сообщения: 2443
- Зарегистрирован: 09 мар 2013, 11:22
- Репутация: 769
- Настоящее имя: Ильдар
- Контактная информация:
Re: Бюджетный ЧПУ 1150х660мм с пос. модернизацией до 2250х16
5А на фазу. У шаговика две фазы (если биполярный). Соответственно мотор в положении между двумя полными шагами (когда обе фазы запитаны на максимум) потребляет 10А.master_70 писал(а):какие 10 А ты откуда такие чифры взял... на движкке написан 5 А . откуда ьы взял 10А????????????
-
aftaev
- Зачётный участник

- Сообщения: 34042
- Зарегистрирован: 04 апр 2010, 19:22
- Репутация: 6194
- Откуда: Казахстан.
- Контактная информация:
Re: Бюджетный ЧПУ 1150х660мм с пос. модернизацией до 2250х16
подключтьб ЩЖ - это как раскодируется?master_70 писал(а):как можно подключтьб ЩЖ на 1 обмотку???
Дилетанту сложные вещи кажутся очень простыми, и только профессионал понимает насколько сложна самая простая вещь
Кто хочет - ищет возможности, кто не хочет - ищет оправдание.
Найди работу по душе и тебе не придется работать.
Кто хочет - ищет возможности, кто не хочет - ищет оправдание.
Найди работу по душе и тебе не придется работать.
- Serg
- Мастер
- Сообщения: 21923
- Зарегистрирован: 17 апр 2012, 14:58
- Репутация: 5183
- Заслуга: c781c134843e0c1a3de9
- Настоящее имя: Сергей
- Откуда: Москва
- Контактная информация:
Re: Бюджетный ЧПУ 1150х660мм с пос. модернизацией до 2250х16
От обоснуя слышу!master_70 писал(а):непонял. обоснуй.
Ну если ты земли соединишь, то никакой гальванической развязки уже не будет...
"подключить шаговый двигатель".aftaev писал(а):подключтьб ЩЖ - это как раскодируется?
Я не Христос, рыбу не раздаю, но могу научить, как сделать удочку...
-
zarvydas
- Новичок
- Сообщения: 29
- Зарегистрирован: 30 янв 2015, 11:18
- Репутация: 27
- Настоящее имя: Arvydas Petrauskas
- Контактная информация:
Re: Бюджетный ЧПУ 1150х660мм с пос. модернизацией до 2250х16
Земли можно развязать? Общие провода же обоих блоков питания компьютера и станка (минусы) на свои корпуса подключены. От ящика компа и станка идут провода на землю или по сетевым проводам (зеленый провод) они соединяются. Земля общая одна для всех.UAVpilot писал(а):Ну если ты земли соединишь, то никакой гальванической развязки уже не будет...
- Serg
- Мастер
- Сообщения: 21923
- Зарегистрирован: 17 апр 2012, 14:58
- Репутация: 5183
- Заслуга: c781c134843e0c1a3de9
- Настоящее имя: Сергей
- Откуда: Москва
- Контактная информация:
Re: Бюджетный ЧПУ 1150х660мм с пос. модернизацией до 2250х16
Если ты про планету, то тут я с тобой согласен.zarvydas писал(а):Земля общая одна для всех.
Однако не в том случае, когда высоковольтный провод лежит на планете...
А если про понятие "земля" в электронике, то нет. В случае гальванической развязки общим ничего быть не может по определению.Более того, даже когда не требуется гальваническая развязка "земли" бывают разные: силовые, цифровые, аналоговые, и соединять их просто так нельзя.
Я не Христос, рыбу не раздаю, но могу научить, как сделать удочку...