Герконы срабатывают, только вот, похоже, не правильно подключены. Первая схема с подключением датчиков которую я выше загрузил не верна! По факту подключено вот по этой схеме Так, вот, если проверить мультиметром датчик, то между плюсовым проводом и сигнальным проводом OUT показывает напряжение 24В. Получается OUT - это "0", при срабатывании датчика на вход месы поступает 0В, а нужно я так понимаю чтобы на вход месы поступало +24В. Думаю теперь как подключить правильно.nkp писал(а):не срабатывают герконы
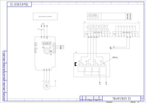
Подключение различных компонентов к плате Mesa 7I77
-
Mehobr
- Почётный участник

- Сообщения: 163
- Зарегистрирован: 15 июн 2015, 00:20
- Репутация: 18
- Настоящее имя: Евгений
- Контактная информация:
Re: Подключение различных компонентов к плате Mesa 7I77
-
nkp
- Мастер
- Сообщения: 8340
- Зарегистрирован: 28 ноя 2011, 00:25
- Репутация: 1589
- Контактная информация:
Re: Подключение различных компонентов к плате Mesa 7I77
да нет разницы, каким уровнем они срабатывают - низким или высоким - лишь бы правильно срабатывали))
но вопросы остались -:
1.
в хал входы месы задействованы 8,9,10,11
net dat1 hm2_5i25.0.7i77.0.0.input-8 => classicladder.0.in-01 # получаем сигнал от датчика положения
net dat2 hm2_5i25.0.7i77.0.0.input-9 => classicladder.0.in-02 # получаем сигнал от датчика положения
net dat3 hm2_5i25.0.7i77.0.0.input-10 => classicladder.0.in-03 # получаем сигнал от датчика положения
net dat4 hm2_5i25.0.7i77.0.0.input-11 => classicladder.0.in-04 # получаем сигнал от датчика положения
а на твоей схеме 9,10,11,12
где несоответствие?
и даже это не поясняет - почему на ладдере ты не видишь срабатывания датчиков -
ведь в любом случае смена уровней есть(с 0 до 24в и наоборот) , а значит мы должны наблюдать это на схеме ладдера
2. есть возможность покрутить голову руками?(нет крыльчатки у двига?)
но вопросы остались -:
1.
в хал входы месы задействованы 8,9,10,11
net dat1 hm2_5i25.0.7i77.0.0.input-8 => classicladder.0.in-01 # получаем сигнал от датчика положения
net dat2 hm2_5i25.0.7i77.0.0.input-9 => classicladder.0.in-02 # получаем сигнал от датчика положения
net dat3 hm2_5i25.0.7i77.0.0.input-10 => classicladder.0.in-03 # получаем сигнал от датчика положения
net dat4 hm2_5i25.0.7i77.0.0.input-11 => classicladder.0.in-04 # получаем сигнал от датчика положения
а на твоей схеме 9,10,11,12
где несоответствие?
и даже это не поясняет - почему на ладдере ты не видишь срабатывания датчиков -
ведь в любом случае смена уровней есть(с 0 до 24в и наоборот) , а значит мы должны наблюдать это на схеме ладдера
2. есть возможность покрутить голову руками?(нет крыльчатки у двига?)
-
nkp
- Мастер
- Сообщения: 8340
- Зарегистрирован: 28 ноя 2011, 00:25
- Репутация: 1589
- Контактная информация:
Re: Подключение различных компонентов к плате Mesa 7I77
если дело только в уровнях ,то можно пойти двумя путями:
использовать входы in_not
или
на схеме ладдера инвертировать входы
использовать входы in_not
или
на схеме ладдера инвертировать входы
-
Mehobr
- Почётный участник

- Сообщения: 163
- Зарегистрирован: 15 июн 2015, 00:20
- Репутация: 18
- Настоящее имя: Евгений
- Контактная информация:
Re: Подключение различных компонентов к плате Mesa 7I77
- на эти цифры можно не обращать внимание, ниже идут INPUT 8, 9, 10, 11nkp писал(а):9,10,11,12
они срабатывают, когда кручу в ручную. А как инвертировать входы?nkp писал(а):низким или высоким - лишь бы правильно срабатывали))
-
nkp
- Мастер
- Сообщения: 8340
- Зарегистрирован: 28 ноя 2011, 00:25
- Репутация: 1589
- Контактная информация:
Re: Подключение различных компонентов к плате Mesa 7I77
почему это не отображается на ладдереMehobr писал(а):они срабатывают, когда кручу в ручную
на твоих скринах ладдера ни один датчик не сработавший(ни один не подкрашен красным)
как ты это объяснишь?
-
Mehobr
- Почётный участник

- Сообщения: 163
- Зарегистрирован: 15 июн 2015, 00:20
- Репутация: 18
- Настоящее имя: Евгений
- Контактная информация:
Re: Подключение различных компонентов к плате Mesa 7I77
здесь, можно поподробнее где это сделатьnkp писал(а):использовать входы in_not
я так понимаю из-за уровня сигнала, если поменяем должно работатьnkp писал(а):как ты это объяснишь?
-
nkp
- Мастер
- Сообщения: 8340
- Зарегистрирован: 28 ноя 2011, 00:25
- Репутация: 1589
- Контактная информация:
Re: Подключение различных компонентов к плате Mesa 7I77
погоди - сейчас в любом положении головы на одном проводе 0v , на трех остальных 24vMehobr писал(а):я так понимаю из-за уровня сигнала, если поменяем должно работать
правильно?
-
Mehobr
- Почётный участник

- Сообщения: 163
- Зарегистрирован: 15 июн 2015, 00:20
- Репутация: 18
- Настоящее имя: Евгений
- Контактная информация:
Re: Подключение различных компонентов к плате Mesa 7I77
Попробую объяснить, как я проверяю:
Допустим, ставлю резцедержку в положение первого инструмента и мультиметром проверяю напряжение, один штекер ставлю на питающий провод +24В второй штекер на OUT первого датчика, напряжение есть, на остальных выходах датчиков нет напряжения.
Допустим, ставлю резцедержку в положение первого инструмента и мультиметром проверяю напряжение, один штекер ставлю на питающий провод +24В второй штекер на OUT первого датчика, напряжение есть, на остальных выходах датчиков нет напряжения.
-
Mehobr
- Почётный участник

- Сообщения: 163
- Зарегистрирован: 15 июн 2015, 00:20
- Репутация: 18
- Настоящее имя: Евгений
- Контактная информация:
Re: Подключение различных компонентов к плате Mesa 7I77
нет, на остальных нет напряжения.nkp писал(а):на трех остальных 24v
правильно?
-
nkp
- Мастер
- Сообщения: 8340
- Зарегистрирован: 28 ноя 2011, 00:25
- Репутация: 1589
- Контактная информация:
Re: Подключение различных компонентов к плате Mesa 7I77
а ты проверяй как все - один щуп на GND (0v , земля)Mehobr писал(а):Попробую объяснить, как я проверяю:
а второй - в ту точку - на которой хочешь произвести замер
так ты не будешь вводить в заблуждение читающих
==============
я несколько раз пытаюсь донести одну мысль - как бы там ни было - на ладдере мы должны увидеть активные переклчения
вот твои входы датчиков когда голова вращается (или стоит в каком то положении) один из них (или три) должны быть активными(красными цветом)
это наблюдается?
-
Mehobr
- Почётный участник

- Сообщения: 163
- Зарегистрирован: 15 июн 2015, 00:20
- Репутация: 18
- Настоящее имя: Евгений
- Контактная информация:
Re: Подключение различных компонентов к плате Mesa 7I77
Если ставлю один щуп на GND (0v, земля) вторым щупом проверяю выходы (OUT) то в этом случаи ни на одном выходе датчиков нет напряжения.
-
nkp
- Мастер
- Сообщения: 8340
- Зарегистрирован: 28 ноя 2011, 00:25
- Репутация: 1589
- Контактная информация:
Re: Подключение различных компонентов к плате Mesa 7I77
а источник,питающий датчики и месу один?Mehobr писал(а):Если ставлю один щуп на GND (0v, земля) вторым щупом проверяю выходы (OUT) то в этом случаи ни на одном выходе датчиков нет напряжения.
GND датчиков и GND месы соединены?
-
Mehobr
- Почётный участник

- Сообщения: 163
- Зарегистрирован: 15 июн 2015, 00:20
- Репутация: 18
- Настоящее имя: Евгений
- Контактная информация:
Re: Подключение различных компонентов к плате Mesa 7I77
одинnkp писал(а):а источник,питающий датчики и месу один?
соединеныnkp писал(а):GND датчиков и GND месы соединены?
-
nkp
- Мастер
- Сообщения: 8340
- Зарегистрирован: 28 ноя 2011, 00:25
- Репутация: 1589
- Контактная информация:
Re: Подключение различных компонентов к плате Mesa 7I77
пока затык здесь
надо добиться работы датчиков
что это за датчики(какого типа)?
сначала по схеме я подумал , что герконы, еще и так уверенно кто то подтвердил это (выше)
потом это поменялось на индуктивные?
нет ли документации на голову? как она обзывается точно?
надо добиться работы датчиков
что это за датчики(какого типа)?
сначала по схеме я подумал , что герконы, еще и так уверенно кто то подтвердил это (выше)
потом это поменялось на индуктивные?
нет ли документации на голову? как она обзывается точно?
-
Mehobr
- Почётный участник

- Сообщения: 163
- Зарегистрирован: 15 июн 2015, 00:20
- Репутация: 18
- Настоящее имя: Евгений
- Контактная информация:
Re: Подключение различных компонентов к плате Mesa 7I77
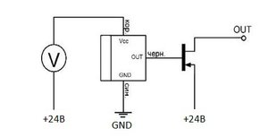
Тип датчика NPN, NO (нормально разомкнутый - при срабатывании выход соединяется с минусом питания).
-
Mehobr
- Почётный участник

- Сообщения: 163
- Зарегистрирован: 15 июн 2015, 00:20
- Репутация: 18
- Настоящее имя: Евгений
- Контактная информация:
Re: Подключение различных компонентов к плате Mesa 7I77
Извиняюсь что не правильную информацию дал.
-
nkp
- Мастер
- Сообщения: 8340
- Зарегистрирован: 28 ноя 2011, 00:25
- Репутация: 1589
- Контактная информация:
Re: Подключение различных компонентов к плате Mesa 7I77
думаю тогда входы нужно подтянуть к +24v через резистор в несколько кОм (2кОм например)Mehobr писал(а):Тип датчика NPN, NO (нормально разомкнутый - при срабатывании выход соединяется с минусом питания).
-
Mehobr
- Почётный участник

- Сообщения: 163
- Зарегистрирован: 15 июн 2015, 00:20
- Репутация: 18
- Настоящее имя: Евгений
- Контактная информация:
Re: Подключение различных компонентов к плате Mesa 7I77
LD4-CK0610-40 серияnkp писал(а):нет ли документации на голову? как она обзывается точно?
-
nkp
- Мастер
- Сообщения: 8340
- Зарегистрирован: 28 ноя 2011, 00:25
- Репутация: 1589
- Контактная информация:
Re: Подключение различных компонентов к плате Mesa 7I77
если по датчикам инфа точная,то делай подтяжку и вперед