так мы ж первую встречную схему взяли,как же оно работать будет?)))))Mehobr писал(а):Закрутилась, но не фиксируется
Подключение различных компонентов к плате Mesa 7I77
-
nkp
- Мастер
- Сообщения: 8340
- Зарегистрирован: 28 ноя 2011, 00:25
- Репутация: 1589
- Контактная информация:
Re: Подключение различных компонентов к плате Mesa 7I77
-
nkp
- Мастер
- Сообщения: 8340
- Зарегистрирован: 28 ноя 2011, 00:25
- Репутация: 1589
- Контактная информация:
Re: Подключение различных компонентов к плате Mesa 7I77
но останавливается? или нет?
-
Mehobr
- Почётный участник

- Сообщения: 163
- Зарегистрирован: 15 июн 2015, 00:20
- Репутация: 18
- Настоящее имя: Евгений
- Контактная информация:
Re: Подключение различных компонентов к плате Mesa 7I77
Нет, не останавливается, только аварийным стопом останавливаю
-
nkp
- Мастер
- Сообщения: 8340
- Зарегистрирован: 28 ноя 2011, 00:25
- Репутация: 1589
- Контактная информация:
Re: Подключение различных компонентов к плате Mesa 7I77
это хужей))Mehobr писал(а):Нет, не останавливается, только аварийным стопом останавливаю
щас посмотрим
-
nkp
- Мастер
- Сообщения: 8340
- Зарегистрирован: 28 ноя 2011, 00:25
- Репутация: 1589
- Контактная информация:
Re: Подключение различных компонентов к плате Mesa 7I77
эта строка вот так?
net tool-number iocontrol.0.tool-prep-number => classicladder.0.s32in-01 # %IW1
надо открыть halshow
и посмотреть этот пин во время подачи команды M6 T1
net tool-number iocontrol.0.tool-prep-number => classicladder.0.s32in-01 # %IW1
надо открыть halshow
и посмотреть этот пин во время подачи команды M6 T1
-
Mehobr
- Почётный участник

- Сообщения: 163
- Зарегистрирован: 15 июн 2015, 00:20
- Репутация: 18
- Настоящее имя: Евгений
- Контактная информация:
Re: Подключение различных компонентов к плате Mesa 7I77
Да, так записанаnkp писал(а):эта строка вот так?
net tool-number iocontrol.0.tool-prep-number => classicladder.0.s32in-01 # %IW1
А где конкретно halshow смотреть?nkp писал(а):надо открыть halshow
и посмотреть этот пин
-
nkp
- Мастер
- Сообщения: 8340
- Зарегистрирован: 28 ноя 2011, 00:25
- Репутация: 1589
- Контактная информация:
Re: Подключение различных компонентов к плате Mesa 7I77
у тебя Axis ?Mehobr писал(а):А где конкретно halshow смотреть?
-
nkp
- Мастер
- Сообщения: 8340
- Зарегистрирован: 28 ноя 2011, 00:25
- Репутация: 1589
- Контактная информация:
Re: Подключение различных компонентов к плате Mesa 7I77
само halshow в меню Станок--> Просмотреть Hal
что то примерно так
что то примерно так
-
Mehobr
- Почётный участник

- Сообщения: 163
- Зарегистрирован: 15 июн 2015, 00:20
- Репутация: 18
- Настоящее имя: Евгений
- Контактная информация:
Re: Подключение различных компонентов к плате Mesa 7I77
Тут в зависимости от номера инструмента появляются цифры 1, 2 и т.д.
-
Mehobr
- Почётный участник

- Сообщения: 163
- Зарегистрирован: 15 июн 2015, 00:20
- Репутация: 18
- Настоящее имя: Евгений
- Контактная информация:
Re: Подключение различных компонентов к плате Mesa 7I77
Вот скрин, верхняя строка загорается желтым, вторая нет
-
nkp
- Мастер
- Сообщения: 8340
- Зарегистрирован: 28 ноя 2011, 00:25
- Репутация: 1589
- Контактная информация:
Re: Подключение различных компонентов к плате Mesa 7I77
и это правильноMehobr писал(а):ут в зависимости от номера инструмента появляются цифры 1, 2 и т.д.
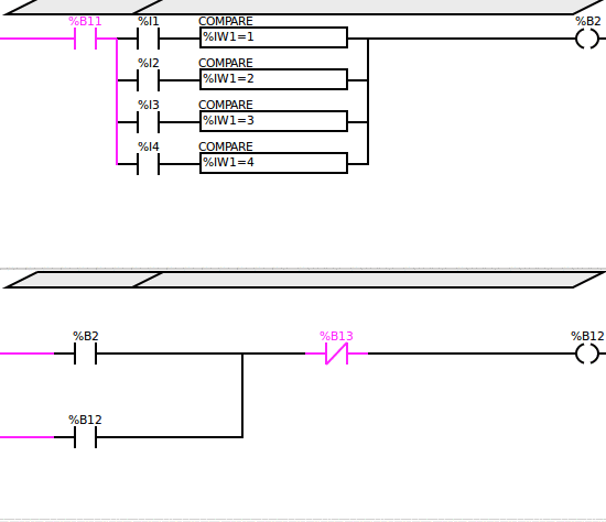
теперь нужно посмотреть - что срабатывает за чем на схеме во время смены
то что срабатывает - окрашивается в красный
нас интересует
B2
B12
B13
и прямоугольники COMPARE
-
Mehobr
- Почётный участник

- Сообщения: 163
- Зарегистрирован: 15 июн 2015, 00:20
- Репутация: 18
- Настоящее имя: Евгений
- Контактная информация:
Re: Подключение различных компонентов к плате Mesa 7I77
Вотnkp писал(а):B2
B12
B13
не нашол такогоnkp писал(а):прямоугольники COMPARE
-
nkp
- Мастер
- Сообщения: 8340
- Зарегистрирован: 28 ноя 2011, 00:25
- Репутация: 1589
- Контактная информация:
Re: Подключение различных компонентов к плате Mesa 7I77
это я так понял после команды m6 t3
правильно?
а в какой момент сделан скрин?
когда вращалась голова?
правильно?
а в какой момент сделан скрин?
когда вращалась голова?
-
Mehobr
- Почётный участник

- Сообщения: 163
- Зарегистрирован: 15 июн 2015, 00:20
- Репутация: 18
- Настоящее имя: Евгений
- Контактная информация:
Re: Подключение различных компонентов к плате Mesa 7I77
Нет, стоялаnkp писал(а):а в какой момент сделан скрин?
когда вращалась голова?
-
Mehobr
- Почётный участник

- Сообщения: 163
- Зарегистрирован: 15 июн 2015, 00:20
- Репутация: 18
- Настоящее имя: Евгений
- Контактная информация:
Re: Подключение различных компонентов к плате Mesa 7I77
Вот с включенной командой М6
-
nkp
- Мастер
- Сообщения: 8340
- Зарегистрирован: 28 ноя 2011, 00:25
- Репутация: 1589
- Контактная информация:
Re: Подключение различных компонентов к плате Mesa 7I77
если последний скрин сделан при вращении головы - то у нас(вас
) не срабатывают герконы
контакты I1 , I2 , I3 , I4 -это как раз пины герконов
в хал они соответственно classicladder.0.in-01 , classicladder.0.in-02 , ...
еще может быть такая штука,что голова врашается слишком быстро
если это частотник,то нужно для настройки поставить сравнительно небольшую скорость.(потом для работы можно и увеличить)
надо проверять вот это
можно даже тестером напругу померять
если проходит - смотреть на пины месы
ну в общем - по цепочке
контакты I1 , I2 , I3 , I4 -это как раз пины герконов
в хал они соответственно classicladder.0.in-01 , classicladder.0.in-02 , ...
еще может быть такая штука,что голова врашается слишком быстро
если это частотник,то нужно для настройки поставить сравнительно небольшую скорость.(потом для работы можно и увеличить)
надо проверять вот это
Код: Выделить всё
net dat1 hm2_5i25.0.7i77.0.0.input-08 => classicladder.0.in-01 # получаем сигнал от датчика положения
net dat2 hm2_5i25.0.7i77.0.0.input-09 => classicladder.0.in-02 # получаем сигнал от датчика положения
net dat3 hm2_5i25.0.7i77.0.0.input-10 => classicladder.0.in-03 # получаем сигнал от датчика положения
net dat4 hm2_5i25.0.7i77.0.0.input-11 => classicladder.0.in-04 # получаем сигнал от датчика положенияесли проходит - смотреть на пины месы
ну в общем - по цепочке
-
nkp
- Мастер
- Сообщения: 8340
- Зарегистрирован: 28 ноя 2011, 00:25
- Репутация: 1589
- Контактная информация:
Re: Подключение различных компонентов к плате Mesa 7I77
остался невыясненный вопрос:
есть ли в голове датчик зажима(то есть концевик - который сигнализирует,что голова зажата) ??
потому как эта схема походу для головы с таким концевиком
его заводить на I5 (classicladder.0.in-05)
если его нет - переделать ладдер
============================================
завтра я целый день в цехе,поэтому опишу немного работу схемы это таймер (выставлен сейчас на 20с)
если за это время не произойдет смена - активируем classicladder.0.out-04,
а с него уже активируем что надо(допустим АВОСТ)
========================================= эта часть схемы включает прямое вращение
контактом I0 с подхватом через B11 в итоге включается Q3 (classicladder.0.out-03)
=========================================== B11 активирует "линии герконов" (их в этой схеме 4)
при вращении головы поочередно срабатывают герконы (контакты I1 , I2 , I3 , I4
в хал они соответственно classicladder.0.in-01 , classicladder.0.in-02 , ...
COMPARE - прямоугольный элемент на схеме - элемент сравнения:
если переменная принимает прописанное значение - данный элемент активируется
то есть у нас срабатывает ветвь с номером инструмента
и срабатывает B2
он активирует B12 (с подхватом)
B12 своим контактом разрывает цепь Q3 (через B11) и
выключает вращение вперед
============================================ B12 включает B3 через I5(датчик зажима головы)
B3 и B12 через контакт TM1.Q включает B13 ,
который подхватывает B12 ,выключает его, и включает реверс вращения катушкой Q0
на время таймера TM1(по истечению времени уставки таймера контакт TM1.Q выключает B13
есть ли в голове датчик зажима(то есть концевик - который сигнализирует,что голова зажата) ??
потому как эта схема походу для головы с таким концевиком
его заводить на I5 (classicladder.0.in-05)
если его нет - переделать ладдер
============================================
завтра я целый день в цехе,поэтому опишу немного работу схемы это таймер (выставлен сейчас на 20с)
если за это время не произойдет смена - активируем classicladder.0.out-04,
а с него уже активируем что надо(допустим АВОСТ)
========================================= эта часть схемы включает прямое вращение
контактом I0 с подхватом через B11 в итоге включается Q3 (classicladder.0.out-03)
=========================================== B11 активирует "линии герконов" (их в этой схеме 4)
при вращении головы поочередно срабатывают герконы (контакты I1 , I2 , I3 , I4
в хал они соответственно classicladder.0.in-01 , classicladder.0.in-02 , ...
COMPARE - прямоугольный элемент на схеме - элемент сравнения:
если переменная принимает прописанное значение - данный элемент активируется
то есть у нас срабатывает ветвь с номером инструмента
и срабатывает B2
он активирует B12 (с подхватом)
B12 своим контактом разрывает цепь Q3 (через B11) и
выключает вращение вперед
============================================ B12 включает B3 через I5(датчик зажима головы)
B3 и B12 через контакт TM1.Q включает B13 ,
который подхватывает B12 ,выключает его, и включает реверс вращения катушкой Q0
на время таймера TM1(по истечению времени уставки таймера контакт TM1.Q выключает B13
-
nkp
- Мастер
- Сообщения: 8340
- Зарегистрирован: 28 ноя 2011, 00:25
- Репутация: 1589
- Контактная информация:
Re: Подключение различных компонентов к плате Mesa 7I77
алгоритм писал по схеме,в работе ее(схему) не применял...
насчет I5 как то у самого сомнения
--------------
на некоторых станках приходилось "растягивать" сигнал - система не успевала реагировать
это несложно - решается установкой (прорисовкой )) таймеров
==========
в общем цель №1 - добиться срабатывания B2
и остановки головы(желательно в правильном положении
)6
дальше уже дело техники
+++++++
Зы
Перепроверить все таки - на какие ноги 7i77 подключенв герконы и правильно ли это зарисано в хал
насчет I5 как то у самого сомнения
--------------
на некоторых станках приходилось "растягивать" сигнал - система не успевала реагировать
это несложно - решается установкой (прорисовкой )) таймеров
==========
в общем цель №1 - добиться срабатывания B2
и остановки головы(желательно в правильном положении
дальше уже дело техники
+++++++
Зы
Перепроверить все таки - на какие ноги 7i77 подключенв герконы и правильно ли это зарисано в хал
-
Mehobr
- Почётный участник

- Сообщения: 163
- Зарегистрирован: 15 июн 2015, 00:20
- Репутация: 18
- Настоящее имя: Евгений
- Контактная информация:
Re: Подключение различных компонентов к плате Mesa 7I77
нет, датчик зажима в этой резцедержке не предусмотрен.nkp писал(а):остался невыясненный вопрос:
есть ли в голове датчик зажима(то есть концевик - который сигнализирует,что голова зажата) ??