Den_Sibirskie Tovary
- den_sibirskiy
- Мастер
- Сообщения: 1655
- Зарегистрирован: 12 апр 2014, 17:04
- Репутация: 349
- Настоящее имя: Ден
- Откуда: Иркутск
- Контактная информация:
Re: Den_Sibirskie Tovary
Да они самые, но без редукторов теперь.
Еще в продаже датчики индукционные
есть видео работоспособности
https://youtu.be/Kf3HvVx8hJU
есть видео работоспособности
https://youtu.be/Kf3HvVx8hJU
"Хватит спать пора начинать пришло твое время"
-
sashaK
- Опытный
- Сообщения: 144
- Зарегистрирован: 11 окт 2015, 12:18
- Репутация: 10
- Настоящее имя: Александр
- Откуда: Россия: Екатеринбург, Новоуральск
- Контактная информация:
Re: Den_Sibirskie Tovary
С личными сообщениями какая-то проблема - спрошу тут.
Ден, уточните пожалуйста как я понял драйвера подключаются к трехфазной сети 200V - правильно?
Для подключения в российскую трехфазную сеть нужно использовать понижающий трансформатор т.к. у нас сеть 380 вольт?
Ден, уточните пожалуйста как я понял драйвера подключаются к трехфазной сети 200V - правильно?
Для подключения в российскую трехфазную сеть нужно использовать понижающий трансформатор т.к. у нас сеть 380 вольт?
- den_sibirskiy
- Мастер
- Сообщения: 1655
- Зарегистрирован: 12 апр 2014, 17:04
- Репутация: 349
- Настоящее имя: Ден
- Откуда: Иркутск
- Контактная информация:
Re: Den_Sibirskie Tovary
У вас простите нуля нет разве? Чет я не вкуриваю, люди поправьте. Бывает без нуля три фазы??
То что они от 220 работают факт, про 380 уточню, почитаю мануал пока, но думаю должны почему нет.
Странно, думал вылаживал мануал на них https://yadi.sk/i/YZKII6LpzKHr6
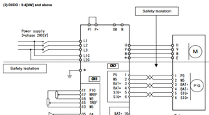
Посмотрел, три фазы, но 200V рядом самого немного вводят в ступор, но думаю все норм, если ошибаюсь здесь поправят ребята. А вообще больше смущает рисунок ниже, это вообще про какую сеть говорится? Я такого не встречал
То что они от 220 работают факт, про 380 уточню, почитаю мануал пока, но думаю должны почему нет.
Странно, думал вылаживал мануал на них https://yadi.sk/i/YZKII6LpzKHr6
Посмотрел, три фазы, но 200V рядом самого немного вводят в ступор, но думаю все норм, если ошибаюсь здесь поправят ребята. А вообще больше смущает рисунок ниже, это вообще про какую сеть говорится? Я такого не встречал
"Хватит спать пора начинать пришло твое время"
-
sashaK
- Опытный
- Сообщения: 144
- Зарегистрирован: 11 окт 2015, 12:18
- Репутация: 10
- Настоящее имя: Александр
- Откуда: Россия: Екатеринбург, Новоуральск
- Контактная информация:
Re: Den_Sibirskie Tovary
Я у вас спросил, т.к. думал вы их подключали раз выложили видео. Но видимо видео не ваше - так?
Ну и в трехфазной сети я не разбираюсь, поэтому решил уточнить.
Мануал, который вы выложили я просмотрел, и на основании его и задал вопрос. Те картинки, что вы привели я видел именно они и натолкнули на вопросы.
Еще там на какой-то странице была формула для трехфазной сети - "200 разделить на корень квадр. из трех". Получается 115вольт я решил, что это близко к их одно фазной сети 110 вольт. Потом посчитал это же для наших 380 вольт получил 219 вольт - опять же это напряжение в нашей однофазной сети.
Заранее прошу извинить если я складываю попугаев с арбузами. Видимо все-таки нужно почитать про трехфазные сети.
Глянул бы тов. Афтаев на нашу беседу и сразу бы расставил все по по полкам.
Но как его призвать - личная почта у меня не работает.
Ну и в трехфазной сети я не разбираюсь, поэтому решил уточнить.
Мануал, который вы выложили я просмотрел, и на основании его и задал вопрос. Те картинки, что вы привели я видел именно они и натолкнули на вопросы.
Еще там на какой-то странице была формула для трехфазной сети - "200 разделить на корень квадр. из трех". Получается 115вольт я решил, что это близко к их одно фазной сети 110 вольт. Потом посчитал это же для наших 380 вольт получил 219 вольт - опять же это напряжение в нашей однофазной сети.
Заранее прошу извинить если я складываю попугаев с арбузами. Видимо все-таки нужно почитать про трехфазные сети.
Глянул бы тов. Афтаев на нашу беседу и сразу бы расставил все по по полкам.
Но как его призвать - личная почта у меня не работает.
-
sashaK
- Опытный
- Сообщения: 144
- Зарегистрирован: 11 окт 2015, 12:18
- Репутация: 10
- Настоящее имя: Александр
- Откуда: Россия: Екатеринбург, Новоуральск
- Контактная информация:
Re: Den_Sibirskie Tovary
Еще из того что вы привели: The phase (line to earth) voltage must not exceed 120[V]
Мне кажется это переводится как: напряжение между фазой и нулем не должно превышать 120 вольт.
Мне кажется это переводится как: напряжение между фазой и нулем не должно превышать 120 вольт.
-
fedotkum
- Новичок
- Сообщения: 13
- Зарегистрирован: 24 дек 2016, 23:34
- Репутация: 1
- Контактная информация:
Re: Den_Sibirskie Tovary
Трёхфазное напряжение 220V между фазами и очень часто применяется в промышленных шкафах с частотниками для защиты от помех. Просто стоит мощный трёхфазный понижающий трансформатор 380/220V Получается на выходе между фазами 220V. Если такого транса нет, то подключайте к L1 фазу, а к L3 ноль 220V из бытовой розетки, можно и наоборот, там просто трёхфазный диодный мост на входе. Также к L1C и L2С те же 220V. У меня так и сервопривода Panasonic, и частотники Omron фунциклируют без проблем.
-
sashaK
- Опытный
- Сообщения: 144
- Зарегистрирован: 11 окт 2015, 12:18
- Репутация: 10
- Настоящее имя: Александр
- Откуда: Россия: Екатеринбург, Новоуральск
- Контактная информация:
Re: Den_Sibirskie Tovary
Подскажите, трансформатор нужен типа такого? https://www.avito.ru/dolgoprudnyy/remon ... _782371648fedotkum писал(а):Просто стоит мощный трёхфазный понижающий трансформатор 380/220V
-
trafbite
- Мастер
- Сообщения: 931
- Зарегистрирован: 14 июл 2015, 14:49
- Репутация: 28
- Настоящее имя: Дмитрий
- Контактная информация:
Re: Den_Sibirskie Tovary
Мне кажется или вы куда-то не в ту степь копаете?
Зачем трансформаторы и прочее?
Эти фалдики могут работать от обычной однофазной сети "220+ноль+земля", т.е. фактически от обычной розетки.
Сам так подключал - все ок.
Зачем трансформаторы и прочее?
Эти фалдики могут работать от обычной однофазной сети "220+ноль+земля", т.е. фактически от обычной розетки.
Сам так подключал - все ок.
-
sashaK
- Опытный
- Сообщения: 144
- Зарегистрирован: 11 окт 2015, 12:18
- Репутация: 10
- Настоящее имя: Александр
- Откуда: Россия: Екатеринбург, Новоуральск
- Контактная информация:
Re: Den_Sibirskie Tovary
Давайте еще раз для особо одаренных:trafbite писал(а):Эти фалдики могут работать от обычной однофазной сети "220+ноль+земля", т.е. фактически от обычной розетки.
L1 - фаза из однофазной сети 220
L2 - земля (общая земля в помещении, "заземление")
L3 - ноль из однофазной сети 220
Так?
- den_sibirskiy
- Мастер
- Сообщения: 1655
- Зарегистрирован: 12 апр 2014, 17:04
- Репутация: 349
- Настоящее имя: Ден
- Откуда: Иркутск
- Контактная информация:
Re: Den_Sibirskie Tovary
Я сомневаюсь что у вас дома нет нуля. Это раз. Он не нужен при подключении на 380.
Меня 120V немного смущает. Не понятно немного зачем написано.
Второе, с чего вы решили что видео не мое, я не случайно написал что работает от 220 точно, на видео видно как подключено. Да,и видео от 17 февр.
Меня 120V немного смущает. Не понятно немного зачем написано.
Второе, с чего вы решили что видео не мое, я не случайно написал что работает от 220 точно, на видео видно как подключено. Да,и видео от 17 февр.
"Хватит спать пора начинать пришло твое время"
- den_sibirskiy
- Мастер
- Сообщения: 1655
- Зарегистрирован: 12 апр 2014, 17:04
- Репутация: 349
- Настоящее имя: Ден
- Откуда: Иркутск
- Контактная информация:
Re: Den_Sibirskie Tovary
Ноль нужен для подключения 220В, любая фаза и ноль это 220в. Я уверен что ее и к 380 можно смело подключать, иначе я давно их уже бы сжег.
"Хватит спать пора начинать пришло твое время"
- den_sibirskiy
- Мастер
- Сообщения: 1655
- Зарегистрирован: 12 апр 2014, 17:04
- Репутация: 349
- Настоящее имя: Ден
- Откуда: Иркутск
- Контактная информация:
Re: Den_Sibirskie Tovary
Нет!sashaK писал(а):Давайте еще раз для особо одаренных:trafbite писал(а):Эти фалдики могут работать от обычной однофазной сети "220+ноль+земля", т.е. фактически от обычной розетки.
L1 - фаза из однофазной сети 220
L2 - земля (общая земля в помещении, "заземление")
L3 - ноль из однофазной сети 220
Так?
Все три это фаза по схеме, я для себя схему перевел как три фазы по 220.
Но так же можно спокойно ноль и фазу цеплять на L1 и L2 причем без разницы какую куда.
"Хватит спать пора начинать пришло твое время"
-
sashaK
- Опытный
- Сообщения: 144
- Зарегистрирован: 11 окт 2015, 12:18
- Репутация: 10
- Настоящее имя: Александр
- Откуда: Россия: Екатеринбург, Новоуральск
- Контактная информация:
Re: Den_Sibirskie Tovary
Не хотел вас обидеть, Я сделал такой вывод из вашей реакции на мой вопрос, Хорошо, что я ошибся, плохо, что сделал поспешный вывод.den_sibirskiy писал(а):Второе, с чего вы решили что видео не мое, я не случайно написал что работает от 220 точно, на видео видно как подключено. Да,и видео от 17 февр.
Напишите тогда вашу схему подключения.
есть такие контакты 4 шт.:
L1 -
L2 -
L3 -
ЗЕМЛЯ - ну сюда видимо общую землю подключают при любом раскладе.
Дома у меня действительно нет земли акромя батареи, Дом старый проводка двухжильная, плиту с электроподжигом подключал без заземления, ну вообще все приборы у меня в квартире без заземления.den_sibirskiy писал(а):Я сомневаюсь что у вас дома нет нуля.
В мастерской есть три фазы 380 и однофазные 220 естественно тоже, ну и земля там есть (должна быть, пока не разбирался).
-
trafbite
- Мастер
- Сообщения: 931
- Зарегистрирован: 14 июл 2015, 14:49
- Репутация: 28
- Настоящее имя: Дмитрий
- Контактная информация:
Re: Den_Sibirskie Tovary
Вот так нужно подключить от обычной розетки 220В:
- den_sibirskiy
- Мастер
- Сообщения: 1655
- Зарегистрирован: 12 апр 2014, 17:04
- Репутация: 349
- Настоящее имя: Ден
- Откуда: Иркутск
- Контактная информация:
Re: Den_Sibirskie Tovary
Земля и ноль это не одно и то же!!
Земля на корпусе. В розетке дома обычно земли нет! Есть ноль и фаза.
Так что раз у вас двух жильная проводка то 220 дома есть.
Земля на корпусе. В розетке дома обычно земли нет! Есть ноль и фаза.
Так что раз у вас двух жильная проводка то 220 дома есть.
"Хватит спать пора начинать пришло твое время"
-
sashaK
- Опытный
- Сообщения: 144
- Зарегистрирован: 11 окт 2015, 12:18
- Репутация: 10
- Настоящее имя: Александр
- Откуда: Россия: Екатеринбург, Новоуральск
- Контактная информация:
Re: Den_Sibirskie Tovary
Получается на L3 ничего не подключаем?trafbite писал(а):Вот так нужно подключить от обычной розетки 220В:
Тут я уже сам понял, что написал бред.den_sibirskiy писал(а):L2 - земля (общая земля в помещении, "заземление")
Мужики спасибо за помощь, сегодня еще по разбираюсь, и может надумаю брать эти сервы.
- den_sibirskiy
- Мастер
- Сообщения: 1655
- Зарегистрирован: 12 апр 2014, 17:04
- Репутация: 349
- Настоящее имя: Ден
- Откуда: Иркутск
- Контактная информация:
Re: Den_Sibirskie Tovary
это самое простое, потом еще сигналы подать нужно будет.
"Хватит спать пора начинать пришло твое время"
- den_sibirskiy
- Мастер
- Сообщения: 1655
- Зарегистрирован: 12 апр 2014, 17:04
- Репутация: 349
- Настоящее имя: Ден
- Откуда: Иркутск
- Контактная информация:
Re: Den_Sibirskie Tovary
в общем я успел немного разобраться, помогу потом, мне это не трудно будет, да и форум есть, что я не подскажу другие подскажут. Решайтесь пока есть.
"Хватит спать пора начинать пришло твое время"
-
TAV
- Мастер
- Сообщения: 383
- Зарегистрирован: 08 авг 2013, 13:14
- Репутация: 117
- Настоящее имя: Антон
- Откуда: Иркутск
- Контактная информация:
Re: Den_Sibirskie Tovary
Фактически ноль и земля у нас -это одно и то же
В России глухо заземленная нейтраль
Но естественно ноль как заземление нельзя использовать и наоборот.
Батарея - отличное заземление, по идее между фазой и батареей -220в
В России глухо заземленная нейтраль
Но естественно ноль как заземление нельзя использовать и наоборот.
Батарея - отличное заземление, по идее между фазой и батареей -220в
- den_sibirskiy
- Мастер
- Сообщения: 1655
- Зарегистрирован: 12 апр 2014, 17:04
- Репутация: 349
- Настоящее имя: Ден
- Откуда: Иркутск
- Контактная информация:
Re: Den_Sibirskie Tovary
Ноль и земля не одно и то же!
TAV немного заблуждается, ток конечно есть и напряжение 220, но это не "фазная" цепь.
Советую у кого есть сомнения немного ознакомиться с любой книгой домашнего электрика, это не зазорно, сам себя проверял сейчас.
Сам например убедился что нет, такого не бывает. Зря засомневался.
В общем по нулевому проводу ток возвращается а по фазному течет к потребителю. Все три фазы смещены относительно нуля на 120гр, лишь потому что это выгодно экономически иметь один ноль вместо трех.
Так что все норм, у вас ноль есть.
А земля в наше время есть разве что на производствах, новых домах и частном секторе кто сам строил себе заведомо.
Никогда не используйте землю вместо нуля!! Это опасно! Особенно батареи!
TAV немного заблуждается, ток конечно есть и напряжение 220, но это не "фазная" цепь.
Советую у кого есть сомнения немного ознакомиться с любой книгой домашнего электрика, это не зазорно, сам себя проверял сейчас.
den_sibirskiy писал(а):У вас простите нуля нет разве? Чет я не вкуриваю, люди поправьте. Бывает без нуля три фазы??
Сам например убедился что нет, такого не бывает. Зря засомневался.
В общем по нулевому проводу ток возвращается а по фазному течет к потребителю. Все три фазы смещены относительно нуля на 120гр, лишь потому что это выгодно экономически иметь один ноль вместо трех.
Так что все норм, у вас ноль есть.
А земля в наше время есть разве что на производствах, новых домах и частном секторе кто сам строил себе заведомо.
Никогда не используйте землю вместо нуля!! Это опасно! Особенно батареи!
"Хватит спать пора начинать пришло твое время"