Ввод в эксплуатацию ЧПУ системы на основе контроллера Kflop.

KFlop, KStep, KAnalog, KMotion...

Имеете ли вы контроллер Kflop? :-)

Можно выбрать до 1 варианта ответа

 
 
Результаты голосования

zudwa
Новичок
Сообщения: 14
Зарегистрирован: 31 мар 2013, 12:23
Репутация: 2
Настоящее имя: Леонид
Откуда: Королёв
Контактная информация:

Re: Ввод в эксплуатацию ЧПУ системы на основе контроллера Kf

Сообщение zudwa »

:wtf: Подскажите куда копать.
Имеется
Yaskaswa sigma 2 400w 400w 750w
kflop kanalog konnect прошивка 4.35b
подключено
x vref dac0
y vref dac1
z vref dac2
PAO PBO в соответствии по каналам
PCO opto in 6 7 8 соответственно
S-RDY opto in 3 4 5
XYZ S-ON opto out 7
XYZ ALARM RESET opto out 8

серводрайверы установлены на алюминиевое основание
блоки питания 5 12 24 вольта
5 и 12 заведены в кфлоп и от 12 питается пром пк
24 вольта подключены к реле и оптовходм/выходам севодрайвверов, каналога, коннекта

каналог кфлоп коннект и пк установлены на изолирующих стойках от основания

сначала решил запустить моторы на столе по одному
управление по скорости
ось X настроилась нормально Z тоже
Y при подаче сигнала S-ON почему то думала что у неё задание +10в на входах при этом ничего не было
в режиме контроль момента либо контроль позиции всё нормально
снял плату управления посмотрел на неё прозвонил, что стоит на входах, поменял 4 спаренных диода(BAV199.215) и счетверенный прецизионный ОУ (OP747arz), они стоят перед АЦП AD977, менял честно скажу на обум, но по прозвонке они стояли на входах, причем на 5 других разных блоках того же производителя ни ацп ни счетверенных оу нет они вообще другие.

подключил все в порядке ось настроилась

решил покрутить всеми осями сразу и столкнулся с проблемой при S-ON ось X и Z стоят напряжения задания -0,015 и 0,009 соответственно ось Y ползет задание 0
снова захожу в step response, настраиваюсь, запускаю тест происходит легкий рывок всеми двигателями на каналоге гаснет светодиод и на попытки управления в digital i/o не реагирует кфлоп и коннект при этом работает и на управление отзывается в наличии две платы кфлоп на обеих одинаковое поведение
серводвигатели до этого нормально работали в режиме контроля позиции, потом несколько лет(года так три) лежали, было ли так что в режиме контроля скорости один из них страдал фигней не помню но по моему было но тогда меня контроль скорости не особо волновал

вот мысли две либо что то не так с ЦАП каналога либо с платой серводрайвера либо не так с землями по поводу земель наводит на мысль ибо периодически отваливался серводрайвер по ком порту и были периодические ошибки связи
да провода от каналога до серводрайвера свиты, но не экранированны

вот дальше пока вижу два варианта попробовать использовать канал ацп, а заодно из консоли его проверить и попробовать соединить минус питания и основание
Аватара пользователя
ukr-sasha
Мастер
Сообщения: 3401
Зарегистрирован: 21 мар 2011, 07:47
Репутация: 2181
Настоящее имя: Украинец Александр Григорьевич
Откуда: Киев, Украина
Контактная информация:

Re: Ввод в эксплуатацию ЧПУ системы на основе контроллера Kf

Сообщение ukr-sasha »

Проверять сервы отдельно от кфлопа.
Alex63
Опытный
Сообщения: 143
Зарегистрирован: 13 апр 2015, 07:12
Репутация: 32
Настоящее имя: Александр
Откуда: Новосибирск
Контактная информация:

Re: Ввод в эксплуатацию ЧПУ системы на основе контроллера Kf

Сообщение Alex63 »

Пока Келленбергеру делают механическую часть, занялись следующим станком - большой портальный шлифовальный станок Микромат 14.

У него 3 оси стандартны - X Y Z, еще есть подъем по Z платформы, т е как бы дополнительная ось Z+.
Еще есть идея поставить поворотный стол с возможностью наклона, т е как бы ось А поворотная и B наклон.

Чисто входов - выходов у Кфлопа на такую конфигурацию хватит, без сомнения.

А вот как управляться осями Z+, A, В, как писать программы и будет ли работать эмуляция? Возможен ли такой вариант управления с Кфлопом вообще?
Аватара пользователя
ukr-sasha
Мастер
Сообщения: 3401
Зарегистрирован: 21 мар 2011, 07:47
Репутация: 2181
Настоящее имя: Украинец Александр Григорьевич
Откуда: Киев, Украина
Контактная информация:

Re: Ввод в эксплуатацию ЧПУ системы на основе контроллера Kf

Сообщение ukr-sasha »

Да.
Так, как и остальными осями.
Что такое эмуляция?
Username
Новичок
Сообщения: 10
Зарегистрирован: 19 янв 2019, 19:43
Репутация: 1
Настоящее имя: Павел Эскобарченко
Контактная информация:

Re: Ввод в эксплуатацию ЧПУ системы на основе контроллера Kf

Сообщение Username »

Подскажите пожалуйста. Пришел Kflop (Konnect тоже куплен, но пока еще в пути). Нужно управлять частотником Yaskawa J1000 для включения импульсной маслостанции - включаем мотор на 2 сек, затем 0,5 сек реверс и стоп (такой сценарий нужен имульсным питателям). Скоростью мотора управлять не нужно.
В частотнике есть 5 многофункциональных дискретных входов (Оптронные входы, 24 В=, 8 мA)
В инструкции есть схемы подключения внешнего управления через цифровые входы. Можно ли включать-выключать частотник напрямую с выходов Kflop или Konnekt или нужно что-то еще? Мне хотя бы знать, возможно ли это напрямую, или я не туда копаю. Покупать еще и Kanalog не хотелось бы)
Последний раз редактировалось Username 02 авг 2019, 07:13, всего редактировалось 1 раз.
Duhas
Мастер
Сообщения: 1961
Зарегистрирован: 10 окт 2015, 23:25
Репутация: 285
Настоящее имя: Андрей
Откуда: Красноярск
Контактная информация:

Re: Ввод в эксплуатацию ЧПУ системы на основе контроллера Kf

Сообщение Duhas »

а реверс то зачем импульсным питателям?
Username
Новичок
Сообщения: 10
Зарегистрирован: 19 янв 2019, 19:43
Репутация: 1
Настоящее имя: Павел Эскобарченко
Контактная информация:

Re: Ввод в эксплуатацию ЧПУ системы на основе контроллера Kf

Сообщение Username »

давление падает медленно и питатели из-за этого работают не правильно
Duhas
Мастер
Сообщения: 1961
Зарегистрирован: 10 окт 2015, 23:25
Репутация: 285
Настоящее имя: Андрей
Откуда: Красноярск
Контактная информация:

Re: Ввод в эксплуатацию ЧПУ системы на основе контроллера Kf

Сообщение Duhas »

хм, интересно, обычно вроде без реверса все работает.

konnect-ом можно по идее напрямую, может быть подобрав полярность оптопары.
perpetuum
Новичок
Сообщения: 38
Зарегистрирован: 12 сен 2014, 03:33
Репутация: 0
Контактная информация:

Re: Ввод в эксплуатацию ЧПУ системы на основе контроллера Kf

Сообщение perpetuum »

Доброго дня.
Имею Kflop+Kanalog+Konnect
Вопрос по заземлению всего этого. Не плазма.
Стоит ли соединять землю CN1 серводрайвера и GND кфлопа?
При выходе из строя серводрайвера (кондеры бахнут и т.д.) при пробое на землю не заберет ли серводрайвер все мозги на тот свет? Понятно что основной ток уйдет через толстые провода заземления серводравера, но все же...
Какое УЗО на шкаф? Присутствует ЭМИ фильтр, по даташиту может давать утечку до 18мА.? (шкаф мозг+сервы, отдельно на частотник повесил 3ф 15А 300мА)

Благодарю всех откликнувшихся.
Отдельное спасибо ukr-sasha за мануал.
Igor.K
Новичок
Сообщения: 4
Зарегистрирован: 19 сен 2019, 17:27
Репутация: 0
Настоящее имя: Игорь
Контактная информация:

Re: Ввод в эксплуатацию ЧПУ системы на основе контроллера Kf

Сообщение Igor.K »

Добрый день. подскажите пожалуйста как подключить серву JMC jasd400 к Kflop+kanalog, управлять хочется +-10В. а вот какую взять обратную связь?
серва с абсолютным 23bit энкодером, с мотора в драйвер идет абсолютная координата а вот на на выходе драйвера есть или A B Z или MODBUS, подскажите что лучше использовать и как?
Вложения
driver JMC 400w (6009 просмотров) <a class='original' href='./download/file.php?id=169161&mode=view' target=_blank>Загрузить оригинал (120.71 КБ)</a>
driver JMC 400w
aftaev
Зачётный участник
Зачётный участник
Сообщения: 34042
Зарегистрирован: 04 апр 2010, 19:22
Репутация: 6194
Откуда: Казахстан.
Контактная информация:

Re: Ввод в эксплуатацию ЧПУ системы на основе контроллера Kf

Сообщение aftaev »

Igor.K писал(а):подскажите что лучше использовать и как?
Igor.K писал(а):есть или A B Z
Дилетанту сложные вещи кажутся очень простыми, и только профессионал понимает насколько сложна самая простая вещь
Кто хочет - ищет возможности, кто не хочет - ищет оправдание.
Найди работу по душе и тебе не придется работать.
Igor.K
Новичок
Сообщения: 4
Зарегистрирован: 19 сен 2019, 17:27
Репутация: 0
Настоящее имя: Игорь
Контактная информация:

Re: Ввод в эксплуатацию ЧПУ системы на основе контроллера Kf

Сообщение Igor.K »

Продолжение глупых вопросов: если с энкодера я заведу A B Z, то то я не смогу подключить 5 серв, не хватит входов, да?
Duhas
Мастер
Сообщения: 1961
Зарегистрирован: 10 окт 2015, 23:25
Репутация: 285
Настоящее имя: Андрей
Откуда: Красноярск
Контактная информация:

Re: Ввод в эксплуатацию ЧПУ системы на основе контроллера Kf

Сообщение Duhas »

хватит.
Igor.K
Новичок
Сообщения: 4
Зарегистрирован: 19 сен 2019, 17:27
Репутация: 0
Настоящее имя: Игорь
Контактная информация:

Re: Ввод в эксплуатацию ЧПУ системы на основе контроллера Kf

Сообщение Igor.K »

1. Если у меня абсолютный энкодер, могу ли я привязать машинные кординаты 0 к положению по энкодеру, а не по концевику?

спасибо.
Igor.K
Новичок
Сообщения: 4
Зарегистрирован: 19 сен 2019, 17:27
Репутация: 0
Настоящее имя: Игорь
Контактная информация:

Re: Ввод в эксплуатацию ЧПУ системы на основе контроллера Kf

Сообщение Igor.K »

Еще один вопрос. в программах все оперируют некими адресами(пинами) используя KAnalog, пересмотрел документацию и не наше таблицы соответствия. она есть? например Limit switch 136 - 137? но в документации это jp15 0. ???
Smouk
Кандидат
Сообщения: 76
Зарегистрирован: 08 ноя 2016, 16:36
Репутация: 32
Настоящее имя: Алексей
Контактная информация:

Re: Ввод в эксплуатацию ЧПУ системы на основе контроллера Kf

Сообщение Smouk »

Не знаю на сколько это актуально через месяц, но может в будущем кому то поможет:
1. Физические выводы KAnalog можно посмотреть тут:
https://dynomotion.com/Help/Russian/Sch ... nalog.html
2. Программные номера тут:
https://dynomotion.com/Help/Russian/Sch ... nalog.html

Общей таблицы не видел.
Brestden
Кандидат
Сообщения: 58
Зарегистрирован: 20 окт 2015, 21:12
Репутация: 61
Настоящее имя: Андросюк Андрей
Откуда: Беларусь, г. Брест
Контактная информация:

Re: Ввод в эксплуатацию ЧПУ системы на основе контроллера Kf

Сообщение Brestden »

Здравствуйте форумчане, скажите будет ли работать такая схема?
Вложения
Картинка MPG.png (5255 просмотров) <a class='original' href='./download/file.php?id=171022&mode=view' target=_blank>Загрузить оригинал (195.25 КБ)</a>
Brestden
Кандидат
Сообщения: 58
Зарегистрирован: 20 окт 2015, 21:12
Репутация: 61
Настоящее имя: Андросюк Андрей
Откуда: Беларусь, г. Брест
Контактная информация:

Re: Ввод в эксплуатацию ЧПУ системы на основе контроллера Kf

Сообщение Brestden »

За основу брал вот эту схему
Вложения
Shema.png (5255 просмотров) <a class='original' href='./download/file.php?id=171023&mode=view' target=_blank>Загрузить оригинал (52.86 КБ)</a>
mial
Новичок
Сообщения: 12
Зарегистрирован: 06 ноя 2019, 11:09
Репутация: 5
Контактная информация:

Re: Ввод в эксплуатацию ЧПУ системы на основе контроллера Kf

Сообщение mial »

Brestden будет, там подтяжка к земле 150 Ом. Но я бы сделал по другому. По входу оптопара в привычном режиме, резистор в цепи коллектора, эмиттер на GND. Далее с коллектора на вход инвертируещего триггера Шмитта, к примеру 74LVC14AD. Будет надежно, и более помехоустойчиво.
megablast3000
Кандидат
Сообщения: 40
Зарегистрирован: 04 дек 2012, 20:08
Репутация: 9
Контактная информация:

Re: Ввод в эксплуатацию ЧПУ системы на основе контроллера Kf

Сообщение megablast3000 »

Здравствуйте, кто-нибудь сможет ответить на пару вопросов)
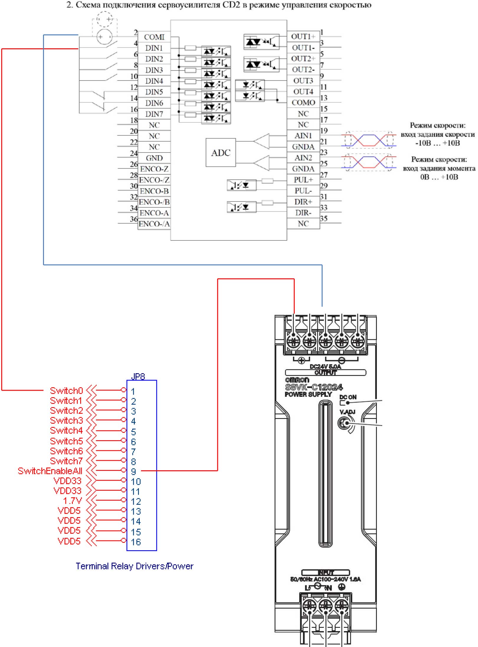
1. Если я ничего не путаю, то логика работы порта JP8 должна быть такой: если подать питание +24V на пин SwitchEnableAll, то при нажатии INIT в KMCNC, питание появится на портах Switch0…7 (при условии, что в файле конфигурации прописано SetBit(152…159)). Что подтверждает эксперимент - после нажатии INIT, контакты SwitchEnableAll <-> Switch0…7 звонятся. Вроде всё понятно, я подключил активацию сервопривода, как на прикрепленной картинке, подаю питание на SwitchEnableAll, … и включается драйвер, при этом кнопку INIT не нажимал.
2. Я установил один БП 24V на шкаф, с него у меня запитаны контакторы, логика драйверов, и если с этого же БП подать напряжение на пин SwitchEnableAll, БП уходит в защиту. Пришлось запитывать от другого БП. Почему так происходит?
Вложения
SwEnAll.jpg (4918 просмотров) <a class='original' href='./download/file.php?id=171793&mode=view' target=_blank>Загрузить оригинал (211.62 КБ)</a>
Ответить

Вернуться в «KFlop»