"Бобр2"

Тяжелые фрезерные станки по металлу.
Аватара пользователя
sima8520
Почётный участник
Почётный участник
Сообщения: 4509
Зарегистрирован: 24 ноя 2016, 23:35
Репутация: 1617
Настоящее имя: Илья
Откуда: Беларусь, Гомель
Контактная информация:

Re: Под кодовым именем "Бобр2"

Сообщение sima8520 »

ну всё, на фотку попала надпись Хивин, сейчас придет cncsam и будет писать что это подделка
Аватара пользователя
shalek
Почётный участник
Почётный участник
Сообщения: 3023
Зарегистрирован: 25 авг 2014, 10:40
Репутация: 2583
Настоящее имя: Александр
Откуда: РБ Бобруйск
Контактная информация:

Re: Под кодовым именем "Бобр2"

Сообщение shalek »

sima8520 писал(а):
ну всё, на фотку попала надпись Хивин, сейчас придет cncsam и будет писать что это подделка
Тогда "Кюгель" попал. Огорчу. Это оригинал от оффициалов!
Если ты не можешь решить проблему, значит это не твоя проблема!
Мой канал на YouTube: YouTube
ЧПУ "Бобр" 600x500 мм
shalek64@gmail.com
Аватара пользователя
Serg
Мастер
Сообщения: 21923
Зарегистрирован: 17 апр 2012, 14:58
Репутация: 5183
Заслуга: c781c134843e0c1a3de9
Настоящее имя: Сергей
Откуда: Москва
Контактная информация:

Re: Под кодовым именем "Бобр2"

Сообщение Serg »

sima8520 писал(а):ну всё, на фотку попала надпись Хивин, сейчас придет cncsam и будет писать что это подделка
Вот как раз-то cncsam и не будет. А вот за остальных не уверен... :hehehe:
Я не Христос, рыбу не раздаю, но могу научить, как сделать удочку...
Аватара пользователя
Umnik
Мастер
Сообщения: 2563
Зарегистрирован: 20 июл 2014, 19:32
Репутация: 2153
Настоящее имя: Георгий
Откуда: Калуга
Контактная информация:

Re: Под кодовым именем "Бобр2"

Сообщение Umnik »

очковая операция какая...
Метчик сломать совсем не хотелось бы)
aftaev
Зачётный участник
Зачётный участник
Сообщения: 34042
Зарегистрирован: 04 апр 2010, 19:22
Репутация: 6194
Откуда: Казахстан.
Контактная информация:

Re: Под кодовым именем "Бобр2"

Сообщение aftaev »

:attention: часть сообщение отделено в новую тему: Бредовые идеи диванных станкостроителей #1
Дилетанту сложные вещи кажутся очень простыми, и только профессионал понимает насколько сложна самая простая вещь
Кто хочет - ищет возможности, кто не хочет - ищет оправдание.
Найди работу по душе и тебе не придется работать.
Hugo
Мастер
Сообщения: 1369
Зарегистрирован: 15 окт 2018, 19:39
Репутация: 303
Настоящее имя: Юрий
Контактная информация:

Re: Под кодовым именем "Бобр2"

Сообщение Hugo »

Как успехи? Бетонная станина готова?
Аватара пользователя
shalek
Почётный участник
Почётный участник
Сообщения: 3023
Зарегистрирован: 25 авг 2014, 10:40
Репутация: 2583
Настоящее имя: Александр
Откуда: РБ Бобруйск
Контактная информация:

Re: Под кодовым именем "Бобр2"

Сообщение shalek »

Hugo писал(а): 09 ноя 2020, 18:41 Как успехи? Бетонная станина готова?
Пока нет. Но процесс идет. Немного закладных напилил. Куча отверстий с резьбами. Покроил МДФ на опалубку. Нужно в кучу все собирать. Планирую в январе-феврале отлить.
IMG_20201007_163750.jpg (5416 просмотров) <a class='original' href='./download/file.php?id=188562&mode=view' target=_blank>Загрузить оригинал (1.23 МБ)</a>
IMG_20201007_163841.jpg (5416 просмотров) <a class='original' href='./download/file.php?id=188563&mode=view' target=_blank>Загрузить оригинал (1.08 МБ)</a>
IMG_20201109_195613.jpg (5416 просмотров) <a class='original' href='./download/file.php?id=188564&mode=view' target=_blank>Загрузить оригинал (1 МБ)</a>
Screenshot - 30.10.2020 , 21_38_23.png (5410 просмотров) <a class='original' href='./download/file.php?id=188565&mode=view' target=_blank>Загрузить оригинал (881.01 КБ)</a>
Screenshot - 30.10.2020 , 21_38_46.png (5410 просмотров) <a class='original' href='./download/file.php?id=188566&mode=view' target=_blank>Загрузить оригинал (973.69 КБ)</a>
Если ты не можешь решить проблему, значит это не твоя проблема!
Мой канал на YouTube: YouTube
ЧПУ "Бобр" 600x500 мм
shalek64@gmail.com
Hugo
Мастер
Сообщения: 1369
Зарегистрирован: 15 окт 2018, 19:39
Репутация: 303
Настоящее имя: Юрий
Контактная информация:

Re: Под кодовым именем "Бобр2"

Сообщение Hugo »

Ждемс..., красивый проект у вас!

Особенно ждём видео заливки опалубки бетоном, простое и практичные видео... как закладные заложены перед заливкой, как заливка осуществляется, какая вибрация... интересно посмотреть.
Аватара пользователя
shalek
Почётный участник
Почётный участник
Сообщения: 3023
Зарегистрирован: 25 авг 2014, 10:40
Репутация: 2583
Настоящее имя: Александр
Откуда: РБ Бобруйск
Контактная информация:

Re: Под кодовым именем "Бобр2"

Сообщение shalek »

Пробовал программу G-Code Ripper. Так, как на теперешнем бобре рельсы особо не выставлял ибо заточено все было под деревяшки, а бетонную "чушку" хочу под свой портал затянуть и обработать под рельсы и прочее на нем, то попробовал сею программу для коррекции кривизны. Если присмотреться, то видна обработка плоскостей с изменением по Z. По факту ставлю линейку на таким образом обработанную плоскость и наблюдаю полное прилегание, чего не мог гарантировать ранее.
Если ты не можешь решить проблему, значит это не твоя проблема!
Мой канал на YouTube: YouTube
ЧПУ "Бобр" 600x500 мм
shalek64@gmail.com
Аватара пользователя
asher
Опытный
Сообщения: 114
Зарегистрирован: 02 июл 2019, 12:56
Репутация: 2
Контактная информация:

Re: Под кодовым именем "Бобр2"

Сообщение asher »

Надеюсь на детальное описание процесса, очень интересный проект
VAT
Мастер
Сообщения: 1222
Зарегистрирован: 22 окт 2017, 22:17
Репутация: 28
Настоящее имя: Вадим
Откуда: Москва

Re: Под кодовым именем "Бобр2"

Сообщение VAT »

Почему то местами уничижительное отношение к "люминю" - вообще-то люминь в 4 раза жестче бетона.
Учитывая плотность - люминь может и сталь уделать, не говоря уже о чугуне.
Для движущихся с ускорениями частей самое то, кмк.

по поводу нагрева
Значит алюминиевый бак литров на 20-25 решает проблему. На крайний случай на бак можно посадить лёгкий обдув
вот. а как же закон сохранения энергии?
воздушник просто моментально откачивает тепло от источника и рассеивает по всему помещению. теплоемкость воздуха мала и если помещение закрытое то температура источника будет продолжать расти так как растет температура охлаждающего воздуха.
а с баком просто отложенный эффект - все то же самое только через бОльшее время.
Могут еще и конструкции отличаться и вообще максимальная рабочая температура подшипников.
в игноре:
Афтаев
Аватара пользователя
shalek
Почётный участник
Почётный участник
Сообщения: 3023
Зарегистрирован: 25 авг 2014, 10:40
Репутация: 2583
Настоящее имя: Александр
Откуда: РБ Бобруйск
Контактная информация:

Re: Под кодовым именем "Бобр2"

Сообщение shalek »

Всех приветствую!
Так получалось, что больше читал форум чем писал. Подвижек из-за нехватки времени почти не было.
Станина тихонько лежала на балконе и ждала своего часа. Вот, вроде бы, и настал тот час. Шпаклевка, грунтовка и покраска.
Дальше буду заниматься выставлением рельс и прочими делами.
IMG_20210728_205049-1.jpg (4566 просмотров) <a class='original' href='./download/file.php?id=197213&mode=view' target=_blank>Загрузить оригинал (449.03 КБ)</a>
IMG_20210728_205117-1.jpg (4566 просмотров) <a class='original' href='./download/file.php?id=197214&mode=view' target=_blank>Загрузить оригинал (407.23 КБ)</a>
IMG_20210808_142344-1.jpg (4566 просмотров) <a class='original' href='./download/file.php?id=197215&mode=view' target=_blank>Загрузить оригинал (1.07 МБ)</a>
IMG_20210808_142359-1.jpg (4566 просмотров) <a class='original' href='./download/file.php?id=197216&mode=view' target=_blank>Загрузить оригинал (355.97 КБ)</a>
IMG_20210808_142431-1.jpg (4566 просмотров) <a class='original' href='./download/file.php?id=197217&mode=view' target=_blank>Загрузить оригинал (358.65 КБ)</a>
Если ты не можешь решить проблему, значит это не твоя проблема!
Мой канал на YouTube: YouTube
ЧПУ "Бобр" 600x500 мм
shalek64@gmail.com
Hugo
Мастер
Сообщения: 1369
Зарегистрирован: 15 окт 2018, 19:39
Репутация: 303
Настоящее имя: Юрий
Контактная информация:

Re: Под кодовым именем "Бобр2"

Сообщение Hugo »

Выглядит очень достойно!
Рельсы в пазах сделаны (упор к бортику), катаются по часовому индикатору ровно? то есть получилось ровно сделать до бетонирования выставить, и после бетонирования, после высыхания осталось ровно?
Многие, как я понял, по этой причине бурт не делают, а ставят винты и внутренности (цилиндры) от подшипников, которые регулируют рельс.
Аватара пользователя
shalek
Почётный участник
Почётный участник
Сообщения: 3023
Зарегистрирован: 25 авг 2014, 10:40
Репутация: 2583
Настоящее имя: Александр
Откуда: РБ Бобруйск
Контактная информация:

Re: Под кодовым именем "Бобр2"

Сообщение shalek »

Hugo писал(а): 08 авг 2021, 16:40 Выглядит очень достойно!
Рельсы в пазах сделаны (упор к бортику), катаются по часовому индикатору ровно? то есть получилось ровно сделать до бетонирования выставить, и после бетонирования, после высыхания осталось ровно?
Многие, как я понял, по этой причине бурт не делают, а ставят винты и внутренности (цилиндры) от подшипников, которые регулируют рельс.
Я не выставлял закладные по индикатору до заливки. Просто уложил их в карманы и все. Пазы под рельсы и ШВП фрезеровал уже по месту, на отлитой станине. Сейчас прикрутил как есть и проехал индикатором. Пару соток в некоторых местах гуляет. но я пока ничего не юстировал. Тупо винтами рельсы прикрутил. Чуть позже займусь юстировкой. Хочу в сотку (не более) выставить.
https://www.youtube.com/watch?v=YzhRN9THp58
https://www.youtube.com/watch?v=tvrXg_lPoes
https://www.youtube.com/watch?v=BrfMsYF_BhU
Если ты не можешь решить проблему, значит это не твоя проблема!
Мой канал на YouTube: YouTube
ЧПУ "Бобр" 600x500 мм
shalek64@gmail.com
Аватара пользователя
sima8520
Почётный участник
Почётный участник
Сообщения: 4509
Зарегистрирован: 24 ноя 2016, 23:35
Репутация: 1617
Настоящее имя: Илья
Откуда: Беларусь, Гомель
Контактная информация:

Re: Под кодовым именем "Бобр2"

Сообщение sima8520 »

Вообще супер получается!
Саня, ты молодец!
Hugo
Мастер
Сообщения: 1369
Зарегистрирован: 15 окт 2018, 19:39
Репутация: 303
Настоящее имя: Юрий
Контактная информация:

Re: Под кодовым именем "Бобр2"

Сообщение Hugo »

Я смотрю ты контроллер (axbb-e) выбрал UCCNC, как первое ощущение по сравнению с матчем? Не жалеешь? И как подключение было - простое?

У меня два станка, один с mach3 с народной версией и 2 станок с UCCNC, мне больше нравится uccnc, ставь на любой компьютер, загружаешь любые фоновые программы, ничего не мешает, сбоев нету, работает в фоновом режиме... пока я проект другой делаю... всё работает без геморроя, плюс лицензия включена.
Аватара пользователя
shalek
Почётный участник
Почётный участник
Сообщения: 3023
Зарегистрирован: 25 авг 2014, 10:40
Репутация: 2583
Настоящее имя: Александр
Откуда: РБ Бобруйск
Контактная информация:

Re: Под кодовым именем "Бобр2"

Сообщение shalek »

Hugo писал(а): Я смотрю ты контроллер (axbb-e) выбрал UCCNC, как первое ощущение по сравнению с матчем? Не жалеешь? И как подключение было - простое?
Нет, не жалею. Конечно, с Мачем не сравнить.
По подключению особых проблем не испытывал. Подключал все поэтапно. Сначала частотник Дельту прикрутил, потом датчики дома. Затем резисторы подвесил для управлением оборотами и подачей. Все работает. Еще пару подключений сделаю позже. Хочу еще крутилку ручного генератора пристроить, но пока не знаю как.
AXBB-E.jpg (4303 просмотра) <a class='original' href='./download/file.php?id=197256&mode=view' target=_blank>Загрузить оригинал (8.03 МБ)</a>
AXBB-E.png (4303 просмотра) <a class='original' href='./download/file.php?id=197257&mode=view' target=_blank>Загрузить оригинал (108.58 КБ)</a>
Если ты не можешь решить проблему, значит это не твоя проблема!
Мой канал на YouTube: YouTube
ЧПУ "Бобр" 600x500 мм
shalek64@gmail.com
NikolayUa24
Мастер
Сообщения: 1407
Зарегистрирован: 31 июл 2013, 20:05
Репутация: 256
Настоящее имя: Николай
Контактная информация:

Re: Под кодовым именем "Бобр2"

Сообщение NikolayUa24 »

shalek писал(а): Хочу еще крутилку ручного генератора пристроить, но пока не знаю как.
канал automateanything видео uccnc mpg verus x box controller
Страдания ведут человека к совершенству.
Аватара пользователя
shalek
Почётный участник
Почётный участник
Сообщения: 3023
Зарегистрирован: 25 авг 2014, 10:40
Репутация: 2583
Настоящее имя: Александр
Откуда: РБ Бобруйск
Контактная информация:

Re: Под кодовым именем "Бобр2"

Сообщение shalek »

NikolayUa24 писал(а): канал automateanything видео uccnc mpg verus x box controller
Я видел это. Конечно, с настройками поможет, но не понятно как подключал пульт к плате. Я только хочу поставить на панель колесо и переключатель осей. Планирую из ноута типа стойки замутить. Экран, под ним клавиатура, пару резисторов SRO и FRO, переключатель осей с колесом и E-Stop. у может еще пару кнопок физических включения и выкл. .
Если ты не можешь решить проблему, значит это не твоя проблема!
Мой канал на YouTube: YouTube
ЧПУ "Бобр" 600x500 мм
shalek64@gmail.com
NikolayUa24
Мастер
Сообщения: 1407
Зарегистрирован: 31 июл 2013, 20:05
Репутация: 256
Настоящее имя: Николай
Контактная информация:

Re: Под кодовым именем "Бобр2"

Сообщение NikolayUa24 »

shalek писал(а): с настройками поможет.
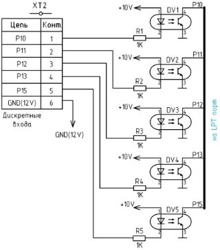
Там нечего настраивать.Нужна доп плата типа опторозвязка под Port 3 Input (вход) можно использовать (Китай) опторозвязка на 5 осей.
Port 2
MPG
A-14-
B15-
попробовать выкроить 1 пин под Х 0.01 164

Port 3 Input (вход) можно использовать (Китай) опторозвязка на 5 осей.
pin
10 - X select 220
11 - Y select 221
12 - Z select 222
13 - X 0.1 165
15 - X 1 166

I/O TRIGGER
INPUT TRIGGER или OUTPUT TRIGGER через Set выбирай что нужно назначить,прописать порт и пин.
MPG генератор прописать порт и пин.
MPG prescaler: 10 MPG filter const.: 30
MPG spd mult..: 5

В папке Documentation есть номера кнопок,Led и т.д
Вложения
Или городить свое взамен под порт 3 (Китай) опторозвязка на 5 осей. (4200 просмотров) <a class='original' href='./download/file.php?id=197261&mode=view' target=_blank>Загрузить оригинал (23.3 КБ)</a>
Или городить свое взамен под порт 3 (Китай) опторозвязка на 5 осей.
Страдания ведут человека к совершенству.
Ответить

Вернуться в «Фрезерные станки по металлам»