DDCSV1.1 Китайский контроллер 4 оси

Контроллеры, драйверы, датчики, управляющие устройства.
ik67
Новичок
Сообщения: 30
Зарегистрирован: 07 янв 2018, 17:53
Репутация: 0
Настоящее имя: Баранов Вячеслав Анатольевич
Контактная информация:

Re: DDCSV1.1 Китайский контроллер 4 оси

Сообщение ik67 »

Даже без микрометра видно фреза не доходит. Это при одном проходе Если УП длинная, фреза уходит еще дальше. И так по всем трем осям. Подозреваю, что все это из за драйверов.
Вложения
Фреза в нуле (5147 просмотров) <a class='original' href='./download/file.php?id=135505&mode=view' target=_blank>Загрузить оригинал (5.14 МБ)</a>
Фреза в нуле
На контроллере ноль (5147 просмотров) <a class='original' href='./download/file.php?id=135506&mode=view' target=_blank>Загрузить оригинал (6.16 МБ)</a>
На контроллере ноль
Фреза передвинута на 239 мм по оси Н (5147 просмотров) <a class='original' href='./download/file.php?id=135507&mode=view' target=_blank>Загрузить оригинал (5.48 МБ)</a>
Фреза передвинута на 239 мм по оси Н
На контроллере фреза не дошла (5147 просмотров) <a class='original' href='./download/file.php?id=135508&mode=view' target=_blank>Загрузить оригинал (7.79 МБ)</a>
На контроллере фреза не дошла
Аватара пользователя
Taganrog
Мастер
Сообщения: 1238
Зарегистрирован: 15 апр 2015, 16:32
Репутация: 284
Настоящее имя: Евгений
Откуда: Брянск
Контактная информация:

Re: DDCSV1.1 Китайский контроллер 4 оси

Сообщение Taganrog »

не ту линейку для проверки взяли. Эти деревянные линейки сами врут на длине 40см на целый миллиметр!!!
ik67
Новичок
Сообщения: 30
Зарегистрирован: 07 янв 2018, 17:53
Репутация: 0
Настоящее имя: Баранов Вячеслав Анатольевич
Контактная информация:

Re: DDCSV1.1 Китайский контроллер 4 оси

Сообщение ik67 »

А чем проверить не имея микрометра? Хотя после отработки УП, фреза уходит в ноль. И вот здесь конкретно видно идет смещение
ik67
Новичок
Сообщения: 30
Зарегистрирован: 07 янв 2018, 17:53
Репутация: 0
Настоящее имя: Баранов Вячеслав Анатольевич
Контактная информация:

Re: DDCSV1.1 Китайский контроллер 4 оси

Сообщение ik67 »

Taganrog писал(а):не ту линейку для проверки взяли. Эти деревянные линейки сами врут на длине 40см на целый миллиметр!!!
Вот результаты замера штангелем. В чем причина, контроллер или драйвера? :thinking:
Вложения
1.jpg (5097 просмотров) <a class='original' href='./download/file.php?id=135620&mode=view' target=_blank>Загрузить оригинал (5.75 МБ)</a>
2.jpg (5097 просмотров) <a class='original' href='./download/file.php?id=135621&mode=view' target=_blank>Загрузить оригинал (5.08 МБ)</a>
3.jpg (5097 просмотров) <a class='original' href='./download/file.php?id=135622&mode=view' target=_blank>Загрузить оригинал (5.42 МБ)</a>
4.jpg (5097 просмотров) <a class='original' href='./download/file.php?id=135623&mode=view' target=_blank>Загрузить оригинал (6.14 МБ)</a>
ЮРИЙ 1812
Кандидат
Сообщения: 46
Зарегистрирован: 20 мар 2015, 17:21
Репутация: 10
Настоящее имя: Юрий
Контактная информация:

Re: DDCSV1.1 Китайский контроллер 4 оси

Сообщение ЮРИЙ 1812 »

Мерить штангелем, особенно дешевым электронным это не выход. Из личной практики эл.штангель легко врет на 70 мм на.0,25, и это не предел. Можно доверять только измерительным плиткам и индикаторам. Все остальное - линейки, штангель циркуль, это все почти "на глаз". Лично я, на работе калибруюсь по владышам -эталонам + кляузник (рычажный индикатор). Дома российский индикатор фирмы "Микрон" 0-50, и то может быть расхождение до 0,02.мм
Аватара пользователя
Taganrog
Мастер
Сообщения: 1238
Зарегистрирован: 15 апр 2015, 16:32
Репутация: 284
Настоящее имя: Евгений
Откуда: Брянск
Контактная информация:

Re: DDCSV1.1 Китайский контроллер 4 оси

Сообщение Taganrog »

ЮРИЙ 1812 писал(а):Из личной практики эл.штангель легко врет на 70 мм на.0,25
Тоже был такой,перешел на советский, но в соседней теме
http://www.cnc-club.ru/forum/viewtopic. ... 37#p423935
люди утверждают что фирменный инструмент достаточно точный . И судя по фото у автора инструмент из этой серии.

П.С.
По сути вопроса. Отклонение всегда нарастающее ? Зависит от пройденного пути по прямой ? Если да - посмотрите установку параметра импульсов/на милиметр в контроллере. Если появляется хаотично и не всегда или сильно разнятся смещения посмотрите кабели (обломы, плохой контакт,помехи) . Изменение координат только по 1 оси? Если нет то врядли драйвера. Это сильно должно неповести, чтоб все драйвера оказались бракованные.
ik67
Новичок
Сообщения: 30
Зарегистрирован: 07 янв 2018, 17:53
Репутация: 0
Настоящее имя: Баранов Вячеслав Анатольевич
Контактная информация:

Re: DDCSV1.1 Китайский контроллер 4 оси

Сообщение ik67 »

Taganrog писал(а):По сути вопроса. Отклонение всегда нарастающее ? Зависит от пройденного пути по прямой ? Если да - посмотрите установку параметра импульсов/на милиметр в контроллере. Если появляется хаотично и не всегда или сильно разнятся смещения посмотрите кабели (обломы, плохой контакт,помехи) . Изменение координат только по 1 оси? Если нет то врядли драйвера. Это сильно должно неповести, чтоб все драйвера оказались бракованные.
Как уже писал ранее "Шаговый двигатель 200 шаг/об. На драйвере установил 1/16 микрошага. Шаг винта 4 мм.( измерил штангелем). Параметр Steps per установил 800." Уходят все три оси. Чем длиннее управляющая программа, тем больше уходит. Я уже заказал новые драйверы DM542 Leadshine. TB6600 по факту оказался TB67S109AFTG. А узнал прочитав эту статью https://mysku.ru/blog/aliexpress/42324.html
Alexsem76
Кандидат
Сообщения: 51
Зарегистрирован: 19 июн 2017, 11:11
Репутация: 16
Настоящее имя: Алексей Семёнов
Контактная информация:

Re: DDCSV1.1 Китайский контроллер 4 оси

Сообщение Alexsem76 »

Здравствуйте всем! Хочу вставить свои пять копеек. Может кому будет полезно. Кто планирует покупать и пользовать автономный контроллер DDCSV 1.1 или 2.1 и не хочет проблем с ним - не подключайте питание датчиков (если используете индуктивные 3-х проводные) к выходам +12В контроллера. Для этого можно купить и использовать внешний DC-DC преобразователь на 12В и подключить его к питанию контроллера 18-32В. Внутренний DC-DC преобразователь греется как утюг (он рассчитан на максимальный ток 250мА.) Контроллер начинает глючить. 2 месяца пытались выловить возникающие ошибки при обработке больших файлов. Сегодня все таки получилось.
atomichammer
Опытный
Сообщения: 136
Зарегистрирован: 20 янв 2017, 13:10
Репутация: 7
Настоящее имя: Anton
Откуда: Алматы
Контактная информация:

Re: DDCSV1.1 Китайский контроллер 4 оси

Сообщение atomichammer »

ik67 писал(а): Как уже писал ранее "Шаговый двигатель 200 шаг/об. На драйвере установил 1/16 микрошага. Шаг винта 4 мм.( измерил штангелем). Параметр Steps per установил 800." Уходят все три оси. Чем длиннее управляющая программа, тем больше уходит.
Ну не всегда число шагов на мм бывает круглым. Можно попробовать через пропорцию посчитать, какое надо поставить число, чтобы более-менее точно было. А еще люфты же. Но это индикатор нужен, чтобы ловить эти вещи.
Argentum47
Мастер
Сообщения: 911
Зарегистрирован: 05 июн 2015, 10:00
Репутация: 110
Откуда: Саратов
Контактная информация:

Re: DDCSV1.1 Китайский контроллер 4 оси

Сообщение Argentum47 »

atomichammer писал(а):
ik67 писал(а): Как уже писал ранее "Шаговый двигатель 200 шаг/об. На драйвере установил 1/16 микрошага. Шаг винта 4 мм.( измерил штангелем). Параметр Steps per установил 800." Уходят все три оси. Чем длиннее управляющая программа, тем больше уходит.
Ну не всегда число шагов на мм бывает круглым. Можно попробовать через пропорцию посчитать, какое надо поставить число, чтобы более-менее точно было. А еще люфты же. Но это индикатор нужен, чтобы ловить эти вещи.
да драйвера говно, был бы steps per неверный - в ноль бы всё равно приходило ровно. Видел я ТВ6600 которые врут не меньше PLD86
ЮРИЙ 1812
Кандидат
Сообщения: 46
Зарегистрирован: 20 мар 2015, 17:21
Репутация: 10
Настоящее имя: Юрий
Контактная информация:

Re: DDCSV1.1 Китайский контроллер 4 оси

Сообщение ЮРИЙ 1812 »

всем добрый день, сегодня получил свой контроллер но нужна помощь , в инструкции подключен совсем не тот драйвер что мне нужен, если кто может подскажите как подключить драйвер М542 ,не силен в электрике, если можно фото или схему, и еще нет ли ошибки в ин---ции на картинке при подключении драйвера а именно минуса к контроллеру та ли клемма , жду помощь,
Аватара пользователя
iMaks-RS
Мастер
Сообщения: 1807
Зарегистрирован: 10 июл 2017, 09:25
Репутация: 205
Настоящее имя: Maks
Откуда: От туда.
Контактная информация:

Re: DDCSV1.1 Китайский контроллер 4 оси

Сообщение iMaks-RS »

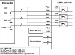
У драйвера на фото, сверху первые выводы - EN+/-, а 542го - PUL+/-.

К сожалению у меня пока нет такого контроллера.. но подключение ни чем не отличается от того, что в инструкции +5V ->Pul+ и Dir+, StepX -> Pul-, DirX -> Dir-
ЮРИЙ 1812
Кандидат
Сообщения: 46
Зарегистрирован: 20 мар 2015, 17:21
Репутация: 10
Настоящее имя: Юрий
Контактная информация:

Re: DDCSV1.1 Китайский контроллер 4 оси

Сообщение ЮРИЙ 1812 »

значит, PUI+5 и DIR+5 в верхнее левое гнездо, +5V-S 2 PUI- в StepX второе с лево и 3 Dir- в DirX нижний ряд 2 гнездо ,и еще что в гнездо GND . и что с ENA+ ENA -
Аватара пользователя
iMaks-RS
Мастер
Сообщения: 1807
Зарегистрирован: 10 июл 2017, 09:25
Репутация: 205
Настоящее имя: Maks
Откуда: От туда.
Контактная информация:

Re: DDCSV1.1 Китайский контроллер 4 оси

Сообщение iMaks-RS »

Да всё стандартно.. На счёт En+/- - не скажу, не сталкивался с их использованием..
Вложения
typical-connection-dm542.jpg (4778 просмотров) <a class='original' href='./download/file.php?id=136966&mode=view' target=_blank>Загрузить оригинал (87.18 КБ)</a>
ЮРИЙ 1812
Кандидат
Сообщения: 46
Зарегистрирован: 20 мар 2015, 17:21
Репутация: 10
Настоящее имя: Юрий
Контактная информация:

Re: DDCSV1.1 Китайский контроллер 4 оси

Сообщение ЮРИЙ 1812 »

рискну, но если у кого есть в таком комплекте просьба схемку или готовое фото,
Аватара пользователя
iMaks-RS
Мастер
Сообщения: 1807
Зарегистрирован: 10 июл 2017, 09:25
Репутация: 205
Настоящее имя: Maks
Откуда: От туда.
Контактная информация:

Re: DDCSV1.1 Китайский контроллер 4 оси

Сообщение iMaks-RS »

Может кто подсказать, есть ли такая фишка у данного контроллера, как у DSP-5416 - "Mill Table" - выравнивать поверхность стола.. удобная фишка, т.к можно самому задать параметры фрезеования поверхности.. Не критично наличие.. но очень удобно.. думаю вывести в основное меню пульта.. (использую для выравнивая поверхности заготовки)
ЮРИЙ 1812
Кандидат
Сообщения: 46
Зарегистрирован: 20 мар 2015, 17:21
Репутация: 10
Настоящее имя: Юрий
Контактная информация:

Re: DDCSV1.1 Китайский контроллер 4 оси

Сообщение ЮРИЙ 1812 »

всем привет, все вроде заработала, теперь еще вопрос, кто подскажет где в этом чуде ввод коррекции инструмента D и L диаметр и длинна, может есть библиотека, таблица, или как в хеденхайн в начале и этого достаточно,
goldmen8
Кандидат
Сообщения: 42
Зарегистрирован: 07 авг 2017, 22:52
Репутация: 7
Настоящее имя: Александр.
Контактная информация:

Re: DDCSV1.1 Китайский контроллер 4 оси

Сообщение goldmen8 »

ЮРИЙ 1812 писал(а):...где в этом чуде ввод коррекции инструмента D и L диаметр и длинна, может есть библиотека, таблица, или как ...
В этом "чуде" этого всего нет... :wik:
Есть только "или как" коррекция "0" при смене инструмента...
atomichammer
Опытный
Сообщения: 136
Зарегистрирован: 20 янв 2017, 13:10
Репутация: 7
Настоящее имя: Anton
Откуда: Алматы
Контактная информация:

Re: DDCSV1.1 Китайский контроллер 4 оси

Сообщение atomichammer »

goldmen8 писал(а):
ЮРИЙ 1812 писал(а):...где в этом чуде ввод коррекции инструмента D и L диаметр и длинна, может есть библиотека, таблица, или как ...
В этом "чуде" этого всего нет... :wik:
Есть только "или как" коррекция "0" при смене инструмента...
Не, ну что-то там есть, в конце списка параметров. Dxx и Hxx какие-то. Я сам не пользовался, но вроде это оно?
Вот тут альтернативная прошивка и конфигуратор удобный http://config.pandora-cnc.eu/
goldmen8
Кандидат
Сообщения: 42
Зарегистрирован: 07 авг 2017, 22:52
Репутация: 7
Настоящее имя: Александр.
Контактная информация:

Re: DDCSV1.1 Китайский контроллер 4 оси

Сообщение goldmen8 »

atomichammer писал(а):Я сам не пользовался, но вроде это оно?
Значит надо попробовать и рассказать народу, как этим пользоваться.
Диаметр инструмента закладывается при подготовке управляющей программы.
Ответить

Вернуться в «Электроника»