Посоветуйте Драйвер Для Шаговика

Контроллеры, драйверы, датчики, управляющие устройства.
BARS_
Новичок
Сообщения: 13
Зарегистрирован: 08 дек 2013, 20:55
Репутация: 0
Контактная информация:

Посоветуйте Драйвер Для Шаговика

Сообщение BARS_ »

Доброго времени суток

Есть шаговик 4SHG-023A 39S. Требуется сделать для него управление, т.е. драйвер биполярного двигателя. Пробовал использовать спец. микросхемы TB6560 и L297+L298. НО, в обеих схемах по непонятной причине сгорели микросхемы, соответственно TB6560 и L298. Напряжение подавал 30В при токе 2А. При этом в случае с L298 движок даже не успел начать вращаться, микросхему просто пробило. TB6560 работала при напряжении 22В, но при 30В пробило и ее. Токоизмерительные резисторы стояли в обеих схемах. Теперь нужен совет профессионалов в выборе схемы и выяснении возможной причины сгорания микрух (обе были заказаны в Китае). В общем нужен хороший драйвер двигателя, желательно с микрошагом, на напряжение 35-40В и ток до 2А. Конечно, есть вариант собрать мосты на тех же IRFZ44 и подключить к L297, но нет желания отдавать за них больше 600р, чтобы потом посмотреть на пиротехнические эффекты.
Аватара пользователя
selenur
Почётный участник
Почётный участник
Сообщения: 4605
Зарегистрирован: 21 авг 2013, 19:44
Репутация: 1622
Настоящее имя: Сергей
Откуда: Новый Уренгой
Контактная информация:

Re: Посоветуйте Драйвер Для Шаговика

Сообщение selenur »

А не проще так: http://www.aliexpress.com/item/3Axis-St ... 59484.html получается по 814 рублей за 1 контроллер?
А напряжение для питания логики данных МК ты +5 вольт подавал? или все +30 и зарядил??
Без схемы подключения сложно догадаться где была ошибка....
Мой сайт: http://selenur.ru
Исходники моих программ: https://github.com/selenur
Instagram https://www.instagram.com/zheigurov/
BARS_
Новичок
Сообщения: 13
Зарегистрирован: 08 дек 2013, 20:55
Репутация: 0
Контактная информация:

Re: Посоветуйте Драйвер Для Шаговика

Сообщение BARS_ »

Да, 5В подавал отдельно. При чем сначала 5В, а потом уже 30В. Схема подключения стандартная, из даташита Изображение

Сама L298 была на такой плате http://www.ebay.com/itm/NEW-L298N-DC-Mo ... 4d15d89e22
Аватара пользователя
mhael
Мастер
Сообщения: 2443
Зарегистрирован: 09 мар 2013, 11:22
Репутация: 769
Настоящее имя: Ильдар
Контактная информация:

Re: Посоветуйте Драйвер Для Шаговика

Сообщение mhael »

а Sense с этих платок вы откуда снимали?
BARS_
Новичок
Сообщения: 13
Зарегистрирован: 08 дек 2013, 20:55
Репутация: 0
Контактная информация:

Re: Посоветуйте Драйвер Для Шаговика

Сообщение BARS_ »

Убрал джамперы (ими можно было соединить 1 и 15 выводы L298 с GND) с платы L298 и подпаял резисторы 0.47 Ом 5Вт. С них и снимал, как на схеме.
Petr_1221
Новичок
Сообщения: 4
Зарегистрирован: 11 дек 2013, 18:49
Репутация: 0
Контактная информация:

Re: Посоветуйте Драйвер Для Шаговика

Сообщение Petr_1221 »

1) Посоветуйте плиз самопайный драйвер (точнее всю электронику) для шаговых двигателей PL57H76! Станок будет с четырьмя осями (комбинированный для гравировки и токарки)! Привод через ШВП! Планируется обработка алюминия! Нужно чтобы все это работало через лапоть с MACH3
ЗЫ. Дружу с AVR
Petr_1221
Новичок
Сообщения: 4
Зарегистрирован: 11 дек 2013, 18:49
Репутация: 0
Контактная информация:

Re: Посоветуйте Драйвер Для Шаговика

Сообщение Petr_1221 »

Что вымерли все чпушники чтоль?
http://eselit.com/?part=scheme&sub=cont ... dvigatelya
Это будет работать с Mach&
Woodmaster
Опытный
Сообщения: 112
Зарегистрирован: 10 сен 2011, 18:18
Репутация: 11
Контактная информация:

Re: Посоветуйте Драйвер Для Шаговика

Сообщение Woodmaster »

Petr_1221 писал(а):1) Посоветуйте плиз самопайный драйвер (точнее всю электронику) для шаговых двигателей PL57H76! Станок будет с четырьмя осями (комбинированный для гравировки и токарки)! Привод через ШВП! Планируется обработка алюминия! Нужно чтобы все это работало через лапоть с MACH3
ЗЫ. Дружу с AVR
Так сейчас наверно уже никто сам и не собирает дрова для ШД. Проще купить готвые.
Аватара пользователя
selenur
Почётный участник
Почётный участник
Сообщения: 4605
Зарегистрирован: 21 авг 2013, 19:44
Репутация: 1622
Настоящее имя: Сергей
Откуда: Новый Уренгой
Контактная информация:

Re: Посоветуйте Драйвер Для Шаговика

Сообщение selenur »

Да не вымерли :-) У вас мотор вроде на 8 ампер, а все самодельные схемы которые например мне попадались не более 2-4ампер, т.е. самоделкины все используют небольшие моторчики, а для более серьезных конструкций уже ни кто не заморачивается, и берет сразу готовый драйвер.
Мой сайт: http://selenur.ru
Исходники моих программ: https://github.com/selenur
Instagram https://www.instagram.com/zheigurov/
Аватара пользователя
selenur
Почётный участник
Почётный участник
Сообщения: 4605
Зарегистрирован: 21 авг 2013, 19:44
Репутация: 1622
Настоящее имя: Сергей
Откуда: Новый Уренгой
Контактная информация:

Re: Посоветуйте Драйвер Для Шаговика

Сообщение selenur »

Petr_1221 писал(а):Что вымерли все чпушники чтоль?
http://eselit.com/?part=scheme&sub=cont ... dvigatelya
Это будет работать с Mach&
Из схемы можно выбросить генератор, и нужен будет переходник с опторазвязкой с lpt. А так будет работать.
Мой сайт: http://selenur.ru
Исходники моих программ: https://github.com/selenur
Instagram https://www.instagram.com/zheigurov/
Аватара пользователя
michael-yurov
Почётный участник
Почётный участник
Сообщения: 11731
Зарегистрирован: 26 июл 2012, 00:10
Репутация: 4703
Настоящее имя: Михаил Львович
Откуда: Новоуральск
Контактная информация:

Re: Посоветуйте Драйвер Для Шаговика

Сообщение michael-yurov »

selenur писал(а):Да не вымерли У вас мотор вроде на 8 ампер
Да не, такие моторы обычно ампера на 2-3.
Petr_1221
Новичок
Сообщения: 4
Зарегистрирован: 11 дек 2013, 18:49
Репутация: 0
Контактная информация:

Re: Посоветуйте Драйвер Для Шаговика

Сообщение Petr_1221 »

Спасибо большое ребята
Аватара пользователя
michael-yurov
Почётный участник
Почётный участник
Сообщения: 11731
Зарегистрирован: 26 июл 2012, 00:10
Репутация: 4703
Настоящее имя: Михаил Львович
Откуда: Новоуральск
Контактная информация:

Re: Посоветуйте Драйвер Для Шаговика

Сообщение michael-yurov »

Petr_1221 писал(а):Спасибо большое ребята
Petr_1221, ты вот просишь посоветовать...
А как посоветовать? На вкус и цвет не угодишь.

Самопальных то хороших может быть и нет вовсе.
Электрическая схема в общем то известна,
собственно по ней собирается большинство драйверов,
но проблема в качественной, проработанной прошивке микроконтроллера, управляющего драйвером.

Казалось бы ничего сложного, но в реальности недорогие китайские драйверы работают лучше всех известных мне самодельных.
Petr_1221
Новичок
Сообщения: 4
Зарегистрирован: 11 дек 2013, 18:49
Репутация: 0
Контактная информация:

Re: Посоветуйте Драйвер Для Шаговика

Сообщение Petr_1221 »

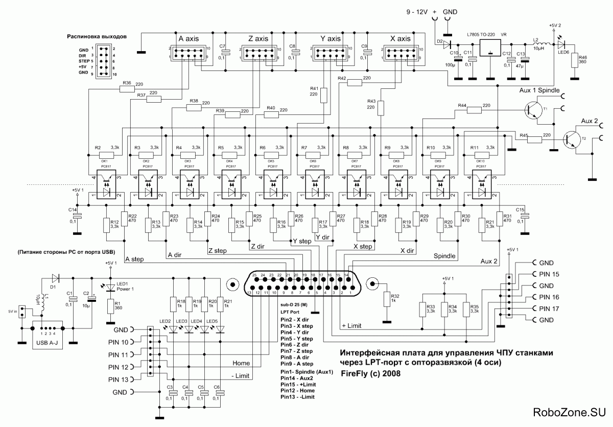
У меня проблема! на фото обведено красным что это за зверь? Я так понял это вместо сопротивлений R-12 R-20 R-2 R-10? Как он маркируется как называется как его купить? Что за транзисторы Т1 Т2 тоже не понятно! Как её собрать если здесь столько неясностей? Какие оптроны использовать чтобы скорость не терять и себе не в убыток?
1213010389_schematic.gif (6686 просмотров) <a class='original' href='./download/file.php?id=22288&mode=view' target=_blank>Загрузить оригинал (110.41 КБ)</a>
Вложения
1213010354_2.jpg (6687 просмотров) <a class='original' href='./download/file.php?id=22286&mode=view' target=_blank>Загрузить оригинал (53.91 КБ)</a>
Безымянный.png (6687 просмотров) <a class='original' href='./download/file.php?id=22287&mode=view' target=_blank>Загрузить оригинал (89.87 КБ)</a>
Аватара пользователя
mhael
Мастер
Сообщения: 2443
Зарегистрирован: 09 мар 2013, 11:22
Репутация: 769
Настоящее имя: Ильдар
Контактная информация:

Re: Посоветуйте Драйвер Для Шаговика

Сообщение mhael »

это резисторные сборки типа вот такие (номинал вроде правильно подобрал)
http://www.chipdip.ru/product0/21495/
Аватара пользователя
selenur
Почётный участник
Почётный участник
Сообщения: 4605
Зарегистрирован: 21 авг 2013, 19:44
Репутация: 1622
Настоящее имя: Сергей
Откуда: Новый Уренгой
Контактная информация:

Re: Посоветуйте Драйвер Для Шаговика

Сообщение selenur »

http://purelogic.ru/doc/PDF/SM/PL57H76-3.0-4.pdf тут написано 3Ампера на обмотку т.е. 6А итого
Мой сайт: http://selenur.ru
Исходники моих программ: https://github.com/selenur
Instagram https://www.instagram.com/zheigurov/
Аватара пользователя
selenur
Почётный участник
Почётный участник
Сообщения: 4605
Зарегистрирован: 21 авг 2013, 19:44
Репутация: 1622
Настоящее имя: Сергей
Откуда: Новый Уренгой
Контактная информация:

Re: Посоветуйте Драйвер Для Шаговика

Сообщение selenur »

mhael писал(а):это резисторные сборки типа вот такие (номинал вроде правильно подобрал)
http://www.chipdip.ru/product0/21495/
Там 2 таких сборки согластно схеме на 3.3кОм и куча резисторов на 470 уже по отдельности.
Мой сайт: http://selenur.ru
Исходники моих программ: https://github.com/selenur
Instagram https://www.instagram.com/zheigurov/
Аватара пользователя
selenur
Почётный участник
Почётный участник
Сообщения: 4605
Зарегистрирован: 21 авг 2013, 19:44
Репутация: 1622
Настоящее имя: Сергей
Откуда: Новый Уренгой
Контактная информация:

Re: Посоветуйте Драйвер Для Шаговика

Сообщение selenur »

2 транзистора это там для возможности управления 2 устройствами, например для управления подачей питания шпинделю, и управлению питания насоса СОЖ или света, но есть нюанс, у транзисторов на выходе может быть +5 вольт, и нагрузку в виде небольшого реле можно впихнуть.
Мой сайт: http://selenur.ru
Исходники моих программ: https://github.com/selenur
Instagram https://www.instagram.com/zheigurov/
Аватара пользователя
selenur
Почётный участник
Почётный участник
Сообщения: 4605
Зарегистрирован: 21 авг 2013, 19:44
Репутация: 1622
Настоящее имя: Сергей
Откуда: Новый Уренгой
Контактная информация:

Re: Посоветуйте Драйвер Для Шаговика

Сообщение selenur »

вот оптроны http://chipster.ru/catalog/active-compo ... ocouplers/
на схеме используются эти http://chipster.ru/catalog/active-compo ... s/978.html чем меньше время реакции тем конечно лучше :-)

Теперь все моменты понятны? :-)
Мой сайт: http://selenur.ru
Исходники моих программ: https://github.com/selenur
Instagram https://www.instagram.com/zheigurov/
Аватара пользователя
michael-yurov
Почётный участник
Почётный участник
Сообщения: 11731
Зарегистрирован: 26 июл 2012, 00:10
Репутация: 4703
Настоящее имя: Михаил Львович
Откуда: Новоуральск
Контактная информация:

Re: Посоветуйте Драйвер Для Шаговика

Сообщение michael-yurov »

selenur писал(а):тут написано 3Ампера на обмотку т.е. 6А итого
Ну хоть кто-то не забыл при расчетах, что у двигателя две обмотки.
Но все же складывать значения тока в обмотках нельзя, т.к. они не соединены параллельно.
Мощность потребляемая двумя обмотками - да, она вдвое выше, чем одной, но про ток так нельзя считать.

Там вообще ситуация похожа на работу импульсного блока питания,
например у блока питания на 10 В и 2 А потребление при питании от сети будет менее 0.1 А, а на выходе - до 2 А.
Ответить

Вернуться в «Электроника»